RX-6_RX-6B_RX-6R-Rev11 - 第138页
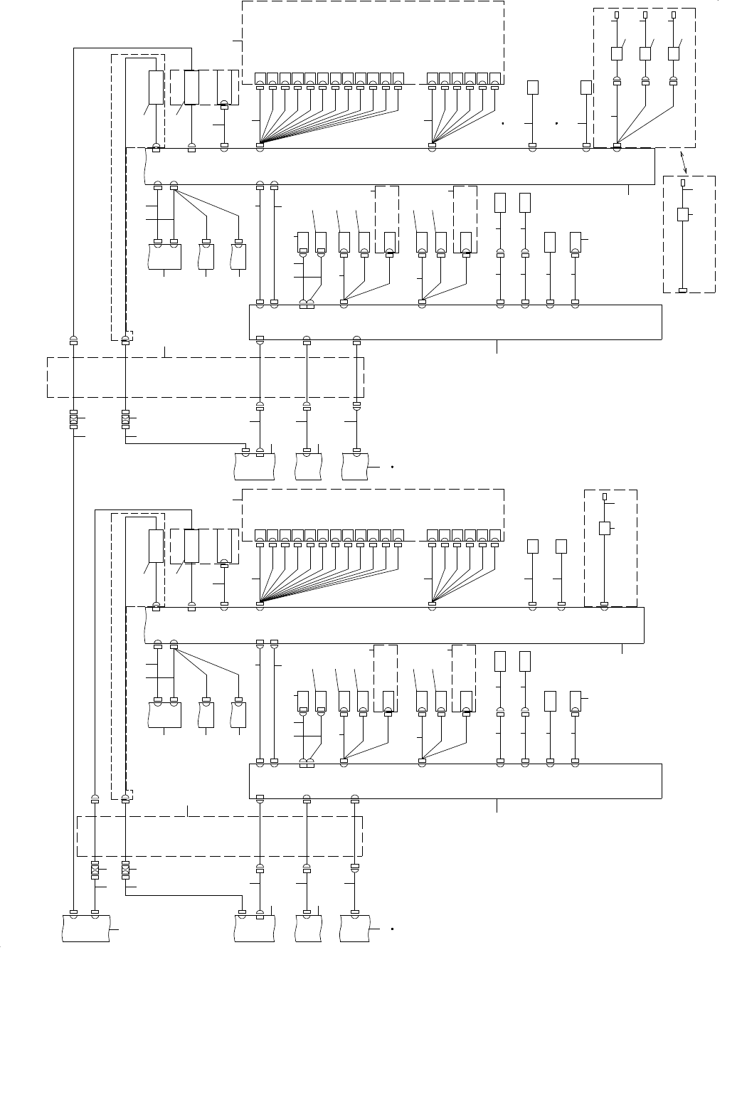
- 133 - 67. SYSTEM DIAGRAM (HEAD IF BLOCK) SYSTEM DIAGRA M(HEAD IF BLOCK) VAC UUM UNIT VACUUM UNIT FIB ER FIB ER FIB ER Z2 SENS OR Z3 SENS OR Z4 SENS OR Z5 SENS OR Z6 SENS OR Z1 SENSOR Z2 SENS OR Z3 SENS OR Z4 SENS OR Z5…

- 132 -
NOTE( 注記 ) #01....FOR EN EN 用
#02....FOR 6 NOZZLE HEAD, 6ノズルヘッド,
FOR 6 NOZZLE HEAD(6R) 6ノズルヘッド(6 R)用
#03....FOR 3 NOZZLE HEAD 3ノズルヘッド用
#04....UNTIL M/C REV.C マシン REV.C まで
#05....AFTER M/C REV.D マシン REV.D 以降
#06....FOR 6 NOZZLE HEAD 6ノズルヘッド用
#07....FOR 6 NOZZLE HEAD(6R) 6ノズルヘッド(6 R)用
REF.NO NOTE PART NO D E S C R I P T I O N
品 名
Qty
1
#01
401-29304 100VN FG WIRE ASM(EN)
100VN FGワイヤー組(EN)
1
2 401-29262 AC INPUT SURGE PROTECTOR ASM
AC入力サージプロテクタ組
1
3 401-29301 BREAKER-NF WIRE ASM
BREAKER−NFワイヤー組
1
4
#04
HN-0035900-00 NOISE FILTER
ノイズフィルタ
1
5
#05
HN-0040100-00 NOISE FILTER
ノイズフィルタ
1
6 HA-0065500-00 SWITCH
スイッチ
1
7 401-28954 NF-FG WIRE ASM
NF−FG ワイヤー組
1
8
#04
401-29303 SW-TF/MTS WIRE ASM
SW−TF/MTSワイヤー組
1
9
#05
401-58154 SW-TF/MTS WIRE ASM2
SW−TF/MTS束線組2
1
10 401-28955 TF-FG WIRE ASM
TF−FG ワイヤー組
1
11
#04
401-28956 TF200-EU BTM WIRE ASM
TF200−EU BTMワイヤー組
1
12
#05
401-58140 TF200-EU BTM WIRE ASM2
TF200−EU BTM束線組2
1
13 401-28958 TF100-EU BTM WIRE ASM
TF100−EU BTM ワイヤー組
1
14 401-27536 PSU_UNIT_A(ST)
PSU_ユニット_A(ST)
1
15
#01
401-27558 PSU_UNIT_A(EN)
PSU_ユニット_A(EN)
1
16 401-28960 EU TOP-TB1/2 WIRE ASM
EU TOP−TB1/2 ワイヤー組
1
17 401-28961 EU TOP-TB3 WIRE ASM
EU TOP−TB3 ワイヤー組
1
18 401-29245 VACUUM PUMP RELAY WIRE ASM
真空ポンプ中継ワイヤー組
1
19 401-28959 TF100-EU TOP WIRE ASM
TF100−EU トップワイヤー組
1
20 401-27537 PSU_UNIT_B(ST)
PSU_ユニット_B(ST)
1
21
#01
401-27563 PSU_UNIT_B(EN)
PSU_ユニット_B(EN)
1
22 401-28964 EU TOP-ATX RELAY WIRE ASM
EU TOP−ATX中継ケーブル組
1
23 401-29244 VACUUM PUMP ASM
真空ポンプ組
1
24 401-28965 ATX RELAY-ATX CABLE ASM
ATXリレー−ATX ケーブル組
1
25
#04
400-48007 BATTERY UNIT
バッテリユニット
1
26
#05
EZ-1756647-11 BATTERY PACK (BS06A-H24/2.5L)
バッテリーパック(BS06AーH24/2.5L)
1
27 401-28967 ATX-SW CABLE ASM
ATX−SW ケーブル組
1
28
#04
401-28966 ATX-CPCI WIRE ASM
ATX−CPCIワイヤー組
1
29
#05
401-72724 ATX-CPCI WIRE ASM3
ATX−CPCIワイヤー組3
1
30 401-29648 POSITION BOARD
ポジションボード
1
31 401-29627 OPTICAL FIBER CABLE 1M
光ファイバケーブル1M
1
32 401-29652 X AXIS DRIVER
X軸ドライバ
1
33 401-28968 TB1-FX AMP WIRE ASM
TB1−FXアンプワイヤー組
1
34
#01
401-29307 TB1-FX AMP WIRE ASM(EN)
TB1−FXアンプワイヤー組(EN)
1
35 401-28974 FX AMP-FG WIRE ASM
FXアンプ−FG ワイヤー組
1
36 401-29334 FX AMP-XY BEAR ENC CABLE ASM
FXアンプ−XYベアENCケーブル組
1
37 401-29313 FX AMP-Y BEAR PWR CABLE ASM
FXアンプ−Yベアパワーケーブル組2
1
38 401-33055 XY BEAR CABLES ASM1
XYベアケーブルS組1
1
39 401-29148 X-MOTOR ENC CABLE ASM
X−モータ ENC ケーブル組
1
40 400-44546 X MTR PWR CABLE
X MTRパワーケーブル
1
41 401-29630 XY LINEAR SCALE HEAD
XYリニアスケールヘッド
1
42 401-29653 X AXIS MOTOR
X軸モータ
1
43 401-28969 TB1-FYL AMP WIRE ASM
TB1−FYLアンプワイヤー組
1
44
#01
401-29308 TB1-FYL AMP WIRE ASM(EN)
TB1−FYLアンプワイヤー組(EN)
1
45 401-28975 FYL AMP-FG WIRE ASM
FYLアンプ−FG ワイヤー組
1
46 401-29654 Y AXIS DRIVER
Y軸ドライバ
1
47 401-29627 OPTICAL FIBER CABLE 1M
光ファイバケーブル1M
1
48 401-33057 Y BEAR CABLES ASM
YベアケーブルS組
1
49 401-29264 FYL AMP-Y BEAR ENC CABLE ASM
FYLアンプ−YベアENCケーブル組
1
50 401-29314 FYL AMP-Y BEAR PWR CABLE ASM
FYLアンプ−Yベアパワーケーブル組
1
51 401-29124 Y LINEAR MTR WIRE ASM
YリニアMTRワイヤー組
1
52 401-28970 TB1-FYR AMP WIRE ASM
TB1−FYRアンプワイヤー組
1
53
#01
401-29309 TB1-FYR AMP WIRE ASM(EN)
TB1−FYRアンプワイヤー組(EN)
1
54 401-28976 FYR AMP-FG WIRE ASM
FYRアンプ−FG ワイヤー組
1
55 401-29265 FYR AMP-Y BEAR ENC CABLE ASM
FYRアンプ−Y ベアENC ケーブル組
1
56 401-29628 OPTICAL FIBER CABLE 0.15M
光ファイバケーブル0.15M
1
57 401-29316 FYR AMP-Y BEAR PWR CABLE ASM
FYRアンプ−Yベアパワーケーブル組
1
58 401-29635 OPTICAL FIBER 1.7M
光ファイバケーブル1.7M
1
59 HK-0852900-20 CONNECTOR
コネクタ
1
60 401-33055 XY BEAR CABLES ASM1
XYベアケーブルS組1
1
61 401-29315 Y BEAR-YR MTR G CABLE ASM
Yベア−YR MTR Gケーブル組
1
62 401-29316 FYR AMP-Y BEAR PWR CABLE ASM
FYRアンプ−Yベアパワーケーブル組
1
63 401-28874 HEAD RELAY PCB ASM
ヘッドリレー基板組
1
64 401-29650 4AXIS INTEGRAL TYPE T AXIS DRIVER
4軸一体T軸ドライバ
1
65 401-33051 HDR-ZA AMP PWR CABLE ASM
HDR−ZAアンプパワーケーブル組
1
66 401-33052 HDR-ZB AMP PWR CABLE ASM
HDR−ZBアンプパワーケーブル組
1
67 401-33053 HDR-ZC AMP PWR CABLE ASM
HDR−ZCアンプパワーケーブル組
1
68 401-28971 TB2-RX AMP WIRE ASM
TB2−RXアンプワイヤー組
1
69
#01
401-29310 TB2-RX AMP WIRE ASM(EN)
TB2−RXアンプワイヤー組(EN)
1
70 401-28977 RX AMP-FG WIRE ASM
RXアンプ−FG ワイヤー組
1
71 401-29335 RX AMP-XY BEAR ENC CABLE ASM
RXアンプ−XYベアENCケーブル組
1
72 401-29317 RX AMP-Y BEAR PWR CABLE ASM
RXアンプ−Yベアパワーケーブル組
1
73 401-28972 TB2-RYL AMP WIRE ASM
TB2−RYLアンプワイヤー組
1
74
#01
401-29311 TB2-RYL AMP WIRE ASM(EN)
TB2−RYLアンプワイヤー組(EN)
1
75 401-28978 RYL AMP-FG WIRE ASM
RYLアンプ−FG ワイヤー組
1
76
#01
401-29312 TB2-RYR AMP WIRE ASM(EN)
TB2−RYRアンプワイヤー組(EN)
1
77 401-29267 RYL AMP-Y BEAR ENC CABLE ASM
RYLアンプ−Y ベアENC ケーブル組
1
78 401-29318 RYL AMP-Y BEAR PWR CABLE ASM
RYLアンプ−Yベアパワーケーブル組
1
79 401-28973 TB2-RYR AMP WIRE ASM
TB2−RYRアンプワイヤー組
1
80 401-28985 TB3-RYR AMP WIRE ASM
TB3−RYRアンプワイヤー組
1
81 401-29268 RYR AMP-Y BEAR ENC CABLE ASM
RYRアンプ−Y ベアENC ケーブル組
1
82 401-29319 RYR AMP-Y BEAR PWR CABLE ASM
RYRアンプ−Yベアパワーケーブル組
1
83 401-29629 OPTICAL FIBER CABLE 3.8M
光ファイバケーブル3.8M
1
84 401-28980 TB3-FX AMP WIRE ASM
TB3−FXアンプワイヤー組
1
85 401-28981 TB3-FYL AMP WIRE ASM
TB3−FYLアンプワイヤー組
1
86 401-28982 TB3-FYR AMP WIRE ASM
TB3−FYRアンプワイヤー組
1
87 401-28983 TB3-RX AMP WIRE ASM
TB3−RXアンプワイヤー組
1
88 401-28984 TB3-RYL AMP WIRE ASM
TB3−RYLアンプワイヤー組
1
89 401-28979 RYR AMP-FG WIRE ASM
RYRアンプ−FG ワイヤー組
1
90 401-29336 MTS I/F BR CABLE ASM
MTS I/F BRケーブル組
1
91 401-29338 RC UNIT WIRE ASM
RCユニットワイヤー組
1
92 401-29670 REGENERATIVE CAPACITOR UNIT
回生コンデンサユニット
1
93 401-28988 Y BEAR-YR SCALE CABLE ASM
Yベア−YR SCALEケーブル組
1
94 401-33058 EU TOP-F XY BEAR AMP PWR CABLE ASM
EU TOP−FXYベアケーブル組
1
95 401-33059 EU TOP-R XY BEAR AMP PWR CABLE ASM
EU TOP−RXYベアケーブル組
1
96 401-33060 XY BEAR AMP PWR-FG WIRE ASM
XYベア−FGワイヤー組
1
97 401-33142 T AXIS MOTOR BP
T軸モータBP
1
98 401-33141 Z AXIS MOTOR
Z軸モータ
1
99
#02
401-33142 T AXIS MOTOR BP
T軸モータBP
1
100
#03
401-33143 T AXIS MOTOR AK
T軸モータAK
1
101
#02
401-33141 Z AXIS MOTOR
Z軸モータ
1
102 401-29302 NF-SW WIRE ASM
NF−SW ワイヤー組
1
103
#04
401-29669 TRANSFORMER(MULTIPLE INPUT)
トランス(マルチインプット)
1
104
#05
401-58135 TRANSFORMER(MULTIPLE INPUT)
トランス(マルチインプット)
1
105 401-28957 TF34-EU BTM WIRE ASM
TF34−EU BTM ワイヤー組
1
106
#04
400-48006 ATX PSU
ATX電源
1
107
#05
EZ-1468979-11 POWER (ENSP-300P-S20-11S)
電源(ENSP−300P−S20−11S)
1
108
#04
401-29625 CPCI BACK BOARD 6SLOT
CPCIバックボード6スロット
1
109
#05
401-72512 CPCI BACK BOARD 6SLOT
CPCIバックボード6スロット
1
110
#06
401-33142 T AXIS MOTOR BP
T軸モータBP
1
111
#07
401-33143 T AXIS MOTOR AK
T軸モータAK
1

- 133 -
67.SYSTEM DIAGRAM(HEAD IF BLOCK)
SYSTEM DIAGRAM(HEAD IF BLOCK)
VACUUM
UNIT
VACUUM UNIT
FIBER
FIBER
FIBER
Z2 SENSOR
Z3 SENSOR
Z4 SENSOR
Z5 SENSOR
Z6 SENSOR
Z1 SENSOR
Z2 SENSOR
Z3 SENSOR
Z4 SENSOR
Z5 SENSOR
Z6 SENSOR
Z1 SENSOR
Z6V
Z5V
Z4V
Z3V
Z2V
Z1V
Z6B
Z5B
Z4B
Z3B
Z1B
Z2B
Z6V
Z5V
Z4V
Z3V
Z2V
Z1V
Z6B
Z5B
Z4B
Z3B
Z1B
Z2B
LNC-3
OPTION (SOLDER REC)
OPTION (SOLDER REC)
OCC R
OCC L
OCC R
OCC L
3-1B
2-1B
2-3B
1-2D
3-1C
2-1B
2-3B
1-3D
3-1A
2-1B
2-3B
1-3D
5-1A
1-3D
1-4D1-4B
1-5C
1-5C
1-4C
1-5A
1-5A
1-4A
3nozzles
OPTION (SOLDER REC)
OPTION (SOLDER REC)
CN0632
OCC-O2
OCC-A2
OCC-C2
OCC-O1
OCC-A1
OCC-C1
CN0632
OCC-O2
OCC-A2
OCC-C2
OCC-O1
OCC-A1
OCC-C1
CN0611B
CN11B
CN0611B
CN11B
CN0306
CN0406
EPV
LNC
EPV-1
LNC-1
CN0411
CN0310
CN0061
CN0614
CN0601
CN0610
XY BEAR
CABLES
ASM2(R)
LAN4
CN0004
ELECTRICAL UNIT
<TOP UNIT>
CN4
CN6
IO CONTROL PCB
CN0704
CN4
ILLUMINATION
UNIT
POWER
ETHERENC
ETHER
ZTA CN5
ZTB CN5
ZTC CN5
ZTA CN6
CN0717
CN0701
CN0713
CN0703
CN13
CN3
CN0615
CN0603
CN6
T3 ORIGIN
SENSOR
CN0741
T2 ORIGIN
SENSOR
CN0740
T1 ORIGIN
SENSOR
CN0739CN0707
CN7
NOZZLE
UP
SENSOR
CN0709
NOZZLE
UP
SENSOR
CN9
CN0708
CN15
Z6 VACUUM SENSOR(6nozzle)
UNUSED(3nozzle)
Z5 VACUUM SENSOR(6nozzles)
Z3 VACUUM SENSOR(3nozzles)
Z4 VACUUM SENSOR(6nozzles)
UNUSED(3nozzles)
Z3 VACUUM SENSOR(6nozzles)
Z2 VACUUM SENSOR(3nozzles)
Z2 VACUUM SENSOR(6nozzles)
UNUSED(3nozzles)
CN0715
Z1 VACUUM SENSOR(6nozzles)
Z1 VACUUM SENSOR(3nozzles)
CN8
Z6 VACUUM S.V.(6nozzles)
UNUSED(3nozzles)
Z5 VACUUM S. V.(6nozzles)
Z3 VACUUM S. V.(3nozzles)
Z4 VACUUM
S.V.(6nozzles)
UNUSED(3nozzles)
Z3 VACUUM S. V.(6nozzles)
Z2 VACUUM S. V.(3nozzles)
Z2 VACUUM S.V.(6nozzles)
UNUSED(3nozzles)
Z1 VACUUM S. V.(6nozzles)
Z1 VACUUM S. V.(3nozzles)
Z6 BLOW S.V.(6nozzles)
UNUSED(3nozzles)
Z5 BLOW S.V. (6nozzles)
Z3 BLOW S.V. (3nozzles)
Z4 BLOW S.V.(6nozzles)
UNUSED(3nozzles)
Z3 BLOW S.V. (6nozzles)
Z2 BLOW S.V. (3nozzles)
Z2 BLOW .V.(6nozzles)
UNUSED(3nozzles)
CN0710
Z1 BLOW S.V. (6nozzles)
Z1 BLOW SV(3 nozzles)
CN1
CN0606
CN0607
THERMAL
SENSOR
PCB (R)
NZL UP S.V.
HMS(RR)
CN0631CN0609
HMS(RL)
CN0630CN0608
CN0613
OCC O
PCB(RR)
OCC A
PCB(RR)
OCC C
PCB(RR)
CN0612
OCC O
PCB(RL)
OCC A
PCB(RL)
OCC(RL)
OCC(RR)
OCC C
PCB(RL)
CN0611A
CN6
CN7
CN9
CN8
CN4
LNC120(R)
CN5
ZTC SERVO
DRIVER(R)
CN5
ZTB SERVO
DRIVER(R)
CN6
CN2
(DOWN)
IP-X11 PCB
CN3
CN5
CN13
CN12
CN10
CN11A
CN10
CN14
CN5
CN17
HEAD RELAY
PCB(R)
HEAD MAIN
PCB(R)
CN1
ENC
CN5
EPV120(R)
ZTA SERVO
DRIVER(R)
CN0302
CN0405
EPV
LNC
EPV-1
LNC-1
CN0410
CN0309
CN0060
CN0614
CN0601
CN0610
XY BEAR
CABLES
ASM2(F)
LAN3
CPU BOARD
CN0005
ELECTRICAL UNIT
<TOP UNIT>
CN5
CN2
IO CONTROL PCB
CN0704
CN4
ILLUMINATION
UNIT
POWER
ETHERENC
ETHER
ZTA CN5
ZTB CN5
ZTC CN5
ZTA CN6
CN0717
CN0701
CN0713
CN0703
CN13
CN3
CN0615
CN0603
CN6
NOZZLE UP
SENSOR
CN0709
NOZZLE UP
SENSOR
CN9
CN0708
CN15
Z6 VACUUM
SENSOR
Z5 VACUUM
SENSOR
Z4 VACUUM
SENSOR
Z3 VACUUM
SENSOR
Z2 VACUUM
SENSOR
CN0715
Z1 VACUUM
SENSOR
CN8
Z6 VACUUM S.V.
Z5 VACUUM S.V.
Z4 VACUUM S.V.
Z3 VACUUM S.V.
Z2 VACUUM S.V.
Z1 VACUUM S.V.
Z6 BLOW S.V.
Z5 BLOW S.V.
Z4 BLOW S.V.
Z3 BLOW S.V.
Z2 BLOW S.V.
CN0710
Z1 BLOW S.V.
CN1
CN0606
CN0607
THERMAL
SENSOR
PCB (F)
NZL U P S.V.
HMS(FR)
CN0631CN0609
HMS(FL)
CN0630CN0608
CN0613
OCC O
PCB(FR)
OCC A
PCB(FR)
OCC C
PCB(FR)
CN0612
OCC O
PCB(FL)
OCC A
PCB(FL)
OCC(FL)
OCC(FR)
OCC C
PCB(FL)
CN0611A
CN6
CN7
CN9
CN8
CN4
LNC120(F)
CN5
ZTC SERVO
DRIVER(F)
CN5
ZTB SERVO
DRIVER(F)
CN5
CN2
(UP)
IP-X11 PCB
CN3
CN5
CN13
CN12
CN10
CN11A
CN10
CN14
CN5
CN17
HEAD RELAY
PCB(F)
HEAD MAIN
PCB(F)
CN1
ENC
CN5
EPV120(F)
ZTA SERVO
DRIVER(F)
1
3
2
2
3
4
56
7 8
9 10 11
12
13 13 13
15
14
20
21
22
23
25
24
24 26 27
28
39
26 27
28
32
30 31
32
33 34
35
383736
19
17 18
16
2
3
2
3
4
42
5
43
6
44
7 8
12
15
14
13 1313
20
21
23
22
24
24 26 27
28
25
26 27
28
32 32
30 31 33 34
35
29
50
16
17
18
19
36
50
37
40 41 45 46
47
49
48 48 48
49 49
29
LNC-3
EPV120 OPTION (F)
FIBER
6nozzles_6R
T3 ORIGIN SENSOR
CN0707
CN7
EPV120 OPTION (R)
51
52
52
51
CN0707
T3 ORIGIN SENSOR
6nozzles_6R
FIBER

- 134 -
NOTE( 注記 ) #01....FOR EN EN 用
#02....FOR 6 NOZZLE HEAD 6ノズルヘッド用
#03....FOR 3 NOZZLE HEAD 3ノズルヘッド用
#04....FOR 6 NOZZLE HEAD(6R) 6ノズルヘッド(6 R)用
REF.NO NOTE PART NO D E S C R I P T I O N
品 名
Qty
1 401-23242 CPU BOARD
CPUボード
1
2 HW-0018100-8A SHIELDED CABLE
シールドケーブル
1
3 HK-0849200-80 CONNECTOR
コネクタ
1
4 401-29131 XY BEAR CABLES ASM2
XY ベアケーブルS 組2
1
5 401-33294 IP-X11 SET GEN ASM
IP−X11汎用機セット組図
1
6 401-28871 IO CONTROL PCB ASM
IOコントロール基板組
1
7 401-27537 PSU_UNIT_B(ST)
PSU_ユニット_B(ST)
1
8
#01
401-27563 PSU_UNIT_B(EN)
PSU_ユニット_B(EN)
1
9 401-29099 IPX-F XY BEAR CAMERA CABLE ASM
IPX−F XYベアカメラケーブル組
1
10 401-29325 IO-F XY BEAR SERIAL CABLE ASM
IO−F XYベアシリアルケーブル組
1
11 401-29101 EU TOP-F XY BEAR HDM PWR CABLE ASM
EUトップ−F XYベアHDMパワーケーブル組
1
12 401-28873 HEAD MAIN PCB ASM
ヘッドメイン基板組
1
13 401-29650 4AXIS INTEGRAL TYPE T AXIS DRIVER
4軸一体T軸ドライバ
1
14 401-33023 TAMP-HDR ENC CABLE ASM
TAMP−HDRエンコーダケーブル組
1
15 401-33063 TAMP-HDR SERIAL CABLE ASM
TAMP−HDRシリアルケーブル組
1
16 401-28874 HEAD RELAY PCB ASM
ヘッドリレー基板組
1
17 401-29657 EPV120
EPV120
1
18 401-29658 LNC120
LNC120
1
19 401-28996 HR-LNC LED WIRE ASM
HR−LNC LED ケーブル組
1
20 401-29104 HDM-HDR SERIAL CABLE ASM
HDM−HDRシリアルケーブル組
1
21 401-29105 HDM-HDR PWR CABLE ASM
HDM−HDR パワーケーブル組
1
22 401-29102 HDM-OCC L CABLE ASM
HDM−OCC L ケーブル組
1
23 401-29103 HDM-OCC R CABLE ASM
HDM−OCC R ケーブル組
1
24 401-29639 OCC
OCC
1
25 401-29273 HDM-OCC LIGHT L CABLE ASM
HDM−OCCライトLケーブル組
1
26 401-28879 OCC C PCB ASM
OCC C基板組
1
27 401-28878 OCC A PCB ASM
OCC A基板組
1
28 401-28880 OCC O PCB ASM
OCC O基板組
1
29 401-29274 HDM-OCC LIGHT R CABLE ASM
HDM−OCCライトRケーブル組
1
30 401-29106 HDM-HMS L RELAY CABLE ASM
HDM−HMS L中継ケーブル組
1
31 401-29107 HDM-HMS R RELAY CABLE ASM
HDM−HMS R中継ケーブル組
1
32 401-29108 HMS CABLE ASM
HMS ケーブル組
1
33 401-29113 NZL-UP SV CABLE ASM
NZL−UP SV ケーブル組
1
34 401-29109 HDM-TMP SENSOR CABLE ASM
HDM−TMP センサケーブル組
1
35 401-28883 THERMAL SENSOR PCB ASM
サーマルセンサ基板組
1
36 401-33000 HDR-SV CABLE ASM
HDR−SVケーブル組
1
37 401-33001 HDR-Z VAC SENSOR CABLE ASM
HDR−Zバキュームセンサケーブル組
1
38 401-33002 NZL UP SENSOR 6T L CABLE ASM
ノズルアップセンサ(6TL)ケーブル組
1
39 401-33003 NZL UP SENSOR 6T R CABLE ASM
ノズルアップセンサ(6TR)ケーブル組
1
40
#02
401-33002 NZL UP SENSOR 6T L CABLE ASM
ノズルアップセンサ(6TL)ケーブル組
1
41
#03
401-33020 NZL UP SENSOR 3T L CABLE ASM
ノズルアップセンサ(3TL)ケーブル組
1
42 401-29115 IPX-R XY BEAR CAMERA CABLE ASM
IPX−R XY ベアカメラケーブル組
1
43 401-29326 IO-R XY BEAR SERIAL CABLE ASM
IO−R XYベアシリアルケーブル組
1
44 401-29117 EU TOP-R XY BEAR HDM PWR CABLE ASM
EUトップ−R XYベアHDMパワーケーブル組
1
45
#02
401-33003 NZL UP SENSOR 6T R CABLE ASM
ノズルアップセンサ(6TL)ケーブル組
1
46
#03
401-33021 NZL UP SENSOR 3T R CABLE ASM
ノズルアップセンサ(3TR)ケーブル組
1
47
#03
401-33004 HDR-T ORG RELAY CABLE ASM
HDR−T原点ケーブル組
1
48
#02
401-81869 T ORG SENSOR CABLE ASM
T原点センサケーブル組
1
49
#03
HD-0028500-40 SENSOR
センサ
1
50 401-32730 VACUUM UNIT
バキュームユニット
1
51
#04
401-65940 T3 ORG SENSOR CABLE ASM
T3原点センサケーブル組
1
52
#04
HD-0028500-40 SENSOR
センサ
1