RX-6_RX-6B_RX-6R-Rev11 - 第144页
- 139 - 70. SYSTEM DIAGRAM(CPU & COPLA & IS IF BLOCK) SYSTEM DIAGRA M(CPU & COPLA & IS IF BLOCK) NOTE1 THIS CONNECTION CHANGE W ITH IFS-NX RFID SPECIFICATION FAN CP-CP L-OUT CP-CPL-I N FG FG IN-DC12V 5-4D 5-1A 5-…

- 138 -
NOTE( 注記 ) #01....FOR EN EN 用
#02....UNTIL M/C REV.C マシン REV.C まで
#03....AFTER M/C REV.D マシン REV.D 以降
#04....VCS OPTION VCS オプション(フロント未装着時)
(AT THE TIME OF FRONT NON-WEARING)
REF.NO NOTE PART NO D E S C R I P T I O N
品 名
Qty
1 401-28871 IO CONTROL PCB ASM
IOコントロール基板組
1
2 401-28026 CUTTER_RIB
カッタリブ
1
3 401-28875 CONVEYOR PCB ASM
搬送基板組
1
4
#04
401-33012 F CNV-F LTCTL SERIAL CABLE ASM
F CNV−F LTCTLシリアルケーブル組
1
5 401-29046 SIDE SENSOR CABLE ASM
サイドセンサケーブル組
1
6 401-56967 R-STOPPER RELAY2 CABLE ASM
Rストッパ中継2ケーブル組
1
7
#02
401-29032 L MOTOR CABLE ASM
Lモータケーブル組
1
8
#03
401-58142 L MOTOR DRIVER CABLE ASM
L モータドライバケーブル組
1
9
#02
401-29033 L/R MOTOR ASM
L/Rモータ組
1
10
#03
401-58136 2PHASE STEPPING MOTOR
2相ステッピングモータ
1
11 401-29080 AIR(N) SENSOR CABLE ASM
AIR(N) センサケーブル組
1
12 401-29256 CONVEYOR(F)-CAL VAC(S/R) CABLE ASM
搬送(F)−CAL VAC(S/R)ケーブル組
1
13
#02
401-29034 R MOTOR CABLE ASM
Rモータケーブル組
1
14
#03
401-58144 R MOTOR DRIVER CABLE ASM
R モータドライバケーブル組
1
15 401-29050 CNV-L RELAY CABLE ASM
CNV−L中継ケーブル組
1
16 401-29052 BU CHANGE R SV CABLE ASM
BUチェンジ R SV ケーブル組
1
17 401-29053 BU LOCK SV CABLE ASM
BUロックSV ケーブル組
1
18 401-29046 SIDE SENSOR CABLE ASM
サイドセンサケーブル組
1
19 401-29057 SEPARATE SENSOR RECEIVER ASM
SEPARATE センサ受光組
1
20 401-29135 BU PIN DETECT SENSOR RELAY(S) CABLE ASM
BUピン DETECTセンサ中継(S)ケーブル組
1
21 401-29058 SEPARATE SENSOR EMISSION ASM
SEPARATE センサ投光組
1
22 401-29035 BU AXIS CONTROL CABLE ASM
BU AXISコントロールケーブル組
1
23 401-29636 BU AXIS SERVO AMP
BU軸サーボドライバ
1
24 401-29038 BU MOTOR POWER(S)CABLE ASM
BUモータ電源(S)ケーブル組
1
25 401-29637 BU AXIS SERVO MOTOR
BU軸サーボモータ
1
26 401-29036 BU AXIS POWER CABLE ASM
BU AXIS電源ケーブル組
1
27 401-29645 BU MOTOR ENCODER CABLE ASM
BUモータエンコーダケーブル組
1
28 401-29037 BU AXIS ENCODER CABLE ASM
BU AXISエンコーダケーブル組
1
29 401-29056 CNV AUTO SET1 WIRE ASM
CNV AUTO SET1 ワイヤー組
1
30 401-29059 CNV AUTO SET2 WIRE ASM
CNV AUTO SET2 ワイヤー組
1
31 401-29060 CNV AUTO SET3 WIRE ASM
CNV AUTO SET3 ワイヤー組
1
32 HD-0010700-30 SENSOR
センサ
1
33 401-29139 CONVEYOR EXTENSION 150 CABLE ASM
搬送延長150ケーブル組
1
34 401-81868 STOP SENSOR CABLE ASM
ストップセンサケーブル組
1
35 401-29062 PHOTOMICRO SENSOR ASM
PHOTOMICRO センサ組
1
36 401-29039 AWC MOTOR(S)CABLE ASM
AWCモータ(S)ケーブル組
1
37 401-29040 AWC MOTOR ASM
AWCモータ組
1
38 401-29041 AWC ENC/ORG RELAY(S)CABLE ASM
AWC ENC/ORG中継(S)ケーブル組
1
39 E9433-729-0A0 BU ENC ASM.
BU ENC組
1
40 401-29042 AWC/BU ORG SENSOR CABLE ASM
AWC/BU原点センサワイヤー組
1
41 401-29048 BU CHANGE CABLE ASM
BUチェンジケーブル組
1
42 401-29140 CONVEYOR BU CHG SENSOR RELAY CABLE ASM
搬送BU CHGセンサ中継ケーブル組
1
43 401-29137 CONVEYOR BUCHG L RELAY CABLE ASM
搬送BU CHG L中継ケーブル組
1
44 401-29047 BU UNIT SENSOR RELAY CABLE ASM
BUユニットセンサ中継ケーブル組
1
45 401-29054 SIDE SENSOR(L) RELAY CABLE ASM
サイドセンサ(L)中継ケーブル組
1
46 401-29138 CONVEYOR BUCHG R RELAY CABLE ASM
搬送BUCHG R中継ケーブル組
1
47 401-29049 BU LOCK SENSOR CABLE ASM
BUロックセンサケーブル組
1
48 401-29152 CONVEYOR BULOCK RELAY CABLE ASM
搬送BUロック中継ケーブル組
1
49 401-56965 L-STOPPER RELAY CABLE ASM
Lストッパ中継ケーブル組
1
50 400-07376 CALBLOCK PCB ASM
CALブロック基板組
1
51 401-29260 CAL-VACUUM SV CABLE ASM
CAL−VACUUM SV ケーブル組
1
52 400-42180 FLUXER CYLINDER UNIT ASM
フラクサシリンダユニット組
1
53 401-33028 FLUXER BASE RELAY CABLE R ASM
フラクサベース中継ケーブルR組
1
54 401-33150 LOAD CELL
ロードセル
1
55 401-33151 LOAD CELL AMP
ロードセルアンプ
1
56 401-33019 LOAD CELL ANAROG CABLE ASM
ロードセルアナログケーブル組
1
57 401-01188 CVS PROBE CABLE ASM
CVSプローブケーブル組
1
58 400-95117 CVS PCB ASM
CVS基板組
1
59 401-29043 CNV-CVS SERIAL CABLE ASM
CNV−CVS シリアルケーブル組
1
60 401-27537 PSU_UNIT_B(ST)
PSU_ユニット_B(ST)
1
61
#01
401-27563 PSU_UNIT_B(EN)
PSU_ユニット_B(EN)
1
62 401-29044 EU TOP-CVS PWR CABLE ASM
EU TOP−CVS パワーワイヤー組
1
63 401-29027 EU TOP-F CNV PWR WIRE ASM
EU TOP−F CNV パワーケーブル組
1
64 401-33013 LIGHT CONTROL F POWER ASM
ライトコントロール F電源ケーブル組
1
65 401-33017 LIGHT CONTROL R POWER ASM
ライトコントロール R電源ケーブル組
1
66 401-29261 ATC SV CABLE ASM
ATC SV ケーブル組
1
67 401-29155 SOLENOID VALVE CABLE ASM
SOT SV ケーブル組
1
68 401-29062 PHOTOMICRO SENSOR ASM
PHOTOMICRO センサ組
1
69 401-56966 R-STOPPER RELAY1 CABLE ASM
Rストッパ中継1ケーブル組
1
70 400-42180 FLUXER CYLINDER UNIT ASM
フラクサシリンダユニット組
1
71 401-33009 MTC I/F CABLE ASM
MTC I/Fケーブル組
1
72
#03
401-58143 L MOTOR CABLE ASM2
L モータケーブル組2
1
73 401-28872 SAFETY PCB ASM
セーフティー基板組
1
74 401-29028 CNV-SMEMA L RELAY (F) CABLE ASM
CNV−SMEMA L中継(F)ケーブル組
1
75 401-29031 SMEMA CABLE ASM
スメマケーブル組
1
76 401-29029 CNV-SMEMA R RELAY (F) CABLE ASM
CNV−SMEMA R中継(F)ケーブル組
1
77 401-33018 VCS SENS CABLE R ASM
VCSセンサケーブルR組
1
78 401-32991 LIGHT CONTROL PCB ASM
ライトコントロール基板組
1
79 401-33024 VCS LIGHT CABLE ASM
VCSライトケーブル組
1
80 401-33014 VCS SENS CABLE F ASM
VCSセンサケーブルF組
1
81 400-02147 VCS OP SENS ASM
VCS OPセンサ組
1
82 400-02146 VCS ST SENS ASM
VCS STセンサ組
1
83 400-02148 VCS SV CABLE ASM
VCS SVケーブル組
1
84
#03
401-58145 R MOTOR CABLE ASM2
R モータケーブル組2
1
85 401-42095 EXTCLINK PCB ASM
EXTCLINK基板組図
1
86 401-33146 CAMERALINK CABLE SS 3M
カメラリンクケーブル SS 3M
1
87 401-08599 S-COAXIAL-LIGHT PCB ASM
S同軸ライト基板組
1
88 401-33145 CAMERALINK CABLE SS 1M
カメラリンクケーブル SS 1M
1
89 401-33149 VCS CAMERA
VCSカメラ
1
90 401-32987 BOTTOM LIGHT PCB ASM
ボトムライト基板組
1
91 401-09805 S_BACK LIGHT CABLE ASM
S_バックライトケーブル組
1
92 401-33015 SIDE LIGHT CABLE ASM
サイドライトケーブル組
1
93 401-32986 BACK LIGHT PCB ASM
バックライト基板組
1
94 401-32989 SIDE LIGHT ASM
サイドライト組
1
95 401-33016 F LTCTL-R LTCTL SERIAL CABLE ASM
F LTCTL−R LTCTLシリアルケーブル組
1
96 401-33294 IP-X11 SET GEN ASM
IP−X11汎用機セット組図
1
97 401-56969 STOPPER SV CABLE ASM
ストッパSVケーブル組
1
98 401-56968 STOPPER SENSOR ASM
ストッパセンサ組
1
99
#02
HW-0013200-00 SHEATH_CABLE
キャプタイヤケーブル
1
100
#03
401-54209 2PHASE DRIVER PCB ASM
2相ドライバ基板組
1
101 401-29042 AWC/BU ORG SENSOR CABLE ASM
AWC/BU原点センサワイヤー組
1
102 401-29051 BU CHANGE L SV CABLE ASM
BUチェンジ L SVケーブル組
1
103
#04
401-66447 F CNV-R LTCTL SERIAL CABLE ASM
F CNV−R LTCTLシリアルケーブル組
1

- 139 -
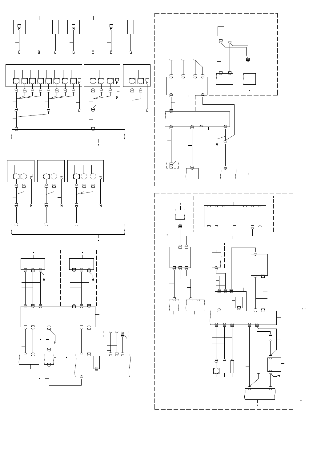
70.SYSTEM DIAGRAM(CPU & COPLA & IS IF BLOCK)
SYSTEM DIAGRAM(CPU & COPLA & IS IF BLOCK)
NOTE1 THIS CONNECTION CHANGE WITH IFS-NX RFID SPECIFICATION
FAN
CP-CPL-OUTCP-CPL-IN
FG
FG
IN-DC12V
5-4D
5-1A
5-3C
1-2D
5-4C
5-1D
5-4B
5-3B
5-4 A
4-1D
4-4B
5-4C
1-3D
5-3C
5-1B
5-2C
2-1A
CPU RS232C
RTR PWR
E
SHIELD
TUBE RR
E
FG
RBL-E
E
FG
RBL COVER
SHIELD
TUBE RL
E
FG
RBR-E
E
FG
RBR COVER
SHIELD
TUBE FR
E
FG
SHIELD
TUBE FL
E
FG
FBR-E
E
FG
FBR COVER
CTRL-FG
FAN
FAN
E
FG
CONTROL UNIT
TOP COVER
CTRL FAN2
CTRL FAN1
FAN
FAN
FAN4
FAN3
FAN
FAN
FAN2
FAN1
CN0061
FAN
FAN
FAN4
FAN3
TOP CV-FG
FAN
FAN
E
FG
TOP COVER
FAN2
FAN1
CN0062
CN0036
CN36
FAN
FAN3
RS CV-FG
FAN
FAN
E
FG
R SIDE
BOTTOM COVER
FAN2
FAN1
CN0058CN0022
CN22
FAN
DC FAN
FAN3
LS CV-FG
FAN
FAN
E
FG
LSIDEBOTTOM
COVER
DC FAN
FAN2
FAN1
CN0057
DC FAN
CN0021
CN21
FCV-FG
RCV-FG
FAN
FAN
E
FG
REAR BOTTOM
COVER
DC FAN
FAN2
FAN1
CN0056
DC FAN
CN0024
CN2 4
FAN
FAN
E
FG
FRONT BOTTO M
COVER
DC FAN
FAN2
FAN1
CN0055
DC FAN
CN0023
CN2 3
ELECTRICAL UNIT
<TOP UNIT>
CN0054
FG
CP-CPL
(20A)
FAN
OPTION (REAR MONITOR)
AV2AV2
AV1AV1
CPU
CN5 4
SEE 5-2A
PSC-CN51
CN0011
PSC-CN1
CN1 CN51
COPLA PSU
CN11
BK-CN1
BK-CN11
CN1
CN11
MSPS
ATX-CN3
BK-CN4
BK-CN6
BK-CN9
BK-CN8
BK-CN2
PILOT LAMP R
PILOT LAMP F
CN8
CN9
COPLA
FAN
CN2
CN4
CN6
SUPER IMPOSE BOARD
AV2
12V IN
AV1
12V OUT
RS232 2
DVI OUT2
12V OUT
RS232 1
RS232PC
DVI OUT1
DVI IN
LAN3
LAN 2
COPLANARITY
SENSOR HEAD
ENCODER
POWER ETHERNET
DVI-DCN10
CN3
COPLA CPU
BOARD
DVI
CPU
BOARD
SIO3
RS232C
BOARD
CN8 RS232C
COPLA
MONI TOR
SWIT CH
BOARD
40097434
CN1
CN8
CN4
CN2
COVER
IS
LAN1
USB
NOTE1
USB CH2
USB CH1
SUPER IMPOSE
BOARD
COM 2
AV2
ATX-CN5
ATX UNIT
12V IN
AV1
CN8
NTSC1
NTSC0
IP-X11 PCB
E
12V OUT
OUT-DC12V RLCD-PWR
POWER
RLCD232C
RS232C
RS232 2
RSOUT2
LCD
MONITOR(R)
DVI OUT2
DVI OUT2 LCD R
DVI-D
E
12V OUT
OUT-DC12V FLCD-PWR
POWER
FLCD232C
RS232C
RS232 1
RSOUT1
LCD
MONITOR(F)
RS-PC1
RS232PC
CN0102
COM1
SSD
CPU BOARD
DVI OUT1
DVI OUT 1 LCD F
DVI-D
DVI IN
DVI IN
DVI-D
14
12
13
17
15
16
18 19
18 19
2
2
1
3 4
5 6
8
91 92
7
93
9
9
10
11
49
48
68 71 74
69
70
72
73
75
76
77
77
7777
77
77
77
31 32
31 32
78
79
ELECTRICAL UNIT
<TOP UNIT>
79
80
81
82
83
84
DC FAN
77
DC FAN
77
DC FAN
77
DC FAN
77
DC FAN
77
DC FAN
77
DC FAN
77
DC FAN
77
DC FAN
77
DC FAN
77
DC FAN
77
DC FAN
77
DC FAN
77
85 85 89
86 87 88 90
22
21
23
94 2020
ELECTRI CAL UN IT
<TOP UNIT>
31 32
OPTION (COPLANARITY)
26
25
29
27
COPLA CPU
BACKBOARD
35
36
40
46 47
24
45
28
33 34
38
41
43 44
42
ATX U NIT
50 66 67
64
51
52
58
60 61 62
54
57
53
55 56
59
65
63
96
30
3-2B
HUB BOX ASM OPTION
6-1C
5-1D
FG
CN0008
RFID_PWR
CN8
ELECTRICAL UNIT
<TOP UNI T>
5-2C
COVER
IS
CN1757(R)
CN1757(F)
CN1097
CH4
CH3
CH2
CH1
ETHERES-HUB
5-3C
5-2C
5-2C
X2LAN
BR(R)
BR(F)
1-1C (IS)
3-3B (CN1757)
3-3A (CN1757)
ATX-6CN6
SI02
SI01
BARCODE
READER
ATX UNIT
SIO2
SIO1
RS232C
BOARD
DC INPUT
DC INPUT
CH2
CH1
CH4
CH3
ETHERNET
MPC- 4C
X4
SWITCHING HUB
X2
X1 X5
LAN1
CPU BOARD
OPTION (IFS-NX RFID)
NOTE2 THESE P/N CHANGES WITH MACHINE REVISION.
"[MREV.C]"
RX-6 MACHINE REVIS ION : BEFORE "C"
"[MREV.D]"
RX-6 MACHINE REVIS ION : "D"
X3
SWITCHING HUB
5-4C
LAN4
SSD
36
37
39
97
95
HUB BOX ASM OPTION

- 140 -
NOTE( 注記 ) #01....FOR EN EN 用
#02....UNTIL M/C REV.I マシン REV.I 以前
#03....AFTER M/C REV.J マシン REV.J 以降
REF.NO NOTE PART NO D E S C R I P T I O N
品 名
Qty
1 401-33294 IP-X11 SET GEN ASM
IP−X11汎用機セット組図
1
2 E9623-721-000 PORTRAIT MONITOR CABLE
画像モニタケーブル
1
3
#02
400-48030 UPS 232C CABLE ASM
UPS通信ケーブル組
1
4
#03
401-58157 ATX 232C CABLE ASM2
ATX 232C ケーブル組2
1
5
#02
401-29086 ATX-SPIMP PWR CABLE ASM
ATX−SPIMP パワーケーブル組
1
6
#03
401-58146 ATX-SPIMP PWR CABLE ASM2
ATX−SPIMP パワーケーブル組2
1
7 401-29881 ENVIRONMENT SYSTEM DISK ASM (RX6 SSD MES)
環境ディスク組(RX6 SSD MES)
1
8 401-29644 DVI CABLE 1M
DVIケーブル1M
1
9 HW-0022600-40 SHIELDED CABLE
シールドケーブル
1
10 HW-0018100-80 LAN CABLE
LANケーブル
1
11 401-97864 SUPER IMPOSE BOARD
スーパーインポーズボード
1
12 401-29642 DVI CABLE L2.5M
DVIケーブル2.5M
1
13 401-29084 SPIMP-F LCD SERIAL CABLE ASM
SPIMP−F LCDシリアルケーブル組
1
14 401-29085 SPIMP-F LCD PWR CABLE ASM
SPIMP−F LCDパワーケーブル組
1
15 401-29643 DVI CABLE L4.0M
DVIケーブル4.0M
1
16 401-29087 SPIMP-R LCD SERIAL CABLE ASM
SPIMP−R LCDシリアルケーブル組
1
17 401-29088 SPIMP-R LCD PWR CABLE ASM
SPIMP−R LCDパワーケーブル組
1
18
#02
401-22812 15INCH LCD MONITOR
15インチ LCDモニタ
1
19
#03
401-58158 15INCH LCD MONITOR
15インチ LCDモニタ
1
20 400-99903 PILOT LAMP
パイロットランプ
1
21 401-33049 FAN MOTOR RLY CABLE ASM
ファンモータ中継ケーブル組
1
22 401-33039 PILOT LAMP CABLE F ASM
パイロットランプケーブルF組
1
23 401-33040 PILOT LAMP CABLE R ASM
パイロットランプケーブルR組
1
24 400-97422 COPLANARITY SENSOR
コプラナリティセンサー
1
25 401-33037 OPTION PWR CABLE ASM
オプション電源ケーブル組
1
26 401-33065 COPLA INPUT RLY CABLE ASM
コプラインプット中継ケーブル組
1
27 HX-0070500-00 POWER SUPPLY
電源
1
28 401-60224 COPLA SSD ASM (WIN7)
コプラSSD組(Win7)
1
29 401-33066 COPLA CPU PWR CABLE ASM
コプラCPUパワーケーブル組
1
30 401-32990 COPLA CPU BACKBOARD PCB ASM
コプラCPUバックボード基板組
1
31 401-27537 PSU_UNIT_B(ST)
PSU_ユニット_B(ST)
1
32
#01
401-27563 PSU_UNIT_B(EN)
PSU_ユニット_B(EN)
1
33 401-29626 RS232C BOARD
RS232Cボード
1
34 401-23242 CPU BOARD
CPUボード
1
35 401-33047 MONITOR SW COM CABLE ASM
DVI切替器COMケーブル組
1
36 401-29644 DVI CABLE 1M
DVIケーブル1M
1
37 401-02830 LAN CABLE(CAT6)
LANケーブル(Cat6)
1
38 401-23242 CPU BOARD
CPUボード
1
39 401-02830 LAN CABLE(CAT6)
LANケーブル(Cat6)
1
40 401-33042 COPLA PWR CABLE ASM
コプラパワーケーブル組
1
41 401-33043 COPLA ENC CABLE ASM
コプラエンコーダケーブル組
1
42 401-29641 SUPER IMPOSE BOARD
スーパーインポーズボード
1
43
#02
400-48006 ATX PSU
ATX電源
1
44
#03
EZ-1468979-11 POWER (ENSP-300P-S20-11S)
電源(ENSP−300P−S20−11S)
1
45 400-97434 COPLA MONITOR SWITCH BOARD
コプラモニタ切替ボード
1
46
#02
401-33046 DVI CHANGER PWR CABLE ASM
DVI切替器電源ケーブル組
1
47
#03
401-58156 DVI CHANGER PWR CABLE ASM2
DVI 切替器パワーケーブル組2
1
48 HK-0651200-80 MODULAR KAPLA
モジュラーカプラ
1
49 401-29136 CPU-SP IMP SERIAL CABLE ASM
CPU−SP IMP シリアルケーブル組
1
50 401-23242 CPU BOARD
CPUボード
1
51 401-29282 RFID LAN CABLE (1.8M) ASM
RFID LANケーブル(1.8M)組
1
52 401-29125 EU TOP-HUB PWR WIRE ASM(IS)
EU トップ−HUB パワーワイヤー組(IS)
1
53 401-29626 RS232C BOARD
RS232Cボード
1
54 401-29129 BARCODE READER CABLE ASM
バーコードリーダーケーブル組
1
55
#02
400-48006 ATX PSU
ATX電源
1
56
#03
EZ-1468979-11 POWER (ENSP-300P-S20-11S)
電源(ENSP−300P−S20−11S)
1
57 400-73033 SWITCHING HUB
スイッチングハブ
1
58 400-72813 MPC RJ45 CABLE ASM
MPC用RJ45ケーブル組
1
59 400-73032 4 PORT MPC
4ポート MPC
1
60 401-29127 HUB-F RFID SERIAL WIRE ASM(IS)
HUB−F RFIDシリアルワイヤー組(IS)
1
61 401-29128 HUB-R RFID SERIAL WIRE ASM(IS)
HUB−R RFIDシリアルワイヤー組(IS)
1
62 401-29126 HUB-MTS SERIAL WIRE ASM(IS)
HUB−MTSシリアルワイヤー組(IS)
1
63 401-29283 MPC POWER CABLE ASM
MPC電源ケーブル組
1
64 HW-0018100-80 LAN CABLE
LANケーブル
1
65 HK-0651200-80 MODULAR KAPLA
モジュラーカプラ
1
66 401-27537 PSU_UNIT_B(ST)
PSU_ユニット_B(ST)
1
67
#01
401-27563 PSU_UNIT_B(EN)
PSU_ユニット_B(EN)
1
68 401-29089 EU TOP-F COVER FAN CABLE ASM
EU TOP−Fカバーファンケーブル組
1
69 401-29093 F COVER FAN CABLE ASM
Fカバーファンケーブル組
1
70
#01
401-29142 FRONT BOTTOM COVER FG WIRE ASM
フロントボトムカバーFGワイヤー組
1
71 401-29090 EU TOP-R COVER FAN CABLE ASM
EU TOP−Rカバーファンケーブル組
1
72 401-29154 R COVER FAN CABLE ASM
Rカバーファンケーブル組
1
73
#01
401-29143 REAR BOTTOM COVER FG WIRE ASM
リアボトムカバーFG ワイヤー組
1
74 401-29091 EU TOP-BASE L FAN CABLE ASM
EU TOP−BASE L ファンケーブル組
1
75 401-29094 BASE L FAN CABLE ASM
ベース L ファンケーブル組
1
76
#01
401-29144 L SIDE BOTTOM COVER FG WIRE ASM(EN)
LサイドボトムカバーFG ワイヤー組(EN)
1
77 401-29141 DC FAN ASM
DCファン組
1
78 401-29284 TOP COVER FAN RELAY CABLE ASM
トップカバーファン中継ケーブル組
1
79 401-29098 TOP COVER FAN CABLE ASM
トップカバーファンケーブル組
1
80
#01
401-29147 TOP COVER FG WIRE ASM (EN)
トップカバーFG ワイヤー組 (EN)
1
81 401-29092 EU TOP-BASE R FAN CABLE ASM
EU TOP−BASE R ファンケーブル組
1
82 401-29095 BASE R FAN CABLE ASM
ベース R ファンケーブル組
1
83
#01
401-29145 R SIDE BOTTOM COVER FG WIRE ASM(EN)
RサイドボトムカバーFG ワイヤー組 (EN)
1
84
#01
401-29146 CONTROL UNIT FG WIRE ASM (EN)
コントロールユニットFG ワイヤー組
1
85
#01
401-29300 FBR/RBR COVER E WIRE ASM(EN)
FBR/RBRカバーEワイヤー組(EN)
1
86
#01
401-29295 SHIELD TUBE FL WIRE ASM(EN)
シールドチューブFLワイヤー組(EN)
1
87
#01
401-29296 SHIELD TUBE FR WIRE ASM(EN)
シールドチューブFRワイヤー組(EN)
1
88
#01
401-29297 SHIELD TUBE RL WIRE ASM(EN)
シールドチューブRLワイヤー組(EN)
1
89
#01
401-29299 RBL COVER FG WIRE ASM(EN)
RBLカバーFGワイヤー組(EN)
1
90
#01
401-29298 SHIELD TUBE RR WIRE ASM(EN)
シールドチューブRRワイヤー組(EN)
1
91
#02
400-48006 ATX PSU
ATX電源
1
92
#03
EZ-1468979-11 POWER (ENSP-300P-S20-11S)
電源(ENSP−300P−S20−11S)
1
93 401-23242 CPU BOARD
CPUボード
1
94 401-33048 FAN MOTOR ASM
ファンモータ組
1
95 401-29642 DVI CABLE L2.5M
DVIケーブル2.5M
1
96 HX-0061000-00 BARCODE READER
バーコードリーダ
1
97 400-73033 SWITCHING HUB
スイッチングハブ
1