RX-6_RX-6B_RX-6R-Rev11 - 第91页
- 86 - REF.NO NOTE PART NO D E S C R I P T I O N 品 名 Qty 1 400-11046 NOZZLE ASSEMBLY 500 ノズルアッセンブリ500 1 2 400-01339 NOZZLE ASSEMBLY 501 ノズルアッセンブリ501 1 3 400-01340 NOZZLE ASSEMBLY 502 ノズルアッセンブリ502 1 4 400-01341 NOZZLE ASS…

- 85 -
43.NOZZLE ASSEMBLY COMPONENTS
ノズルアッセンブリ関係
19
10987
12
181716
1513
21
5
11
6
43
14

- 86 -
REF.NO NOTE PART NO D E S C R I P T I O N
品 名
Qty
1 400-11046 NOZZLE ASSEMBLY 500
ノズルアッセンブリ500
1
2 400-01339 NOZZLE ASSEMBLY 501
ノズルアッセンブリ501
1
3 400-01340 NOZZLE ASSEMBLY 502
ノズルアッセンブリ502
1
4 400-01341 NOZZLE ASSEMBLY 503
ノズルアッセンブリ503
1
5 400-01342 NOZZLE ASSEMBLY 504
ノズルアッセンブリ504
1
6 400-01343 NOZZLE ASSEMBLY 505
ノズルアッセンブリ505
1
7 400-01344 NOZZLE ASSEMBLY 506
ノズルアッセンブリ506
1
8 400-01345 NOZZLE ASSEMBLY 507
ノズルアッセンブリ507
1
9 400-44239 NOZZLE ASSEMBLY 508C
ノズルアッセンブリ508C
1
10 400-25165 NOZZLE ASSEMBLY 509
ノズルアッセンブリ509
1
11 E3615-729-0A0 NOZZLE ASSEMBLY 510
ノズルアッセンブリ510
1
12 E3616-729-0A0 NOZZLE ASSEMBLY 511
ノズルアッセンブリ511
1
13 400-10999 NOZZLE ASSEMBLY 500 CVS
ノズルアッセンブリ500CVS
1
14 400-40067 NOZZLE ASSEMBLY 501 CVS
ノズルアッセンブリ501CVS
1
15 400-10995 NOZZLE ASSEMBLY 502 CVS
ノズルアッセンブリ502CVS
1
16 400-10996 NOZZLE ASSEMBLY 503 CVS
ノズルアッセンブリ503CVS
1
17 400-10997 NOZZLE ASSEMBLY 504 CVS
ノズルアッセンブリ504CVS
1
18 400-10998 NOZZLE ASSEMBLY 505 CVS
ノズルアッセンブリ505CVS
1
19 401-05854 NOZZLE ASSEMBLY 509 CVS
ノズルアッセンブリ509CVS
1

- 87 -
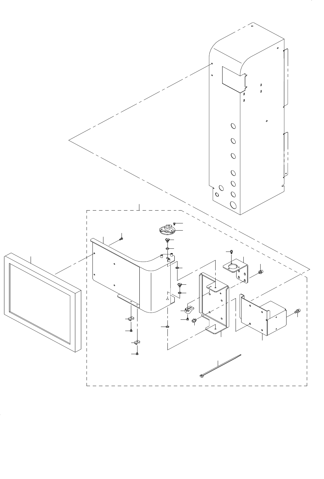
44.REAR MONITOR COMPONENTS
背面モニタ関係
17
4
3
9
5
1
20
11
14
12
10
8
13
13
15
16
12
13
13
16
15
6
7
2
18
19