P-0117-001 - 第254页
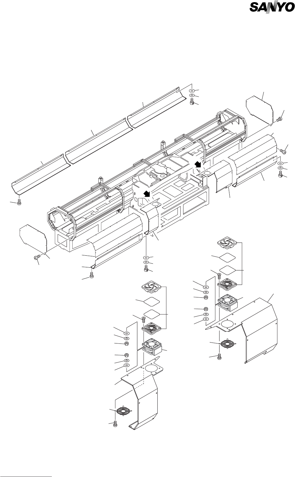
MODEL TCM-3000Z 981 1-001 後面カバー部 REAR COVER SECTION Fig.13-2 後面カバー Rear Cover 51 52 52 53 54 55 56 57 55 56 57 55 56 57 66 62 63 64 65 61 67 67 67 67 67 TCM-3000Z 94 93 92 63 85 91 87 86 82 88 89 DETAIL"A" DETA…

MEMO

MODEL TCM-3000Z
9811-001
後面カバー部 REAR COVER SECTION
Fig.13-2 後面カバー Rear Cover
51
52
52
53
54
55
56
57
55
56
57
55
56
57
66
62
63
64
65
61
67
67
67
67
67
TCM-3000Z
94
93
92
63
85
91
87
86
82
88
89
DETAIL"A"
DETAIL"B"
82
94
93
92
64
85
91
87
86
84
83
88
89
84
83
A
B

MODEL TCM-3000Z
9811-001
13- 2
Key No. PART No. PART NAME Q'ty REMARKS
51 630 059 7547 COVER 1 628RB-03B-028
52 630 059 7905 COVER 2 628RB-03B-029
53 630 060 0278 COVER 1 628RB-03B-031
54 630 060 0261 COVER 1 628RB-03B-030
55 630 001 0220 WASHER 15 BW5
56 411 141 6705 WASHER SPR 5 15 SW5
57 630 000 7756 BOLT,HEX-SCT 15 M5X12
61 630 059 9176 COVER 1 628RB-03B-041
62 630 060 0490 COVER 1 628RB-03B-035
63 630 075 8337 COVER 1 628RB-03B-037
64 630 075 8313 COVER 1 628RB-03B-036
65 630 060 0483 COVER 1 628RB-03B-034
66 630 059 9169 COVER 1 628RB-03B-040
67 411 113 9109 SCR TRS 5X10 14 M5X10 TRS
82 630 070 3061 MOTOR,AC 2 628FB-03D-800
83 630 074 6853 ACCESSORY,MOT-M (FILTER) 2 628FB-03D-802
84 630 076 4932 ACCESSORY,MOT-M 2 628FB-03D-803
85 630 068 4292 ACCESSORY,MOT-M 2 628FB-03D-801
86 411 140 7406 SCR FLT 5X20 8 M5X20 FLT
87 411 088 1702 WASHER V 5X10X1 8 FW5 F
88 411 008 2109 WASHER SPR 5 8 SW5 F
89 411 118 8503 NUT HEX 5 8 M5 F
91 411 140 6508 SCR PAN 5X20 8 M5X20 PAN
92 411 088 1702 WASHER V 5X10X1 8 FW5 F
93 411 008 2109 WASHER SPR 5 8 SW5 F
94 411 118 8503 NUT HEX 5 8 M5 F
NOTE