P-200-001e.pdf - 第14页

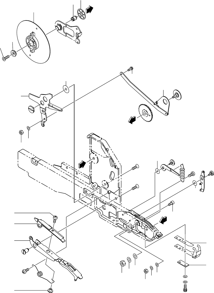
0209-005 8mm ᏷࠹࡯ࡊࡈࠖ࡯࠳ 8mm TAPE FEEDER Fig. 1-2 ࠹࡯ࡊ㚟േㇱ Tape Driving Section Sheet-1 111 1 1 1-2 96 91 90 95 94 93 92 11 2 1 1 1-2 1 1 1-1 103 101 80-6 80-7 80-7 81 80-1 82 80 81-1 82-1 82-2 82-3 80-9 80-8 28 29 26 30 31 3…

100%1 / 166
MEMO
0209-005
8mm ᏷࠹࡯ࡊࡈࠖ࡯࠳ 8mm TAPE FEEDER
Fig. 1-2 ࠹࡯ࡊ㚟േㇱ Tape Driving Section
Sheet-1
111
111-2
96
91
90
95
94
93
92
11 2
111-2
111-1
103
101
80-6
80-7
80-7
81
80-1
82
80
81-1
82-1
82-2
82-3
80-9
80-8
28
29
26
30
31
32
83-1
83
87
69
68
67
73
84
2
3
8
7
16
17
11
37
55-1
55-2
56
57-2
61
62
63
57-1
34
35
36
12
13
14
38
39
40
44
45
20
19
18
22
21
4
5
6
81-2
81-3
81-4
84-1
84-2
84-3
46-2
46-6
51
53
48
66
72
71-7
71-6
74
75
71-2
108
107
106
114-2
114-3
114-1
114
102
103
101
102
100
52
27-2
33
A
E
E
F
C
G
A
F
C
B
G
B
0108-002
8mm ᏷࠹࡯ࡊࡈࠖ࡯࠳ 8mm TAPE FEEDER
Fig. 1-2 ࠹࡯ࡊ㚟േㇱ Tape Driving Section
Sheet-2
70
79
78
71
1
15
55
57
40
39
38
9-1
9-2
9-3
50
47
46
49
112-2
112-1
111
86
85
A
76
27
37
A
for CT-0853
B
B