5M-1752-003w_G5S - 第50页
5OM-1752 1305-001 1-B

5OM-1752
1305-001 1-A
第一章
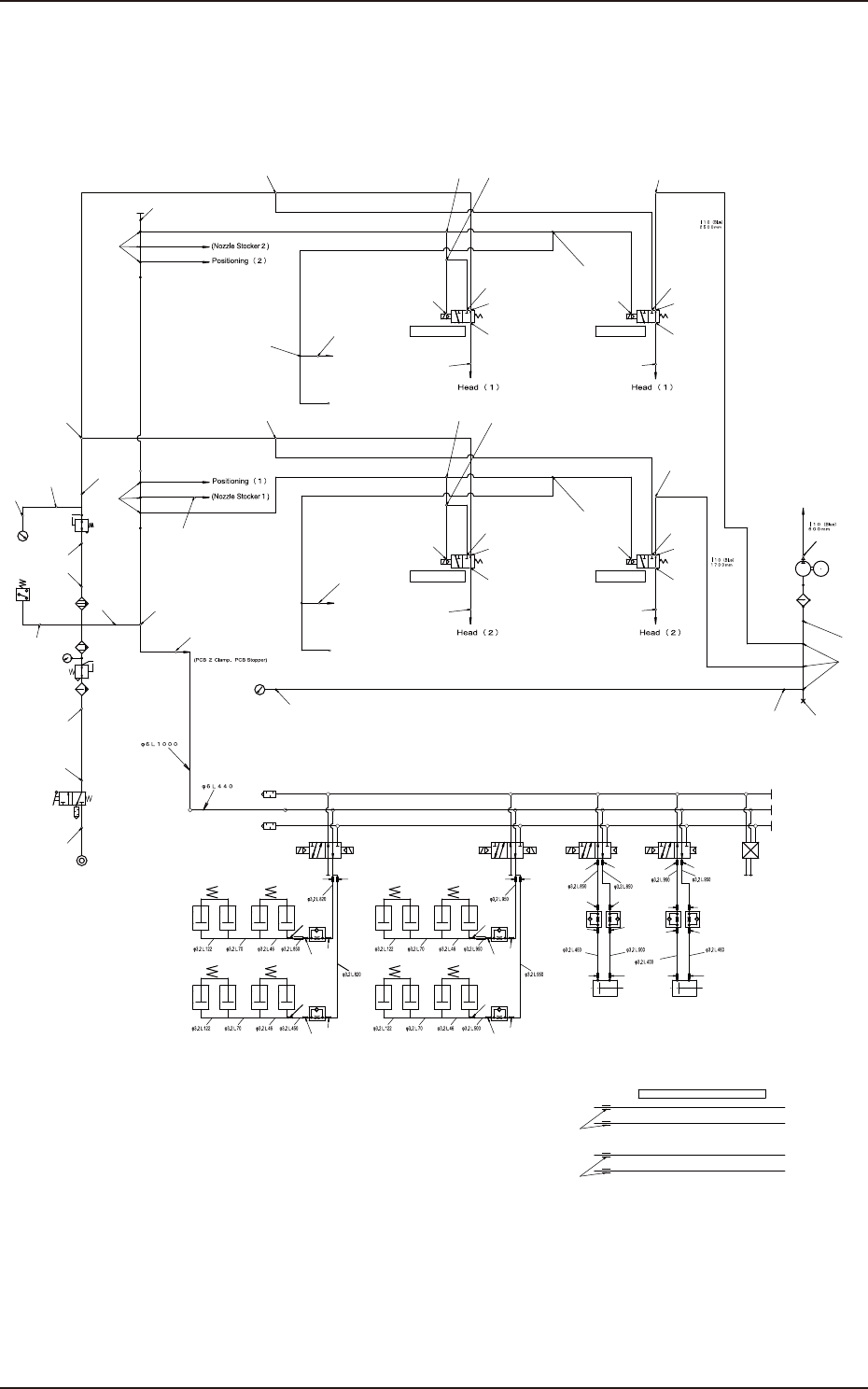
气路图及实际贴装图
本章节记载了气路图及实际贴装图。
内容含有一定的难度,参考时请充分注意。

5OM-1752
1305-001 1-B

1-1
气路图及实际贴装图
5OM-1752
1306-002
装置整体 ( 气路图 )
KQ2H06-00A
(Drop Prevention Applied Side)
(Drop Prevention Applied Side)
KQ2P-06
Cart Bundled Connector
Feeder Base
(1)
Ø6
600mm
KQU06-00
Ø6
600mm
KQ2H06-00A
KQ2P-06
Cart Bundled Connector
Y0939
Y0938
KQ2U06-00A
Ø6
50mm
KQ2U06-00A
Ø6
50mm
Y0638
Y0639
Feeder Base
(2)
KQ2H08-00A
KQ2P-08
KQ2H06-00A
KQ2H06-00A
KQ2H08-01AS
KQ2H06-02AS
KQ2H06-02AS
A
R
P
KQ2H06-M5A
KQ2U06-00A
KQ2H08-10A
KQ2H10-02AS
KQ2H06-M5A
KQ2L06-02AS
Setup
0.45MPa
Setup
0.35MPa
0.05MPa
Setup
KQ2H06-M5A
KQ2L06-01AS
KQ2L08-02AS
KQ2L10-02AS
KQ2H08-02AS
KQ2L08-02AS
KQ2L10-02AS
(Ø6)
200mm
(Ø8)
160mm
(Ø6)
140mm
KQ2U08-00A
KQ2L08-99
KQ2T10-08A
KQ2H06-08A
MPG14
KQ2R06-10A
MHQ1410
MBA1403
M
KQ2L10-03AS
Exhaust
KQ2L08-99A
KQ2P-10
KQ2U06-08A
KQ2H08-10A
KQ2H08-01AS
KQ2H08-02AS
KQ2H06-02AS
A
R
P
Air/Vacuum Mode Change Valve
KQ2H06-M5A
KQ2H08-00
KQ2U06-00A
KQ2U06-00A
KQ2U06-08A
KQ2U06-00A
KQ2H08-01AS
KQ2H08-02AS
KQ2H06-02AS
A
R
P
KQ2H06-M5A
KQ2H08-00A
KQ2H08-01AS
KQ2H06-02AS
KQ2H06-02AS
A
R
P
High-Speed/Multi-Functional
Mode Change Valve
KQ2H06-M5A
Ø6
50mm
Ø6
300mm
Ø6
50mm
Ø6
300mm
Ø6
50mm
Ø10
120mm
Ø8
350mm
Ø8
2200mm
Ø8
2500mm
Ø8
150mm
Ø10
150mm
Transfer
Ø8
2300mm
Ø10
400mm
Ø6
1600mm
Ø10
1700mm
(Wiring it inside the Product)
Ø8
1000mm
Ø8
2200mm
Ø8
1800mm
Ø6
300mm
Ø8
2500mm
Ø6
300mm
Ø8
100mm
Ø8
1100mm
Ø6
50mm
Ø6
50mm
Ø6
1100mm
Ø8
200mm
Ø6
300mm
Ø6
50mm
Ø6
1100mm
Ø6
300mm
Ø8
100mm
Ø8
1100mm
Ø6
700mm
Ø6
700mm
KQ2H06-00A
KQ2H06-00A
PCB Detection
Sensor Fiber protection Tube
Ø3.2L750
Ø3.2L750
Ø3.2L750
Ø3.2L750
For L-PCB Stop Sensor Fiber
For R-PCB Stop Sensor Fiber
Cable
Cable
A
B
A
B
A
B
A
B
VBHSO
VBHSI
BHSI
BHSI
BHSO
BHSO
VBHSO
VBHSI
VBMSO
VBMSI
BMSI
BMSO
BMSI
BMSO
VBMSI
VBMSO
VBKHZ
VB3HZ
VB3HZ
B3HZ
B3HZ
VBKHZ
BKHZ
BKHZ
A
B
B3MZ
B3MZ
VB3MZ
VBKMZ
BKMZ
BKMZ
VBKMZ
VB3MZ
Hose Nipple
High-Speed/Multi-Functional
Mode Change Valve
Air/Vacuum Mode Change Valve
Movable Side Z-Clamp L
Fixed Side Z-Clamp L
Movable Side Z-Clamp R
Fixed Side Z-Clamp R
PCB Stopper L PCB Stopper R