5M-1752-003w_G5S - 第58页
1-8 气路图及实际贴装图 5OM-1752 1306-002 传送带 ( 实际贴装图 1_KYB) 8-2 8-2 8-2 8-3 8-2 8-2 8-2 8-1 8-1 8-1 8-1 8-1 8-1 7-1 7-1 7-1 7-1 7-1 9 10 7-3 7-2 7-2 7-2 7-2 7-2 7-2 7-1 8 7 No. Name Q’ty No. Name Q’ty No. Name Q’ty No. Name Q’ty …

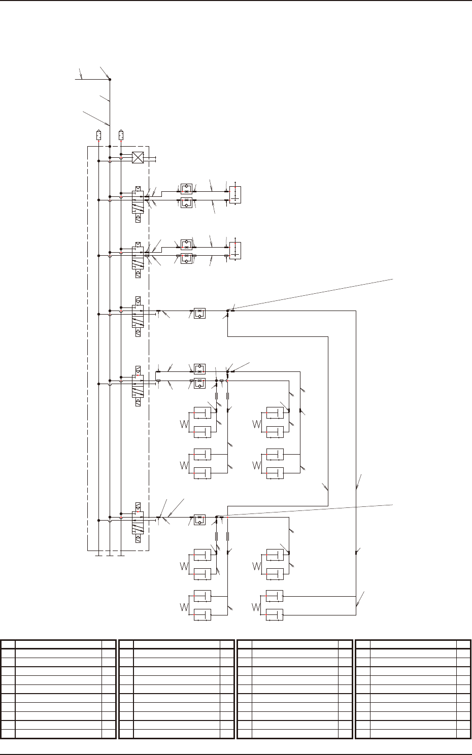
1-7
气路图及实际贴装图
5OM-1752
传送带 ( 气路图 _KYX)
6
6
Ø3.2L950
Ø3.2L950
Ø3.2L122 Ø3.2L70
Ø3.2L46
Ø3.2L46
Ø3.2L1070Ø3.2L122
B3MZ
BKMZ
Ø3.2L950
Ø3.2L950
PIPE FITTINGS(KQ2U23-9A)
Movable Side Z-Clamp RMovable Side Z-Clamp L
Fixed Side Z-Clamp R
Fixed Side Z-Clamp L
VBMZ
B3MZ
BKMZ
VBMMZ
B3MMZ
BKMMZ
B3MMZ
BKMMZ
VBMMZ
VBMZ
B3HZ
A
B
VBHZ
BKHZ
Ø3.2L970
BKHHZ
Ø3.2L122
Ø3.2L122
B3HHZ
B3HHZ
BKHHZ
VBHHZ
Ø3.2L820
VBHHZ
Ø3.2L970
PIPE FITTINGS(KQ2U23-9A)
A
B
A
B
A
B
A
B
Pipe Ø6L440
Pipe Ø6L1000
3
VBHSO
VBHSI
BHSI
BHSI
BHSO
BHSO
Ø3.2L500
Ø3.2L450
VBHSO
VBHSI
Ø3.2L850
Ø3.2L850
VBMSO
VBMSI
BMSI
BMSO
BMSI
BMSO
Ø3.2L460
Ø3.2L400
VBMSI
VBMSO
Ø3.2L950
Ø3.2L950
Ø3.2L820
1
Ø3.2L46
Ø3.2L46
4
VBHZ
B3HZ
BKHZ
Ø3.2L850
Ø3.2L850
2
From Main Body
PCB Stopper RPCB Stopper L
Fig_1-6SA
No. Name Q’ty No. Name Q’ty No. Name Q’ty No. Name Q’ty
1 Tube D3.2 1
2 Tube D6 1
3 PIPE FITTING 1
4 Flat Tube D4.1 1
6 PIPE FITTINGS 2

1-8
气路图及实际贴装图
5OM-1752
1306-002
传送带 ( 实际贴装图 1_KYB)
8-2
8-2
8-2
8-3
8-2
8-2
8-2
8-1
8-1
8-1
8-1
8-1
8-1
7-1
7-1
7-1
7-1
7-1
9
10
7-3
7-2
7-2
7-2
7-2
7-2
7-2
7-1
8
7
No. Name Q’ty No. Name Q’ty No. Name Q’ty No. Name Q’ty
7 Fixed Chute Unit 1
7-1 Universal Tee
7-2 Barb Fitting
7-3 Barb Elbow
8 Movable Chute Unit
8-1 Universal Tee 1
8-2 Barb Fitting
8-3 Barb Elbow
9 PCB Stopper 1
10 PCB Stopper 1

1-9
气路图及实际贴装图
5OM-1752
传送带 ( 实际贴装图 1_KYX)
8
7
8-2
8-2
8-3
8-2
8-2
8-1
8-1
8-1
8-1
7-1
7-1
7-1
7-3
7-2
7-2
7-2
7-2
7-1
7-3
7-3
8-3
8-3
9
10
Fig_1-7SA
No. Name Q’ty No. Name Q’ty No. Name Q’ty No. Name Q’ty
7 Fixed Chute Unit 1
7-1 Universal Tee
7-2 Barb Fitting
7-3 Barb Elbow
8 Movable Chute Unit
8-1 Universal Tee 1
8-2 Barb Fitting
8-3 Barb Elbow
9 PCB Stopper 1
10 PCB Stopper 1