ZHX-A30-AS-IN在线联体机操作说明书(2)2016-6-21 - 第58页
ZHX-A30-A S/-IN 自动卧式联 体插件机操作 说明书 深圳市中禾 旭精密机械有 限公司 http:// www .z kdip.com - 58 - 68P 1 2 3 4 5 6 7 8 9 10 11 12 1 2 3 4 5 6 7 8 9 10 11 12 1 2 3 4 5 6 7 8 9 10 GND GND X1 X2 X3 13 14 15 16 3 2 1 0 X4 IN1 急停开关 IN2 头部安全 IN…

ZHX-A30-AS/-IN 自动卧式联体插件机操作说明书
深圳市中禾旭精密机械有限公司 http:// www.zkdip.com
- 57 -
+
OUT
-
+
-
X+极限
+
OUT
-
X-极限
+
OUT
-
X原点
+
OUT
-
X-减速
+
OUT
Y+极限
+
OUT
-
Y-极限
+
OUT
Y原点
+
OUT
-
+
OUT
Y-减速
+
OUT
-
C+极限
+
OUT
+
OUT
-
+
OUT
+
OUT
-
H原点
+
OUT
+
OUT
-
+
OUT
+
OUT
-
X+减速
- - -
-
- --
Y+减速 C原点
H+极限
B原点
头部安全
A-X5-7 A-X5-8 A-X6-6 A-X4-1 A-X6-9 A-X7-7 B-X5-6 B-X5-7
A-X2-2
A-X5-6 A-X4-0 A-X5-9 A-X6-7
A-X6-8
A-X7-6 A-X4-2 B-X4-0
B-X4-1
注①:SSR1=固态继电器1
SSR2=固态继电器2
KA1=3P继电器1(正转)
KA2=3P继电器2(反转)
KA3=2P继电器1(急停)
KA4=2P继电器2(闪光灯)
H-极限
+
OUT
-
+
OUT
-
转台到位
A-X2-11
A-X4-3
A-X2-12
+
OUT
-
转台零位
C-极限
Chn原点
ES
A-X2-1
C
SB1
NO
A-X2-7
NC
C
SB2
A-X2-8
C
SB4
A-X2-7
HL
-
+
DC24V
C
SB5
C
NC NO
NO NC NO
HL
HL
ES:急停开关 自锁
SB1:启动开关 自复按钮
SB2:停止开关 自锁按钮
SB3:补跳线开关自复按钮
SB4:启动开关 自复按钮
SB5:停止开关 自锁按钮
C
SB3
A-X2-13
HL
HL
A-X2-8
B
C
1.5mm 红
1.5mm 黑
0.2mm 红
0.2mm 黑
0.2mm 黄
1.5mm 红
1.5mm 黑
0.5mm 红
0.5mm 黑
0.5mm 黄
A
KA2
M
KA1
KA2
KA1
KA1
KA2
0.5mm 红
0.5mm 黑
+
-
DC24V
I/O A-X3-9
I/O A-X3-10
11 8
1 4
3 6
11 8
1 4
3 6
25
25
23
25
25
23
31
2 10
2 10
33
34
32
35
36
-- 直流马达
23 - 36
1-11
-- 指继电器触脚号
-- 指线标
M
注 :
2
注 :
3
转台马达联锁控制 注
2
控制面板按钮 注
3
23
24
24
23
23 23 23 23 23 23
24
+24V
X-A-21 X-A-22 X-A-23 X-A-24 X-A-25 X-A-26 X-A-27 X-A-28 X-A-29 X-A-30 X-A-31 X-A-32 X-A-33 ......
D
DCF-1 DCF-2 DCF-3 DCF-4 DCF-5 DCF-6 DCF-7 DCF-8 DCF-9 DCF-10 DCF-11 DCF-12 DCF-13 ......
......
注:限位感应光电开关
注:站位电磁阀
二极管
二极管
(所有光电开关感应线皆为
3*0.2mm,红色线接正极、黑色
线接负极、黄色线接OUT)
KA3
24
43
37
49 43 4444
58
56
60 57
59 65
63 61
62 67
64 68
66 53 69 38 48
47705554
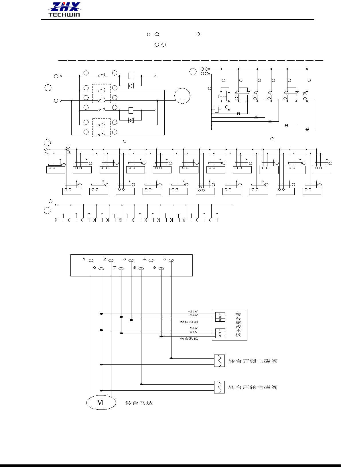
ZHX-A30-AS-IN 转台九针插接线图
ZHX-A30-AS-IN I/O 板接线图

ZHX-A30-AS/-IN 自动卧式联体插件机操作说明书
深圳市中禾旭精密机械有限公司 http:// www.zkdip.com
- 58 -
68P
1
2
3
4
5
6
7
8
9
10
11
12
1
2
3
4
5
6
7
8
9
10
11
12
1
2
3
4
5
6
7
8
9
10
GND
GND
X1
X2
X3
13
14
15
16
3
2
1
0
X4
IN1 急停开关
IN2 头部安全
IN3 护栏安全
IN5 插件检测1
IN6 插件检测2
IN7 启动
IN8 停止
IN4 头部开关
IN9 排料检测
IN10 备用
IN11 转台到位
IN12 转台零位
IN13 补插跳线
ORG C原点
ORG H原点
ORG Y原点
ORG X原点
+VDO
VDO
EXGND
EXGND
24VDC+
24VDC-
OUT1 闪光灯
OUT2 备用
OUT3 绿 灯
OUT4 黄 灯
OUT5 红 灯
OUT6 剪脚器
OUT7 转台锁开
OUT8 转台压轮
OUT9 顺时转
OUT10 逆时转
OUT11 吹废脚
OUT12 气源
X5
X6
X7 X8
1 2 3 4
68P
1
2
3
4
5
6
7
8
9
10
11
12
1
2
3
4
5
6
7
8
9
10
11
12
1
2
3
4
5
6
7
8
9
10
GND
GND
X1
X2
X3
13
14
15
16
3
2
1
0
X4
IN17 剪脚到位
IN18 补件
IN19 气源开关
ORG B原点
OUT15 对中上下
OUT16 对中左右
OUT13 插件头
ORG H原点
XG-4000卧式联体插件机I/0板接线图
A板信号明细图
+VDO
VDO
EXGND
EXGND
24VDC+
24VDC-
B板信号明细图
A-X3-1
A-X3-3
A-X3-4
A-X3-5
A-X3-6
A-X3-7
A-X3-8
A-X3-9
A-X3-10
A-X3-11
A-X3-12
A-X4-0
A-X4-1
A-X4-2
A-X4-3
A-X4-13
A-X2-12
A-X2-11
A-X2-10
A-X2-9
A-X2-8
A-X2-7
A-X2-6
A-X2-5
A-X2-4
A-X2-3
A-X2-2
A-X2-1
B-X2-3
B-X2-2
B-X2-1
B-X3-5
B-X3-6
B-X3-1
B-X4-0
B-X4-1
XG-IO-01 XG-IO-01
1 2 3 4 1 2 3 4 1 2 3 4
X
Y
C Chn
X5
X6
X7 X8
1 2 3 4 1 2 3 4 1 2 3 4 1 2 3 4
H
B
W
接口
信号标记
伺服器信号接口
XG-4000卧式联体插件机I/O板信号明细表
A板信号表 B板信号表
接口
信号标记
伺服器信号接口
A-X5-1
A-X5-2
A-X5-3
A-X5-4
A-X5-6
A-X5-7
A-X5-8
A-X5-9
A-X6-1
A-X6-2
A-X6-3
A-X6-4
A-X6-6
A-X6-7
A-X6-8
A-X6-9
A-X7-1
A-X7-2
A-X7-3
A-X7-4
A-X7-6
A-X7-7
B-X5-1
B-X5-2
B-X5-3
B-X5-4
B-X6-1
B-X6-2
B-X6-3
B-X6-4
B-X8-1
B-X8-2
B-X8-3
B-X8-4
PUL X+
X伺服器 X5-3
X伺服器 X5-4
X伺服器 X5-5
X伺服器 X5-6
PUL X-
DIR X+
DIR X-
EL X+
EL X-
SD X+
SD X-
X+极限
X-极限
X+减速
X-减速
PUL Y+
PUL Y-
DIR Y+
DIR Y-
EL Y+
EL Y-
SD Y+
SD Y-
PUL C+
PUL C-
DIR C+
DIR C-
EL C+
EL C-
PUL H+
PUL H-
DIR H+
DIR H-
PUL B+
PUL B-
DIR B+
DIR B-
PUL W+
PUL W-
DIR W+
DIR W-
Y伺服器 X5-3
Y伺服器 X5-4
Y伺服器 X5-5
Y伺服器 X5-6
Y+极限
Y-极限
Y+减速
Y-减速
A-X8-1
A-X8-2
A-X8-3
A-X8-4
PUL Chn+
PUL Chn-
DIR Chn+
DIR Chn-
C伺服器 X5-3
C伺服器 X5-4
C伺服器 X5-5
C伺服器 X5-6
C+极限
C-极限
Chn伺服器 X5-3
Chn伺服器 X5-4
Chn伺服器 X5-5
Chn伺服器 X5-6
H伺服器 X5-3
H伺服器 X5-4
H伺服器 X5-5
H伺服器 X5-6
B伺服器 X5-3
B伺服器 X5-4
B伺服器 X5-5
B伺服器 X5-6
W伺服器 X5-3
W伺服器 X5-4
W伺服器 X5-5
W伺服器 X5-6
B-X5-6
B-X5-7
EL H+
EL H-
H+极限
H-极限
ZHX-A30-AS-IN 启动安装示意图

ZHX-A30-AS/-IN 自动卧式联体插件机操作说明书
深圳市中禾旭精密机械有限公司 http:// www.zkdip.com
- 59 -
总气源
工作台
底座
26
PC08-03
KAMC300-03B
PC06-01
PY08
PC04-M5
PC06-M5
PC12-03
1
XG-4OOO气动安装示意图
PC10-03
3分内接
2
3
VFS1120-5GB-01
24
25
32
36
35
5
6
G46-10-01
VP542-5GB-03A
7
AC30A-03D
17
16
32
PL04-M5
PL04-M5
PY04
34
PY06
33
31
CJP2B10-5D
CJ2B10-15
37
4
BSL-03
10
11
9
8
12
13
14
PL06-M5
CQSB20-15
J-SY5120-5LZD-01
PC06-01
KM200-02
PC12-02
PE12
15
SY5120-10F
KAMC300-03B
24
PG08-06
23
PC08-03
25
PE08
22
PG12-08
21
SPXL12
20
PY08
26
31
CJP2B10-5D
32
PL04-M5
30
1分堵头
29
17
VFS1120-5GB-01
PC04-01
28
PL08-01
27
PC10-01
19
PC10-01
18
PC08-01
PC06-01
16
注:——表示气管
ZHX-A30-AS-IN
气动接线图
二、计算机控制示意图
气控电磁阀
气控组合
剪脚电磁阀
转台压轮电磁阀
剪脚气缸
转台锁气缸 1
转台锁气缸 2
转台压轮气缸
转台锁电磁阀
站位气缸电磁阀
站位气缸