SP28P-DH - 第15页
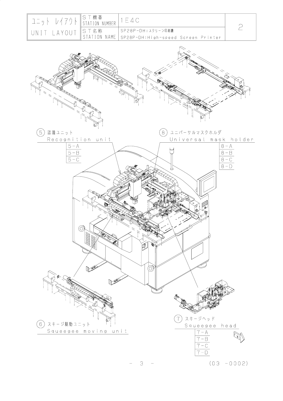
1 001EC1M0000 本体部:SP28P-DH Main body:SP28P-DH 1 1-A 7 1-B 10 1-C 12 1-D 14 1-E 16 2 210PC2M0000 全体カバー:SP28P-DH Overall cover:SP28P-DH 1 2-A 18 2-B 20 2-C 22 2-D 24 2-E 26 2-F 28 3 180GC1M0000 基板位置決めリフト:SP28P-DH Board po…


1 001EC1M0000 本体部:SP28P-DH Main body:SP28P-DH 1
1-A 7
1-B 10
1-C 12
1-D 14
1-E 16
2 210PC2M0000 全体カバー:SP28P-DH Overall cover:SP28P-DH 1
2-A 18
2-B 20
2-C 22
2-D 24
2-E 26
2-F 28
3 180GC1M0000 基板位置決めリフト:SP28P-DH Board positioning lift:SP28P-DH 1
3-A 30
3-B 32
3-C 34
3-D 36
3-E 38
3-F 40
3-G 43
3-H 46
4 070LC1M0000 XYテーブル:SP28P-DH XY table:SP28P-DH 1
4-A 48
4-B 50
NO
番号
ST機番
ST名称
SP28P-DH:高速スクリーン印刷機
STATION NAME
PART NUMBER
品番
ユニット名 UNIT NAME
数量
Q'TY
ランク
RANK
頁
PAGE
SP28P-DH:High-speed Screen Printer
UNIT LIST
STATION NUMBER
ユニットリスト
KXF-1E4C
1
− −2 02 0001−( )
