SP28P-DH - 第189页
9 1957C1M0000 カートリッジヘッド対応:SP28P-DH Cartridge Head support: SP28P-DH 1 9-A 28 9-B 31 9-C 34 10 195AC0M0000 Mサイズ印刷ユニット(カートリッジヘッド) Msize printing unit(cartridge head) 1 36 11 150XC1M0000 Mサイズ対応:SP28P-DH Modification t…


9 1957C1M0000 カートリッジヘッド対応:SP28P-DH Cartridge Head support: SP28P-DH 1
9-A 28
9-B 31
9-C 34
10 195AC0M0000 Mサイズ印刷ユニット(カートリッジヘッド) Msize printing unit(cartridge head) 1 36
11 150XC1M0000 Mサイズ対応:SP28P-DH Modification to M-size:SP28P-DH 1 38
13 1054C5M0000 基板下受ブロック:SP10P-MA2 Board lower receiving block : SP10P-MA2 1 44
NO
番号
ST機番
ST名称
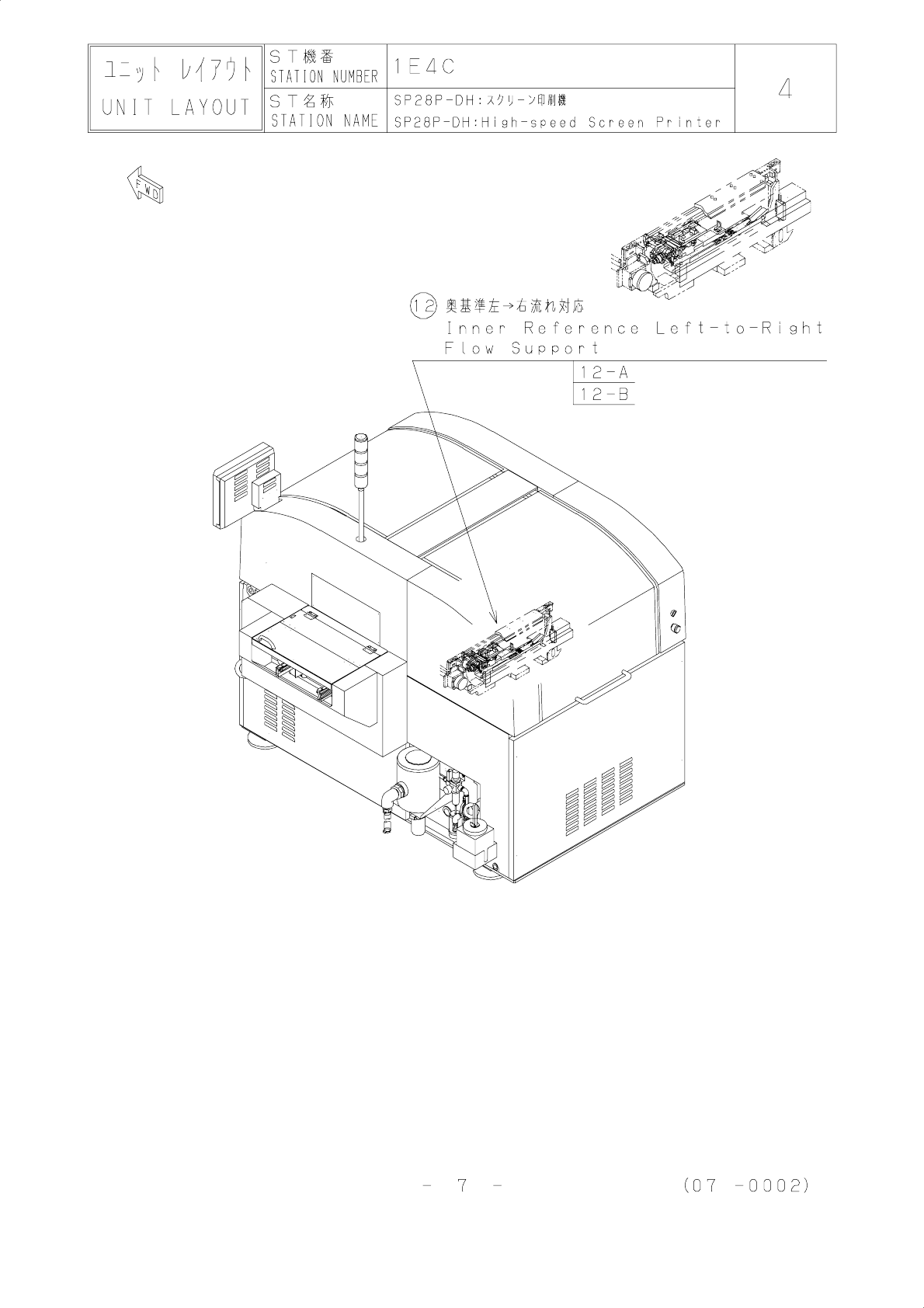
SP28P-DH:高速スクリーン印刷機
STATION NAME
PART NUMBER
品番
ユニット名 UNIT NAME
数量
Q'TY
ランク
RANK
頁
PAGE
SP28P-DH:High-speed Screen Printer
UNIT LIST
STATION NUMBER
ユニットリスト
KXF-1E4C
3
− −6 06 0003−( )
