SP28P-DH - 第27页
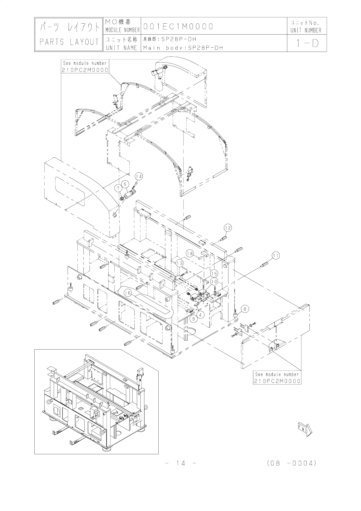
1 KXFB0053A00 BRACKET 1 2 KXFB0056A00 BRACKET 1 3 KXF029YAA00 MANIFOLD KM11-08-12-6 1 4 KXF09UQAA00 PRESSURE-SW IS1000E-202Y-X202 1 A 5 KXF0568AA00 NIPPLE Nipple 3/8 2 6 KXF04ZLAA00 ELBOW Elbow 3/8 1 7 001EC181261 REGULA…


1 KXFB0053A00 BRACKET 1
2 KXFB0056A00 BRACKET 1
3 KXF029YAA00 MANIFOLD KM11-08-12-6 1
4 KXF09UQAA00 PRESSURE-SW IS1000E-202Y-X202 1 A
5 KXF0568AA00 NIPPLE Nipple 3/8 2
6 KXF04ZLAA00 ELBOW Elbow 3/8 1
7 001EC181261 REGULATOR AWM2000-02BDG-R-X509 1
8 KXF01TZAA00 VALVE DBV-12C 1
9 KXF054JAA00 TEES Cheese 3/8 1
10 KXF00EAAA00 COUPLER 30PM 1
11 KXF02T2AA00 JOINT M-5AN-6 1
12 KXF00EJAA00 COUPLER 30SH 1
13 KXF00EKAA00 COUPLER 30SM 1
14 001EC181330 BOTTLE KW-250(DA) 1
15 KXF02CYAA00 JOINT KQR06-08 2
16 KXF02CWAA00 JOINT KQR04-08 1
17 KXF02CRAA00 JOINT KQP-06 2
18 KXF02CSAA00 JOINT KQP-08 1
19 KXFW1FAAA00 MANIFOLD 1
20 KXF02CUAA00 JOINT KQP-12 1
21 KXF0A6VAA00 JOINT SK-12 elbow LM type 1
22 KXF09UTAA00 JOINT SK-104 female/male socket, SK type 1
23 KXF05HMAA00 JOINT KQL12-99 1
24 KXF02EPAA00 JOINT KQY12-02S 1
25 KXF09WFAA00 GROMMET MG-17 2
26 KXF0810AA00 GROMMET C-30-SG-26A 1
27 KXF02D0AA00 JOINT KQR06-12 1
28 KXF07DHAA00 HOSE TR-10 1
29 KXF0DT8AA00 HOSE-BAND No.615 M00(11∼17) 2
30 KXF00E9AA00 COUPLER 30PH 1
NO
番号
MO機番
ユニット名称
本体部:SP28P-DH
UNIT NAME
PART NUMBER
品番 部品名 型式 数量 ランク 備考
Main body:SP28P-DH
PART LIST
MODULE NUMBER
パーツリスト
001EC1M0000
1-C
UNIT NUMBER
ユニットNo.
PART NAME TYPE Q'TY RANK REMARKS
− −13 07 0002−( )
