SP28P-DH - 第275页
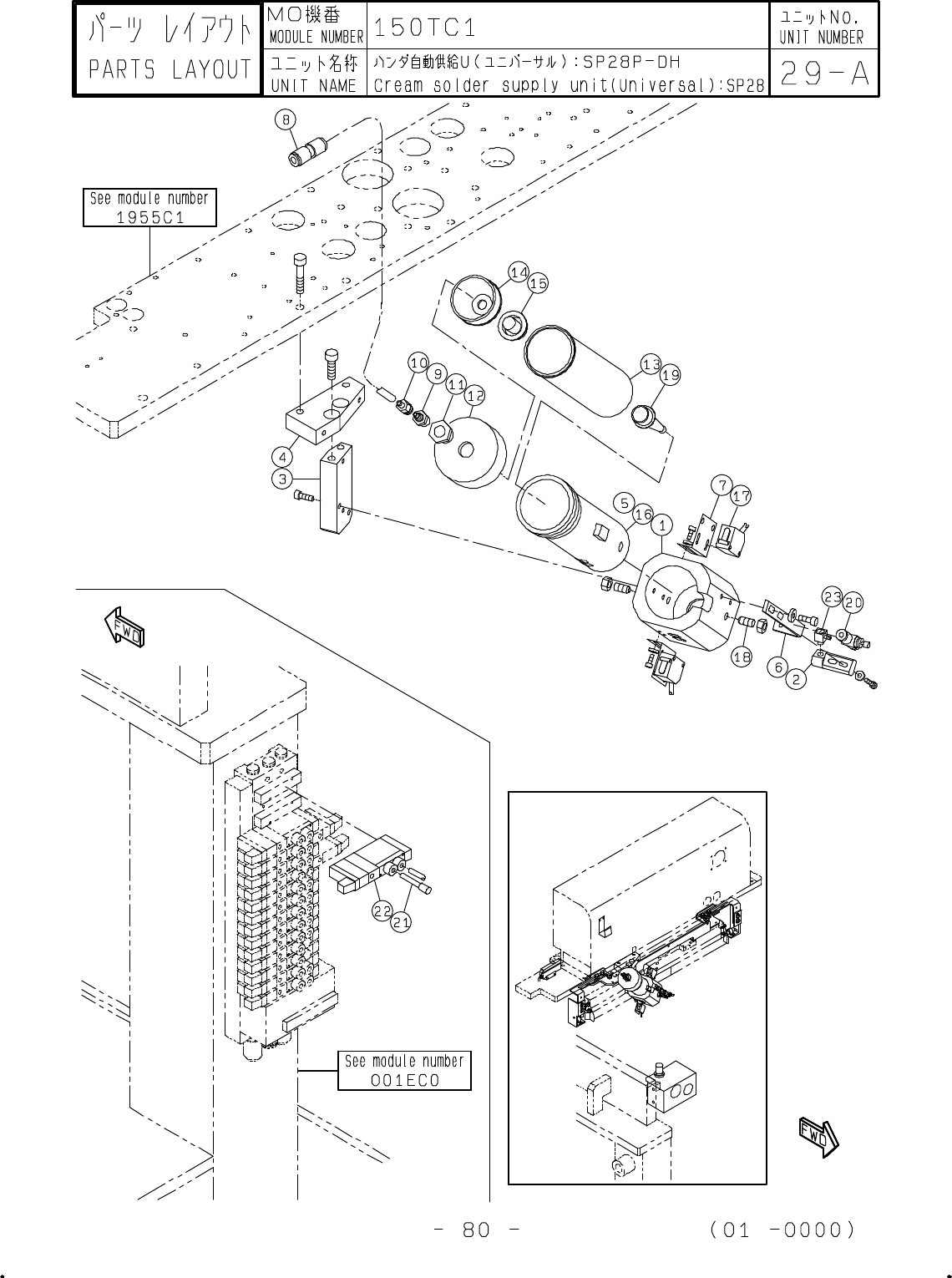
1 101GC011010 PIN 100 2 101GC011020 PLATE 2 3 101GC011030 PLATE 3 4 101GC011040 PLATE 2 5 KXF09TBAA00 BOLT GUTB3-4-20 24 6 KXF047VAA00 SPRING-WASHER Spring lock washer for M3 24 7 KXF04BDAA00 WASHER Thick washer for M3 2…


1 101GC011010 PIN 100
2 101GC011020 PLATE 2
3 101GC011030 PLATE 3
4 101GC011040 PLATE 2
5 KXF09TBAA00 BOLT GUTB3-4-20 24
6 KXF047VAA00 SPRING-WASHER Spring lock washer for M3 24
7 KXF04BDAA00 WASHER Thick washer for M3 24
8
9
10
11
12
13
14
15
16
17
18
19
20
21
22
23
24
25
26
27
28
29
30
NO
番号
MO機番
ユニット名称
基板下受けピン:SP28P-D
UNIT NAME
PART NUMBER
品番 部品名 型式 数量 ランク 備考
PCB lower receiving pin:SP28P-D
PART LIST
MODULE NUMBER
パーツリスト
101GC0M0000
28
UNIT NUMBER
ユニットNo.
PART NAME TYPE Q'TY RANK REMARKS
− −79 02 0000−( )
