NPM-W2[201504] - 第203页
Ref No. Remarks R 1 Q'ty 1-A シングルコン ベア:NPM-W2 Single Conveyor:N PM-W 2 イラスト No. Part No. 品 名 品 番 数量 R 2 パーツリスト Kit No. キット品番 Kit Name キット名称 N610164022AA Part Nam e 備 考 セク ショ ンNo . PARTS LIST Section No. R 3 GUIDE 2 …

1-A
シングルコンベア:NPM-W2
Single Conveyor:NPM-W2
パーツレイアウト
Kit No.
キット品番
Kit Name
キット名称
N610164022AA
セクションNo.
PARTS LAYOUT
Section No.
--
O1
( KN610164022AA-09-1 )

Ref
No.
Remarks R
1
Q'ty
1-A
シングルコンベア:NPM-W2
Single Conveyor:NPM-W2
イラスト
No.
Part No.
品 名品 番 数量
R
2
パーツリスト
Kit No.
キット品番
Kit Name
キット名称
N610164022AA
Part Name
備 考
セクションNo.
PARTS LIST
Section No.
R
3
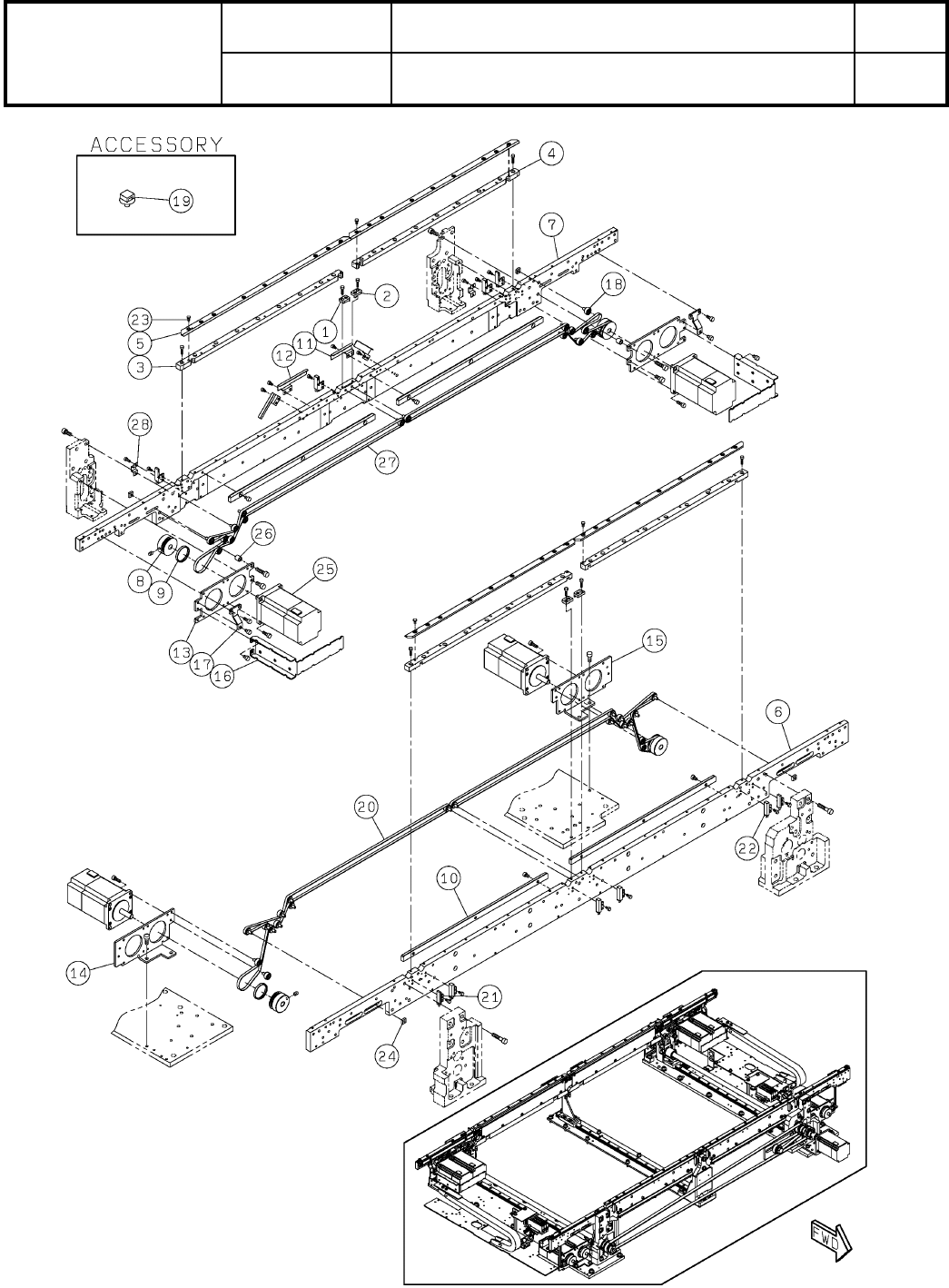
GUIDE
2
1 N210105097AC
GUIDE
2
2 N210105096AB
GUIDE
2
3 N210194670AC
GUIDE
2
4 N210194671AD
PLATE
4
5 N210194672AD
FRAME
1
6 N210194710AC
FRAME
1
7 N210194711AC
PULLEY
4
8 N210092041AA
RING
4
9 N210088855AA
A
GUIDE
4
10 N210194688AA
DUCT
3
11 N210157455AA
DUCT
1
12 N210157454AA
PLATE
2
13 N210194741AB
BRACKET
1
14 N210197925AD
BRACKET
1
15 N210197926AD
BRACKET
2
16 N210197929AB
BRACKET
2
17 N210200390AB
PULLEY
36
18 N610127907AA
CABLE-SUPPORT
56
19 N510048517AA FT4
BELT
2
20 N510060975AA
A
TA-4UEB M/D 4.5WX1314.5L
FIBER
2
21 N510060532AA CFT0350
FIBER
2
22 N510060533AA CFT0351
BOLT
36
23 N510056643AA SPECIAL LOW HEAD CAP M3X6L(SCM435.Fe3O4)
NUT
4
24 N510048038AA NSMT-04-4
MOTOR
4
25 N510056785AA
S
DU13H713S-02
SPACER
2
26 N510038548AA CF-508E
BELT
2
27 N510060976AA
A
TA-4UEB M/D 4.5WX1174.5L
DUCT
2
28 MTPB002807AA
O2
--
( KN610164022AA-09-1 )

1-B
シングルコンベア:NPM-W2
Single Conveyor:NPM-W2
パーツレイアウト
Kit No.
キット品番
Kit Name
キット名称
N610164022AA
セクションNo.
PARTS LAYOUT
Section No.
--
O3
( KN610164022AA-09-2 )