NPM-W2[201504].pdf - 第53页
Ref No. Remarks R 1 Q'ty 9-A X軸:NPM-W2 X-Ax is:NPM-W 2 イラスト No. Part No. 品 名 品 番 数量 R 2 パーツリスト Kit No. キット品番 Kit Name キット名称 N610154663AA Part Nam e 備 考 セク ショ ンNo . PARTS LIST Section No. R 3 STOPPER 4 1 N210109236AB…

9-A
X軸:NPM-W2
X-Axis:NPM-W2
パーツレイアウト
Kit No.
キット品番
Kit Name
キット名称
N610154663AA
セクションNo.
PARTS LAYOUT
Section No.
--
S29
( KN610154663AA-10-1 )

Ref
No.
Remarks R
1
Q'ty
9-A
X軸:NPM-W2
X-Axis:NPM-W2
イラスト
No.
Part No.
品 名品 番 数量
R
2
パーツリスト
Kit No.
キット品番
Kit Name
キット名称
N610154663AA
Part Name
備 考
セクションNo.
PARTS LIST
Section No.
R
3
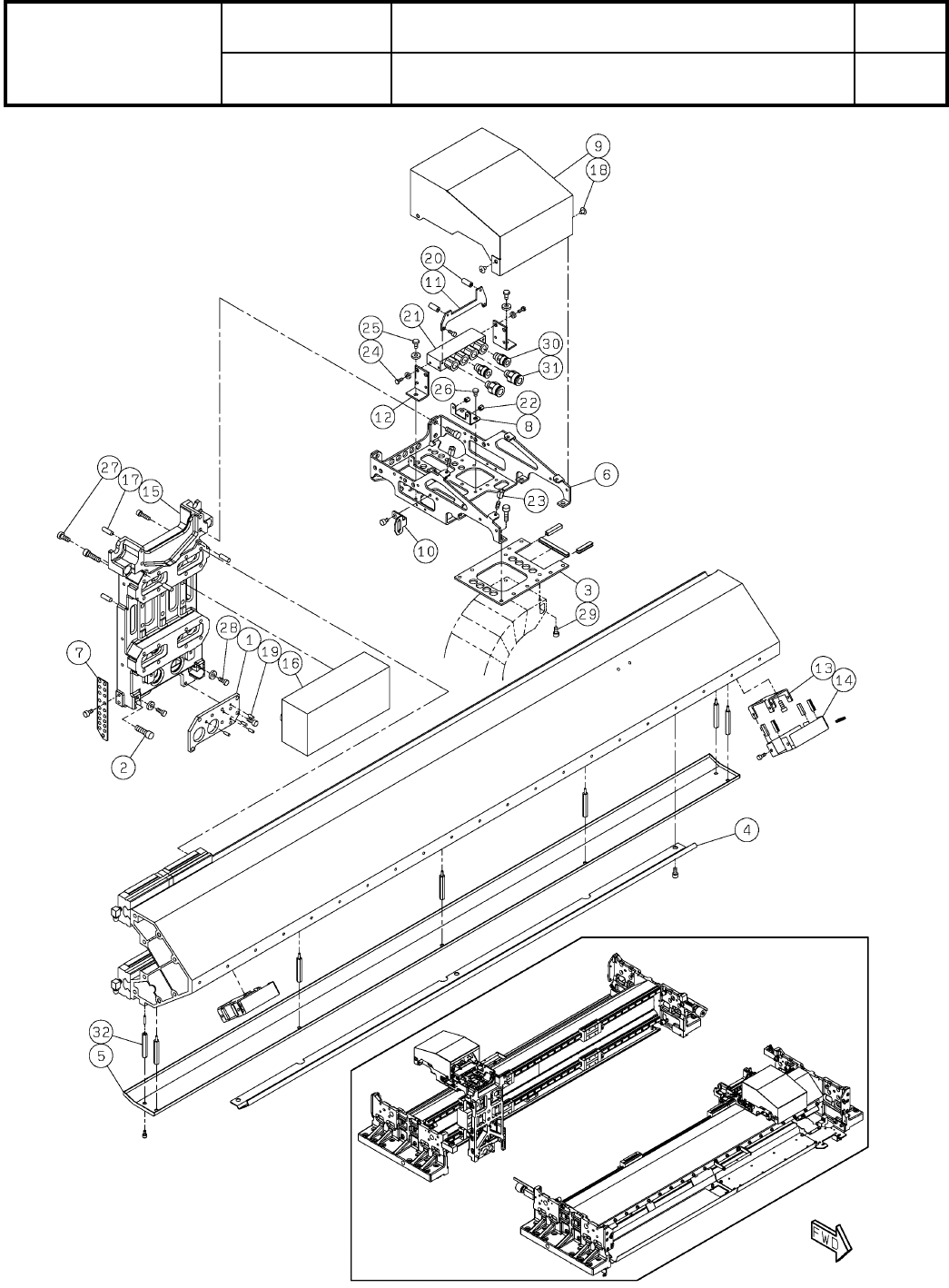
STOPPER
4
1 N210109236AB
PLATE
1
2 N210194249AA
PLATE
1
3 N210194250AA
HANDLE
1
4 MTPA001489AA
WASHER
4
5 N210118272AA
BRACKET
2
6 N210190915AA
X-BEAM
1
7 N610154664AE
MOTOR
2
8 N510057949AA
S
LM-LCS10-512-7250
LINEAR-WAY
2
9 N510060185AA HSR15SLV2GCS+1035LHS-II(00045312C000)
SPACER
2
10 N510029505AA ASF-424E
SPACER
2
11 N510020911AA ASF-414E
BOLT
6
12 N510067820AA Ultra Low Head Cap Screw M6X12-8.8 SOB
SPACER
4
13 N510044825AA 3382330-40075
PLATE
1
14 N510058932AA P102520-T05N
S30
--
( KN610154663AA-10-1 )

9-B
X軸:NPM-W2
X-Axis:NPM-W2
パーツレイアウト
Kit No.
キット品番
Kit Name
キット名称
N610154663AA
セクションNo.
PARTS LAYOUT
Section No.
--
S31
( KN610154663AA-10-2 )