NPM-W2[201504] - 第631页
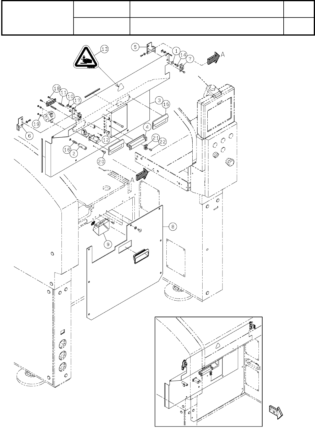
Ref No. Remark s R 1 Q'ty 132 銘板・警告ラベル(延長コンベア(デュアル)):NPM-W2 Label(Extension C onveyor (Dual)):N PM- W 2 イラスト No. Part No. 品 名 品 番 数量 R 2 パーツリスト Kit No. キット品番 Kit Name キット名称 MTKA001471AA Part Nam e 備 考 セク ショ ンNo . PA…

132
銘板・警告ラベル(延長コンベア(デュアル)):NPM-W2
Label(Extension Conveyor (Dual)):NPM-W2
パーツレイアウト
Kit No.
キット品番
Kit Name
キット名称
MTKA001471AA
セクションNo.
PARTS LAYOUT
Section No.
--
O429
( KMTKA001471AA-02 )

Ref
No.
Remarks R
1
Q'ty
132
銘板・警告ラベル(延長コンベア(デュアル)):NPM-W2
Label(Extension Conveyor (Dual)):NPM-W2
イラスト
No.
Part No.
品 名品 番 数量
R
2
パーツリスト
Kit No.
キット品番
Kit Name
キット名称
MTKA001471AA
Part Name
備 考
セクションNo.
PARTS LIST
Section No.
R
3
LABEL
3
1 N510048876AA
S
PC014101
O430
--
( KMTKA001471AA-02 )

133
安全カバー(前側):NPM-W2
Safety Cover(Front side):NPM-W2
パーツレイアウト
Kit No.
キット品番
Kit Name
キット名称
MTKA002700AA
セクションNo.
PARTS LAYOUT
Section No.
--
O431
( KMTKA002700AA-01 )