NPM-W2[201504].pdf - 第677页
Ref No. Remarks R 1 Q'ty 149 付属品(塗布ヘッド):NPM Attachment(DISPENSER HEAD):NPM イラスト No. Part No. 品 名 品 番 数量 R 2 パーツリスト Kit No. キット品番 Kit Name キット名称 N610111666AA Part Nam e 備 考 セク ショ ンNo . PARTS LIST Section No. R 3 COLL…

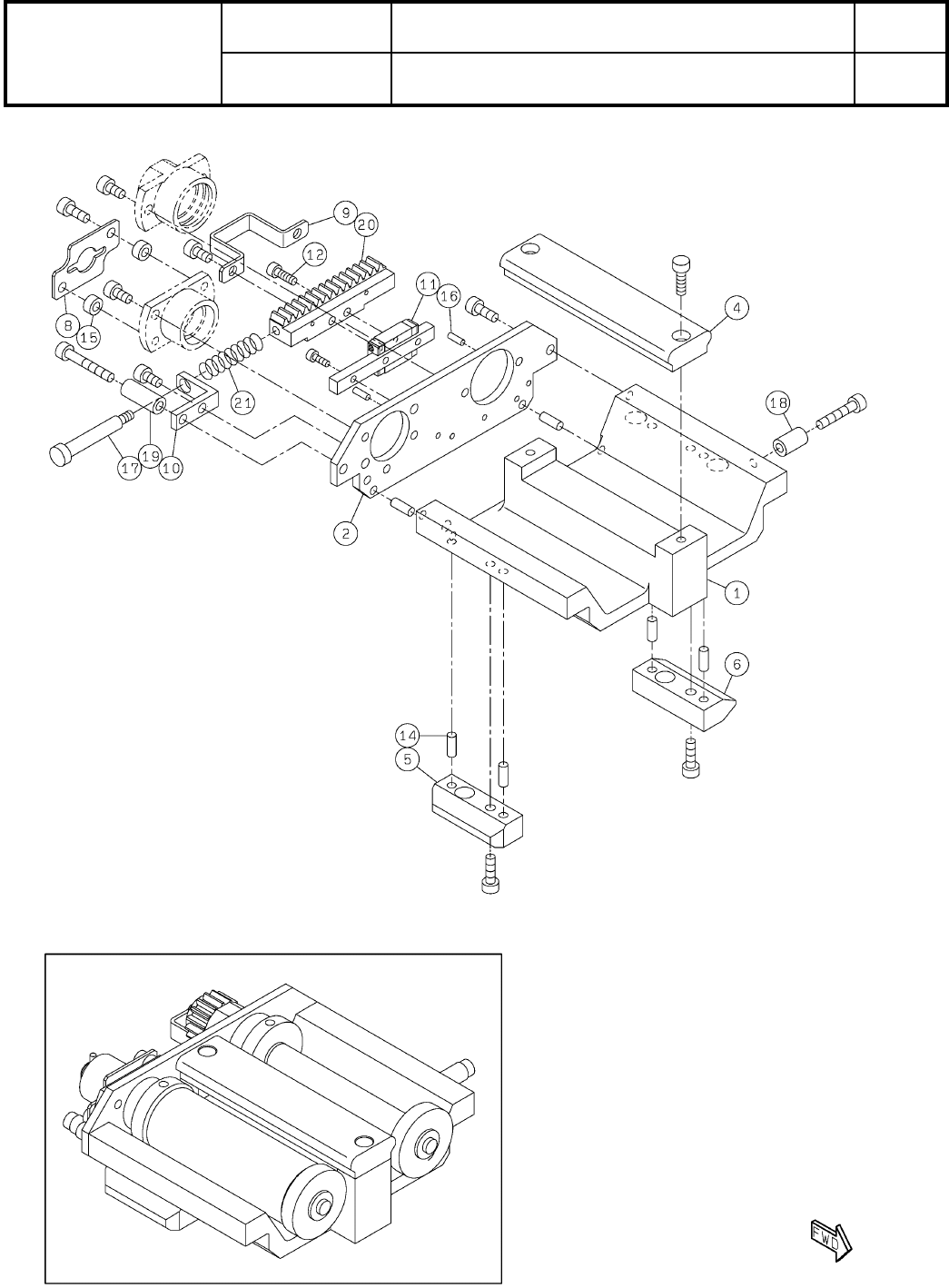
149
付属品(塗布ヘッド):NPM
Attachment(DISPENSER HEAD):NPM
パーツレイアウト
Kit No.
キット品番
Kit Name
キット名称
N610111666AA
セクションNo.
PARTS LAYOUT
Section No.
--
O475
( KN610111666AA-08 )

Ref
No.
Remarks R
1
Q'ty
149
付属品(塗布ヘッド):NPM
Attachment(DISPENSER HEAD):NPM
イラスト
No.
Part No.
品 名品 番 数量
R
2
パーツリスト
Kit No.
キット品番
Kit Name
キット名称
N610111666AA
Part Name
備 考
セクションNo.
PARTS LIST
Section No.
R
3
COLLAR
2
1 N210135664AA
A
COLLAR
4
2 N210135665AA
A
RING
2
3 0864C582221
A
Bancord Round Belts (#480-PHI3) (Drawing available)
COTTON-STICK
1
4 N986P751S P751S
COTTON-STICK
1
5 N510055312AA A754S&S-12
O476
--
( KN610111666AA-08 )

150-A
捨て打ちユニット(塗布ヘッド):NPM
Test Dispense Unit (DISPENSER HEAD):NPM
パーツレイアウト
Kit No.
キット品番
Kit Name
キット名称
N610092665AA
セクションNo.
PARTS LAYOUT
Section No.
--
O477
( KN610092665AA-08-1 )