NPM-W2[201504] - 第742页
169- A 30連交換台車駆動部(左側) 可動カバー:NPM-W2 30 Exchange C hassis Drives Left Side M ovable C over:NPM - パーツレイアウト Kit No. キット 品番 Kit Name キット名称 MTKA001855AA セクションNo. PARTS LAYOUT Section No. - - O541 ( KMTKA001855AA-02-1 )

Ref
No.
Remarks R
1
Q'ty
168-B
30連交換台車駆動部(右側) 可動カバー:NPM-W2
30 Exchange Chassis Drives Right Side Movable Cover:NPM
イラスト
No.
Part No.
品 名品 番 数量
R
2
パーツリスト
Kit No.
キット品番
Kit Name
キット名称
MTKA001854AA
Part Name
備 考
セクションNo.
PARTS LIST
Section No.
R
3
BLOCK
1
1 N210091111AC
GUIDE
1
2 N210093809AC
GUIDE
1
3 N210150031AB
SHAFT
1
4 N210143117AA
COLLAR
1
5 N210143118AA
COLLAR
1
6 N210143223AA
ORIFICE-RING
2
7 N210157884AB
SHAFT
1
8 MTPA002556AB
COVER
1
9 MTPB001549AB
PLATE
1
10 MTPB002639AA
BRACKET
1
11 MTPB002071AB
BRACKET
1
12 MTPB001457AA
COVER
1
13 MTPB002070AA
PLATE
1
14 MTPB002081AB
SWITCH(400mm)
1
15 MTKP001342AA
SPACER
2
16 N510038787AA 3382330-50120
CYLINDER
1
17 N510056930AA CDQ2D50-135DC-XB10
ROD-END
1
18 N510014419AA SAJK10C
BOLT
1
19 N510032427AA MMSB10-15
SPACER
4
20 N510038834AA ASF-870E
SPACER
2
21 N510009576AA 3382330-40020
BOLT
9
22 N510017569AA
Hexagon socket button head screw M8X10-10.9 A2J (Trivalent)
JOINT
2
23 N510066458AA KQ2L06-02AS
SPACER
1
24 N510038216AA ASF-640E
BOLT
2
25 N510000423AA SRBS-M4X8
POST
1
26 MTPA004637AA
CABLE-SUPPORT
1
27 N510048517AA FT4
O540
--
( KMTKA001854AA-02-2 )

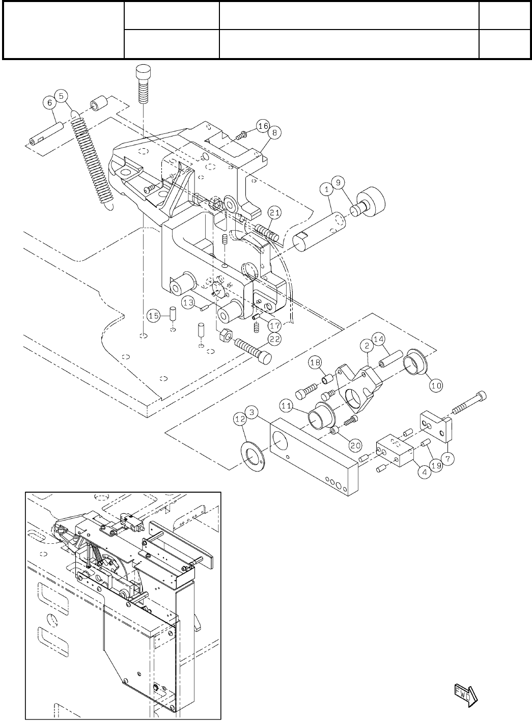
169-A
30連交換台車駆動部(左側) 可動カバー:NPM-W2
30 Exchange Chassis Drives Left Side Movable Cover:NPM-
パーツレイアウト
Kit No.
キット品番
Kit Name
キット名称
MTKA001855AA
セクションNo.
PARTS LAYOUT
Section No.
--
O541
( KMTKA001855AA-02-1 )

Ref
No.
Remarks R
1
Q'ty
169-A
30連交換台車駆動部(左側) 可動カバー:NPM-W2
30 Exchange Chassis Drives Left Side Movable Cover:NPM-
イラスト
No.
Part No.
品 名品 番 数量
R
2
パーツリスト
Kit No.
キット品番
Kit Name
キット名称
MTKA001855AA
Part Name
備 考
セクションNo.
PARTS LIST
Section No.
R
3
SHAFT
1
1 N210091107AA
LEVER
1
2 N210103082AE
LEVER
1
3 N210143124AB
SPACER
1
4 N210143115AA
SPRING
1
5 N210146764AB
POST
1
6 N210155169AB
GUIDE
1
7 N210199740AA
BRACKET
1
8 MTKP000198AB
CAM-FOLLOWER
1
9 N510036568AA CF-SFU-12B
BUSH
1
10 N510037242AA LFF-2010
BUSH
1
11 N510013369AA LFF-2015
WASHER
1
12 N510037241AA LFW-2015
PIN
1
13 N510020590AA MMS3-10
DOWEL-PIN
1
14 N510038675AA MMST8-30
PIN
2
15 N510020618AA MMS6-15
BOLT
2
16 N510017516AA
SSS 003 Hexagon socket button head screw M4X10-10.9 A2J (Trivalent)
PIN
4
17 KXF0CXHAA00 1017003-40008
SPACER
1
18 MTNK000503AA CF-610ZE
PIN
4
19 N510020607AA MMS5-10
SPACER
1
20 N510019918AA CF-406E
BOLT
1
21 N510061253AA ANBN8-30
BOLT
1
22 N510017479AA
Hexagon socket head cap screw M8X40-10.9 A2J (Trivalent) Full thread
O542
--
( KMTKA001855AA-02-1 )