KE-2070_KE-2080_KE-2080R-Rev17 - 第153页
- 146 - NOTE( 注記 ) #01....FOR 2070E,20 80E,2080RE 2070 E,2080 E,2080 RE 用 #02....FOR 2 080,2080R 2080,2080 R 用 #03....REFER TO THE LAST PAGE 最終ページのマシン Rev 管理表を 参照下さい。 M/C REV CHART. #04....FOR 2 080,2080R 2080,2080 R 用 (…

- 145 -
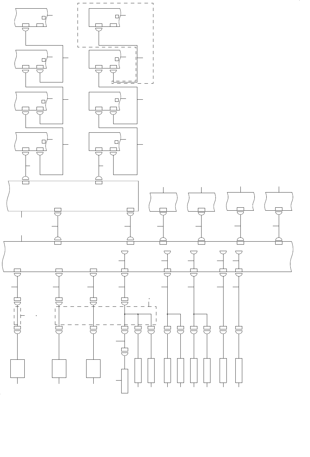
73. SYSTEM DIAGRAM (XY MOTOR/SSC NET)
SYSTEM DIAGRAM(XY MOTOR / SSC NET)
ONLY KE-2080
LS0-9
LS0-7
LS0-3
LS0-2
LS0-1
4-5C4-5C4-5B4-5A
3-2C
3-2A
3-2B
1-4B
1-3B
1-4B
1-3B
2-4A
2-5A
2-4A
2-5A
CN13 LS0-13 YR C N2 LCN2L
CN12 LS0-12 YL C N2 LCN2L
CN11 LS0-11 X RC N 2 LCN2L
CN10 LS0-10 XLC N 2LCN2L
YR SERVO
AMP(2/4)
MR-J3-200B-RJ024
YL SERVO
AMP(2/4)
MR-J3-200B-RJ024
XR SERVO
AMP(2/4)
MR-J3-70B-RJ024
XL SERVO
AMP(2/4)
MR-J3-70B-RJ024
Y BEAR CABLES(E)
XY BEAR CABLES
CN8
CN6
CN142
MAGNETIC
SCALE Y
SENSOR
UNIT
CN134
LS0-8
CN141
MAGNETIC
SCALE Y
SENSOR
UNIT
CN133
LS0-6
CN5
XY BEAR CABLES(E)
CN176
MAGNETIC
SCALE X
SENSOR
UNIT
CN175
LS0-5
CN140
YR ORG SENSOR
LS0-9
CN136
YL ORG SENSOR
LS0-7
+Y LIMIT(FEEDER)
SENSOR
CN139
CN132
CN COVER
ZTDCN1A
ZTCCN2A
ZTCCN1A
ZTBCN2A
ZTBCN1A
ZTACN2A
ZTACN1A
ID
2
ZTC SERVO
AMP(1/5)
MR-MD100
CN2A
CN1A
ID
0
CN2A
CN1A
ZTA SERVO
AMP(1/5)
MR-MD100
MR-J3BUS015M
ID
3
ZTD SERVO
AMP(1/5)
MR-MD100
CN2A
CN1A
CN2A
CN1A
ID
1
ZTB SERVO
AMP(1/5)
MR-MD100
MR-J3BUS1M
MR-J3BUS015MMR-J3BUS015M
LS0-4-2 MCCN2CH
3-2B
2-3D
ID
3
YR SERVO
AMP(3/4)
MR-J3-200B-RJ024
CN2A
CN1A
Y BEAR CABLES
2-3D
ID
2
CN2A
CN1A
YL
YL SERVO
AMP(3/4)
MR-J3-200B-RJ024
MR-J3BUS015M
CN143
CN137
CN138
CN130
CN131
CN156 CN127
LS0-3
LS0-2
LS0-1
CN9
CN7
CN3
CN2
CN1
Y NEAR SENSOR
-Y LIMIT SENSOR
+Y LIMIT(TRAY)
SENSOR
-X LIMIT SENSOR
+X LIMIT SENSOR
X NEAR SENSOR
1-2C
2-3C
2-3C
12-4C
1-2C
2CH
XR
ID
1
XR SERVO
AMP(3/4)
MR-J3-70B-RJ024
CN2A
CN1A
CN2A
CN1A1CH
CN4-2 2CH
YR
XL
ID
0
XL SERVO
AMP(3/4)
MR-J3-70B-RJ024
XY RELAY
PCB(2/5)
LS0-4-1CN4-1 MCCN1CH 1CH
POSITION
BOARD(1/2)
MR-MC-121-S01
MR-J3BUS1M
MR-J3BUS015MMR-J3BUS015M
321
4
56 789101112
13
14
15
34
35
16 17 18 19 20 21 22 23
25 26 27 28 29
39
40 42
41
30 31
32 33
24 36
37 38
45 53
44 52
47
49
57
55
50 58
48
46
43 51
54
56

- 146 -
NOTE( 注記 ) #01....FOR 2070E,2080E,2080RE 2070 E,2080 E,2080 RE 用
#02....FOR 2080,2080R 2080,2080 R 用
#03....REFER TO THE LAST PAGE 最終ページのマシン Rev 管理表を参照下さい。
M/C REV CHART.
#04....FOR 2080,2080R 2080,2080 R 用
(REFER TO THE LAST PAGE (最終ページのマシン Rev 管理表を参照下さい。)
M/C REV CHART.)
REF.NO NOTE PART NO D E S C R I P T I O N
品 名
Qty
1 400-44531 MAGNETIC SCALE X SENSOR UNIT
マグネチックスケールXセンサユニット
1
2 400-44532 MAGNETIC SCALE Y SENOR UNIT
マグネチックスケールYセンサユニット
1
3 400-44532 MAGNETIC SCALE Y SENOR UNIT
マグネチックスケールYセンサユニット
1
4 400-02227 X PLUS LMT SENSOR ASM
X軸プラスリミットセンサ組
1
5 400-02228 X MINUS LMT SENSOR ASM
X軸マイナスリミットセンサ組
1
6 400-02229 X ORG RANGE SENSOR ASM
X軸原点周囲センサ組
1
7 400-02070 YL+ LMT SENSOR(FEEDER)ASM
Y軸プラスリミットフィーダセンサ組
1
8 400-02069 YL+ LMT SENSOR(TRAY)ASM
Y軸プラスリミットトレイセンサ組
1
9 400-02068 Y MINUS LMT SENSOR ASM
Y軸マイナスリミットセンサ組
1
10 400-45414 Y NEAR SENSOR ASM
Yニアセンサ組
1
11 400-02171 YL ORG SENS ASM
YL原点センサ組
1
12 400-02172 YR ORG SENS ASM
YR原点センサ組
1
13 400-45409 X SENSOR RELAY CABLE ASM
Xセンサーリレーケーブル組
1
14 400-58385 XY BEAR CABLES ASM
XYベアケーブル組
1
15
#01
400-59779 XY BEAR CABLES ASM(E)
XYベアケーブル組(E)
1
16 400-45405 X LINEAR SENSOR CABLE ASM
X リニアセンサーケーブル組
1
17 400-45406 YL LINEAR SENSOR CABLE ASM
YL リニアセンサーケーブル組
1
18 400-45407 YR LINEAR SENSOR CABLE ASM
YR リニアセンサーケーブル組
1
19 400-45408 X SENSOR CABLE ASM
Xセンサーケーブル組
1
20 400-45410 Y POS LMT SENSOR CABLE ASM
Y POS LMTセンサーケーブル組
1
21 400-45411 Y NEG LMT SENSOR CABLE ASM
Y NEG LMTセンサーケーブル組
1
22 400-45412 YL ORG SENSOR CABLE ASM
YL ORGセンサーケーブル組
1
23 400-45413 YR ORG SENSOR CABLE ASM
YR ORGセンサーケーブル組
1
24 400-44538 SERVO AMP 750W
X軸サーボアンプ750W
1
25 400-44848 XY RELAY CABLE4
XYリレーケーブル4
1
26 400-44849 XY RELAY CABLE5
XYリレーケーブル5
1
27 400-44851 XY RELAY CABLE7
XYリレーケーブル7
1
28 400-44850 XY RELAY CABLE6
XYリレーケーブル6
1
29 400-44852 XY RELAY CABLE8
XYリレーケーブル8
1
30 400-45415 XL L-ENC CABLE ASM
XL L−ENCケーブル組
1
31 400-45416 XR L-ENC CABLE ASM
XR L−ENCケーブル組
1
32 400-45417 YL L-ENC CABLE ASM
YL L−ENCケーブル組
1
33 400-45418 YR L-ENC CABLE ASM
YR L−ENCケーブル組
1
34 400-58384 Y BEAR CABLES ASM
Yベアケーブル組
1
35
#01
400-59779 XY BEAR CABLES ASM(E)
XYベアケーブル組(E)
1
36 400-44538 SERVO AMP 750W
X軸サーボアンプ750W
1
37 400-44539 SERVO AMP 2000W
Y軸サーボアンプ2000W
1
38 400-44539 SERVO AMP 2000W
Y軸サーボアンプ2000W
1
39 400-44557 XY RELAY PCB ASM
XYリレー基板組
1
40 400-45393 DI 1CH CABLE ASM
DI 1CHケーブル組
1
41 400-44540 16AXIS 2CH SERVO CONTROLLER
16軸 2CHポジションボード
1
42 400-45394 DI 2CH CABLE ASM
DI 2CHケーブル組
1
43 400-44539 SERVO AMP 2000W
Y軸サーボアンプ2000W
1
44 401-18620 OPTICAL FIBER CABLE 1M
光ファイバケーブル1M
1
45 400-44541 OPTICAL FIBER CABLE 0.15M
光ファイバケーブル0.15M
1
46 400-44538 SERVO AMP 750W
X軸サーボアンプ750W
1
47 400-44541 OPTICAL FIBER CABLE 0.15M
光ファイバケーブル0.15M
1
48 400-44539 SERVO AMP 2000W
Y軸サーボアンプ2000W
1
49 400-44541 OPTICAL FIBER CABLE 0.15M
光ファイバケーブル0.15M
1
50 400-44538 SERVO AMP 750W
X軸サーボアンプ750W
1
51
#03
401-55289 4AXIS SERVO AMP
4軸一体型サーボアンプ
1
52 400-48070 OPTICAL FIBER CABLE 7M
光ファイバケーブル7M
1
53 400-44541 OPTICAL FIBER CABLE 0.15M
光ファイバケーブル0.15M
1
54
#03
401-55289 4AXIS SERVO AMP
4軸一体型サーボアンプ
1
55 400-44541 OPTICAL FIBER CABLE 0.15M
光ファイバケーブル0.15M
1
56
#03
401-55289 4AXIS SERVO AMP
4軸一体型サーボアンプ
1
57
#02
400-44541 OPTICAL FIBER CABLE 0.15M
光ファイバケーブル0.15M
1
58
#04
401-55289 4AXIS SERVO AMP
4軸一体型サーボアンプ
1

- 147 -
74. SYSTEM DIAGRAM (XY MOTOR)
SYSTEM DIAGRAM(XY MOTOR)
Y BEAR CABLES(E)
F8E
F12E
F13E
F14E
CN168CN168
CN164CN164
YRCNMTR
Y MOTOR SW(2/2)
YRCNENC
YRCNP3
YRCN2
YLCNMTR
Y MOTOR SW(1/2)
3-2C
YLCNENC
XRCNMTR
XRCNENC
XLCNMTR
XLCNENC
CN167
CN155
CN166
CN154
CN165
CN152
2-3A
YL SERVO
AMP(4/4)
MR-J3-200B-RJ024
YL SERVO
MOTOR
HF-RP153D-S1
YLCNP3
YLCN2
CNP3
CN2
Y BEAR CABLES
2-4A
XL
XL SERVO
AMP(4/4)
MR-J3-70B-RJ024
XL SERVO
MOTOR
HF-KP7SD-S1
CN162
CN153
CN161
CN151
XLCNP3
XLCN2
CNP3
CN2
YR SERVO
MOTOR
HF-RP153D-S1
CNP3
CN2
2-4A
2-5A
YR
YR SERVO
AMP(4/4)
MR-J3-200B-RJ024
YL
XR
XR SERVO
AMP(4/4)
MR-J3-70B-RJ024
XR SERVO
MOTOR
HF-KP73D-S1
XRCNP3
XRCN2
CNP3
CN2
221681
23 910
28 7 11 12
13 14
6
15
21
27
17
18
19
20
23
24
25
26
4
5