KE-2070_KE-2080_KE-2080R-Rev17 - 第169页
- 162 - NOTE( 注記 ) #01....FOR 2080,2080R 2080,2080 R 用 #02....FOR EN(2080,2080R) EN(2080,2080 R)用 REF.NO NOTE PART NO D E S C R I P T I O N 品 名 Qty 1 400-4543 6 BA NK CABLE A SM バンクケーブル組 1 2 400-4543 7 BANK CABLE A DAPTE…

- 161 -
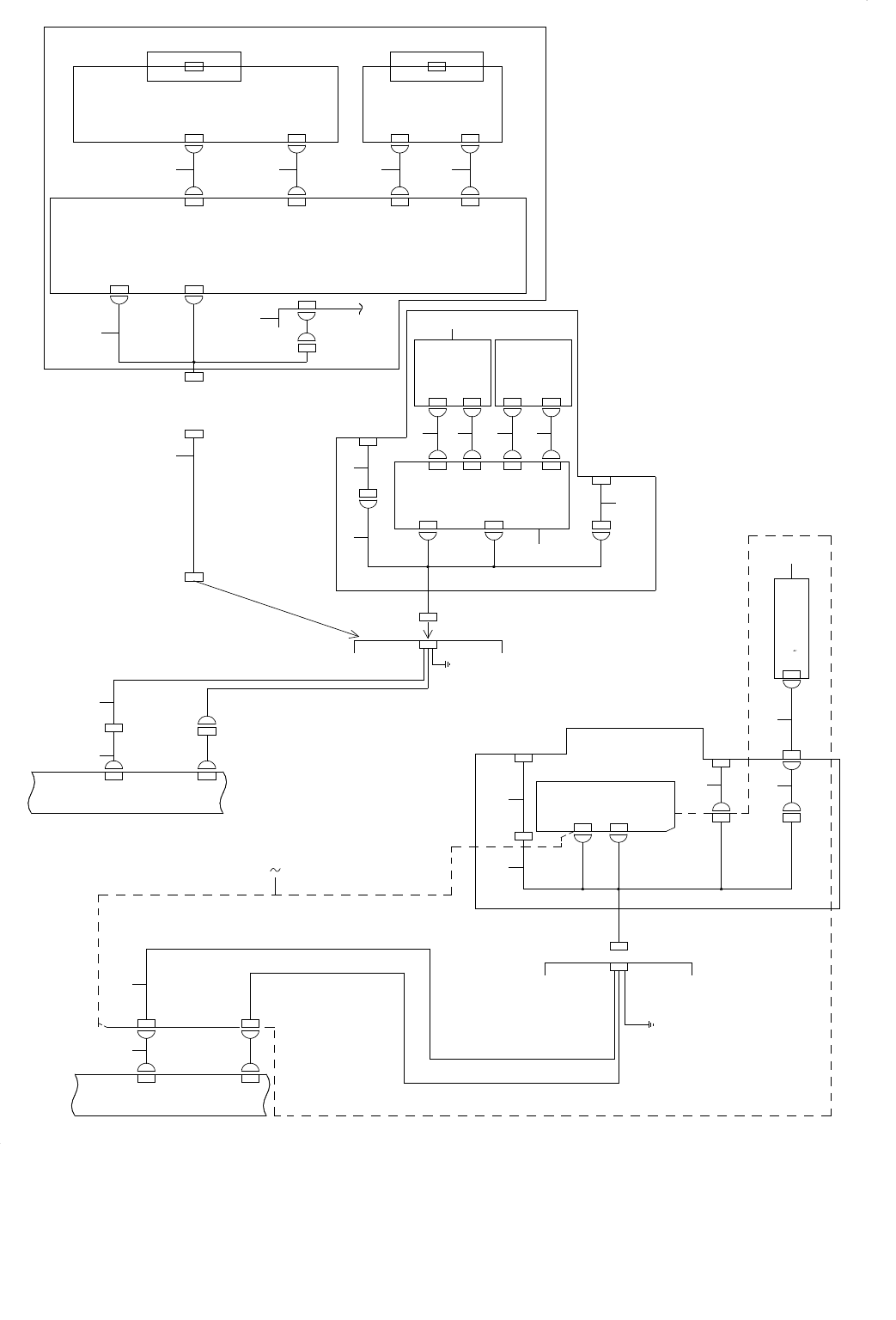
81. SYSTEM DIAGRAM (OVERALL REPLACEMENT TABLE F)
SYSTEM DIAGRAM(OVERALL REPLACEMENT TABLE F)
IC FULL
IC FULL
11-1A
10-1B
POWER UNIT(6/13)
10-2A
7-1D
8
5MM PITCH 80
COJISCAN,
JNT F/R
RFID WIRING
KE-2080-ST(RFID)
SPARE CHANGER TABLE UNIT(GX-6_RFID)
SPARE CHENGER TABLE UNIT(GX-6_EN-RFID)
ANT F/R
ANTENNA ARRAY.
CN F/R
CN04
CONNECTOR BRACKET(OVERALL REPLACEMENT TABLE F)
CN11
CN649
FEEDER I/F PCB (F)
CN661 CN1
CN662 CN2
CN507
CONECTOR
REALY
CN020
CN04
COVER
CN025
POWER UNIT(5/13)
CN00
CN01
F.G.
CN10CN10CN04
CN04
OLD-TYPE OVERALL
REPLACEMANT
ADAPTER
IC FULL
CONECTOR
REALY
CN020
CN10
CN9
CN10
CN9
CN10-2
CN9-2
CN10-1
CN9-1
CN670-2
CN669-2
CN670-1
CN669-1CN2
CN1
CN761
CN760
CN751
CN750CN662
CN661
CN649
(OLD-TYPE OVERALL REPLACEMENT TABLE F)
TABLE (OPTION)
OVERALL REPLACEMENT
BRACKET
CONNECTOR
FEEDER I/F PCB (F)
FEEDER BANK PCB(FR)
FEEDER BANK PCB(FL)
CN761
CN760
CN670-2
CN669-2
CN10-2
CN9-2
CN10
CN9
FEEDER BANK PCB(FR)
CN751CN670-1CN10-1 CN10
CN750CN669-1CN9-1 CN9
FEEDER BANK PCB(FL)
CONNECTOR BRACKET(OVERALL REPLACEMENT TABLE F)
CN04
CN11
CN649
FEEDER I/F PCB (F)
CN661 CN1
CN662 CN2
COVER
CN025
CN507
CN00
CN01
F.G.
19
24
1
18
2
12
13
14 15 16 17
3
4
78 910
5
6
25
28
29
26
27
23
20
22
11

- 162 -
NOTE( 注記 ) #01....FOR 2080,2080R 2080,2080 R 用
#02....FOR EN(2080,2080R) EN(2080,2080 R)用
REF.NO NOTE PART NO D E S C R I P T I O N
品 名
Qty
1 400-45436 BANK CABLE ASM
バンクケーブル組
1
2 400-45437 BANK CABLE ADAPTER ASM
バンクケーブルアダプター組
1
3 E9530-729-0A0 BANK CABLE ASM.
バンクケーブル組
1
4 E9395-721-0A0 IC FULL RELAY CABLE 3 ASM.
IC FULL中継ケーブル3組
1
5 E8618-721-0A0 FEEDER I/F BOARD ASM.
フィーダ I/F 基板組
1
6 E9532-729-0A0 CUTTER POWER SOURCE CABLE ASM.
カッタ電源ケーブル組
1
7 E9378-721-0A0 FEEDER BANK CABLE 5 ASM
フィーダバンクケーブル5組
1
8 E9384-721-0A0 FEEDER BANK DC CABLE 5 ASM.
フィーダバンクDCケーブル5組
1
9 E9379-721-0A0 FEEDER BANK CABLE 6 ASM.
フィーダバンクケーブル6組
1
10 E9385-721-0A0 FEEDER BANK DC CABLE 6 ASM.
フィーダバンクDCケーブル6組
1
11 E8615-715-0A0 FEEDER BANK CIRCUIT BOARD ASM.
フィーダバンク基板組
1
12 E9388-725-0A0 FEEDER BANK RELAY CABLE 3 ASM.
フィーダバンク中継ケーブル3組
1
13 E9395-725-0A0 IC FULL RELAY CABLE 3 ASM.
IC FULL 中継ケーブル3組
1
14 E9378-721-0A0 FEEDER BANK CABLE 5 ASM
フィーダバンクケーブル5組
1
15 E9384-721-0A0 FEEDER BANK DC CABLE 5 ASM.
フィーダバンクDCケーブル5組
1
16 E9379-721-0A0 FEEDER BANK CABLE 6 ASM.
フィーダバンクケーブル6組
1
17 E9385-721-0A0 FEEDER BANK DC CABLE 6 ASM.
フィーダバンクDCケーブル6組
1
18 400-02315 BANK RLY CABLE ASM F
フロントバンク中継ケーブル組
1
19 400-02315 BANK RLY CABLE ASM F
フロントバンク中継ケーブル組
1
20
#01
400-73973 SPARE CHANGER TABLE UNIT (RFID)
スペアチェンジャーテーブルユニット(RFID)
1
21
#02
400-73976 SPARE CHANGER TABLE UNIT (EN_RFID)
スペアチェンジャーテーブルユニット(EN_RFID)
1
22
#01
400-73931 KE-2080-ST(RFID)
KE−2080−ST(RFID)
1
23 400-73665 ANTENNA ARRAY 8.5MM PITCH / 80 POSITION
アンテナアレイ8.5MM/80ピッチポジション
(1)
24 400-73741 RFID BANK CABLE ASM
RFID バンクケーブル組
(1)
25 400-73753 RFID BANK CABLE ASM
RFID バンクケーブル組
(1)
26 400-75356 BANK F/R JOINT PARTS CABLE ASM
バンク中継部品ケーブル組
(1)
27 400-75358 JOINT PARTS ANTENNA ARRAY F/R CABLE ASM
中継部品アンテナ接続ケーブル組
(1)
28 E9395-721-0A0 IC FULL RELAY CABLE 3 ASM.
IC FULL中継ケーブル3組
1
29 E9532-729-0A0 CUTTER POWER SOURCE CABLE ASM.
カッタ電源ケーブル組
1

- 163 -
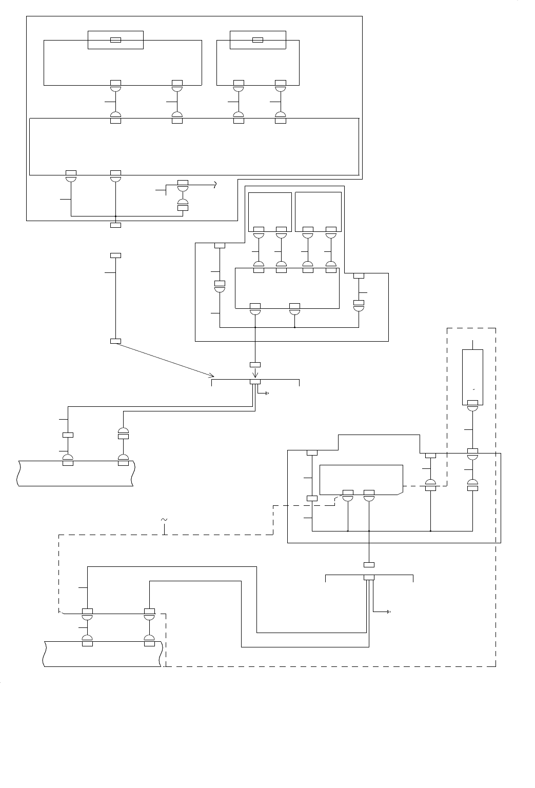
82. SYSTEM DIAGRAM (OVERALL REPLACEMENT TABLE R)
SYSTEM DIAGRAM(OVERALL REPLACEMENT TABLE R)
IC FULL
IC FULL
13-2A
11-1B
POWER UNIT(8/13)
11-2A
10-2B
POWER UNIT(7/13)
8
5MM PITCH 80
COJISCAN,
JNT F/R
RFID WIRING
KE-2080-ST(RFID)
SPARE CHANGER TABLE UNIT(GX-6_RFID)
SPARE CHENGER TABLE UNIT(GX-6_EN-RFID)
ANT F/R
ANTENNA ARRAY.
CN F/R
CN04
CONNECTOR BRACKET(OVERALL REPLACEMENT TABLE R)
CN11
CN649
E86187210A0
FEEDER I/F PCB (F)
CN661 CN1
CN662 CN2
CN507
CONECTOR
REALY
CN021
CN04
COVER
CN026 CN02
CN03
F.G.
CN10CN10CN04
CN04
OLD-TYPE OVERALL
REPLACEMANT
ADAPTER
IC FULL
CONECTOR
REALY
CN021
CN10
CN9
CN10
CN9
CN10-2
CN9-2
CN10-1
CN9-1
CN670-2
CN669-2
CN670-1
CN669-1CN2
CN1
CN761
CN760
CN751
CN750CN662
CN661
CN649
(OLD-TYPE OVERALL REPLACEMENT TABLE R)
TABLE (OPTION)
OVERALL REPLACEMENT
BRACKET
CONNECTOR
FEEDER I/F PCB (F)
FEEDER BANK PCB(FR)
FEEDER BANK PCB(RL)
CN761
CN760
CN670-2
CN669-2
CN10-2
CN9-2
CN10
CN9
FEEDER BANK PCB(RR)
CN751CN670-1CN10-1 CN10
CN750CN669-1CN9-1 CN9
FEEDER BANK PCB(RL)
CONNECTOR BRACKET(OVERALL REPLACEMENT TABLE R)
CN04
CN11
CN649
FEEDER I/F PCB (F)
CN661 CN1
CN662 CN2
COVER
CN026
CN507
CN02
CN03
F.G.
16 18
19
23
22
26
25
14
21
7524
20
96
4
8
2
15
3
1
27
12
13
1110