KE-2070_KE-2080_KE-2080R-Rev17 - 第179页
- 172 - NOTE( 注記 ) #01....FOR EN EN 用 #02....FOR 2080R 2080 R 用 #03....FOR 2070,2080 2070,2080用 #04....FOR 2080,2080R 2080,2080 R 用 REF.NO NOTE PART NO D E S C R I P T I O N 品 名 Qty 1 400-44846 XY RELAY PCB ASM OPE - CN1…

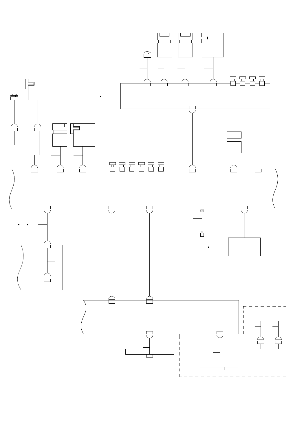
- 171 -
86. SYSTEM DIAGRAM (OPERATION UNIT)
SYSTEM DIAGRAM(OPERATION UNIT)
14-1A
CN2CN02
KEY CHANGE SW
CN18CN718
KE-2080-ST(RFID)
RFID WIRING
CN04SR
CN03MR
CN04SR
CN03MR
9-4D
9-4C
MTC I/F(R)
COVER
CN12
LS4-1
CN7
SFSW007
SFSW
705/928
SAFETY SW
CN16CN16 LS0-16
XY RELAY PCB(5/5)
LS0-16
MTC I/F(R)
CN25
(NON-STOP OPERATION)
FEEDER SW(F)
CN719CN19
LS4-6CN6
CN1LS4-1
SW9
SW10
SW5
SW6
SW1
SW2
14-3B
9-3C
I/O CONTROL
PCB(5/5)
COVER
COVER OPEN
SW(F)
LS4-4CN4 CN1CN701
CN1CN741
CN7CN7
EMG SW_FR
CN705
CYCLE SW
SERVO FREE SW
STOP SW
START SW
ORIGIN SW
ON LINE SW
CN5
CN15CN715
CN3
CN11CN711
CN703
OPERATION
PCB(2/3)
HOD BOX
CN12
OPE-E1
19-4A
10
FG-TAP
FRONT
FEEDER SW(R)
(NON-STOP OPERATION)
EMG SW_RR
SW PCB
OPERATION
KEY CHANGE SW
CN5 CN745
CN7CN7
START SW
STOP SW
SERVO FREE SW
CYCLE SW
CN2 CN742
SW6
SW5
SW10
SW9
CN6 CN746
SFSW
005/928
COVER OPEN
SW(R)
1
2
3 24
5
6
4
7
16
17
21
22 23
20
18
810
925
11
14
12
13
27 15
19
26

- 172 -
NOTE( 注記 ) #01....FOR EN EN 用
#02....FOR 2080R 2080 R 用
#03....FOR 2070,2080 2070,2080用
#04....FOR 2080,2080R 2080,2080 R 用
REF.NO NOTE PART NO D E S C R I P T I O N
品 名
Qty
1 400-44846 XY RELAY PCB ASM OPE - CN16 CABLE ASM
XYリレーPCB組 OPEーCN16ケーブル組
1
2
#03
400-45440 OPEPANE PWR CABLE ASM
オペパネパワーケーブル組
1
3
#02
400-80205 OPEPANE PWR CABLE ASM
オペパネ電源ケーブル組
1
4 400-02105 MTC I F(R) CABLE ASM
MTC I/F(R)ケーブル組
1
5 400-02197 RS232C CABLE ASM
RS232Cケーブル組
1
6 400-02203 OP S P CABLE ASM
OP S/Pケーブル組
1
7 400-02207 OP FG CABLE ASM
OPFGケーブル組
1
8 400-02205 F EMG SWITCH CABLE ASM.
Fエマージェンシーケーブル組
1
9 400-02252 FEEDER SWITCH CABLE ASM
フィーダスイッチケーブル組
1
10 400-02254 COVER OPEN SW CABLE ASM
カバーオープンスイッチケーブル組
1
11 400-02204 R OP SWITCH CABLE ASM
R OPスイッチケーブル組
1
12 400-01956 OPERATION SW PWB ASM.
オペパネSW基板組
1
13
#01
400-01957 OPERATION SW PWB ASM.(EN)
オペレーション SW基板組(EN)
1
14 4002206 R EMG SWITCH CABLE ASM
R EMGスイッチケーブル組
1
15 4002251 OPRATION ON SW CABLE ASM
オペレーションオンSWケーブル組
1
16 E9649-729-000 HOD ASM.
HOD組
1
17
#01
E9662-729-000 HOD (EN)
HOD(EN)
1
18 400-66604 SAFETY SWITCH RELAY CABLE ASM
安全スイッチ中継ケーブル組
1
19 400-02254 COVER OPEN SW CABLE ASM
カバーオープンスイッチケーブル組
1
20
#04
400-73931 KE-2080-ST(RFID)
KE−2080−ST(RFID)
1
21 400-73744 RFID MTC I/F(R) CABLE ASM
RFID MTC I/F(R)ケーブル組
(1)
22 400-73746 RFID M BRANCH MTC I/F CABLE ASM
RFID MブランチMTC I/Fケーブル組
(1)
23 400-73748 RFID S BRANCH MTC I/F CABLE ASM
RFID SブランチMTC I/Fケーブル組
(1)
24
#01
400-02198 OP POWER CABLE ASM
OPパワーケーブル組
1
25 400-02254 COVER OPEN SW CABLE ASM
カバーオープンスイッチケーブル組
1
26 400-02251 OPERATION ON SW CABLE ASM
オペレーションオンSWケーブル組
1
27 400-02252 FEEDER SWITCH CABLE ASM
フィーダスイッチケーブル組
1

- 173 -
87. SYSTEM DIAGRAM (CPU)
SYSTEM DIAGRAM(CPU)
17-3A
13-2B
1-2C
KE-2080-ST(RFID)
COVER
RFID WIRING
1-5C
X2
LAN
SWITCHING HUB
(2/2)
LAN
LANX1
LAN
LAN
COVER
CH2USB CH2
CH1USB CH1
1-2C
FDD I/F
CPU
BOARD(2/3)
HDD HDD I/F LPT
SSD
PRINTER
FDD
FDD
CN13
COVER
COM1
POWER UNIT(10/13)
1-2C
CABLE
ACCESSORY
(2/2)
UPS
COVER
ACCESS LAMP
HARD DISK
19-2A
HDD COPY
FDD PWR
2
3
4
7
9
8
56
12
13
1
10
11
14