KE-2070_KE-2080_KE-2080R-Rev17 - 第185页
- 178 - NOTE( 注記 ) #01....OPTIONAL PARTS オプション部品 REF.NO NOTE PART NO D E S C R I P T I O N 品 名 Qty 1 400-95117 CVS PCB ASM CVS基板組 1 2 401-11229 CVS PROBE CABLE ASM CVSプローブケーブル組 1 3 401-11228 CVS COMM CABLE ASM CVS通信ケーブル組…

- 177 -
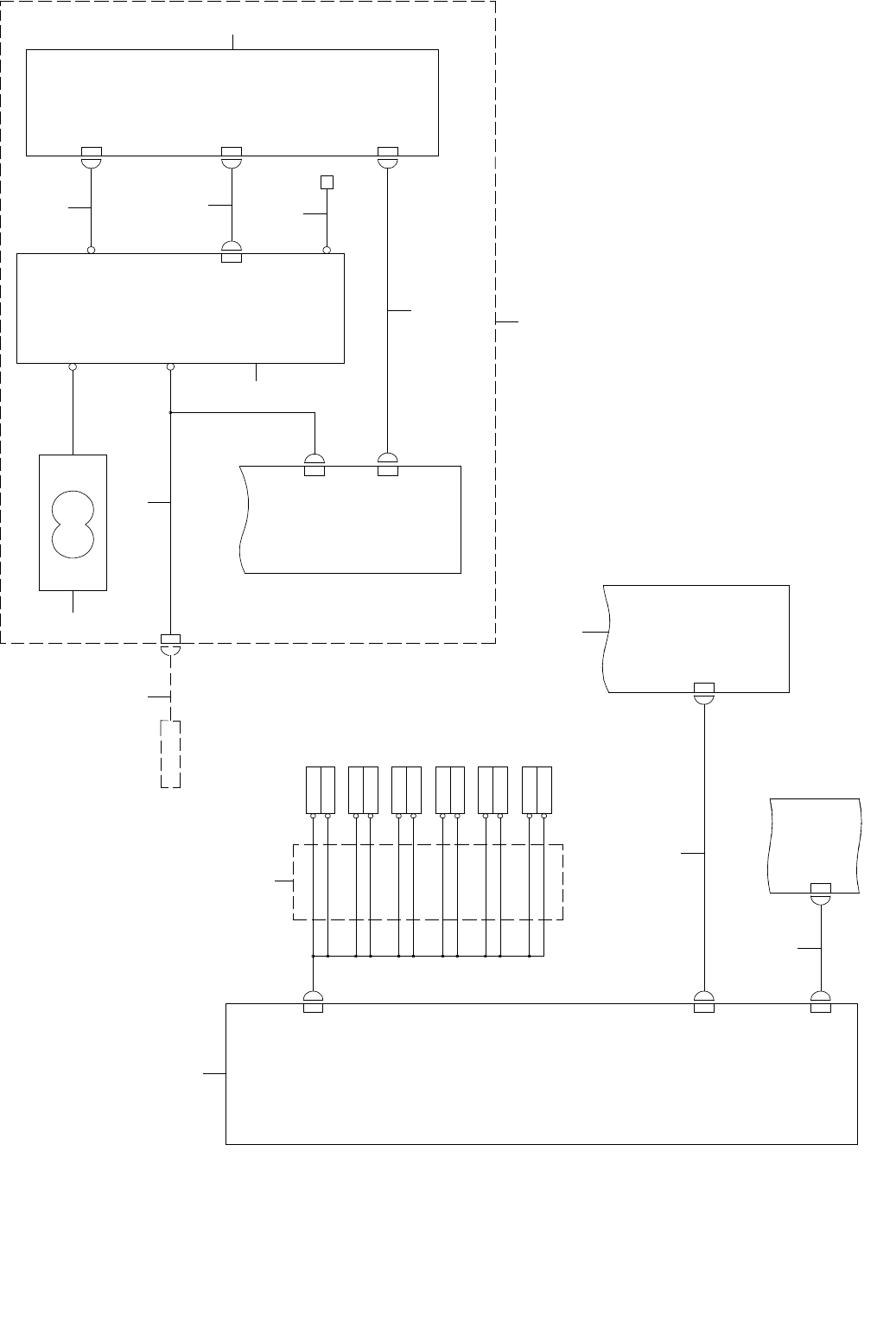
89. SYSTEM DIAGRAM (VERFY)
SYSTEM DIAGRAM(VERFY)
LOAD SELL ASM
LOAD SELL
AMPLIFER
POWER UNIT(13/13)
18-2D
18-3B
17-3A
CN10
CN010
HOURMETER
CN010B
CN010A
SIMPLE GAIN WEIGHT
UNIT OPTION
CN17 CN17 ICX-5
CN2ICX-2
CN5
LOAD-19
FG-TAP
FRONT
CN1 ICX-1
LDCL CTRL
I-CX
PCB
CN029
EXT2 S102
CN1
CN3
CN2
CVS02
CVS PCB
POWER UNIT(12/13)
1
4
3
6
10
13
15
14
8
9
12
11
7
CVS01
CVS03
8-PORT COM BOARD
4-1C
PROBE6(+)
PROBE6(-)
PROBE5(-)
PROBE5(+)
PROBE4(+)
PROBE4(-)
PROBE3(+)
PROBE3(-)
PROBE2(+)
PROBE2(-)
PROBE1(-)
PROBE1(+)
2
5

- 178 -
NOTE( 注記 ) #01....OPTIONAL PARTS オプション部品
REF.NO NOTE PART NO D E S C R I P T I O N
品 名
Qty
1 400-95117 CVS PCB ASM
CVS基板組
1
2 401-11229 CVS PROBE CABLE ASM
CVSプローブケーブル組
1
3 401-11228 CVS COMM CABLE ASM
CVS通信ケーブル組
1
4 401-11227 CVS POWER CABLE ASM
CVS電源ケーブル組
1
5 401-35433 8-PORT COM BOARD
8−PORT COMボード
1
6 400-02115 HOURMETER ASM
アワーメータ組
1
7
#01
400-61128 SIMPLE GAIN WEIGHT UNIT
簡易荷重ユニット
1
8 400-21156 LOAD CELL FG WIRE ASM
ロードセル FGケーブル組
(1)
9 400-31620 LOAD CELL ASM
ロードセル組
(1)
10 400-60998 LOAD CELL AMP PWR CABLE ASM
ロードセルアンプ電源ケーブル組
(1)
11 400-31754 I-CX PCB
ICX基板組
(1)
12 400-32128 LOAD CELL AMPLIFIER
ロードセルアンプ
(1)
13 400-60997 I-CXPCB PWR CABLE ASM
I−CXPCB PWRケーブル組
(1)
14 400-32125 LOAD CELL ANAROG CABLE ASM
ロードセルアナログケーブル組
(1)
15 400-32126 LOAD CELL CONTROL CABLE ASM
ロードセルコントロールケーブル組
(1)

- 179 -
90. SYSTEM DIAGRAM (MONITOR)
SYSTEM DIAGRAM(MONITOR)
KEYBOARD
/MOUSE
SWITCH
1-5D
1-5C
16-3D
RS2
RS1RS232C
MOUSE
(FRONT)
KB1
MS1
(REAR)
DVI1
VIDEO
RS232C
VIDEODVI2
15-3D
CN720
KB2
MS2
EX
KB
KB/MS PC
RS PC
19-5A
KEY BOARD
TRACK BALL
KEY BOARD
TRACK BALL
CPU
BOARD(3/3)
FRONT
MONITOR(2/2)
REAR
MONITOR(2/2)
OPERATION
PCB(3/3)
KEYBOARD
/MOUSE
SWITCH
19-2D
COM2
VHG-4P-A
RS-CN5
CN1
CN2
CN3
CN4
RS PC CPU COM2
RS-B
RS-CN2
RS-A
EXT2
RS-CN5
VHG-4P-B
RS-2
FLCD
RS232C
NOTE1
RS232C CHANGE
PCB ASM
9
4
567
1
32223
8
10
11
12
15 16
17
2
21
20
18
19
13
14