KE-2070_KE-2080_KE-2080R-Rev17 - 第188页
- 181 - 91. SYSTEM DIAGRAM ( SOLDER REC OPTION) SYSTEM DIAGRAM (SOLDER REC O PTION) CN1 OCC-A LIGHT PCB ASM(OPASS_R) CN1 OCC- C LIG HT PCB ASM CN1 OPASS(R) OCC2(R) OCC-A LIGHT PCB ASM(STD) OCC1(R) H/S-36 H/S-38 CN38 CN36…

- 180 -
REF.NO NOTE PART NO D E S C R I P T I O N
品 名
Qty
1 400-03318 KEY BOARD
キーボード
1
2 400-26196 ADD OP RS232C CABLE ASM
追加RS232Cケーブル組
1
3 E9646-729-000 TRUCK BALL
トラックボール
1
4 400-02302 KEYBOARD CABLE ASM
キーボードケーブル組
1
5 400-02301 MOUSE CABLE ASM
マウスケーブル組
1
6 400-02304 R-KEYBOARD CABLE ASM
リアキーボードケーブル組
1
7 400-02303 R-MOUSE CABLE ASM
リアマウスケーブル組
1
8 400-03281 MOUSE/KEYBOARD SELECTOR
マウス/キーボード切換器
1
9 400-03282 MOUSE/KEYBOARD SELECTOR CABLE ASM
マウス/キーボード切換器ケーブル組
1
10 400-27815 F-232C CABLE ASM
F−232Cケーブル組
1
11 400-28017 PANEL-LINK F CABLE
パネルリンクFケーブル
1
12 400-28018 PANEL-LINK R CABLE
パネルリンクRケーブル
1
13 400-25669 LCD DSP
LCDディスプレイ(パネルリンク)
1
14 400-25669 LCD DSP
LCDディスプレイ(パネルリンク)
1
15 400-02260 F 232C CABLE ASM
F 232Cケーブル組
1
16 400-02263 OP-232C CABLE(R)ASM
リアパネル232Cケーブル組
1
17 400-26382 RS232C CHANGE PCB ASM
RS232C切換基板組
1
18 400-02253 CHANGE BOX CABLE ASM
キーボード切換制御ケーブル組
1
19 400-26197 ADD CHANGE BOX CABLE ASM
追加切換ケーブル組
1
20 400-03281 MOUSE/KEYBOARD SELECTOR
マウス/キーボード切換器
1
21 400-26414 ADD OP RS232C CABLE 2 ASM
追加RS232Cケーブル2組
1
22 400-03318 KEY BOARD
キーボード
1
23 E9646-729-000 TRUCK BALL
トラックボール
1

- 181 -
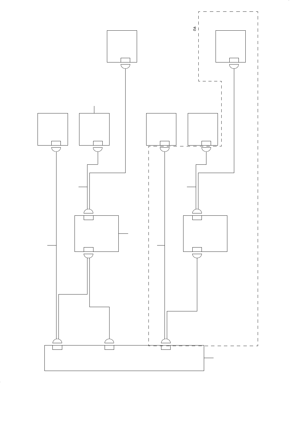
91. SYSTEM DIAGRAM (SOLDER REC OPTION)
SYSTEM DIAGRAM(SOLDER REC OPTION)
CN1
OCC-A LIGHT PCB
ASM(OPASS_R)
CN1
OCC-C LIGHT
PCB ASM
CN1
OPASS(R)
OCC2(R)
OCC-A LIGHT PCB
ASM(STD)
OCC1(R)
H/S-36 H/S-38CN38CN36
CN1
OCC-A LIGHT PCB
ASM(OPASS_L)
CN1
OCC-C LIGHT
PCB ASM
CN1
GX-6 2080(E)
CN824CN4
HEAD RELAY PCB
ASM(2/2)
H/S-35
OPASS(L)
OCC2(L)
OCC-A LIGHT PCB
ASM(STD)
H/S-37CN37CN35
HEAD RELAY PCB
ASM(1/2)
OCC1(L)
CN811
CN823
HEAD MAIN
PCB ASM
CN11
CN3
5
1
36
2
7
4

- 182 -
NOTE( 注記 ) #01....FOR 2080E 2080 E 用
REF.NO NOTE PART NO D E S C R I P T I O N
品 名
Qty
1 400-66952 OCC LIGHT L CABLE ASM
OCCライトLケーブル組
1
2 400-66947 HEAD RELAY PCB ASM
ヘッドリレー基板組
1
3 400-66953 OCC OPASS L CABLE ASM
OCC OPASS Lケーブル組
1
4
#01
400-66954 OCC LIGHT R CABLE ASM
OCCライトRケーブル組
1
5 400-90481 HEAD MAIN PCB ASM
ヘッドメイン基板組
1
6
#01
400-66955 OCC OPASS R CABLE ASM
OCC OPASS Rケーブル組
1
7 400-01982 OCC A LIGHT P.C.B ASM
OCC 角度照明基板組
1