KE-2070_KE-2080_KE-2080R-Rev17 - 第195页
- 188 - REF.NO NOTE PART NO D E S C R I P T I O N 品 名 Qty 1 400-44534 SERVO MOTOR 30W サーボモータ30W 1 2 400-44533 SERVO MOTOR 10W サーボモータ10W 1 3 400-44534 SERVO MOTOR 30W サーボモータ30W 1 4 400-44533 SERVO MOTOR 10W サーボモータ10W 1 5 …

- 187 -
94. SYSTEM DIAGRAM (PLACEMENT MONITOR/ZT1,2,3,4 MOTOR)
SYSTEM DIAGRAM(プレースメントモニタ/ ZT 1,2,3,4 MOTOR)
3-4B
1-1C
3-4A
1-1B
CNP2A
CN2A
CNP2B
CN2B
CNP2C
CN2C
CNP2D
CN2D
CNP2A
CN2A
CNP2B
CN2B
CNP2C
CN2C
CNP2D
CN2D
ID
1
ID
0
ZTB SERVO
AMP(2/3)
MR-MD110
ZTA SERVO
AMP(2/3)
MR-MD110
T4 MOTOR
HC-BP0136D-S1
T3
MOTOR
HC-BP0136D-S1
Z4 MOTOR
HC-BH0336LW-S4
Z3 MOTOR
HC-BH0336LW-S4
T2
MOTOR
HC-BP0136D-S1
T1 MOTOR
HC-BP0136D-S1
Z2 MOTOR
HC-BH0336LW-S4
Z1 MOTOR
HC-BH0336LW-S4
1234
5678
9
10

- 188 -
REF.NO NOTE PART NO D E S C R I P T I O N
品 名
Qty
1 400-44534 SERVO MOTOR 30W
サーボモータ30W
1
2 400-44533 SERVO MOTOR 10W
サーボモータ10W
1
3 400-44534 SERVO MOTOR 30W
サーボモータ30W
1
4 400-44533 SERVO MOTOR 10W
サーボモータ10W
1
5 400-44534 SERVO MOTOR 30W
サーボモータ30W
1
6 400-44533 SERVO MOTOR 10W
サーボモータ10W
1
7 400-44534 SERVO MOTOR 30W
サーボモータ30W
1
8 400-44533 SERVO MOTOR 10W
サーボモータ10W
1
9 401-55290 4AXIS SERVO AMP
4軸一体型サーボアンプ
1
10 401-55290 4AXIS SERVO AMP
4軸一体型サーボアンプ
1

- 189 -
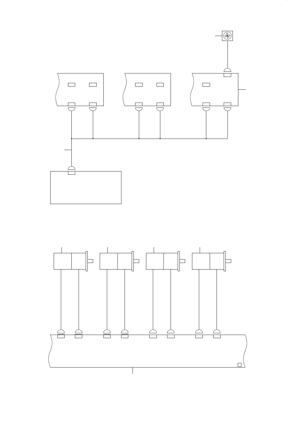
95. SYSTEM DIAGRAM (PLACEMENT MONITOR/ZT5,6 MOTOR/Z ORG DI)
SYSTEM DIAGRAM(プレースメントモニタ/ ZT 5,6 MOTOR / Z ORG DI)
3-2C
CN4ACN4BZTC-CN4B
CN4CCN4DZTC-CN4D
ZTC SERVO
AMP(3/3)
MR-MD110
2-4C
CN4ACN4BZTB-CN4B
CN4CCN4DZTB-CN4D
ZTB SERVO
AMP(3/3)
MR-MD110
2-2C
HEAD FAN
CN4ACN4BZTA-CN4B
CN4CCN4DZTA-CN4DCN13CN13
ZTA SERVO
AMP(3/3)
MR-MD110
HEAD MAIN PCB
T6
MOTOR
HC-BP0136D-S1
T5
MOTOR
HC-BP0136D-S1
Z6 MOTOR
HC-BH0336LW-S4
Z5 MOTOR
HC-BH0336LW-S4
3-4C
1-1C
CNP2A
CN2A
CNP2B
CN2B
CNP2C
CN2C
CNP2D
CN2D
ID
2
ZTC SERVO
AMP(2/3)
MR-MD110
1234
5
6
7
8