KE-2070_KE-2080_KE-2080R-Rev17 - 第35页
- 28 - NOTE( 注記 ) #01....FOR EN(2070M,2080M ,2080RM) EN(2070 M,2080 M,2080 RM) 用 #02....FOR EN(2070L ,2080L,2080RL , EN(2070 L ,2080 L,2080 RL, 2070CL) 2070 CL)用 #03....FOR EN(2070E, 2080E,2080RE) EN(20 70 E,2080 E,2080 …

- 27 -
14. COVER COMPONENTS (6)
カバー関係(6)
7 9
10
12
13
15
16
19 20
16
18
21
23
21
23
24
26
27
28
27
28
29
29
29
29
29
29
29
29
29
29
29
4
6
30
1
3
29
30
24
26
31

- 28 -
NOTE( 注記 ) #01....FOR EN(2070M,2080M,2080RM) EN(2070 M,2080 M,2080 RM)用
#02....FOR EN(2070L,2080L,2080RL, EN(2070 L,2080 L,2080 RL,
2070CL) 2070 CL)用
#03....FOR EN(2070E,2080E,2080RE) EN(2070 E,2080 E,2080 RE)用
REF.NO NOTE PART NO D E S C R I P T I O N
品 名
Qty
1
#01
400-57295 CONVEYOR COVER (M) ASSY
コンベアカバー(M)組
1
2
#02
400-57296 CONVEYOR COVER (L) ASSY
コンベアカバー(L)組
1
3
#03
400-61003 CONVEYOR COVER(E_EN) ASSY
コンベアカバー(E_EN)組
1
4
#01
400-57291 CONVEYOR COVER L (EN)
コンベアカバーL(EN)
(1)
5
#02
400-57293 CONVEYOR COVER L (L EN)
コンベアカバーL(L EN)
(1)
6
#03
400-60218 CONVEYOR COVER L(E EN)
コンベアカバーL(E EN)
(1)
7
#02
400-57294 CONVEYOR COVER R (L EN)
コンベアカバーR(L EN)
(1)
8
#01
400-57292 CONVEYOR COVER R (EN)
コンベアカバーR(EN)
(1)
9
#03
400-60219 CONVEYOR COVER R(E EN)
コンベアカバーR(E EN)
(1)
10
#01
400-01477 CONVEYOR SIDE COVER(EN)
搬送サイドカバー(EN)
(1)
11
#02
400-01482 CONVEYOR SIDE COVER L(LEN)
搬送サイドカバーL(L、EN)
(1)
12
#03
400-27243 CONVEYOR SIDE COVER L(E EN)
搬送サイドカバーL(E EN)
(1)
13
#02
400-17315 CONVEYOR SIDE COVER R(L EN)
搬送サイドカバーR(L EN)
(1)
14
#01
400-17243 CONVEYOR SIDE COVER R(EN)
搬送サイドカバーR(EN)
(1)
15
#03
400-27244 CONVEYOR SIDE COVER R(E EN)
搬送サイドカバーR(E EN)
(1)
16
#01
400-01479 CONVEYOR UPPER COVER(EN)
搬送上カバー(EN)
(2)
17
#02
400-01483 CONVEYOR UPPER COVER L(LEN)
搬送上カバーL(L、EN)
(1)
18
#03
400-27246 CONVEYOR UPPER COVER L(E EN)
搬送上カバーL(E EN)
(1)
19
#02
400-01499 CONVEYOR UPPER COVER R(L,EN)
搬送上カバーR(L、EN)
(1)
20
#03
400-27247 CONVEYOR UPPER COVER R(E EN)
搬送上カバーR(E EN)
(1)
21
#01
400-01480 CONVEYOR SHUTTER U (EN)
搬送シャッターU(EN)
(2)
22
#02
400-01484 CONVEYOR SHUTTER U(LEN)
搬送シャッターU(L、EN)
(2)
23
#03
400-27248 CONVEYOR SHUTTER U(E EN)
搬送シャッターU(E EN)
(2)
24
#01
400-01481 CONVEYOR SHUTTER B (EN)
搬送シャッターB(EN)
(2)
25
#02
400-01485 CONVEYOR SHUTTER B(LEN)
搬送シャッターB(L、EN)
(2)
26
#03
400-27249 CONVEYOR SHUTTER B(E EN)
搬送シャッターB(E EN)
(2)
27 400-01493 CONVEYOR COVER STOPPER(EN)
搬送カバーストッパ(EN)
(2)
28
#03
400-27245 CONVEYOR COVER STOPPER(E EN)
搬送カバーストッパ(E EN)
(2)
29 SM-0040801-SC SCREW
トラスねじ M4 L=8
(40)
30 E1143-721-000 WOOLEN CLOTH PAPER
搬送カバーラシャペーパ(CE)
(8)
31 400-01490 TAPE
テープ
(2)

- 29 -
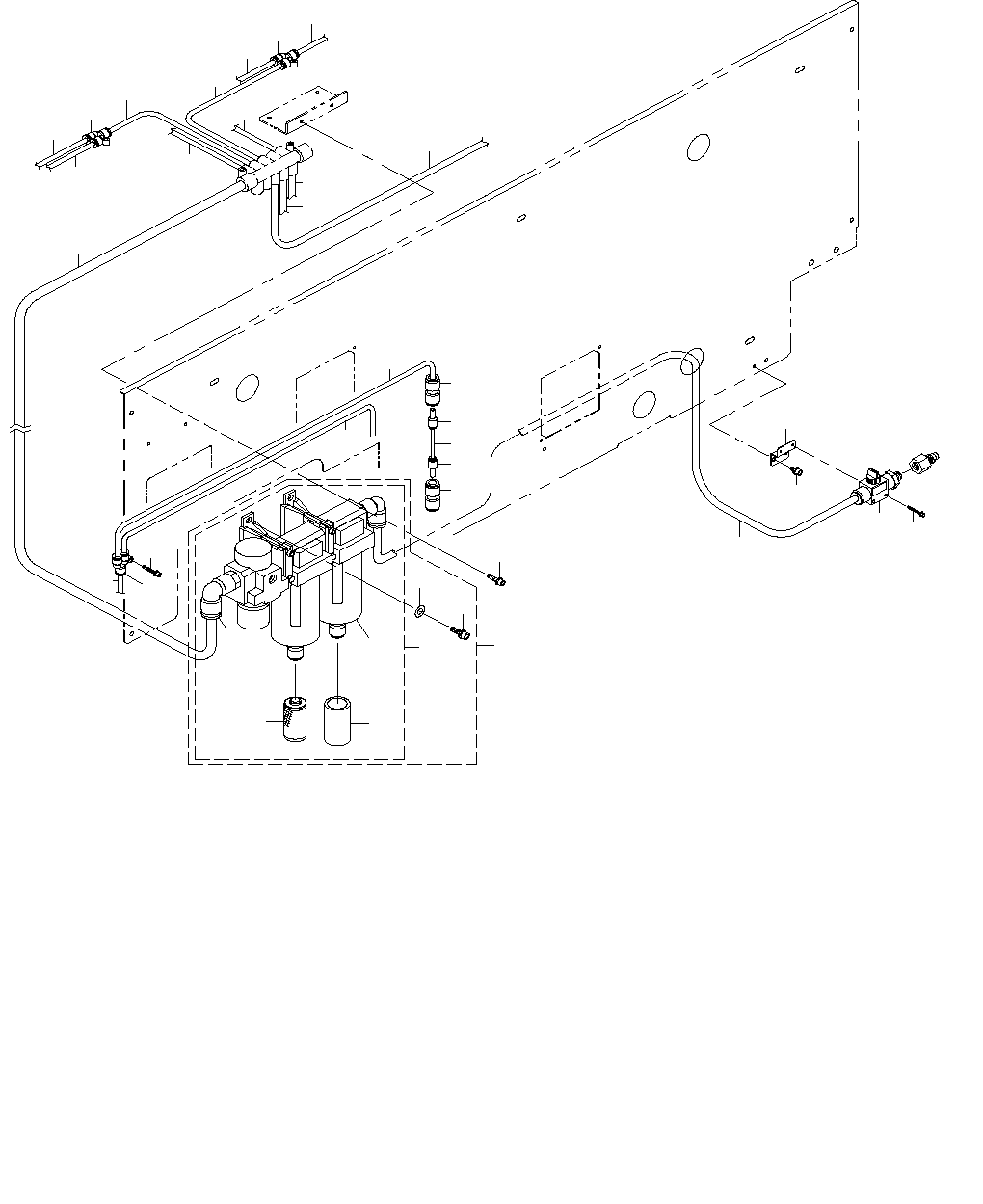
15. AIR COMPONENTS
エアー関係
19
20
23
10
13
31
16
22
15
18
11
24
17
17
9
9
14
12
27
21
2
3
6
7
1
5
4
8
26
25
35
36
34
30
29
28
15
32
33