SM471_TechnicalReference(Eng_Ver1.5) - 第111页
Page SAMSUNG TECHWIN 101 SM471 S M471 Harness Wiring Diagram FIDUCIAL 㦤⮹ #1 FIDUCIAL 㦤⮹ #2 SIDE OUT COAX Panasonic AC servo SET MODE

Page
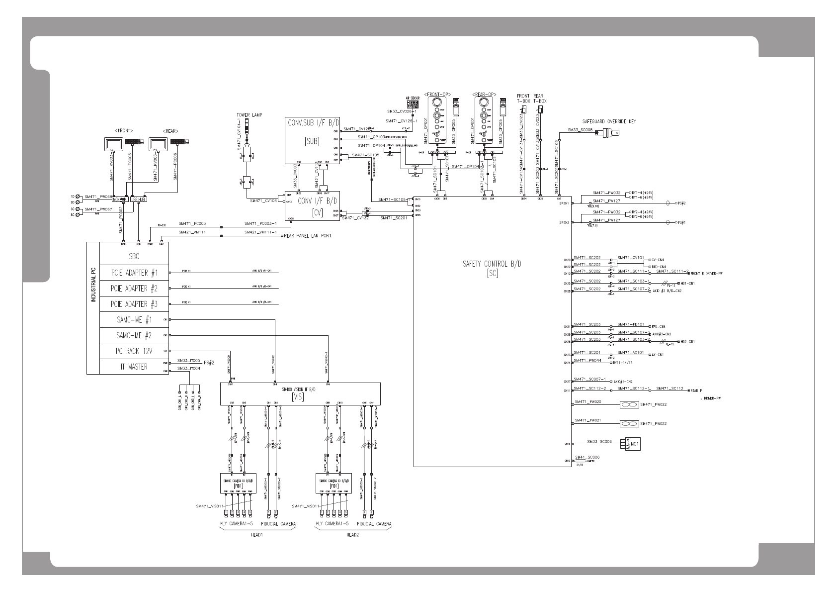
SAMSUNG TECHWIN
100
SM471
SM471 Harness Wiring Diagram
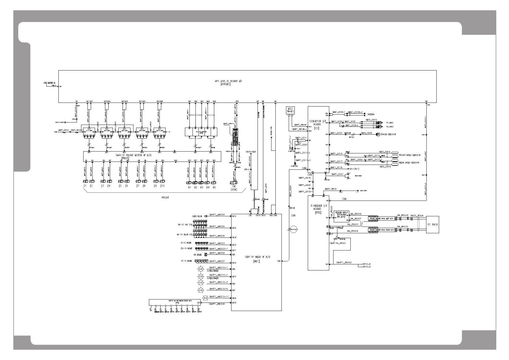
CN6
CN7

Page
SAMSUNG TECHWIN
101
SM471
SM471 Harness Wiring Diagram
FIDUCIAL㦤⮹ #1
FIDUCIAL㦤⮹ #2
SIDE
OUT
COAX
Panasonic AC servo
SET
MODE

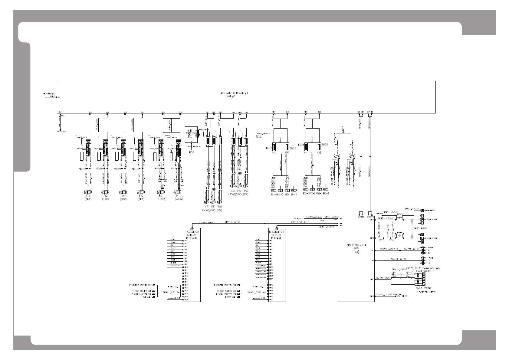
Page
SAMSUNG TECHWIN
102
SM471
SM471 Harness Wiring Diagram
Panasonic AC servo
SET
MODE
Panasonic AC servo
SET
MODE
Panasonic AC servo
SET
MODE
Panasonic AC servo
SET
MODE
Panasonic AC servo
SET
MODE
SET
MODE
Panasonic AC servo