SM471_TechnicalReference(Eng_Ver1.5) - 第149页
Page SAMSUNG TECHWIN 139 SM471 A xis IO Board (2/13) NO. Lev . P ART NO. P ART NAME Q'TY Old No. Supply Supply L T Reference 1 AM03-005557 A CABLE ASSY -FY1_FY2_DRV_COMMAND 1 SM471-VM003 2 AM03-0056 06A CABLE ASSY -…

Page
SAMSUNG TECHWIN
138
SM471
Axis IO Board (2/13)
[1 ]
[3 ][2 ]
[1 3 ]
[14]
[4 ]
[5 ]
[6 ]
[7 ]
[8 ] [9 ]
[1 0 ]
[1 2 ]
[1 5 ]
[1 7 ]
[1 6 ]
[18]
[1 9 ] [2 0 ]
[2 2 ]
[21]
[23]
[11]
AXIO BD #1
BOARD
01
03
07
09
27
17
19
21
23
22
24
29
02
04
08
10
14
16
06
CN11
01
03
07
09
27
17
19
21
23
22
24
29
02
04
08
10
14
16
06
03
04
05
06
07
29
30
27
31
37
39
41
21
22
48
49
23
24
25
13
36
38
09
08
03
04
05
06
07
29
30
27
31
37
39
41
21
22
48
49
23
24
25
13
36
38
09
08
FY1 SERVO
DRIVER
P. E
W
V
U
01
02
03
04
05
06
X6
T4L-10
T4L-09
T4L-08
T4L-07
T4L-06
T4L-05
T4L-04
T4L-03
T4L-02
T4L-01
10
09
08
07
06
05
04
03
02
01
T4L-04
T4L-03
T4L-02
T4L-01
FY1
D
C
B
A
W
V
U
1
2
3
4
5
01
02
03
04
05
06
SHIELD
1
2
3
4
5
H
G
K
L
J
H
G
K
L
J
MOTOR
IRN150S
RESISTER
FY1-RB1
FY1-RB2
RB1
RB2
* MOTOR CABLE REFERENCE
SM471_VM003
SM471_MD204
SM471_MD105
SM471_MD106-1
SM471_MD106
SM471_MD028
TB1-8A
TB1-3A
T4L-04
T4L-03
T4L-02
T4L-01
T4L
PE
06
05
04
03
02
01
RB1
RB3
RB2
U
V
W
A
B
C
D
D
C
B
A
MD105
MD106
05
04
03
02
01
L1
L2
L3
r
t
L1
L2
L3
r
t
TB1-17C
TB1-19C
TB1-21C
TB1-13C
TB1-15C
PE15
TERMINAL BLOCK
GND PLATE
01
03
07
09
27
17
19
21
23
22
24
29
02
04
08
10
14
16
06
CN12
01
03
07
09
27
17
19
21
23
22
24
29
02
04
08
10
14
16
06
03
04
05
06
07
29
30
27
31
37
39
41
21
22
48
49
23
24
25
13
36
38
09
08
03
04
05
06
07
29
30
27
31
37
39
41
21
22
48
49
23
24
25
13
36
38
09
08
FY2 SERVO
DRIVER
P. E
W
V
U
01
02
03
04
05
06
X6
T2R-10
T2R-09
T2R-08
T2R-07
T2R-06
T2R-05
T2R-04
T2R-03
T2R-02
T2R-01
10
09
08
07
06
05
04
03
02
01
T2R-04
T2R-03
T2R-02
T2R-01
FY2
D
C
B
A
W
V
U
7
8
9
10
11
01
02
03
04
05
06
SHIELD
H
G
K
L
J
H
G
K
L
J
MOTOR
IRN150S
RESISTER
FY2-RB1
FY2-RB2
RB1
RB2
* MOTOR CABLE REFERENCE
SM471_VM003
SM471_MD202
SM471_MD107
SM471_MD102
SM471_MD102-1
SM471_MD029
F-HD-FG
T2R-04
T2R-03
T2R-02
T2R-01
T2R
06
05
04
03
02
01
RB1
RB3
RB2
U
V
W
A
B
C
D
D
C
B
A
MD107
MD102-1
05
04
03
02
01
L1
L2
L3
r
t
L1
L2
L3
r
t
TB1-17C
TB1-19C
TB1-21C
TB1-13C
TB1-15C
PE16
SM471_PW018
TERMINAL BLOCK
GND PLATE
SM471_PW018
E
FX-S_Y2-ENC
7
8
9
10
11
AXIO BD #1
BOARD
01
03
07
09
27
17
19
21
23
22
24
29
02
04
08
10
14
16
06
CN13
01
03
07
09
27
17
19
21
23
22
24
29
02
04
08
10
14
16
06
03
04
05
06
07
29
30
27
31
37
39
41
21
22
48
49
23
24
25
13
36
38
09
08
03
04
05
06
07
29
30
27
31
37
39
41
21
22
48
49
23
24
25
13
36
38
09
08
RY1 SERVO
DRIVER
P. E
W
V
U
01
02
03
04
05
06
X6
RY1
D
C
B
A
W
V
U
1
2
3
4
5
01
02
03
04
05
06
SHIELD
1
2
3
4
5
H
G
K
L
J
H
G
K
L
J
MOTOR
IRN150S
RESISTER
RY1-RB1
RY1-RB2
RB1
RB2
* MOTOR CABLE REFERENCE
SM471_VM004
SM471_MD202
SM471_MD109
SM471_MD110-1
SM471_MD110
SM471_MD031
PE
06
05
04
03
02
01
RB1
RB3
RB2
U
V
W
A
B
C
D
D
C
B
A
MD105
MD106
05
04
03
02
01
L1
L2
L3
r
t
L1
L2
L3
r
t
TB1-18C
TB1-20C
TB1-22C
TB1-14C
TB1-16C
PE17
TERMINAL BLOCK
GND PLATE
SM471_PW019
F-HD-FG
T2R-10
T2R-09
T2R-08
T2R-07
T2R-06
T2R-05
10
09
08
07
06
05
T2R
T2R-04
T2R-03
T2R-02
T2R-01
04
03
02
01
T2R-08
T2R-07
T2R-06
T2R-05
RY1-EN-EXT
FY1-EN-EXT
T2R-08
T2R-07
T2R-06
T2R-05
01
03
07
09
27
17
19
21
23
22
24
29
02
04
08
10
14
16
06
CN14
01
03
07
09
27
17
19
21
23
22
24
29
02
04
08
10
14
16
06
03
04
05
06
07
29
30
27
31
37
39
41
21
22
48
49
23
24
25
13
36
38
09
08
03
04
05
06
07
29
30
27
31
37
39
41
21
22
48
49
23
24
25
13
36
38
09
08
RY2 SERVO
DRIVER
W
V
U
T4L-10
T4L-09
T4L-08
T4L-07
T4L-06
T4L-05
10
09
08
07
06
05
04
03
02
01
RY2
D
C
B
A
W
V
U
MOTOR
IRN150S
RESISTER
RY2-RB1
RY2-RB2
RB1
RB2
* MOTOR CABLE REFERENCE
SM471_VM004
SM471_MD204
SM471_MD111
SM471_MD104
SM471_MD104-1
SM471_MD032
TB1-8A
TB1-3A
T4L
PE
06
05
04
03
02
01
RB1
RB3
RB2
U
V
W
A
B
C
D
D
C
B
A
MD105
MD106
05
04
03
02
01
L1
L2
L3
r
t
TERMINAL BLOCK
P. E
L1
L2
L3
r
t
TB1-18C
TB1-20C
TB1-22C
TB1-14C
TB1-16C
PE18
GND PLATE
SM471_PW019
T4L-04
T4L-03
T4L-02
T4L-01
T4L-08
T4L-07
T4L-06
T4L-05
T4L-08
T4L-07
T4L-06
T4L-05
01
02
03
04
05
06
X6
01
02
03
04
05
06
SHIELD
H
G
K
L
J
H
G
K
L
J
RX-S_Y2-ENC
7
8
9
10
11
7
8
9
10
11

Page
SAMSUNG TECHWIN
139
SM471
Axis IO Board (2/13)
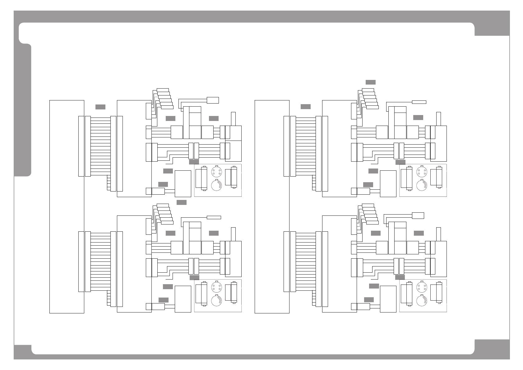
NO. Lev. PART NO. PART NAME Q'TY Old No. Supply Supply LT Reference
1 AM03-005557A CABLE ASSY-FY1_FY2_DRV_COMMAND 1 SM471-VM003
2 AM03-005606A CABLE ASSY-Z6_MOTOR 1 SM471_MD024
3 AM03-007476A FY1_MOTOR_PWR_80 1 AM03-005428A SM471_MD105
4 AM03-005763A CABLE ASSY-FY1_MOTOR_ENC_EXT 1 SM471_MD028
5 AM03-005763A CABLE ASSY-FY1_MOTOR_ENC_EXT 1 SM471_MD106-1
6 AM03-007473A FY1_MOTOR_ENC_80 1 AM03-005762A SM471_MD106
7 AM03-005493A CABLE ASSY-FY1_FY2_SERVO_POWER 1 SM471_PW018
8 AM03-005764A CABLE ASSY-FY2_RY1_HD1_FG_T2R 2 SM471_MD202
9 AM03-007474A FY2_MOTOR_PWR_T2R_80 1 AM03-004448B / AM03-004448C SM411_MD107
10 J90831185A FY2_REGEN_RESISTOR_CABLE_ASSY SM33_MD029
11 AM03-005421A CABLE ASSY-FX_S_Y2 MOT_ENC 1 SM471_MD102
12 AM03-007470A FX_S_Y2_MOT_ENC_EXT_80 1 AM03-005423A / AM03-005423B SM471_MD102-1
13 AM03-005558A CABLE ASSY-RY1_RY2_DRV_COMMAND 1 SM471-VM004
14 AM03-005494A CABLE ASSY-RY1_RY2_SERVO_POWER 1 SM471_PW019
15 AM03-007475A RY1_MOTOR_PWR_T2R_80 1 AM03-004450A SM411_MD109
16 AM03-005473A CABLE ASSY-RY1_MOTOR_ENC_EXT 1 SM471-MD031
17 AM03-005473A CABLE ASSY-RY1_MOTOR_ENC_EXT 1 SM471_MD110-1
18 AM03-007472A RY1_MOTOR_ENC_80 1 AM03-005457A SM471_MD110
19 AM03-005761A CABLE ASSY-FY1_RY2_R_MOT_PW_T4 1 SM471_MD204
20 AM03-007477A RY2_R_MOT_PW_T4L_80 1 AM03-005760A / AM03-005760B SM471_MD111
21 J90831188A RY2_REGEN_RESISTOR_CABLE_ASSY 1 SM33-MD032
22 AM03-005425A CABLE ASSY-RX_S_Y2 MOT_ENC 1 SM471_MD104
23 AM03-007471A RX_S_Y2_MOT_ENC_EXT_80 1 AM03-005426A / AM03-005426B SM471_MD104-1

Page
SAMSUNG TECHWIN
140
SM471
Axis IO Board (3/13)
[1 ]
[3 ]
[2 ]
[4 ]
[5 ]
[6 ]
[7 ]
[8 ]
[9 ] [1 0 ]
[11]
[13]
[12]
AXIO BD #1
BOARD
01
03
07
09
27
17
19
21
23
22
24
29
02
04
08
10
14
16
06
CN15
01
03
07
09
27
17
19
21
23
22
24
29
02
04
08
10
14
16
06
03
04
05
06
07
29
30
27
31
37
39
41
21
22
48
49
23
24
25
13
36
38
09
08
03
04
05
06
07
29
30
27
31
37
39
41
21
22
48
49
23
24
25
13
36
38
09
08
FX SERVO
DRIVER
P. E
W
V
U
01
02
03
04
05
06
X6
T1R-10
T1R-09
T1R-08
T1R-07
T1R-06
T1R-05
T1R-04
T1R-03
T1R-02
T1R-01
10
09
08
07
06
05
04
03
02
01
T1R-04
T1R-03
T1R-02
T1R-01
FX
W
V
U
1
2
3
4
5
01
02
03
04
05
06
SHIELD
H
G
K
L
J
1
2
3
4
5
MOTOR
IRN150S
RESISTER
FX-RB1
FX-RB2
RB1
RB2
* MOTOR CABLE REFERENCE
SM471_VM005
SM471_MD201
SM471_MD101
SM471_MD102
SM471_MD102-1
SM471_MD027
T1R-04
T1R-03
T1R-02
T1R-01
T1R
06
05
04
03
02
01
RB1
RB3
RB2
U
V
W
A
B
C
D
D
C
B
A
MD107
MD102-1
05
04
03
02
01
L1
L2
L3
r
t
L1
L2
L3
r
t
TB1-17B
TB1-19B
TB1-21B
TB1-13B
TB1-15B
PE11
SM471_PW016
GND PLATE
E
1
2
3
4
5
TB1-7A
TB1-2A
TERMINAL BLOCK
W
V
U
E
3
2
1
4
1
2
3
4
5
FX-PW
FX-EN
H
G
K
L
J
C
B
A
D
X-PWR
X-EN
FRONT_FLAT_CABLE
FL-1.2
FX-S_Y2-ENC
01
03
07
09
27
17
19
21
23
22
24
29
02
04
08
10
14
16
06
CN15
01
03
07
09
27
17
19
21
23
22
24
29
02
04
08
10
14
16
06
03
04
05
06
07
29
30
27
31
37
39
41
21
22
48
49
23
24
25
13
36
38
09
08
03
04
05
06
07
29
30
27
31
37
39
41
21
22
48
49
23
24
25
13
36
38
09
08
RX SERVO
DRIVER
P. E
W
V
U
01
02
03
04
05
06
X6
T3L-10
T3L-09
T3L-08
T3L-07
T3L-06
T3L-05
10
09
08
07
06
05
04
03
02
01
T3L-04
T3L-03
T3L-02
T3L-01
RX
W
V
U
1
2
3
4
5
01
02
03
04
05
06
SHIELD
H
G
K
L
J
1
2
3
4
5
MOTOR
IRN150S
RESISTER
RX-RB1
RX-RB2
RB1
RB2
* MOTOR CABLE REFERENCE
SM471_VM005
SM471_MD203
SM471_MD103
SM471_MD104
SM471_MD104-1
SM471_MD030
T3L
06
05
04
03
02
01
RB1
RB3
RB2
U
V
W
A
B
C
D
D
C
B
A
MD107
MD102-1
05
04
03
02
01
L1
L2
L3
r
t
L1
L2
L3
r
t
TB1-18B
TB1-20B
TB1-22B
TB1-14B
TB1-16B
PE13
SM471_PW017
GND PLATE
E
1
2
3
4
5
TERMINAL BLOCK
W
V
U
E
3
2
1
4
1
2
3
4
5
RX-PW
RX-EN
H
G
K
L
J
C
B
A
D
X-PWR
X-EN
REAR_FLAT_CABLE
FL-1.2
RX-S_Y2-ENC
T3L-04
T3L-03
T3L-02
T3L-01
T3L-04
T3L-03
T3L-02
T3L-01
R-HD-FG