SM471_TechnicalReference(Eng_Ver1.5) - 第63页
Page SAMSUNG TECHWIN 53 SM471 H ead Ass’y (5/5) NO. Lev . P ART NO. P ART NAME Q'TY Old No. Supply Supply L T Reference

Page
SAMSUNG TECHWIN
52
SM471
Head Ass’y (5/5)
NO. Lev. PART NO. PART NAME Q'TY Old No. Supply Supply LT Reference
28 FC18-000967 TRUSS_SCREW 1
29 MC19-000339A SPINDLE_PULLEY 1
30 J66021183A TIMING_BELT 1
31 J90551225A 431_NOZZLE_HOLDER_ASSY 1

Page
SAMSUNG TECHWIN
53
SM471
Head Ass’y (5/5)
NO. Lev. PART NO. PART NAME Q'TY Old No. Supply Supply LT Reference

Page
SAMSUNG TECHWIN
54
SM471
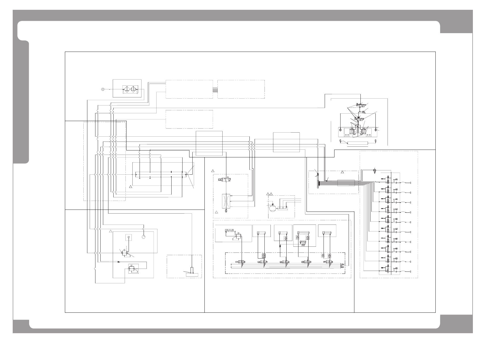
Air Ass’y (1/6)
Front HEAD Air ModuleFront
HEAD Air Module
REAR CONVEYOR ASSYREAR
CONVEYOR ASSY
Rear HEAD Air ModuleRear HEAD Air Module
Y CABLE DUCT ASSYY CABLE DUCT ASSY
1
2
3
3
4
4
4
HP
09
-0
00
00
7
KM11
-0
8-
12
-1
0
SM47
1 M
ANIF
OLD ASS
Y
(LE
FT CABL
E DU
CT
ASS
Y
하위에
포함
)
ST
ANDARD AIR
AS
SY
1
3
2
(A)
4
(B)
2
3
(R)
1
(P)
1
3
2
(A)
4
(B)
2
3
(R)
1
(P)
1
3
2
(A)
4
(B)
2
3
(R)
1
(P)
1
3
2
(A)
4
(B)
2
3
(R)
1
(P)
1
3
2
(A)
4
(B)
2
3
(R)
1
(P)
1
3
2
(A)
4
(B)
2
3
(R)
1
(P)
1
3
2
(A)
4
(B)
2
3
(R)
1
(P)
1
3
2
(A)
4
(B)
2
3
(R)
1
(P)
1
3
2
(A)
4
(B)
2
3
(R)
1
(P)
1
3
2
(A)
4
(B)
2
3
(R)
1
(P)
SUPPLY BLOW
∅4
(A)
4
(B)
2
3
(R)
1
(P)
BLOW
∅4
0.1MPa
OVER BLOW
∅4
0.5MPa
FILTER ASSY
ST
ANDARD AIR
ASSY
AIR
PANE
L AS
SY
AIR
INDICATOR
CABL
E ASS
Y
Feeder Bas
e (DC
)
2-
J670
30
33
A
AS
22
01
F-
01
-06
S
4-
J6
71
10
19
A
KQ2U
06
-00
FEE
DE
R
BAS
E ASS
Y (D
C)
FEE
DE
R
BAS
E ASS
Y(FRO
N
T-
DC)
FEE
DE
R
BAS
E ASS
Y(RE
AR-
DC)
J660
61
00
5A
AQ
2A
12
-
30
D
J6
70
10
18
B
WTS
10
*30-
RS2
J6
70
10
88
A
CM
2C
32
-50
J6
71
10
05
A
M-5HLH-
4
J67030
07
A
JN
C4
-M5
2-
J67110
28
A
KQ2L
04
-01
J6
71
11
56
A
M-
5H-
4
ST
AN
DAR
D
AIR
AS
SY
FEE
DE
R
BA
SE ASSY (ST)
FEE
DE
R
BA
SE ASSY(RE
AR-ST
)
FEE
DE
R
BA
SE ASSY(F
RO
NT-S
T)
Feed
er Base
VA
CU
UM P
UM
P
(O
PTI
O
N)
VA
CUUM PU
MP
(OP
TION)
HP
09
-00
0127
K
M11
-04
-
08
-10
Y CABLE D
UCT AS
SY
RIGH
T CAB
LE
DU
CT
ASS
Y
PC
RACK ASSY (P
VC
D
UCT)
LEFT CABL
E D
UCT AS
SY
2x
HP
13
-
00
00
37
A
UM
L-
41
2
BU
1-
YL1-
BK
10
3.7M
12
1
J6711183A
KQ2R06-08
J6711183A
KQ2R06-08
J6711183A
KQ2R06-08
2x
2-
J6
7111
035A
KQ2H04
-06
J6711183A
KQ2R06-08
J67121009A
PLUG KQ2P-08
HP06
-00
0226
FIT
TING KQ2
R10-12
(ST
OPTION
ˇ
¿
KQ2P-10
`ƒ ¯˙ˇ „Ł…–
˙ ˝)
HEAD 10 HEAD 1HEAD 2HEAD 3HEAD 4HEAD 5HEAD 6HEAD 7HEAD 8HEAD 9
J67081006B
MIST_SEPARATOR_ASSY
J67111032A
SQV12-04S
U2-4-12*8
J67111032A
SQV12-04S
HP11-000058
P6010-AK-01-L
A52SG
2-J6711
1203A
SQL1
0-03S
J67111205A
SQL1
0-02S
1P
3R
J67021025A
VP544-5DZ
-03A
J671
2014A
PLUG
3/8
2A
X
J6712014A
PLUG 1/8
U2-4-4*2.5
J1
30
11
87
KQ2L1
2-
04
J130
11
87
KQ2L1
2-
04
U2-4
-12
*8
J6
71
10
28
A
KQ2L0
4-
01
J6
71
01
00
2A
(
사급
)
PS3
0-
10
3R-N
J6
71
11
47
A
KQ2H04-M5
J6
70
90
12
A
TA
R40
00
-0
4
J611
91167A
FITTING
KQ2F04-01
J611911
72A
METER GZ4
6-K-01-C1
J671
11194A
SQU0
6-
00-W
J670
91014
A
AR08-T2-
DOMO-J346
A
U2-4-12*8
U2-4
-12
*8
U2-4
-12
*8
J67121009A
PLUG KQ2P-08
4-
J1
30
11
88
KQ2L04
-M5
U
2-4-4*2.5
J
9057168B
2-
J6
71
12
57
A
KS-
4-
M5-
SA
34
69
8K
R
J905
7180A
2-
J6
70
30
34
A
AS
P330
F-
01
-06
S
U
2-4-4*2.5
J905717
2B
U2-4-4*2
.5
5-
J1
30
02
76
KQ2L06
-01
U
2-4-4*2.5
2-
J6
71
12
56
A
KD-
M5-
SA
34
69
7K
R
2-
J130
11
88
K
Q2L04
-M
5
4-
J671
12
47
A
PT18
EF
2-
J671
10
09
A
KQ2L06
-M5
J670
20
21
A
K18
0-
4E1-
21
-DC24
V
J670
20
21
A
K18
0-
4E1-
21
-DC24
V
J6
70
30
37
A
AK
H06-
00
2-
J6
70
50
04
A
AN
10
1-
01
J130
02
84
KQ
2U
06
-00
J6
71
11
68
A
BU
YD06
-04
3-
J671
20
08
A
PT
1/
8
3-J
13
01
18
8
KQ2L0
4-M5
J6
70
90
04
A
AR10
00
-M5B
G
J6
70
11
00
7A
CQ2
B6
-2-C
JK2
34
1
J905
6100
1A(J67
01
02
9A
)
BDAS
6X
5-
1A
-ZC
15
3A2
2-
J130
00
67
AN
10
1-
01
J670
20
50
A SO
L VAL
VE
MODU
LE
(4
연)
J6
70
40
06A SY312
0-
20
-KRW
00
98
SY3120
-20-KRW
0
098
U2-4-4*2.5(BLUE)
U2-4-4*2.5(BLUE)
U2-4
-4*2.5
U2-4
-4*2.5
U2-4-4*2.5(BLUE)
U2-4-6*4(YELLOW)
U2-4
-6*4
U2-4-4*2.
5
AS12
11F-M5-04
J670
30
31
A
AS1211
F-M5-04
J6
70
30
31
A
J670
11
01
6A
TPC1
B1
6-
30
3-
J6
70
30
28
A
SS
4-
M5M
A
2-
J1
30
11
88
K
Q2L
04
-M
5
J6
71
11
57
A
KQ2L
08
-01
S
J6
71
10
01
A
KQ2L
04
-M5
6-J
13
00
27
9
KQ2S
04
-M5
5-
J6
70
21
00
5A
DV11
20
-00
-R364
2-
3
2-J
67
12
01
7A
KP
T1
8
J6711183A
KQ2R06-08
후면
U2-4
-6*4
U2-4
-8*5
U2-4-8*
5
U2-4
-6*4
U2-4
-6*4
U2-4
-4*2.5
J6
71
11
68
A
BUYD0
6-
04
U2-4
-4*2
.5
2-
J1
30
11
88
KQ2L0
4-
M5
FR
ONT
J6711183A
KQ2R06-08
HP1
1-000059
VACUUM
PUMP
KHA-400A-
301-G1
HP06-00
0250
KQ2VT12-03
S
HP06-0002
34 / KQ2R08-
12
J61191171A
/ KQ2R04-
08
J6712100
2A
P
LUG KQ2P
-10
'a'
'b'
'a'
U2-4-12
*8, BL
ACK
, 3200mm
U2-4
-6*4, BL
ACK
, 1900mm
U2-4-6
*4, YELLOW
, 1900mm
U2-4-8*
5, BL
ACK, 1
900mm
U2-4
-12
*10, BLACK, 1700
mm
U2-4
-4*2.5, BLACK, 1700mm
U2-4
-6*4, BLACK, 1400mm
U2-4
-6*4, YELLOW
, 1400
mm
U2-4
-8*5, B
LACK, 1400mm
U2-4
-10
*6.5, BLACK, 17
00m
m
U2-4-8*5, BLACK, 1700mm
U2-4-6*4, BLACK, 2100mm
U2-4-6*4, BLACK, 1000mm
U2-4-4*2.5, BLACK, 900mm
U2-4-12*8, BLACK, 900mm
U2-4-12*8, BLACK, 1800mm
U2-4-6*4, YELLOW, 900mm
U2-4-6*4, YELLOW, 2800mm
U2-4-6*4, YELLOW, 900mm
U2-4-6*4, BLACK, 1000mm
U2-4-12*8, BLACK, 2000mm
U2-4
-6*4
U2-4
-6*4
U2-4
-12
*8
U2-4
-4*2
.5
U2-4
-6*4
U2-4
-6*4
U2-4
-6*4
U2-4
-6*4
U2-4
-8*5
U2-4
-6*4
U2-4
-6*4
U2-4
-6*4
U2-4
-12
*8
U2-4
-8*5
U2-4-6*4
FC
28-000105
STRAIG
HT NIPPLE
M3
/8-ID9.5
J67191083
A
H
OSE BAND 1"
W8
H
P13-000042
N2-4
-12x9MW, 3
20mm
HP
06
-00
02
35
KQ2U
12
-00
2-
HP
06
-00
02
34
KQ2R08
-12
U2-4-8*5, BLACK
'b'
'c'
'c'
ADAPTER M3/4"-F1/2
"
ELBOW FITTING
12-04S
ADAPTER M3/4"-F1/2"
ELBOW FITTING
12-04S
EL
BOW FITTING
04-01S
U2-4
-12
*8
U2-4-6*
4
J9053
341A
EDGE FIXER ASSY
STOPPER A
SSY(W
ORK
)
S
TOPPER A
S
SY(IN or O
UT)
ANC A
S
SY
BU
T AS
SY
FRONT CONVEYOR ASSY
C
D
B
A
E