88192278-01-19 Installation Master - 第30页
SAFETY FEATURES HIGH VOLTAGE PROTECTION 1.18 Installation Manual Chapter Issue 15, Nov 19 Printer Protected Earth Stud and Earth Busbar Earth Point and Labels - RHS of Printer Chassis

SAFETY FEATURES
HIGH VOLTAGE PROTECTION
Chapter Issue 15, Nov 19 Installation Manual 1.17
HIGH VOLTAGE PROTECTION
Access Where incoming supply voltages are present, protection is afforded by con-
trolling access to the enclosures that house the supply. The printer is fitted with
a mains isolator switch that cuts power to all circuits located beyond the switch.
Hazard Warning
Labels
Hazard warning labels are placed on the outside of enclosures where danger-
ous voltage (115V-230V a.c 50-60Hz) terminations are present within.
Earth Bonding All external metal surfaces are mechanically and electrically bonded to the
printer’s protected earth point. The bonding wire used is identified by its green
and yellow insulation and is commonly used to earth bond throughout. Care
should be taken when removing these links that when they are replaced they
are secured tightly and cleanly.
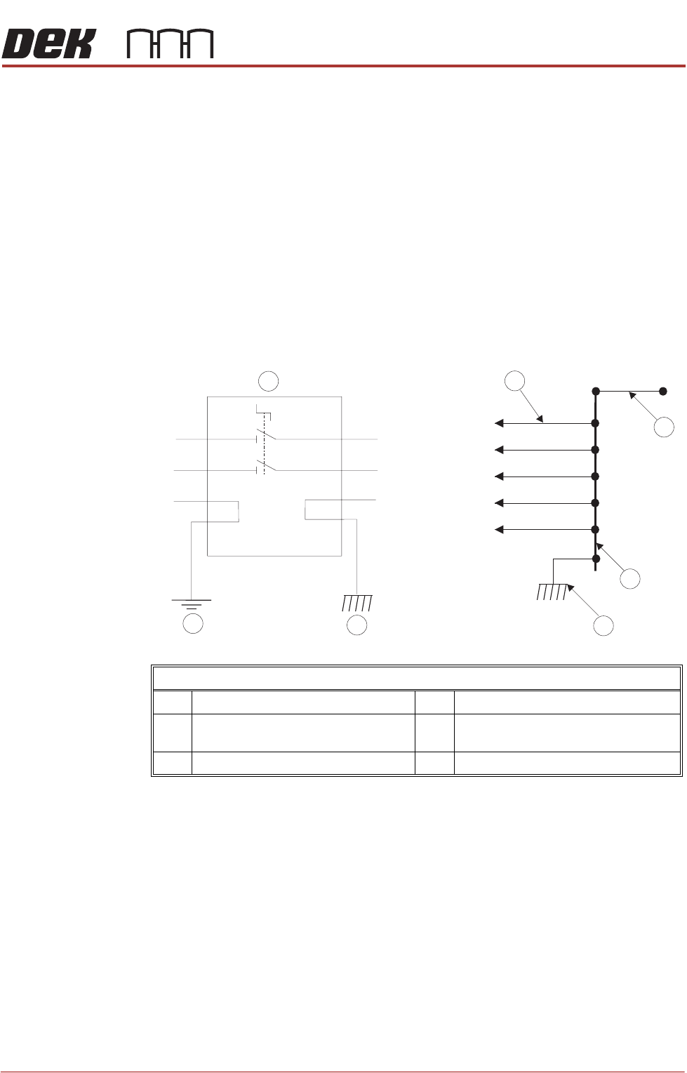
Printer Protected Earth Point
1 PSU M37 Module Earth Bond Stud 4 Printer Protective Earth Chassis Stud
2 Earth Busbar 5 Earth Busbar Connected to Printer
Frame
3 Printer Bonding Earth Chassis Stud 6 Printer Earth Connections

SAFETY FEATURES
HIGH VOLTAGE PROTECTION
1.18 Installation Manual Chapter Issue 15, Nov 19
Printer Protected Earth Stud and Earth Busbar
Earth Point and Labels - RHS of Printer Chassis

SAFETY FEATURES
HIGH VOLTAGE PROTECTION
Chapter Issue 15, Nov 19 Installation Manual 1.19
Mains Isolator (cover removed) Showing Earth Loom Arrangement
1 Earth Lead to Chassis M5 Stud and TB3
2 Earth Label
3 Earth Lead to Chassis M6 Stud (Protective Earth)