RX-6_RX-6B_RX-6R-Rev10 - 第146页
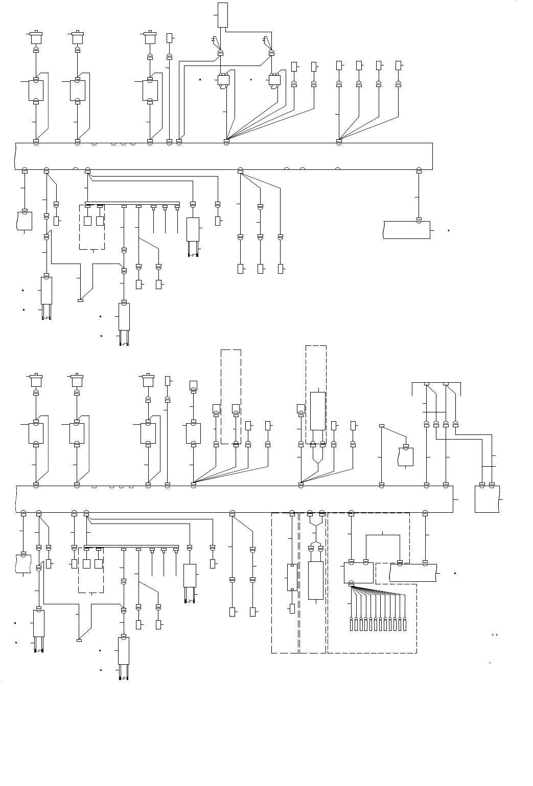
- 141 - 71. SYSTEM DIAGRAM(DUAL CONVEYOR) SYSTEM DIAGRA M(DUAL CONVEYOR) CN116 5S CN1172S 6-4A(CN1115) NOTE1 CN1172P CN1165P CN1065S NOTE1 THESE P/N CHANGES WITH MACHINE REVISION (DUAL LANE CONVEYOR ONLY). "[MREV.K]…

- 140 -
NOTE( 注記 ) #01....FOR EN EN 用
#02....UNTIL M/C REV.I マシン REV.I 以前
#03....AFTER M/C REV.J マシン REV.J 以降
REF.NO NOTE PART NO D E S C R I P T I O N
品 名
Qty
1 401-33294 IP-X11 SET GEN ASM
IP−X11汎用機セット組図
1
2 E9623-721-000 PORTRAIT MONITOR CABLE
画像モニタケーブル
1
3
#02
400-48030 UPS 232C CABLE ASM
UPS通信ケーブル組
1
4
#03
401-58157 ATX 232C CABLE ASM2
ATX 232C ケーブル組2
1
5
#02
401-29086 ATX-SPIMP PWR CABLE ASM
ATX−SPIMP パワーケーブル組
1
6
#03
401-58146 ATX-SPIMP PWR CABLE ASM2
ATX−SPIMP パワーケーブル組2
1
7 401-29881 ENVIRONMENT SYSTEM DISK ASM (RX6 SSD MES)
環境ディスク組(RX6 SSD MES)
1
8 401-29644 DVI CABLE 1M
DVIケーブル1M
1
9 HW-0022600-40 SHIELDED CABLE
シールドケーブル
1
10 HW-0018100-80 LAN CABLE
LANケーブル
1
11 401-97864 SUPER IMPOSE BOARD
スーパーインポーズボード
1
12 401-29642 DVI CABLE L2.5M
DVIケーブル2.5M
1
13 401-29084 SPIMP-F LCD SERIAL CABLE ASM
SPIMP−F LCDシリアルケーブル組
1
14 401-29085 SPIMP-F LCD PWR CABLE ASM
SPIMP−F LCDパワーケーブル組
1
15 401-29643 DVI CABLE L4.0M
DVIケーブル4.0M
1
16 401-29087 SPIMP-R LCD SERIAL CABLE ASM
SPIMP−R LCDシリアルケーブル組
1
17 401-29088 SPIMP-R LCD PWR CABLE ASM
SPIMP−R LCDパワーケーブル組
1
18
#02
401-22812 15INCH LCD MONITOR
15インチ LCDモニタ
1
19
#03
401-58158 15INCH LCD MONITOR
15インチ LCDモニタ
1
20 400-99903 PILOT LAMP
パイロットランプ
1
21 401-33049 FAN MOTOR RLY CABLE ASM
ファンモータ中継ケーブル組
1
22 401-33039 PILOT LAMP CABLE F ASM
パイロットランプケーブルF組
1
23 401-33040 PILOT LAMP CABLE R ASM
パイロットランプケーブルR組
1
24 400-97422 COPLANARITY SENSOR
コプラナリティセンサー
1
25 401-33037 OPTION PWR CABLE ASM
オプション電源ケーブル組
1
26 401-33065 COPLA INPUT RLY CABLE ASM
コプラインプット中継ケーブル組
1
27 HX-0070500-00 POWER SUPPLY
電源
1
28 401-60224 COPLA SSD ASM (WIN7)
コプラSSD組(Win7)
1
29 401-33066 COPLA CPU PWR CABLE ASM
コプラCPUパワーケーブル組
1
30 401-32990 COPLA CPU BACKBOARD PCB ASM
コプラCPUバックボード基板組
1
31 401-27537 PSU_UNIT_B(ST)
PSU_ユニット_B(ST)
1
32
#01
401-27563 PSU_UNIT_B(EN)
PSU_ユニット_B(EN)
1
33 401-29626 RS232C BOARD
RS232Cボード
1
34 401-23242 CPU BOARD
CPUボード
1
35 401-33047 MONITOR SW COM CABLE ASM
DVI切替器COMケーブル組
1
36 401-29644 DVI CABLE 1M
DVIケーブル1M
1
37 401-02830 LAN CABLE(CAT6)
LANケーブル(Cat6)
1
38 401-23242 CPU BOARD
CPUボード
1
39 401-02830 LAN CABLE(CAT6)
LANケーブル(Cat6)
1
40 401-33042 COPLA PWR CABLE ASM
コプラパワーケーブル組
1
41 401-33043 COPLA ENC CABLE ASM
コプラエンコーダケーブル組
1
42 401-29641 SUPER IMPOSE BOARD
スーパーインポーズボード
1
43
#02
400-48006 ATX PSU
ATX電源
1
44
#03
EZ-1468979-11 POWER (ENSP-300P-S20-11S)
電源(ENSP−300P−S20−11S)
1
45 400-97434 COPLA MONITOR SWITCH BOARD
コプラモニタ切替ボード
1
46
#02
401-33046 DVI CHANGER PWR CABLE ASM
DVI切替器電源ケーブル組
1
47
#03
401-58156 DVI CHANGER PWR CABLE ASM2
DVI 切替器パワーケーブル組2
1
48 HK-0651200-80 MODULAR KAPLA
モジュラーカプラ
1
49 401-29136 CPU-SP IMP SERIAL CABLE ASM
CPU−SP IMP シリアルケーブル組
1
50 401-23242 CPU BOARD
CPUボード
1
51 401-29282 RFID LAN CABLE (1.8M) ASM
RFID LANケーブル(1.8M)組
1
52 401-29125 EU TOP-HUB PWR WIRE ASM(IS)
EU トップ−HUB パワーワイヤー組(IS)
1
53 401-29626 RS232C BOARD
RS232Cボード
1
54 401-29129 BARCODE READER CABLE ASM
バーコードリーダーケーブル組
1
55
#02
400-48006 ATX PSU
ATX電源
1
56
#03
EZ-1468979-11 POWER (ENSP-300P-S20-11S)
電源(ENSP−300P−S20−11S)
1
57 400-73033 SWITCHING HUB
スイッチングハブ
1
58 400-72813 MPC RJ45 CABLE ASM
MPC用RJ45ケーブル組
1
59 400-73032 4 PORT MPC
4ポート MPC
1
60 401-29127 HUB-F RFID SERIAL WIRE ASM(IS)
HUB−F RFIDシリアルワイヤー組(IS)
1
61 401-29128 HUB-R RFID SERIAL WIRE ASM(IS)
HUB−R RFIDシリアルワイヤー組(IS)
1
62 401-29126 HUB-MTS SERIAL WIRE ASM(IS)
HUB−MTSシリアルワイヤー組(IS)
1
63 401-29283 MPC POWER CABLE ASM
MPC電源ケーブル組
1
64 HW-0018100-80 LAN CABLE
LANケーブル
1
65 HK-0651200-80 MODULAR KAPLA
モジュラーカプラ
1
66 401-27537 PSU_UNIT_B(ST)
PSU_ユニット_B(ST)
1
67
#01
401-27563 PSU_UNIT_B(EN)
PSU_ユニット_B(EN)
1
68 401-29089 EU TOP-F COVER FAN CABLE ASM
EU TOP−Fカバーファンケーブル組
1
69 401-29093 F COVER FAN CABLE ASM
Fカバーファンケーブル組
1
70
#01
401-29142 FRONT BOTTOM COVER FG WIRE ASM
フロントボトムカバーFGワイヤー組
1
71 401-29090 EU TOP-R COVER FAN CABLE ASM
EU TOP−Rカバーファンケーブル組
1
72 401-29154 R COVER FAN CABLE ASM
Rカバーファンケーブル組
1
73
#01
401-29143 REAR BOTTOM COVER FG WIRE ASM
リアボトムカバーFG ワイヤー組
1
74 401-29091 EU TOP-BASE L FAN CABLE ASM
EU TOP−BASE L ファンケーブル組
1
75 401-29094 BASE L FAN CABLE ASM
ベース L ファンケーブル組
1
76
#01
401-29144 L SIDE BOTTOM COVER FG WIRE ASM(EN)
LサイドボトムカバーFG ワイヤー組(EN)
1
77 401-29141 DC FAN ASM
DCファン組
1
78 401-29284 TOP COVER FAN RELAY CABLE ASM
トップカバーファン中継ケーブル組
1
79 401-29098 TOP COVER FAN CABLE ASM
トップカバーファンケーブル組
1
80
#01
401-29147 TOP COVER FG WIRE ASM (EN)
トップカバーFG ワイヤー組 (EN)
1
81 401-29092 EU TOP-BASE R FAN CABLE ASM
EU TOP−BASE R ファンケーブル組
1
82 401-29095 BASE R FAN CABLE ASM
ベース R ファンケーブル組
1
83
#01
401-29145 R SIDE BOTTOM COVER FG WIRE ASM(EN)
RサイドボトムカバーFG ワイヤー組 (EN)
1
84
#01
401-29146 CONTROL UNIT FG WIRE ASM (EN)
コントロールユニットFG ワイヤー組
1
85
#01
401-29300 FBR/RBR COVER E WIRE ASM(EN)
FBR/RBRカバーEワイヤー組(EN)
1
86
#01
401-29295 SHIELD TUBE FL WIRE ASM(EN)
シールドチューブFLワイヤー組(EN)
1
87
#01
401-29296 SHIELD TUBE FR WIRE ASM(EN)
シールドチューブFRワイヤー組(EN)
1
88
#01
401-29297 SHIELD TUBE RL WIRE ASM(EN)
シールドチューブRLワイヤー組(EN)
1
89
#01
401-29299 RBL COVER FG WIRE ASM(EN)
RBLカバーFGワイヤー組(EN)
1
90
#01
401-29298 SHIELD TUBE RR WIRE ASM(EN)
シールドチューブRRワイヤー組(EN)
1
91
#02
400-48006 ATX PSU
ATX電源
1
92
#03
EZ-1468979-11 POWER (ENSP-300P-S20-11S)
電源(ENSP−300P−S20−11S)
1
93 401-23242 CPU BOARD
CPUボード
1
94 401-33048 FAN MOTOR ASM
ファンモータ組
1
95 401-29642 DVI CABLE L2.5M
DVIケーブル2.5M
1
96 HX-0061000-00 BARCODE READER
バーコードリーダ
1
97 400-73033 SWITCHING HUB
スイッチングハブ
1

- 141 -
71.SYSTEM DIAGRAM(DUAL CONVEYOR)
SYSTEM DIAGRAM(DUAL CONVEYOR)
CN1165S
CN1172S
6-4A(CN1115)
NOTE1
CN1172P
CN1165P
CN1065S
NOTE1 THESE P/N CHANGES WITH MACHINE REVISION (DUAL LANE CONVEYOR ONLY).
"[MREV.K]"
MACHINE REVISION : BEFORE "K"
"[MREV.L]"
MACHINE REVISION : "L"
CN15
NOTE1
6-2A(CN1015)
NOTE1
CN1068
STOP SENSOR
AMP(C)
NOTE1
CN1015
CN15
LOAD CELL OPTION
4-2D
CN1121
CN21
CLUTCH BRAKE
CN1177
CN1176
BU PIN DETECT SENSOR
RAIL3(EMI)
BU PIN DETECT SENSOR
RAIL3(REC)
CN1180
CN1178
STOPPER SENSOR RR(RAIL4)
STOPPER SENSOR RL(RAIL3)
STOPPER SENSOR FR(RAIL2)
CN1097
STOP PER SE NSOR F L(RAIL 1)
CN1062
CN1186
CN1175
CN1174
CN1173
CN1086CN1074
CN1073
RAIL LOCK
DETECT SENSOR
6-2D
CN116 4
RAIL4 OT+ SENSOR
6-1D
6-1A
CN1178-2
CN1178-1
CN12
CN20
CN17
CONVEYOR PCB(R)
CN26
CN1126
RAIL3 OT+
SENSOR
BOARD CLAMP
SENSOR(R)
CN25
CN1125
CN1197
CN1162
CN24
CN1124
BU +OT R
BU OT+ SENSOR
CN1168
BU PIN DETECT SENSOR
RAIL4(EMI)
CN1199
BU PIN DETECT SENSOR
RAIL4(REC)
CN1198
STOPPER L/R
S.V.(R)
BOARD CLAMP
S.V.(R)
CN1178
CN14
CN30
CN1130
BU ORG R
CN1129
CN29
CN2
CN1102
CN4
CN1104 CN1157
CN1 CN 2
CN1158 CN1159
AWC MOTOR(R)
CN7
CN11
CN8
CN6
CN31
CN1106 CN1152
CN1 CN 2
CN1153 CN1161
BU MOTOR(R)
CN1131 CN1150
CN1 CN 2
CN1118
CN18
CN1128
CN28
CN1151
CN1160
CNV MOTOR(R)
CN030 7
CN0013
ELECTRICAL UNIT
<TOP UNIT>
CN13
CN7
IO CONTROL PCB
CN1064
RAIL2 OT- SENSOR
CN1116
CN1119
6-4A
CN16
CN19
CONVEYOR PCB(R)
CN1196
CN1195
SMEMA
SMEMA
4-2D
6-4D
5-3D
ATC SV
SOT SV
ATC SV
CAL VAC
CN1078-8 SMEMA
CN1078-7 DIR
CN1078-6 IDLE
CN1078-5
CN1078-4
CN1078-2
CN1078-1
CN1096
CN1095
OPTION (SLIDE FLUXER FOR FRONT BASE)
FLUXER 2P
FLUXER 4P
SLIDE FLUXER
UNIT ASM
CN1020
FLUXER 2P
CN1021
FLUXER 4P
CN1012
LC AMP
OPTION(SOT CHECK)
OPTION(SLIDE FLUXER FOR REAR BASE)
OPTION(COMPONENT VERIFICATION SYSTEM)
LOAD CELL
LOADCELL
AMP
CN12
CN21
CN20
SLIDE FLUXER
UNIT ASM
CN1017
CN17
CN2
CVS02
CONVEYOR PCB(F)
CN0003
CN3
CN16
CN1016
CN19
CN1019
SMEMA R SIDE
SMEMA L SIDE
1-1C (MTS IF )
COVER
MTS IF
CN23
CN102 3
CN1215
CN15
SAFETY PCB
CN26
CN102 6
RAIL3 OT-
SENSOR
BOARD CLAMP
SENSOR(F)
CN25
CN102 5
ATC1 CLOSE SENSOR
CN108 8
ATC1 OPEN SENSOR
CN108 7
CN108 9
ATC1 S.V.
CN24
CN102 4
CN108 8
ATC2 CLOSE SENSOR
CN108 7
ATC2 OPEN SENSOR
CN108 3
SOT CHECK S.V.
CAL VACUUM S.V.
CN1082
CN1 C N2
CN1095
CAL LED
PCB
CN1081
ATC2 S.V.
BU +OT F
BU OT+ SENSOR
BU PIN DETECT SENSOR
RAIL2(EMI)
CN1099
BU PIN DETECT SENSOR
RAIL2(REC)
CN1098
CN1072P
STOPPER L/R
S.V.(F)
BOARD CLAMP
S.V.(F)
CN107 8
CN14
CN1014
CN1079
CN30
CN1030
CAL VACUUM SENSOR
BU ORG F
BU ORG SENSOR
CN102 9
CN29
CN1065P
SIDE SENSOR(R)
PROBE1(+)
PROBE1(-)
PROBE2(+)
PROBE2(-)
PROBE3(+)
PROBE3(-)
PROBE4(+)
PROBE4(-)
PROBE5(+)
PROBE5(-)
PROBE6(+)
CVS03
C N3 CN1
CVS01
CVS PC B
CN2
CN1002
CN4
CN1004 CN105 7
CN1 C N2
CN1058
5PHASE AWC
DRIVER(F)
CN1059
AWC MOTOR(F)
CN7
CN11
CN8
CN6
CN31
CN1006 CN1052
CN1 C N2
CN1053
5PHASE BU
DRIVER(F)
CN1061
BU MOTOR(F)
CN1031 CN1050
CN1 C N2
PROBE6(-)
CN1018
CN18
CN28
CN1051
5PHASE CNV
DRIVER(F)
CN1060
CNV MOTOR(F)
CN0016
ELECTRICAL
UNIT
<TOP UNIT>
CN16
38
4 80
3
79
2
1
IO CONTROL PCB
CN3
CN0303 CN10284-1A
6-4A
5
81
6
82
7
8 9
SOLENOID VALVE ASSY 1/2
10
81
NOTE1
CN1072S
SIDE SENSO R(L)
4 80
3
79
13
14 15
16
171819
20
21
23
25
24
28
27
26
29
30
32
33
31
34
35 36
37
38
72
6361
73
62
62
59
60
55
55
56
53
29
50
52
51
53 54
55 55
48
46
23
47
42
44
41
4242
4543
3 79
4 80
SIDE SENSOR(R)
NOTE1
81
66
1
65
BU ORG SENSOR
6
CN1115
83
67
10
SOLENOID VALVE ASSY 2/2
13 16
CN1178-5
CN1178-4
81
3 79
4
80
SIDE SENSOR(R)
6968
22
CN1078-8 SMEMA
CN1078-7 DIR
171819
CN1078-6 IDLE
84
20
84
STOP SENSOR
AMP(C)
21
70
22 23 39
71
35 36
74
42
75
43
5PHASE CNV
DRIVER(R)
45
42
5PHASE CNV
DRIVER(R)
76
78
42
5PHASE CNV
DRIVER(R)
77
49
23
RELAY
11 12
64
11
12
RELAY
14 15
57
40
58585858
NOTE1
NOTE1
NOTE1
NOTE1

- 142 -
NOTE( 注記 ) #01....UNTIL M/C REV.K マシン REV.K 以前
#02....AFTER M/C REV.L マシン REV.L 以降
#03....FOR EN EN 用
REF.NO NOTE PART NO D E S C R I P T I O N
品 名
Qty
1 401-28871 IO CONTROL PCB ASM
IOコントロール基板組
1
2 401-29026 IO-F CNV SERIAL CABLE ASM
IO−F CNV シリアルケーブル組
1
3
#01
HD-0028500-50 SENSOR
センサ
1
4
#01
401-54795 OPTICAL FIBER SENSOR CABLE ASM
光ファイバセンサケーブル組
1
5 401-54805 SIDE(R) BU ORG RELAY(F) CABLE ASM
RサイドBU原点中継Fケーブル組
1
6 EZ-1492222-11 SENSOR ASSY
センサ組(バックアップ原点1)
1
7 401-29080 AIR(N) SENSOR CABLE ASM
AIR(N) センサケーブル組
1
8 401-29256 CONVEYOR(F)-CAL VAC(S/R) CABLE ASM
搬送(F)−CAL VAC(S/R)ケーブル組
1
9 401-54806 CNV-L RELAY(F) CABLE ASM
CNV−L中継Fケーブル組
1
10 401-64892 SOLENOID VALVE (4STATION) CABLE ASM
ソレノイドバルブ4連ケーブル組
1
11 HB-0012500-00 RELAY
リレー
1
12 HB-0012500-10 RELAY
リレーソケット
1
13 401-54771 SIDE SENSOR(L) RELAY CABLE ASM
サイドセンサL中継ケーブル組
1
14 401-54796 SEPARATE SENSOR RECEIVER ASM
分離センサ受光組
1
15 401-54797 SEPARATE SENSOR EMISSION ASM
分離センサ投光組
1
16 401-54772 BU PIN DETECT SENSOR RELAY(F)
BUピンセンサ中継Fケーブル組
1
17 401-29056 CNV AUTO SET1 WIRE ASM
CNV AUTO SET1 ワイヤー組
1
18 401-29059 CNV AUTO SET2 WIRE ASM
CNV AUTO SET2 ワイヤー組
1
19 401-29060 CNV AUTO SET3 WIRE ASM
CNV AUTO SET3 ワイヤー組
1
20 HD-0010700-30 SENSOR
センサ
1
21 EZ-1492223-11 SENSOR ASSY
センサ組(バックアップリミット1)
1
22 401-54792 CLAMP SENSOR CABLE ASM
クランプセンサケーブル組
1
23 401-54793 PROXIMITY SENSOR CABLE ASM
近接センサケーブル組
1
24 401-54773 RAIL SENSOR(F) RELAY CABLE ASM
レールセンサF中継ケーブル組
1
25 401-54801 CNV-RAIL3 RELAY(F) CABLE ASM
CNV−レール3中継Fケーブル組
1
26 401-33150 LOAD CELL
ロードセル
1
27 401-33151 LOAD CELL AMP
ロードセルアンプ
1
28 401-33019 LOAD CELL ANAROG CABLE ASM
ロードセルアナログケーブル組
1
29 400-42180 FLUXER CYLINDER UNIT ASM
フラクサシリンダユニット組
1
30 401-33028 FLUXER BASE RELAY CABLE R ASM
フラクサベース中継ケーブル組
1
31 401-01188 CVS PROBE CABLE ASM
CVSプローブケーブル組
1
32 400-95117 CVS PCB ASM
CVS基板組
1
33 401-29043 CNV-CVS SERIAL CABLE ASM
CNV−CVS シリアルケーブル組
1
34 401-29044 EU TOP-CVS PWR CABLE ASM
EU TOP−CVS パワーワイヤー組
1
35 401-27537 PSU_UNIT_B(ST)
PSU_ユニット_B(ST)
1
36
#03
401-27563 PSU_UNIT_B(EN)
PSU_ユニット_B(EN)
1
37 401-29027 EU TOP-F CNV PWR WIRE ASM
EU TOP−F CNV パワーケーブル組
1
38 401-28875 CONVEYOR PCB ASM
搬送基板組
1
39 401-54800 RAIL LOCK DETECT SENSOR CABLE ASM
レールロック検出センサケーブル組
1
40 401-64891 STOPPER SENSOR RELAY CABLE ASM
ストッパセンサ中継ケーブル組
1
41 401-54764 CNV MOTOR(F) CABLE ASM
搬送モータFケーブル組
1
42 HM-0013200-00 MOTOR DRIVER
モータドライバ
1
43 401-29033 L/R MOTOR ASM
L/Rモータ組
1
44 401-54765 BU MOTOR(F) CABLE ASM
バックアップモータFケーブル組
1
45 401-54790 BU MOTOR ASM
BUモータ組
1
46 401-54766 AWC MOTOR(F) CABLE ASM
AWCモータFケーブル組
1
47 401-29040 AWC MOTOR ASM
AWCモータ組
1
48 401-54767 RAIL2 OT- SENSOR RELAY CABLE ASM
レール2OT−センサ中継ケーブル組
1
49 401-54781 RAIL4 OT+ SENSOR RELAY CABLE ASM
レール4OT+センサ中継ケーブル組
1
50 401-29258 CNV(F)-ATC RELAY1(S/R)CABLE ASM
CNV(F)−ATC中継1(S/R)ケーブル組
1
51 400-07376 CALBLOCK PCB ASM
CALブロック基板組
1
52 401-29260 CAL-VACUUM SV CABLE ASM
CAL−VACUUM SV ケーブル組
1
53 401-29261 ATC SV CABLE ASM
ATC SV ケーブル組
1
54 401-29155 SOLENOID VALVE CABLE ASM
SOT SV ケーブル組
1
55 401-29062 PHOTOMICRO SENSOR ASM
PHOTOMICRO センサ組
1
56 401-33011 CNV-ATC RELAY2 CABLE ASM
CNV−ATC中継2ケーブル組
1
57 401-54785 CNV(R)-RELAY CABLE ASM
CNVR中継ケーブル組
1
58 401-64890 STOPPER BOARD DETECT SENSOR ASM
ストッパ基板検出センサ組
1
59 401-33009 MTC I/F CABLE ASM
MTC I/Fケーブル組
1
60 401-28872 SAFETY PCB ASM
セーフティー基板組
1
61 401-29028 CNV-SMEMA L RELAY (F) CABLE ASM
CNV−SMEMA L中継(F)ケーブル組
1
62 401-54789 DUAL SMEMA CABLE ASM
デュアルスメマケーブル組
1
63 401-29029 CNV-SMEMA R RELAY (F) CABLE ASM
CNV−SMEMA R中継(F)ケーブル組
1
64 401-54787 CLUTCH BRAKE ASM
クラッチブレーキ組
1
65 401-54774 IO-R CNV SERIAL CABLE ASM
IO−R CNVシリアルケーブル組
1
66 401-54807 SIDE(R) BU ORG RELAY(R) CABLE ASM
RサイドBU原点中継Rケーブル組
1
67 401-54808 CNV-L RELAY(R) CABLE ASM
CNV−L中継Rケーブル組
1
68 401-54803 RAIL4 PIN DETECT SENSOR RECEIVER ASM
レール4ピン検出センサ受光組
1
69 401-54804 RAIL4 PIN DETECT SENSOR EMISSION ASM
レール4ピン検出センサ投光組
1
70 401-54786 RAIL SENSOR RELAY(R) CABLE ASM
レールセンサ中継Rケーブル組
1
71 401-54802 CNV-RAIL3 RELAY(R) CABLE ASM
CNV−レール3中継Rケーブル組
1
72 401-54777 CNV-SMEMA R RELAY(R) CABLE ASM
CNV−SMEMA R中継ケーブル組
1
73 401-54776 CNV-SMEMA L RELAY(R) CABLE ASM
CNV−SMEMA L中継ケーブル組
1
74 401-54775 EU TOP-R CNV PWR CABLE ASM
EUTOP−RCNVパワーケーブル組
1
75 401-54778 CNV MOTOR(R) CABLE ASM
CNVモータRケーブル組
1
76 401-54779 BU MOTOR(R) CABLE ASM
BUモータRケーブル組
1
77 401-54780 AWC MOTOR(R) CABLE ASM
AWCモータRケーブル組
1
78 401-54794 AWC MOTOR(R) ASM
AWCモータR組
1
79
#02
EZ-1492207-11 SENSOR FIBER (FT-AL05)
ファイバセンサ(FT−AL05)
1
80
#02
EZ-1492213-11 AMPLIFIER SENSOR (FX-502)
センサアンプ(FX−502)
1
81
#02
401-81258 FIBER SENSOR RELAY1 CABLE ASM
ファイバセンサ中継1ケーブル組
1
82
#02
401-81493 FIBER SENSOR RELAY2 CABLE ASM
ファイバセンサ中継2ケーブル組
1
83
#02
401-81494 FIBER SENSOR RELAY3 CABLE ASM
ファイバセンサ中継3ケーブル組
1
84 401-81870 OPTICAL FIBER SENSOR CABLE ASM
光ファイバセンサケーブル組
1