RX-6_RX-6B_RX-6R-Rev10 - 第30页
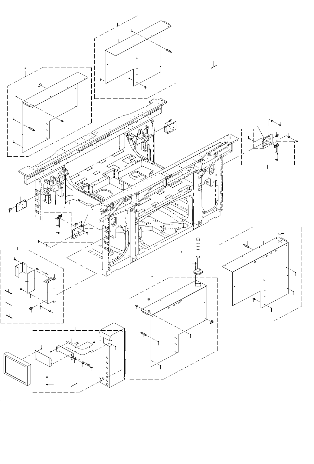
- 25 - 13. COVER COM PONENTS(6) カバー関係(6) 7 6 3 6 4 5 6 1 2 9 11 12 10 11 8 67 67 13 13 16 20 20 17 18 19 20 14 15 21 27 26 24 23 26 25 26 22 41 33 38 39 29 30 31 32 34 35 35 36 37 40 28 54 43 44 45 46 47 48 49 50 51 51 5…

- 24 -
NOTE( 注記 ) #01....FOR EN EN 用
REF.NO NOTE PART NO D E S C R I P T I O N
品 名
Qty
1 401-28348 COVER_SWITCH_ASM
カバースイッチ組
2
2 401-34198 SAFETY_COVER_SWITCH_BRACKET
セーフティカバースイッチブラケット
(1)
3 NM-3040520-SC FLANGE NUT M4
フランジ付き ナット M4
(2)
4 SL-6042042-TN SCREW M4 L=20
座金付き六角穴ボルト M4 L=20
(2)
5 EA-9500B02-00 CABLE BAND
束線バンド
(2)
6 400-02254 COVER OPEN SW CABLE ASM
カバーオープンスイッチケーブル組
(1)
7 SL-3061232-TN SCREW M6 L=12
座金付きボタンボルト M6 L=12
8
8 401-28352 SAFETY_COVER_STOPPER_ASM
安全カバーストッパ組
4
9 400-92371 STOPPER_SUPPORT_C
ストッパサポートC
(1)
10 SL-6040892-TN SCREW M4 L=8
座金付き六角穴ボルト M4 L=8
(2)
11 SM-4030601-SN SCREW M3 X 6
なべ小ねじ M3X0.5 L=6
(1)
12 400-49671 COVER CUSHION
カバークッション
(1)
13 SL-4030691-SC SCREW M3 L=6
座金付きなべ小ねじ M3 L=6
1
14 HX-0067100-0A GROMMET
グロメット
0.09
15 401-28272 STUD_BOLT_B
スタッドボルトB
4
16 401-28274 COVER_FRAME_INSIDE
カバーフレームインサイド
2
17 401-28275 COVER_FRAME_FRONT_L
カバーフレームフロントL
1
18 401-28276 COVER_FRAME_FRONT_R
カバーフレームフロントR
1
19 401-28277 COVER_FRAME_REAR_L
カバーフレームリアL
1
20 401-28278 COVER_FRAME_REAR_R
カバーフレームリアR
1
21 401-28279 COVER_FRAME_C
カバーフレームC
2
22 401-28280 COVER_FRAME_S
カバーフレームS
2
23 401-28281 COVER_FRAME_SUL
カバーフレームSUL
2
24 401-28375 COVER_FRAME_SUR
カバーフレームSUR
2
25 401-28283 COVER_FRAME_LF
カバーフレームLF
2
26 401-28284 COVER_FRAME_RF
カバーフレームRF
2
27 401-28301 FRAME_SUPPORT
フレームサポート
4
28 HX-0066900-0A GROMMET
グロメット
0.22
29 HX-0067100-0A GROMMET
グロメット
0.39
30 EA-9500B00-00 CABLE BAND
束線バンド
2
31 EA-9500B02-00 CABLE BAND
束線バンド
22
32 HX-0029400-00 FIXED BASE
固定ベース
21
33 NM-3040520-SC FLANGE NUT M4
フランジ付き ナット M4
24
34 SL-3061232-TN SCREW M6 L=12
座金付きボタンボルト M6 L=12
12
35 SL-4030691-SC SCREW M3 L=6
座金付きなべ小ねじ M3 L=6
21
36 SL-6040892-TN SCREW M4 L=8
座金付き六角穴ボルト M4 L=8
2
37 SL-6061292-TN SCREW M6 L=12
座金付き六角穴ボルト M6 L=12
24
38 SM-3040652-TN SCREW M4 L=6
丸ねじ M4 L=6
16
39
#01
HX-0005500-0E RUBBER BUSHING
ゴムブッシュ E
1
40 HX-0029400-00 FIXED BASE
固定ベース
1
41 401-28336 COVER_CUC_ASM
カバーCUC組
1
42 SM-4040601-SC SCREW M4X0.7 L=6
なべ小ねじ M4X0.7 L=6
(14)
43 NM-3040520-SC FLANGE NUT M4
フランジ付き ナット M4
(16)
44 401-28285 COVER_CUC
カバーCUC
(1)
45 HX-0029400-00 FIXED BASE
固定ベース
(14)
46 EA-9500B00-00 CABLE BAND
束線バンド
(28)
47 SL-6040892-TN SCREW M4 L=8
座金付き六角穴ボルト M4 L=8
(8)
48 401-29141 DC FAN ASM
DCファン組
(8)

- 25 -
13.COVER COMPONENTS(6)
カバー関係(6)
7
6
3
6
4
5
6
1 2
9
11
12
10
11
8
67
67
13
13
16
20
20
17
18
19
20
14 15
21
27
26
24
23
26
25
26
22
41
33
38
39
29
30
31
32
34
35
35
36
37
40
28
54
43
44
45
46
47
48
49
50
51
51
52
52
53
42
59
56
57
57
58
68
55
56
57
57
59
58
55
68
61
61
62
63
64
64
64
65
65
65
60
66 69
11

- 26 -
NOTE( 注記 ) #01....FOR EN EN 用
REF.NO NOTE PART NO D E S C R I P T I O N
品 名
Qty
1 401-28344 COVER_SU_ASM_LF
カバーSU組LF
1
2
#01
401-28368 COVER_SU_ASM_LF(EN)
カバーSU組LF(EN)
1
3 401-28273 STUD_BOLT_C
スタッドボルトC
(1)
4 401-28294 COVER_SU_LF
カバーSU_LF
(1)
5 CM-3009000-06 WATCH_YOUR_HANDS_LABEL(100)
可動部注意ラベル(100)
(1)
6 400-81751 B_COVER_SCREW
Bカバースクリュウ
(15)
7 401-28271 STUD_BOLT_A
スタッドボルトA
(4)
8 401-28345 COVER_SU_ASM_LR
カバーSU組LR
1
9 401-28273 STUD_BOLT_C
スタッドボルトC
(1)
10 401-28296 COVER_SU_LR
カバーSU_LR
(1)
11 400-81751 B_COVER_SCREW
Bカバースクリュウ
(15)
12 401-28271 STUD_BOLT_A
スタッドボルトA
(4)
13 SL-6061292-TN SCREW M6 L=12
座金付き六角穴ボルト M6 L=12
4
14 401-28346 COVER_SU_ASM_RF
カバーSU組RF
1
15
#01
401-28369 COVER_SU_ASM_RF(EN)
カバーSU組RF(EN)
1
16 401-28271 STUD_BOLT_A
スタッドボルトA
(4)
17 401-28273 STUD_BOLT_C
スタッドボルトC
(1)
18 401-28295 COVER_SU_RF
カバーSU_RF
(1)
19 CM-3009000-06 WATCH_YOUR_HANDS_LABEL(100)
可動部注意ラベル(100)
(1)
20 400-81751 B_COVER_SCREW
Bカバースクリュウ
(15)
21 400-93708 HOLE_PLUGS_HP11
ホールプラグ_HP11
(1)
22 401-28347 COVER_SU_ASM_RR
カバーSU組RR
1
23 401-28271 STUD_BOLT_A
スタッドボルトA
(4)
24 401-28273 STUD_BOLT_C
スタッドボルトC
(1)
25 401-28297 COVER_SU_RR
カバーSU_RR
(1)
26 400-81751 B_COVER_SCREW
Bカバースクリュウ
(15)
27 400-93708 HOLE_PLUGS_HP11
ホールプラグ_HP11
(1)
28 401-28350 MONITOR_ASM_F
モニタF組
1
29 401-28308 LCD_BRACKET_F
LCDブラケットF
(1)
30 401-28309 LCD_BRACKET_R
LCDブラケットR
(1)
31 401-28313 MONITOR_BRACKET_F
モニターブラケットF
(1)
32 HX-0029400-00 FIXED BASE
固定ベース
(2)
33 SD-0640246-SP SHOULDER SCREW D=6.35 H=2.4
段ねじ D=6.35 H=2.4
(2)
34 SL-4030691-SC SCREW M3 L=6
座金付きなべ小ねじ M3 L=6
(2)
35 SL-6041092-TN SCREW M4 L=10
座金付き六角穴ボルト M4 L=10
(10)
36 SL-6061692-TN SCREW M6 L=16
座金付き六角穴ボルト M6 L=16
(3)
37 400-81751 B_COVER_SCREW
Bカバースクリュウ
(2)
38 WP-0641601-SC WASHER M6
平座金みがき丸 M6
(1)
39 WS-0610002-KN SPRING WASHER M6
ばね座金 M6
(1)
40 EA-9500B02-00 CABLE BAND
束線バンド
(3)
41 161-87007 WING BOLT
蝶ボルト
(1)
42 401-28351 PWB_SAFETY_ASM
セーフティー基板組
1
43 400-46040 HEAD STUD 10
ヘッドスタッド10
(6)
44 401-28303 SAFETY_PWB_COVER_A
セーフティ基板カバーA
(1)
45 SL-4040881-SC SCREW M4 L=8
座金付きなべ小ねじ M4 L=8
(6)
46 SL-4040891-SC SCREW M4X8
座金付きなべ小ねじ M4 L=8
(2)
47 SL-6061292-TN SCREW M6 L=12
座金付き六角穴ボルト M6 L=12
(2)
48 HX-0067100-0A GROMMET
グロメット
(0.07)
49 HX-0066900-0A GROMMET
グロメット
(0.14)
50 EA-9500B02-00 CABLE BAND
束線バンド
(2)
51 HX-0029400-00 FIXED BASE
固定ベース
(2)
52 SM-4040601-SC SCREW M4X0.7 L=6
なべ小ねじ M4X0.7 L=6
(2)
53 401-28872 SAFETY PCB ASM
セーフティー基板組
(1)
54 401-28302 SAFETY_PWB_BRACKET
セーフティ基板ブラケット
(1)
55 401-28353 SOLENOID_ASM
電磁弁組
2
56 400-46535 CHECK VALVE
チェックバルブ
(1)
57 PX-0505010-00 SILENCER
消音器
(2)
58 SL-4030891-SC SCREW M3 L=8
座金付きなべ小ねじ M3 L=8
(2)
59 PV-1505380-00 5-PORT SOLENOID VALVE
5ポート電磁切替弁
(1)
60 SL-6041692-TN SCREW M4 L=16
座金付き六角穴ボルト M4 L=16
4
61 SL-6061292-TN SCREW M6 L=12
座金付き六角穴ボルト M6 L=12
4
62 EA-9500B02-00 CABLE BAND
束線バンド
4
63 401-58158 15INCH LCD MONITOR
15インチ LCDモニタ
1
64 HX-0029400-00 FIXED BASE
固定ベース
3
65 SM-4040601-SC SCREW M4X0.7 L=6
なべ小ねじ M4X0.7 L=6
3
66 401-29009 SIGNAL TOWER CABLE ASM
シグナルタワーケーブル組
1
67 401-28158 LIFTER_BRACKET
リフターブラケット
2
68 401-28158 LIFTER_BRACKET
リフターブラケット
2
69
#01
400-48037 SIGNAL TOWER
シグナルタワー
1