RX-6_RX-6B_RX-6R-Rev10 - 第43页
- 38 - NOTE( 注記 ) #01....OPTIONAL PARTS(FOR RX-6R/6B) オプション部品(RX −6 R /6 B 用) REF.NO NOTE PART NO D E S C R I P T I O N 品 名 Qty 1 401-32628 6NOZZLE_HEAD_ASS Y 6ノズルヘッド組 2 2 401-32636 HEAD_BRA CKET ヘッドブラケット (1) 3 PH-040012…

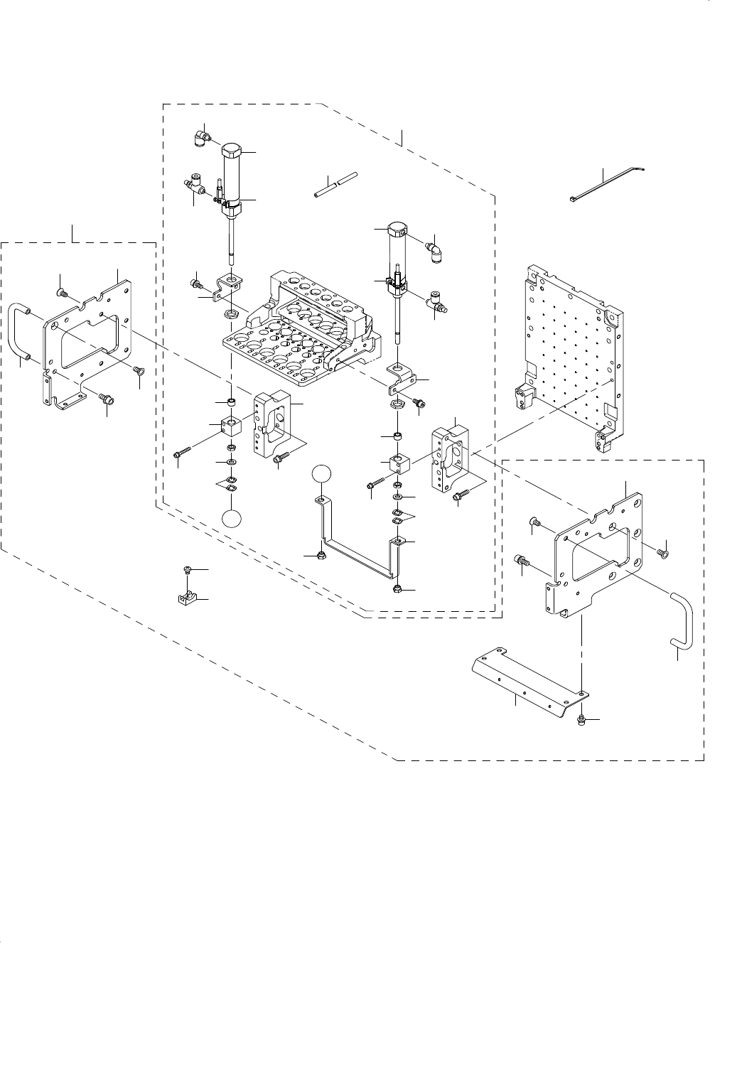
- 37 -
19.6 NOZZLE HEAD COMPONENTS
6ノズルヘッド関係
18
3
3
8
19
9
23
57
20
2
3
21
1
3
3
3
3
3
A
A
5
4
6 7
10
41
14
12
13
11
47
48
49
16
17
32
28 31
26
27
26
27
38
33
22
25
35
38
37
36
39
40
54
51
50
52
41
42
55
43
34
46
45
44
53
56
59
60
61
62
15
68
70
78
79
71
71
77
B
B
75
72
73
76
76
70
69
74
24
77
58
64
65
67
66
63

- 38 -
NOTE( 注記 ) #01....OPTIONAL PARTS(FOR RX-6R/6B) オプション部品(RX −6 R /6 B 用)
REF.NO NOTE PART NO D E S C R I P T I O N
品 名
Qty
1 401-32628 6NOZZLE_HEAD_ASSY
6ノズルヘッド組
2
2 401-32636 HEAD_BRACKET
ヘッドブラケット
(1)
3 PH-0400122-C0 PARALLEL PIN TYPE B 4X12
平行ピン B種 4X12
(8)
4 401-32643 LINEAR_GUIDE
リニアガイド
(6)
5 SM-6020802-TN SCREW M2 L=8
六角穴ボルト M2 L=8
(48)
6 E3028-729-000 GUIDE SHIM D
ガイドシム D
(3)
7 E3029-729-000 GUIDE SHIM E
ガイドシム E
(3)
8 401-32640 Z_SLIDE_BRACKET
Zスライドブラケット
(6)
9 SM-6020602-TN SCREW M2X6
六角穴ボルト M2X6
(48)
10 401-32660 Z_SLIDE_SHAFT_ASM
Zスライドシャフト組
(6)
11 SB-1060004-00 BEARING
ころがり軸受
(12)
12 400-46515 COUPRING
カップリング
(6)
13 SM-8030312-TP SCREW M3 L=3
止めねじ M3 L=3
(24)
14 400-46060 O RING H
OリングH
(6)
15 400-44584 BALL SPLINE
ボールスプライン
(6)
16 400-78038 IC BALL SCREW
IC ボールねじ
(6)
17 SM-6031602-TN SCREW M3 L=16
六角穴ボルト M3 L=16
(24)
18 PJ-2105041-00 HALF UNION
ハーフ ユニオン
(6)
19 400-46525 ROTARY JOINT
ロータリージョイント
(6)
20 SM-8030312-TP SCREW M3 L=3
止めねじ M3 L=3
(12)
21 400-46058 O RING F1
OリングF1
(6)
22 401-32638 SPLINE_BRACKET
スプラインブラケット
(1)
23 SM-6051402-TN SCREW M5 L=14
六角穴ボルト M5 L=14
(7)
24 401-32642 T_MOTOR_BR
Tモータブラケット
(1)
25 SM-3040652-TN SCREW M4 L=6
丸ねじ M4 L=6
(4)
26 400-46056 BEARING PLATE
ベアリングプレート
(12)
27 SM-1030552-TN PLATE SCREW M3 L=5
皿ねじ M3 L=5
(48)
28 E3071-729-000 BEARING SHIM A
ベアリングシム A
(6)
29 E3072-729-000 BEARING SHIM B
ベアリングシム B
(6)
30 E3073-729-000 BEARING SHIM C
ベアリングシム C
(6)
31 E3074-729-000 BEARING SHIM D
ベアリングシム D
(6)
32 SB-1060020-00 BEARING
ころがり軸受
(6)
33 400-01123 Z PULLEY
Zプーリ
(6)
34 401-33141 Z AXIS MOTOR
Z軸モータ
(6)
35 SL-6031692-TN SCREW M3 L=16
座金付き六角穴ボルト M3 L=16
(18)
36 400-01124 Z MOTOR PULLEY
Zモータプーリ
(6)
37 SM-8030312-TP SCREW M3 L=3
止めねじ M3 L=3
(12)
38 401-34136 TIMING_BELT_Z(AFTER_AGING)
タイミングベルトZ(エージング後)
(6)
39 400-46516 T PULLEY
Tプーリ
(6)
40 SM-8030312-TP SCREW M3 L=3
止めねじ M3 L=3
(6)
41 SB-1080016-00 BEARING
ころがり軸受
(12)
42 400-46048 BEARING BASE U
ベアリングベースU
(6)
43 SL-6031292-TN SCREW M3 L=12
座金付き六角穴ボルト M3 L=12
(11)
44 SM-3031052-TN SCREW M3 L=10
丸ねじ M3 L=10
(1)
45 WS-0310002-KN SPRING WASHER M3
ばね座金 M3
(1)
46 WP-0320501-SC WASHER M3
平座金 M3
(1)
47 400-46049 BEARING BASE LL
ベアリングベースLL
(3)
48 400-46050 BEARING BASE LR
ベアリングベースLR
(3)
49 SM-6030802-TN SCREW
六角穴ボルト
(12)
50 400-71805 TM FRANGE
TMフランジ
(6)
51 401-33142 T AXIS MOTOR BP
T軸モータBP
(6)
52 SM-1020501-SC SCREW M2 L=5
皿ねじ M2 L=5
(12)
53 400-72868 TM NUT PLATE 4
TMナットプレート4
(6)
54 SL-6030842-TN SCREW M3 L=8
座金付き六角穴ボルト M3 L=8
(24)
55 400-46521 TIMING BELT T
タイミングベルトT
(6)
56 401-32649 CABLE_STAY
ケーブルステイ
(1)
57 SL-6030842-TN SCREW M3 L=8
座金付き六角穴ボルト M3 L=8
(2)
58 401-32662 LIMIT_DAMPER_L
リミットダンパーL
(2)
59 PJ-3080400-02 QUICK JOINT
ワンタッチ継手
(2)
60 SL-4032591-SC SCREW M3 L=25
座金付きなべ小ねじ M3 L=25
(1)
61 401-32656 ZD_LIMIT_STOPPER
ZDリミットストッパ
(1)
62 SM-3040552-TN SCREW M4 L=5
丸ねじ M4 L=5
(2)
63 401-32633 ZM_STOPPER_ASSY_S
6ノズルヘッドZ軸ストッパ組
2
64 401-34159 ZM_STOPPER_6
ZMストッパ6
(1)
65 SL-6041092-TN SCREW M4 L=10
座金付き六角穴ボルト M4 L=10
(2)
66 400-69671 TC_COVER_B
TCカバーB
(6)
67 SM-4030601-SC SCREW M3X0.5 L=6
なべ小ねじ M3X0.5 L=6
(6)
68 SL-6052592-TN SCREW M5 L=25
座金付き六角穴ボルト M5 L=25
6
69 401-32629 6NOZZLE_HEAD_LNC120_ASM
6ノズルヘッドLNC120組
2
70 SM-6042502-TN SCREW M4X0.7 L=25
六角穴ボルト M4X0.7 L=25
(4)
71 PH-0400122-C0 PARALLEL PIN TYPE B 4X12
平行ピン B種 4X12
(4)
72 SM-6041202-TN SCREW M4X0.7 L=12
六角穴ボルト M4X0.7 L=12
(4)
73 SM-6031602-TN SCREW M3 L=16
六角穴ボルト M3 L=16
(2)
74
#01
401-29657 EPV120
EPV120
(1)
75
#01
SM-6043002-TN SCREW
六角穴ボルト
(3)
76 WP-0430800-SC WASHER M4
平座金小形丸 M4
(4)
77 401-29658 LNC120
LNC120
(1)
78 401-32644 LNC_BRACKET_R_6
LNCブラケットR6
(1)
79 401-32645 LNC_BRACKET_L_6
LNCブラケットL6
(1)

- 39 -
20.6 NOZZLE LNC HEAD COMPONENTS
6ノズル LNC ヘッド関係
3
3
2
2
4
4
5
5
6
7
7
8
9
9
10
12
11
12
13
13
15
14
15
14
16
16
17
1
6
20
21
22
22
23
23
24
24
25
26
27
28
23
23
19
A
A
8
11
18