YSM20R_KMK-100_cwd - 第20页
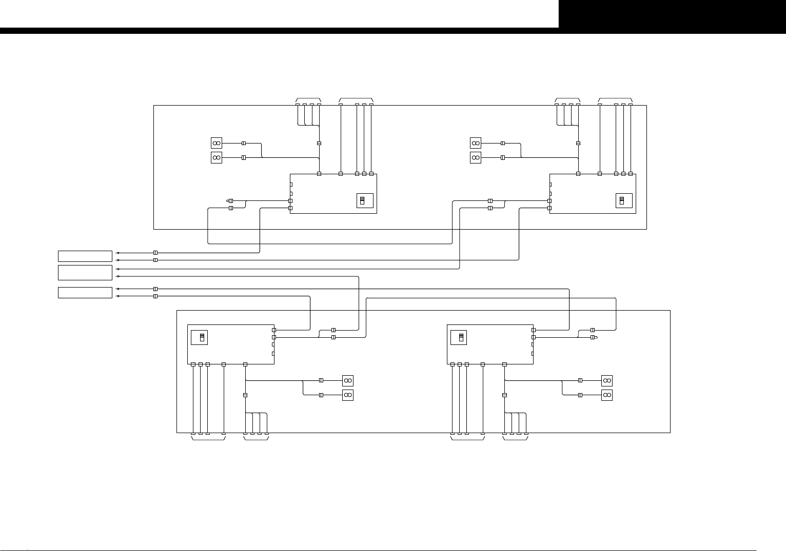
Confidential & P roprietary P A G E J0045 J0044 J0043 J0042 QF42,X T41 See Page 2 POWER CIRCUIT R2 FDR PWR J1078 F1 FDR PWR J1072 QF41,X T41 See Page 2 POWER CIRCUIT R1 FDR PWR J0107 J1076 F2 FDR PWR J0105 CONTROL BO…

Confidential & Proprietary
PAGE
FIDUCIAL CAMERA2
FIDUCIAL CAMERA1
LIGHT
TEMP
LIGHT
TEMP
FID.LIGHT BRD.ASSY
FID.LIGHT BRD.ASSY
CN2
CN1
P082
P081
D.CAM6
D.CAM7
EL07
EL06
FID.CAM2
FIDUCIAL CAMERA
HEAD RIGHT
FIDUCIAL LIGHT
FID.CAM1
HEAD LEFT
FIDUCIAL LIGHT
CN2
CN1
FIDUCIAL CAMERA
P084
VAC SENSOR BRD ASSYCN1 VAC
VAC
HS CN5
CN5DI2
LASER DI
LASER DO
LASER SENSOR
SQ206
J0553HS1 CN5
J0555HI CN8
J0562
J0563
J0747LIGHT2
LIGHT2 CN9
YV241
YV240
YV232
YV234
YV236
YV238
YV231
YV233
YV235
YV237
YV239
M60
M59
M58
M57
M56
M55
M54
M53
M52
M51
HD2 CN4
HE1 CN2
HE1 CN1
J0746
J0742
J0741
J0564
J0561
J0554
J0552
J0551
HS CN5
DC24VCN11
HS1 CN2
HE2 CN3
R5R5
R4R4
R3R3
R2R2
R1R1
HEAD R PANEL
HEAD Z PANEL
Z5Z5
Z4Z4
Z3Z3
Z2Z2
Z1Z1
HE2 CN4
CAM2
CAM2 CN6
HD2 CN1
ENC BOARD ASSY
DRV BOARD ASSY
SRV BOARD ASSY
HEAD SERVO UNIT ASSY-2
CN1
CN2
CN5
CN3
CN1
CN1
CN2
CN3
CN4
CN4
FANCN5
SER ENC2
SER ENC1
CN5
CN8 BATTERY INC ENC 2
INC ENC 1
MOTOR 2
MOTOR POW MOTOR 1
DI1
DI2
VAC
CN8B ETHER OUT
CN8A ETHER IN
OPTION IF
S-POWERCN6
DOCN7
HD1 CN4
HD1 CN1
DI1 CN3
VAC CN2
OPTION IF CN1
ENC BOARD ASSY
DRV BOARD ASSY
SRV BOARD ASSY
HEAD SERVO UNIT ASSY-1
CN1
CN1
CN2
CN3
CN4
CN4
FANCN5
SER ENC2
SER ENC1
CN5
CN8 BATTERY INC ENC 2
INC ENC 1
MOTOR 2
MOTOR POW MOTOR 1
CN8B ETHER OUT
CN8A ETHER IN
S-POWERCN6
DOCN7
SH BLOW SHAFT BLOW
H5 BLOW
H4 BLOW
H3 BLOW
H2 BLOW
H1 BLOW
HEAD5 BLOW
HEAD4 BLOW
HEAD3 BLOW
HEAD2 BLOW
HEAD1 BLOW
H5 VAC
H4 VAC
H3 VAC
H2 VAC
H1 VAC
HEAD5 VACUUM
HEAD4 VACUUM
HEAD3 VACUUM
HEAD2 VACUUM
HEAD1 VACUUMHI CN7
DO0 CN7
I/O BOARD ASSY
POW BOARD ASSY
HEAD I/O UNIT ASSY
DO1 CN8
DO INCN6
CN3
CN1
IC POW
48V POW
CAMERA SEL POWCN4
48V/24V/EMGCN2
LIGHT1
CAM1
LIGHT1 CN7
CAM1 CN4
CAMOUTCN5
CN10
CN8
LIGHT3
CAM3
HEAD CAMERA SELECTOR
SCP
SC+24V
H PANEL
SCM
HEAD
T0104701
T0104703
T0104705
T0105701
T0105703
T0105702
T0105700
T0104704
T0104702
T0104700
T0105704
DI:N1305002
DO:T1307704
J0743CAM3
J0748LIGHT3
SIDE VIEW CAMERA
HEAD
SIDE VIEW LIGHT
SV LIGHT
CN1
SV CAM
EL08
D.CAM8
P083
S.V.LIGHT BRD ASSY
SIDE VIEW UNIT
PIN SCAN LASER(Option)
J0553(Standard)
□20 20W
□20 20W
□20 20W
□20 20W
□20 20W
□23 25W
□23 25W
□23 25W
□23 25W
□23 25W
R5-AXIS
R4-AXIS
R3-AXIS
R2-AXIS
R1-AXIS
Z5-AXIS
Z4-AXIS
Z3-AXIS
Z2-AXIS
Z1-AXIS
See Page 14
CC.V0
16
FM HEAD
YSM20R-1

Confidential & Proprietary
PAGE
J0045
J0044
J0043
J0042
QF42,XT41
See Page 2
POWER CIRCUIT
R2 FDR PWR
J1078
F1 FDR PWR
J1072
QF41,XT41
See Page 2
POWER CIRCUIT
R1 FDR PWR
J0107
J1076
F2 FDR PWR
J0105
CONTROL BOX -3-
J0103
I/O B
J1074
J0104
I/O C
CN38R
CN37R
CN38L
CN37L
CN37R
CN38R
CN37L
CN38L
N0109104
N0109105
N0108B04
N0108B05
N0110B05
N0110B04
N0111105
N0111104
FAN57
FAN56
FDR FAN R1-1
FDR FAN R1-2
FAN2
FAN1FDR FAN
FDR FAN
FAN52
FAN51
FDR FAN F1-1
FDR FAN F1-2
FDR FAN
FDR FAN
FAN2
FAN1
FAN59
FAN58
FDR FAN R2-1
FDR FAN R2-2
FAN54
FAN53
FDR FAN F2-2
FDR FAN F2-1
I/O
I/O C
J0108
I/O C
J1077
I/O C
I/O C
J1075
I/O B
I/O
J0106
I/O B
J1073
I/O B
I/O B
J1071
J1402
J1302
J1202
J1102
FIX70 REAR FEEDER
FDR CTRL BOARD ASSY P133
J1301
J1385
J1353
J1352
J1351
CN39
CN35
DI/DO L
CN43L
・
・
・
CN43
CN3
CN2
CN1
ON
OFF
DIP SW(S1)
CN37
CN38
CN42
・
・
・
FDR DI0
FDR DO2
FDR DO1
FDR DO0
FDR CTRL BOARD ASSY P134
FAN1
FAN2
FDR FAN
FDR FAN
J1401
J1485
J1453
J1452
J1451
CN39
CN35
DI/DO R
CN43R
FDR DI0
FDR DO2
FDR DO1
FDR DO0
・
・
・
CN43
CN3
CN2
CN1
ON
OFF
DIP SW(S1)
CN37
CN38
CN42
・
・
・
CN39
FDR CTRL BOARD ASSY P132
ON
OFF
DIP SW(S1)
CN42
CN38
CN37
CN39
FDR CTRL BOARD ASSY P131
ON
OFF
DIP SW(S1)
CN42
CN38
CN37
FIX70 FRONT FEEDER
FAN2
FAN1
FDR FAN
FDR FAN
J1201
J1285
J1253
J1252
J1251
CN35
DI/DO R
FDR DO2
FDR DI0
FDR DO1
FDR DO0
・
・
・
CN43R
CN43
・
・
CN3
CN2
CN1
・
J1101
J1185
J1153
J1152
J1151
CN35
DI/DO L
CN43L
FDR DO2
FDR DI0
FDR DO1
FDR DO0
・
・
・
CN43
・
・
CN3
CN2
CN1
・
・Multi-stick feeders
・QFP recovery conveyor・ZS feeders
・SS feeders・Multi-stick feeders
・QFP recovery conveyor・ZS feeders
・SS feeders
・QFP recovery conveyor
・Multi-stick feeders
・ZS feeders
・SS feeders
・QFP recovery conveyor
・Multi-stick feeders
・ZS feeders
・SS feeders
See Page 6
CC.V0
17
FIX70 FEEDER STRUCTURE(SSF)
YSM20R-1

Confidential & Proprietary
PAGE
J0091
F ATS LAN J1705
F ATS PWR DC24V
F ATS PWR DC48V
CV C/R2 DRV
CV C/R2 ENC
CONVEYOR C/R
J0805
J0809ATHAM
ATHAP
QF51,XT31
QF43,XT42
CONTROL BOX -1-
SRV4 BRAKE
SRV4 M2
SRV4 ENC2
SRV4 LAN
J0812
J0807
J0802
AZABK
AZAM
AZAP
POWER CIRCUIT
See Page 2
J0302
J0254
J0103
F1 FES DI
F1 FES DO
F1 FDR EMG
I/O B
CN3
I/O CONVEYOR -1-
I/O CONVEYOR -4-
FDR EMG
CONTROL BOX -3-
I/O B
ATS LAN
AZP
AZM
AZBK
ATHP
ATHM
INTERCONNECTION DIAGRAM
ATS POWER
FDR PWR
EMG
I/O
I/O
See sATS30(KMA)
INTERCONNECTION DIAGRAM
FRONT-1 sATS30
ATHM
ATHP
AZBK
AZM
AZP
FDR PWR
EMG
I/O
I/O
See cATS10(KLX)
INTERCONNECTION DIAGRAM
FRONT-1 cATS10
ATHM
ATHP
AZBK
AZM
ATS I/FATS I/F AZP
FDR PWR
FES DO
PWR F1PWR FES DIJ1052
EMG
I/O
CUNET F1CUNET I/OJ1051
J0043
J0043
J0302
J0302
J0254
J0254
J0042
J0302
J0254
J0105
J0103
J0105
F2 FDR PWR
F2 FES DO
F2 FDR PWRF1 FDR PWR
I/O B
F2 FES DI
F2 FDR EMG
I/O B
F2 FES DO
F2 FES DI
F2 FDR EMG
I/O B
I/O B
I/O B
F1 FDR EMG
F1 FES DI
F1 FES DO
J0106
I/O
J0106
I/O
See Page 2
POWER CIRCUIT
QF41,XT41
I/O CONVEYOR -1-
CN3
See Page 2
POWER CIRCUIT
QF41,XT41
I/O CONVEYOR -1-
CN3
See Page 2
POWER CIRCUIT
QF41,XT41
I/O CONVEYOR -1-
I/O CONVEYOR -4-
I/O CONVEYOR -4- I/O CONVEYOR -4-
FDR EMG
FDR EMGFDR EMG
FRONT-2 FES32 FEEDER
FRONT-2 FES32 FEEDERFRONT-1 FES32 FEEDER
N0109104
N0109105
N0109104
N0109105
N0108B04
N0108B05
RS232C
FAN54
FAN53
FDR FAN F2-2
FDR FAN F2-1
FAN2
FAN1
FDR FAN
FDR FAN
FAN54
FAN53
FDR FAN F2-2
FDR FAN F2-1
FAN2
FAN1
FDR FAN
FDR FAN
FAN52
FAN51
FDR FAN F1-2
FDR FAN F1-1
FAN2
FAN1
FDR FAN
FDR FAN
RS232CRS232C
J1235 RS232C
J1235 RS232CJ1135 RS232C
F1:FES32 FEEDER / F2:FES32 FEEDER
J1123
J1182
J1153
J1152
J1151
・
・
・
J1282
J1253
J1252
J1251
J1223
・
・
・
J1223
J1282
J1253
J1252
J1251
・
・
・
J1122
J1121
J1222
J1221
J1221
J1222J1052
J1051
PWR F1
CUNET F1 CONTROL BOX -3-
I/O B
CN3
CN37
CN42
CN42
CN37
PWR J1054
CN37
CN42
CN42
CN37
PWR PWR F2
FDR CTRL BOARD ASSY P131
CN39
CN43
CN43
CN32
・
・
CN3
CN2
CN1
・
CUNETCN38
CN38
ON
OFF
DIP SW(S1)
FDR DO2
FDR DI0
FDR DO1
FDR DO0
J1053
CN39
CN43
CN43
CN32
・
・
CN3
CN2
CN1
・
CUNETCN38
CN38
FDR CTRL BOARD ASSY P132
ON
OFF
DIP SW(S1) CUNET F2
FDR DO2
FDR DI0
FDR DO1
FDR DO0
J1054
CN37
CN42
CN42
CN37
PWR PWR F2
J1053
CN39
CN43
CN43
CN32
・
・
CN3
CN2
CN1
・
CUNETCN38
CN38
FDR CTRL BOARD ASSY P132
ON
OFF
DIP SW(S1) CUNET F2
FDR DO2
FDR DI0
FDR DO1
FDR DO0
F1:ATS(Option) / F2:FES32 FEEDER
・ZS feeders
・SS feeders ・Multi-stick feeders
・QFP recovery conveyor ・ZS feeders
・SS feeders ・Multi-stick feeders
・QFP recovery conveyor
・ZS feeders
・SS feeders ・Multi-stick feeders
・QFP recovery conveyor
See Page 7
See Page 4
See Page 8
See Page 11
See Page 6
See Page 6
See Page 11
See Page 8
See Page 11
See Page 8
See Page 8
See Page 11
FRONT-1 sATS30NS
See sATS30NS(KMH)
CC.V0
18
FRONT FES32 FEEDER(SSF)/ATS
YSM20R-1