RX-7_InstructionManual_Rev03_C - 第530页
第 6 章 附录 6- 5. 空气流动概 要图 14 6- 5. 空气流动概要图 • 整机示意图

第
6
章
附录
6-4.
词汇表
13
6
元件摄像机
为了正确贴片,对吸取的元件进行确认的摄像机。该元件摄像机安装在 XY 上移动的贴片头上。使用
此摄像机在贴片头移动过程中识别元件。
元件识别时使用反射照明。对轮廓上有凹凸的芯片元件,使用反射照明的识别率和精度更高。
元件数据
与使用元件相关的数据。
元件供给位置数据
元件供给位置的排列数据。使用带式供料器供给时,表示元件供料器的排列。
强行结束元件更换
在元件更换作业过程中强行结束元件更换的方法。本操作仅在用户级别为[
Supervisor
]或
[
Maintenance
]时可进行。
无元件动作设定功能
发生无元件时,可选择本机的运转模式。分为两种模式,一是在发生无元件的同时停止本机的即时
停止模式,二是在发生无元件后,将该基板可贴片的元件全部贴片后再停止本机的模式。

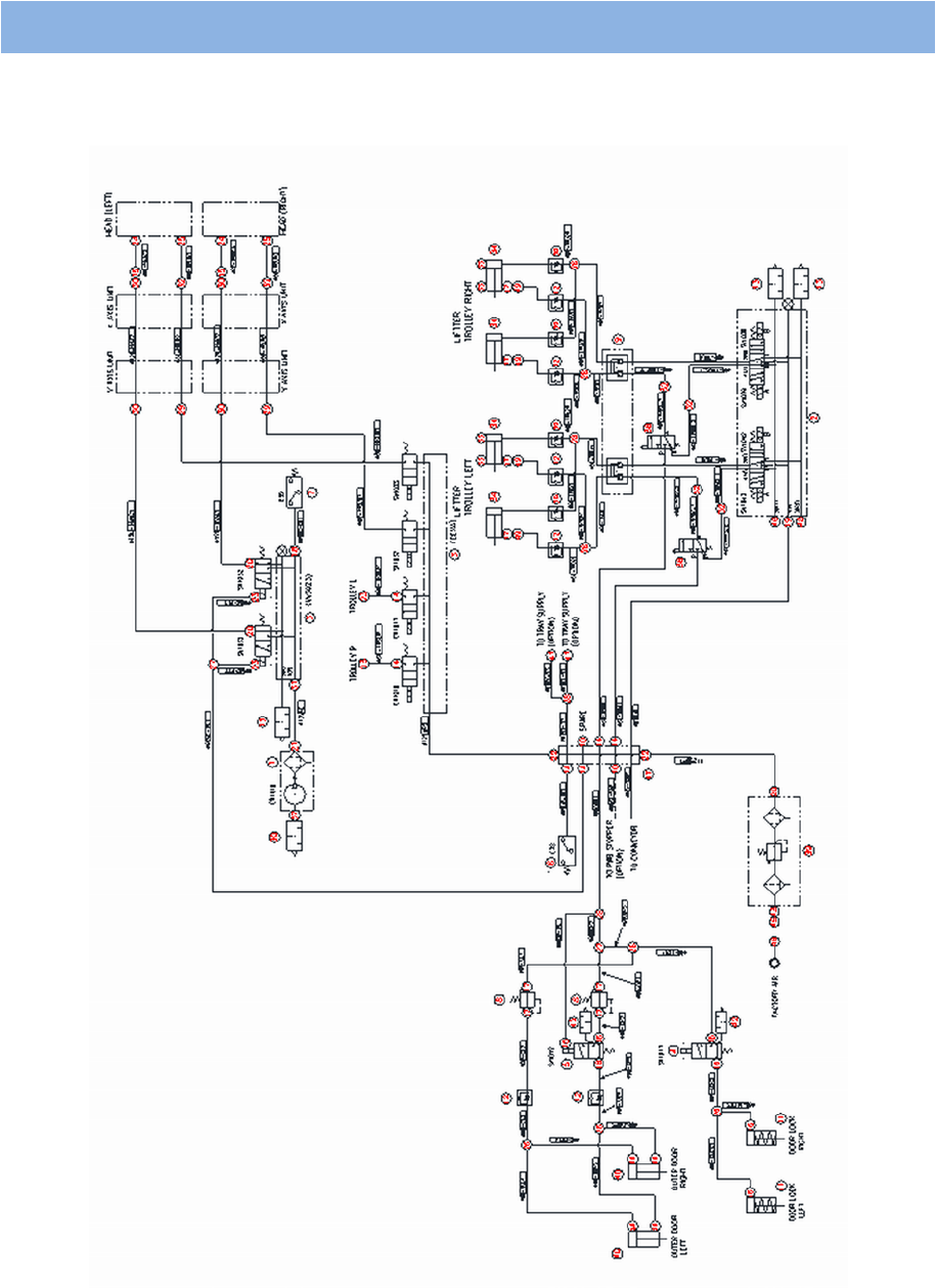
第
6
章
附录
6-5.
空气流动概要图
14
6-5. 空气流动概要图
•
整机示意图

第
6
章
附录
6-5.
空气流动概要图
15
6
•
传送部周边多支管
•
高速贴片头部