CP-642ME-06 - 第158页
CP-642ME P ARTS LIST ver06 2 7 - 2 - 1 2 7 . 2 . カムボックス3 ( W P A ) 2 7 . 2 . C a m b o x 3 ( W P A ) 2 7 . 2 . カムボックス3 ( W P A ) 2 7 . 2 . C a m b o x 3 ( W P A ) タ テ x 1 7 3 . 2 0 5 R e f . 3 1 - 1 R e f . 3 1 - 1 R e…

27.1.カムボックス 3(WPA)
27.1.Cam box 3(WPA)
番号 図番 & コード番号 個数 品名 規格 備考 材質
No. Drg.No. & Code No. QTY Description Rating Remarks Materials
78 Y3049A 2
ELBOW
エルボ KQL06-M5 OT
79 K5075A 1
CONNECTOR
コネクタ KQU06-00 OT
80 Y3050A 1
ELBOW
エルボ KQL06-01S OT
85 WAC1017 1 ANGLE REST イケール FE
87 S2010F 1 LAMP (Select Parts) ランプ(選択部品) FT-11001(50HZ) 注1. Note.1 OT
88 MPA3540 1 BKT BKT 注1. Note.1 FE
89 H5287A
BOLT, HEX SOCKET
ボルト 六角穴
M4X8L 注1. Note.1 FE
90 H5300A
BOLT, HEX SOCKET
ボルト 六角穴
M5X15L 注1. Note.1 FE
91 W1022A
WASHER, LOCK
ワッシャ スプリング 4M/M 注1. Note.1 FE
92 W1023A
WASHER, LOCK
ワッシャ スプリング 5M/M 注1. Note.1 FE
93 K5209A
SCREW, TRUSS
小ネジ トラス M4X8L 注1. Note.1 FE
94 MPA3531 1 COVER, ACRYLIC カバー アクリル 注1. Note.1 PL
95 S2010K 1 LAMP (Select Parts) ランプ(選択部品) ET-11001(60HZ) 注1. Note.1 OT
98 WWM0120 1 SEAL シール PL
注1.防音カバー取付時2個使用
Note.1 : These a Parts are required only when the noise reduction cover is attached.
CP-642ME PARTS LIST ver06
27 - 1 - 4
27.1.カムボックス 3(WPA)
27.1.Cam box 3(WPA)

CP-642ME PARTS LIST ver06
27 - 2 - 1
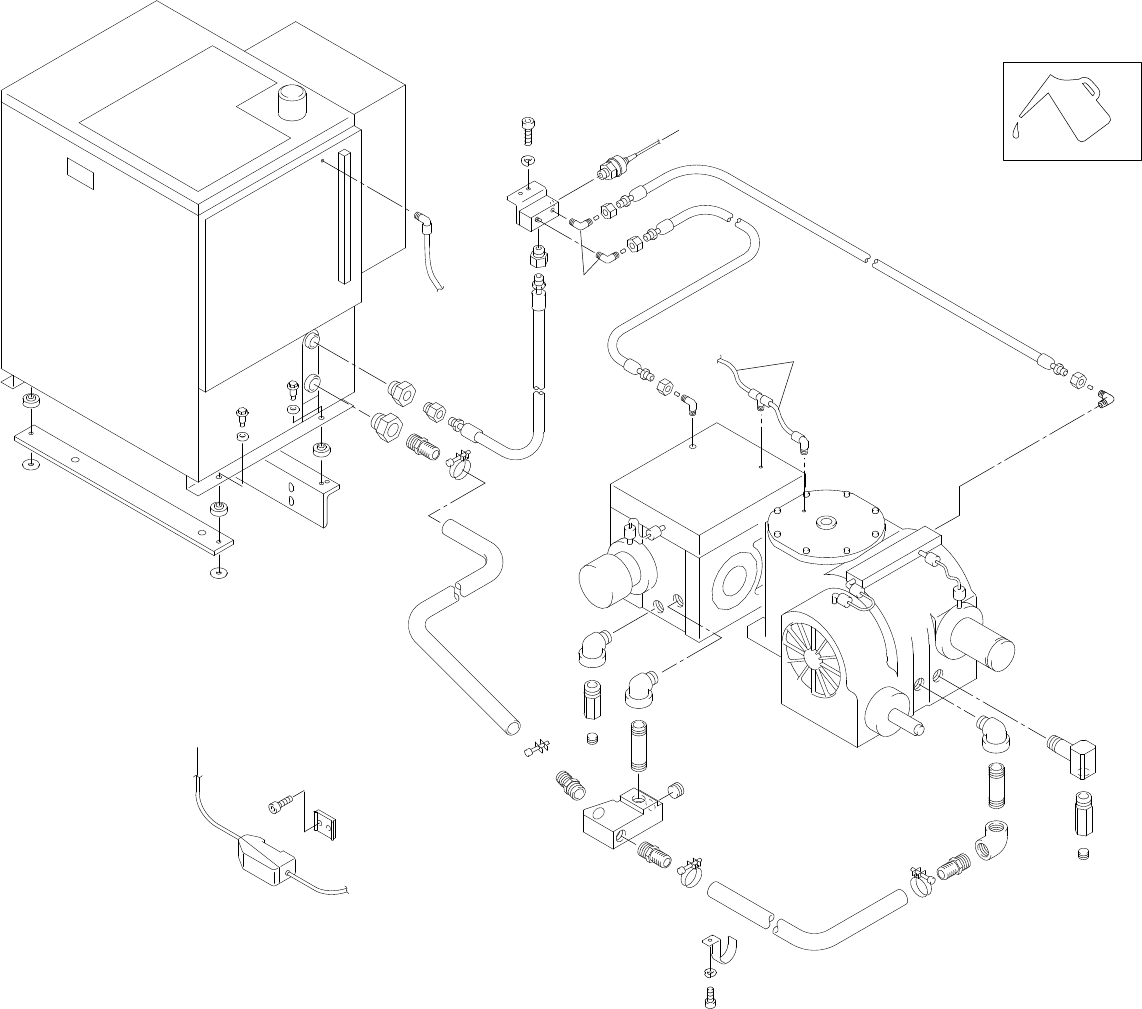
27.2.カムボックス3(WPA)
27.2.Cam box 3(WPA)
27.2.カムボックス3(WPA)
27.2.Cam box 3(WPA)
タテx173.205
Ref.31-1
Ref.31-1
Ref.31-1
Ref.33-7
Ref.19-4
208
176
165
175
161
175
161
175
161
183
162
176
167
175
161
13
13
B
A
139
26
A
x2
19
84
21
3
6
22
20
5
18
11
11
49
11
12
22
7
19
70
17
71
73
71
73
72,95
71
69
69
70
23
27
11
9
24
83
82
15
24
26
59
16
1
63
2
53
27
12
62
8
27
4
91
82
27
86,94
A
A
92
10
13
10
90
90
10
89
14
90
89
89
89
90

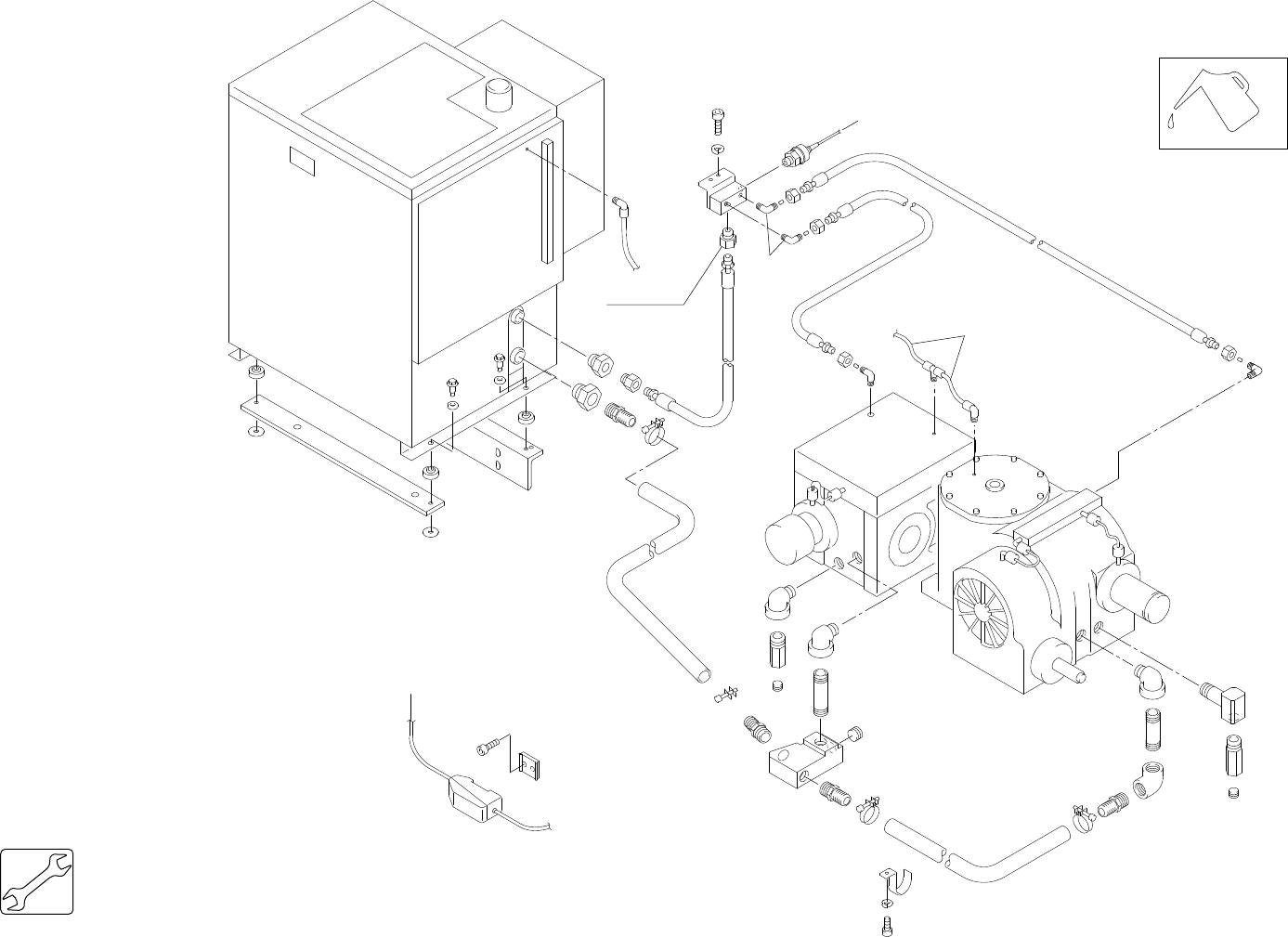
CP-642ME PARTS LIST ver06
27 - 2 - 2
27.2.カムボックス3(WPA)
27.2.Cam box 3(WPA)
27.2.カムボックス3(WPA)
27.2.Cam box 3(WPA)
タテx173.205
Ref.31-1
Ref.31-1
Ref.31-1
Ref.33-7
Ref.19-4
A
A
LOCTITE572