D3Wiring Diagram__N7205A106B - 第192页
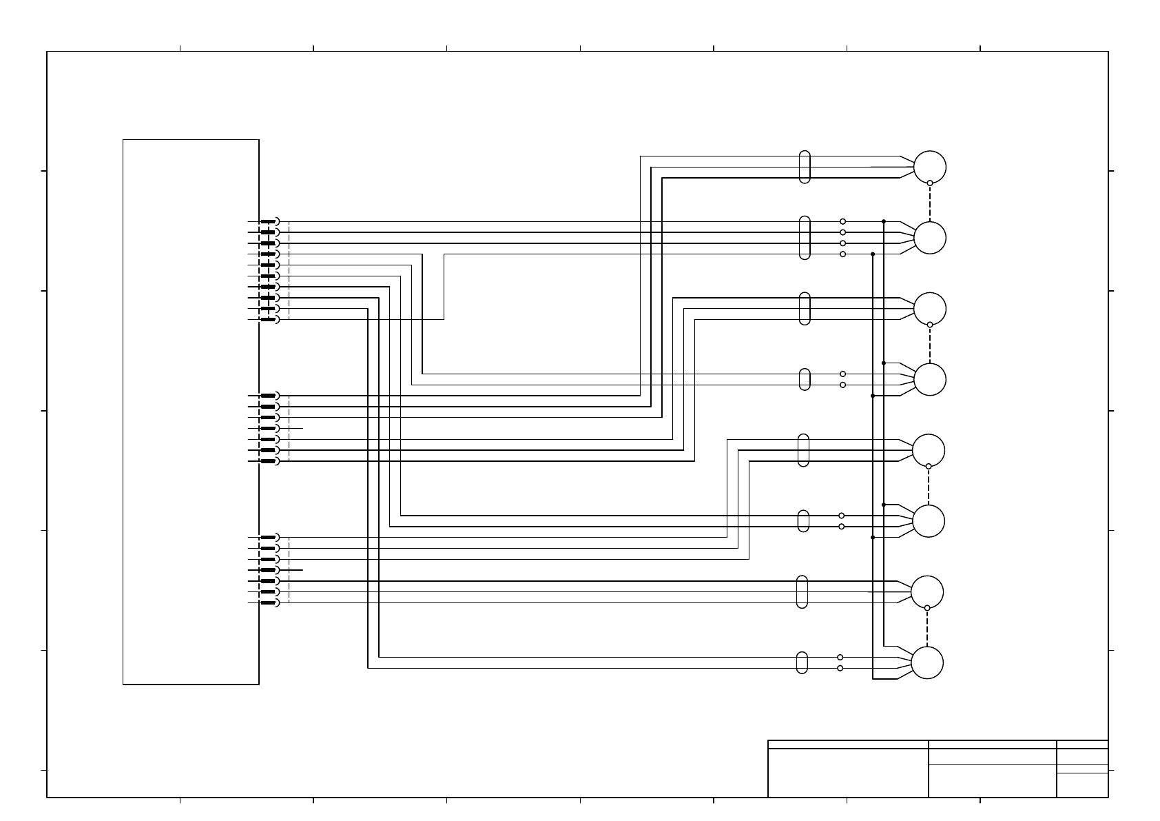
-K301 PMC0A3 CN5 1 2 3 4 5 6 7 Z9-PHASE_V Z9-PHASE_U FG Z9-PHASE_W VDD A B GND U V W SM SSG -M411 RMTA-A002A16-MA12 RD WH BU RD1 BU1 WH1 BK YASKAWA ELECTRIC Z10-PHASE_V Z10-PHASE_U Z10-PHASE_W CN11 Z9-A +5V Z10-A Z9-B Z1…

-K301
PMC0A3
CN3
1
2
3
4
5
6
7
Z5-PHASE_V
Z5-PHASE_U
FG
Z5-PHASE_W
VDD
A
B
GND
U
V
W
SM
SSG
-M407
RMTA-A002A16-MA12
RD
WH
BU
RD1
BU1
WH1
BK
YASKAWA ELECTRIC
Z6-PHASE_V
Z6-PHASE_U
Z6-PHASE_W
CN10
Z5-A
+5V
Z6-A
Z5-B
Z7-A
Z6-B
Z7-B
Z8-B
Z8-A
GND
CN4
1
2
3
4
5
6
7
Z7-PHASE_V
Z7-PHASE_U
FG
Z7-PHASE_W
Z8-PHASE_V
Z8-PHASE_U
Z8-PHASE_W
Z5-axis motor
Z5-axis encoder
Z6-axis motor
Z6-axis encoder
A
B
U
V
W
SM
SSG
-M408
RMTA-A002A16-MA12
RD
WH
BU
BU1
WH1
YASKAWA ELECTRIC
Z7-axis motor
Z7-axis encoder
Z8-axis motor
Z8-axis encoder
A
B
U
V
W
SM
SSG
-M409
RMTA-A002A16-MA12
RD
WH
BU
BU1
WH1
YASKAWA ELECTRIC
A
B
U
V
W
SM
SSG
-M410
RMTA-A002A16-MA12
RD
WH
BU
BU1
WH1
YASKAWA ELECTRIC
1
2
3
4
5
6
7
8
9
10
JAPAN SOLDERLESS TER
3
PAP-07V-S
7
6
5
4
3
2
1
MOLEX
10
502380-1000
1
2
3
4
5
6
7
8
9
10
JAPAN SOLDERLESS TER
4
PAP-07V-S
7
6
5
4
3
2
1
Panasonic Factory Solutions Co.,Ltd. パナソニック ファクトリーソリューションズ株式会社
Name
Drawing No.
Loc. No.
F4K1020-05A
1
2 3 4 5 6 7 8
A
B
C
D
E
F
1 2 3 4 5 6 7 8
A
B
C
D
E
F
Page. No.
Light Weight 16 Nozzle Head (H):NPM
(Z 5-8 axis wiring)
N610159868+006AA
P006

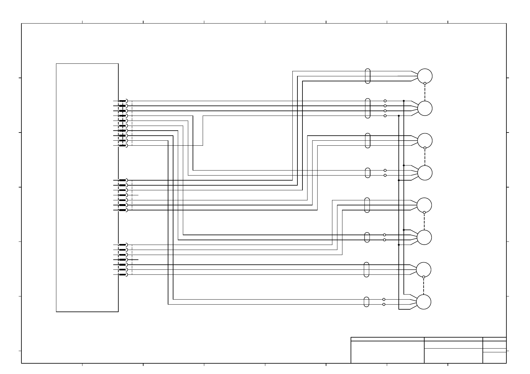
-K301
PMC0A3
CN5
1
2
3
4
5
6
7
Z9-PHASE_V
Z9-PHASE_U
FG
Z9-PHASE_W
VDD
A
B
GND
U
V
W
SM
SSG
-M411
RMTA-A002A16-MA12
RD
WH
BU
RD1
BU1
WH1
BK
YASKAWA ELECTRIC
Z10-PHASE_V
Z10-PHASE_U
Z10-PHASE_W
CN11
Z9-A
+5V
Z10-A
Z9-B
Z11-A
Z10-B
Z11-B
Z12-B
Z12-A
GND
CN6
1
2
3
4
5
6
7
Z11-PHASE_V
Z11-PHASE_U
FG
Z11-PHASE_W
Z12-PHASE_V
Z12-PHASE_U
Z12-PHASE_W
Z9-axis motor
Z9-axis encoder
Z10-axis motor
Z10-axis encoder
A
B
U
V
W
SM
SSG
-M412
RMTA-A002A16-MA12
RD
WH
BU
BU1
WH1
YASKAWA ELECTRIC
Z11-axis motor
Z11-axis encoder
Z12-axis motor
Z12-axis encoder
A
B
U
V
W
SM
SSG
-M413
RMTA-A002A16-MA12
RD
WH
BU
BU1
WH1
YASKAWA ELECTRIC
A
B
U
V
W
SM
SSG
-M414
RMTA-A002A16-MA12
RD
WH
BU
BU1
WH1
YASKAWA ELECTRIC
1
2
3
4
5
6
7
8
9
10
JAPAN SOLDERLESS TER
5
PAP-07V-S
7
6
5
4
3
2
1
MOLEX
11
502380-1000
1
2
3
4
5
6
7
8
9
10
JAPAN SOLDERLESS TER
6
PAP-07V-S
7
6
5
4
3
2
1
Panasonic Factory Solutions Co.,Ltd. パナソニック ファクトリーソリューションズ株式会社
Name
Drawing No.
Loc. No.
F4K1020-05A
1
2 3 4 5 6 7 8
A
B
C
D
E
F
1 2 3 4 5 6 7 8
A
B
C
D
E
F
Page. No.
Light Weight 16 Nozzle Head (H):NPM
(Z 9-12 axis wiring)
N610159868+007AA
P007

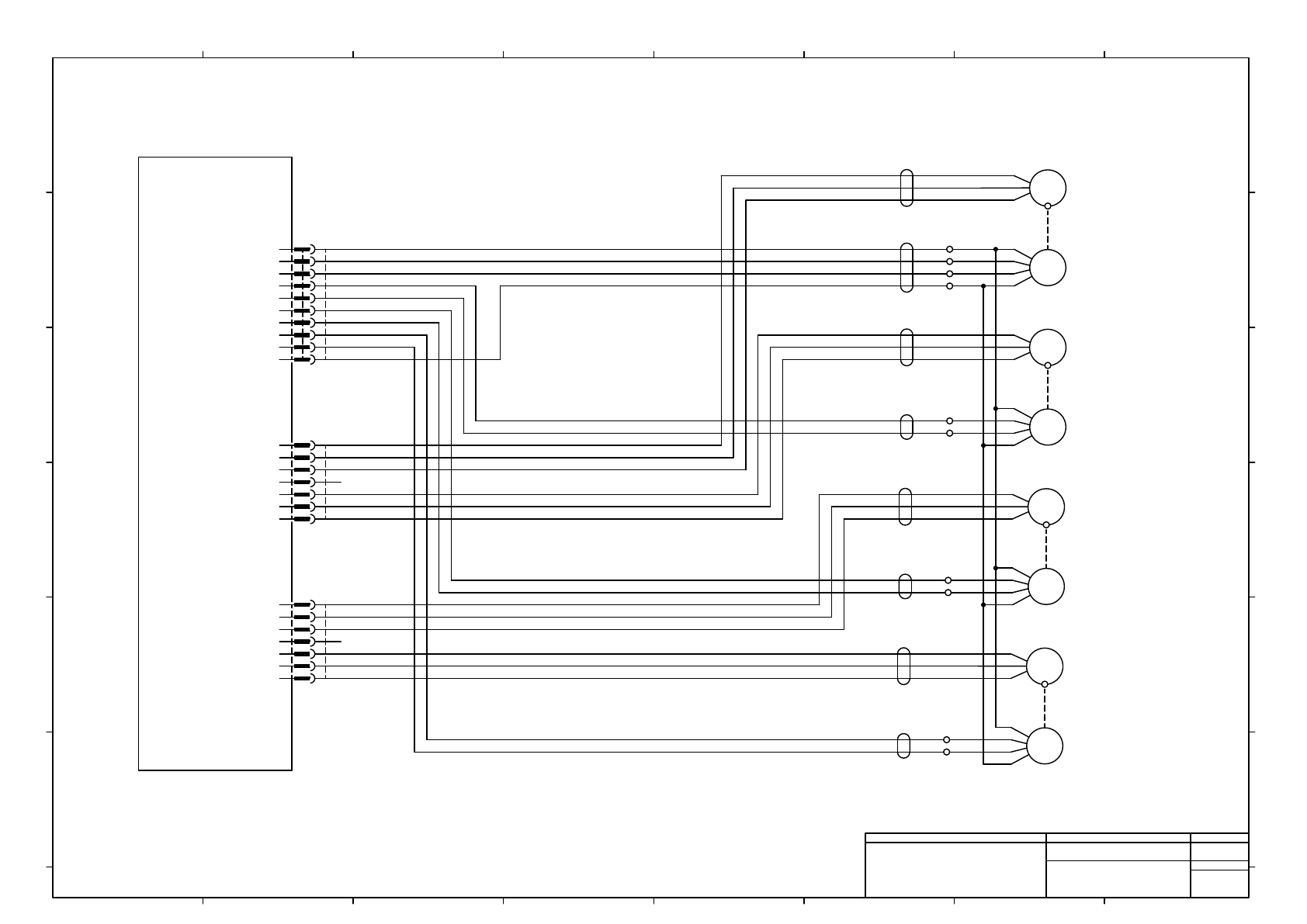
-K301
PMC0A3
CN7
1
2
3
4
5
6
7
Z13-PHASE_V
Z13-PHASE_U
FG
Z13-PHASE_W
VDD
A
B
GND
U
V
W
SM
SSG
-M415
RMTA-A002A16-MA12
RD
WH
BU
RD1
BU1
WH1
BK
YASKAWA ELECTRIC
Z14-PHASE_V
Z14-PHASE_U
Z14-PHASE_W
CN12
Z13-A
+5V
Z14-A
Z13-B
Z15-A
Z14-B
Z15-B
Z16-B
Z16-A
GND
CN8
1
2
3
4
5
6
7
Z15-PHASE_V
Z15-PHASE_U
FG
Z15-PHASE_W
Z16-PHASE_V
Z16-PHASE_U
Z16-PHASE_W
Z13-axis motor
Z13-axis encoder
Z14-axis motor
Z14-axis encoder
A
B
U
V
W
SM
SSG
-M416
RMTA-A002A16-MA12
RD
WH
BU
BU1
WH1
YASKAWA ELECTRIC
Z15-axis motor
Z15-axis encoder
Z16-axis motor
Z16-axis encoder
A
B
U
V
W
SM
SSG
-M417
RMTA-A002A16-MA12
RD
WH
BU
BU1
WH1
YASKAWA ELECTRIC
A
B
U
V
W
SM
SSG
-M418
RMTA-A002A16-MA12
RD
WH
BU
BU1
WH1
YASKAWA ELECTRIC
1
2
3
4
5
6
7
8
9
10
JAPAN SOLDERLESS TER
7
PAP-07V-S
7
6
5
4
3
2
1
MOLEX
12
502380-1000
1
2
3
4
5
6
7
8
9
10
JAPAN SOLDERLESS TER
8
PAP-07V-S
7
6
5
4
3
2
1
Panasonic Factory Solutions Co.,Ltd. パナソニック ファクトリーソリューションズ株式会社
Name
Drawing No.
Loc. No.
F4K1020-05A
1
2 3 4 5 6 7 8
A
B
C
D
E
F
1 2 3 4 5 6 7 8
A
B
C
D
E
F
Page. No.
Light Weight 16 Nozzle Head (H):NPM
(Z 13-16 axis wiring)
N610159868+008AA
P008