D3Wiring Diagram__N7205A106B - 第204页
在线预览 D3Wiring Diagram__N7205A106B PDF 文档。

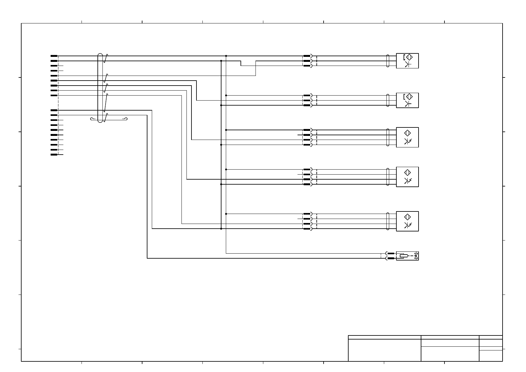
-B03
BN
BK
WH
BU
-B04
BN
BK
WH
BU
-B05
BN
BK
WH
BU
-R01
3
2
177907-1
B02P
AMP
1 1
2
3
177899-1
B02R
AMP
BU
N610069717AC
UL#24 80/300-0.2mm2
BU
UL#24 80/300-0.2mm2
プレート識別bit0
Plate identification
bit0
プレート識別bit1
Plate identification
bit1
プレート識別bit2
Plate identification
bit2
ノズルチェンジャ開
Nozzle changer
shutter open
ノズルチェンジャ閉
Nozzle changer
shutter close
ノズルチェンジャ開
Nozzle changer
shutter open
-B02
BN
BK
BU
D2
D3
D4
D5
55836-2071
HOD
MOLEX
C5
A5
A3
A4
B5
C1
C2
C3
C4
A1
B3
B4
A2
B1
D1
BK
BK/WH
RD
RD/WH
GN
GN/WH
YE
YE/WH
BN
BU
N610069717AC
UL#24 80/300-0.2mm2
BU
UL#24 80/300-0.2mm2
BU
N610069717AC
UL#24 80/300-0.2mm2
BU
UL#24 80/300-0.2mm2
BU
N610069717AC
UL#24 80/300-0.2mm2
BU
UL#24 80/300-0.2mm2
s
4
3
2
1
177908-1
B03P
AMP
4
3
2
1
177908-1
B04P
AMP
4
3
2
1
177908-1
B05P
AMP
1
2
3
4
177900-1
B03R
AMP
1
2
3
4
177900-1
B04R
AMP
1
2
3
4
177900-1
B05R
AMP
BU
N610069717AC
UL#24 80/300-0.2mm2
3
2
177907-1
B01P
AMP
1 1
2
3
177899-1
B01R
AMP
-B01
BN
BK
BU
2
N610069717AC
U-TKVV AWG24-5P
2
2
2
P24CP
G24
D+
D-
IN(OPEN)
IN(CLOSE)
PLATE bit0
PLATE bit1
PLATE bit2
IN030/031
OUT(OPEN)
OUT(CLOSE)
2
2
2
2
2
2
BN/WH
(0.2mm2-5P)
2
2
2
2
2
2
3
3
-
SY100-29-1
R01
SMC
+
4
Panasonic Factory Solutions Co.,Ltd. パナソニック ファクトリーソリューションズ株式会社
Name
Drawing No.
Loc. No.
F4K1020-05A
1
2 3 4 5 6 7 8
A
B
C
D
E
F
1 2 3 4 5 6 7 8
A
B
C
D
E
F
Page. No.
Head Option Driving Unit Wiring:NPM
N610069716+002AE
P002

4.
LOAD WIRING DIAGRAM OPTION
負荷配線図 オプション
4-6 TRAY FEEDER WIRING
トレイフィーダ配線
EJM6DB-10-406-00