文档中心
/
D3Wiring Diagram__N7205A106B
D3Wiring Diagram__N7205A106B - 第344页
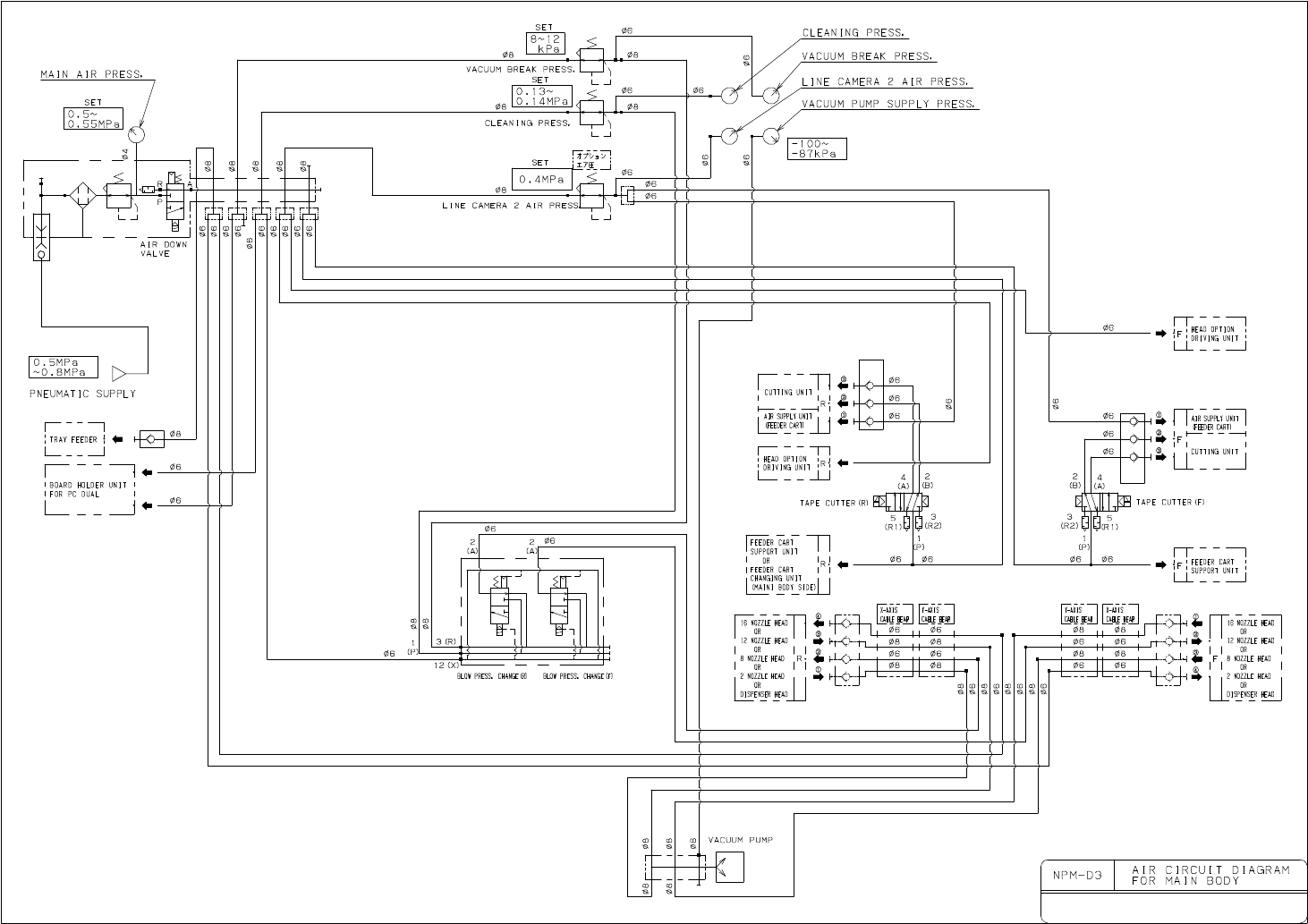
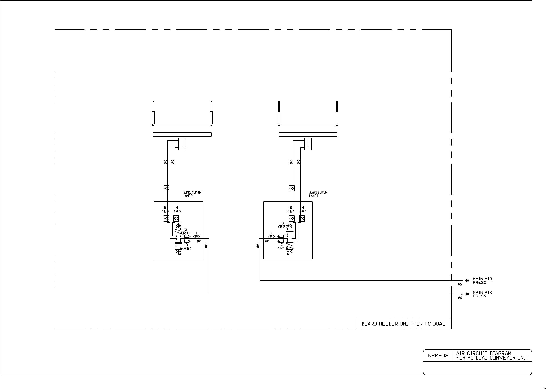
在线预览 D3Wiring Diagram__N7205A106B PDF 文档。
目录
100%
显示:宽度
宽度
1 / 354
回到旧版
旧版
?
该页面需要启用 JavaScript 才能进行交互式预览。