yg100_KGS_e - 第15页
PA G E 13 YG100 (KGS) Con fi dential & Proprietary KGS-000-CCV1 FES20&24 safety circuit (non stop)

PAGE
12
YG100 (KGS)
Confi dential & Proprietary
KGS-000-CCV1
FES20&24 safety circuit (non stop)

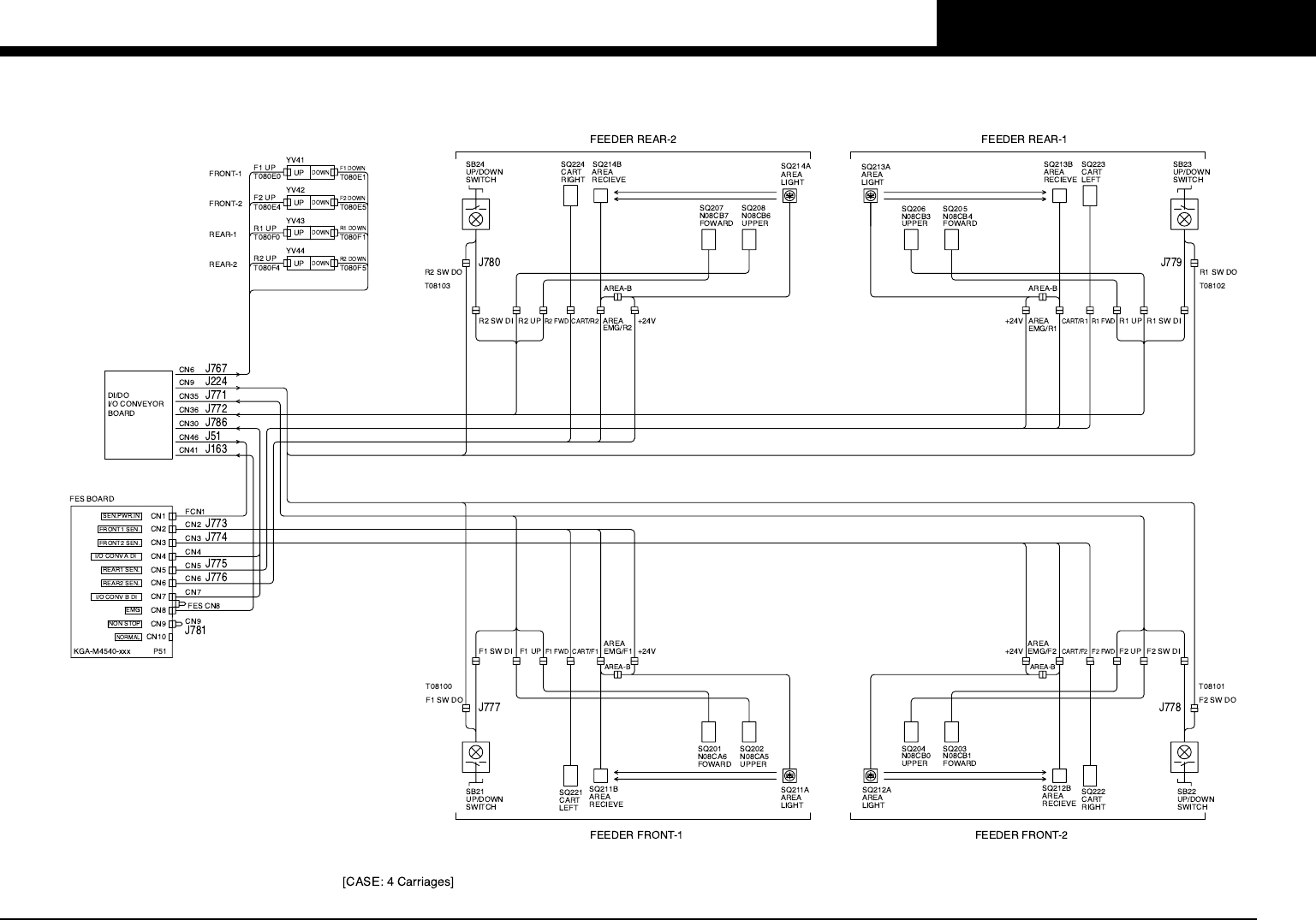
PAGE
13
YG100 (KGS)
Confi dential & Proprietary
KGS-000-CCV1
FES20&24 safety circuit (non stop)

PAGE
14
YG100 (KGS)
Confi dential & Proprietary
KGS-000-CCV1
FES20&24 safety circuit (non stop)