yg100_KGS_e - 第19页
PA G E 17 YG100 (KGS) Con fi dential & Proprietary KGS-000-CCV1 FES20&24 safety circuit (normal)

PAGE
16
YG100 (KGS)
Confi dential & Proprietary
KGS-000-CCV1
FES20&24 safety circuit (normal)

PAGE
17
YG100 (KGS)
Confi dential & Proprietary
KGS-000-CCV1
FES20&24 safety circuit (normal)

PAGE
18
YG100 (KGS)
Confi dential & Proprietary
KGS-000-CCV1
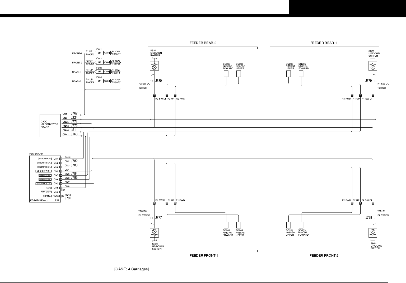
Cli FIX24 feeder structure (op
.
)