yg100_KGS_e - 第28页
PA G E 26 YG100 (KGS) Con fi dential & Proprietary KGS-000-CCV2 Power circuit +24VA +24VA +24VN +24VM +24VK +24VJ +24VI +24VH +24VE +24VD +24VC +24VB +24VL 2.5A 1.1A 2.5A 2.5A 0.5A 2.5A 2.5A 2.5A 1.85A 3.0A 3.0A 3.0A …

PAGE
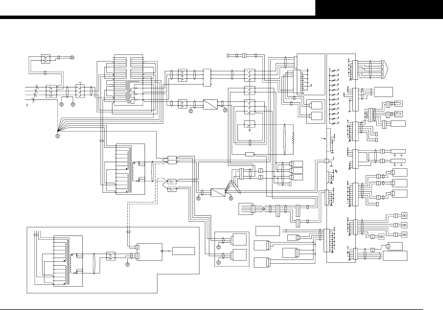
25
YG100 (KGS)
Confi dential & Proprietary
KGS-000-CCV1
Power transformer terminal

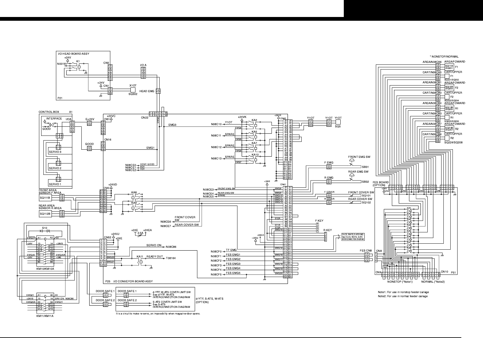
PAGE
26
YG100 (KGS)
Confi dential & Proprietary
KGS-000-CCV2
Power circuit
+24VA
+24VA
+24VN
+24VM
+24VK
+24VJ
+24VI
+24VH
+24VE
+24VD
+24VC
+24VB
+24VL
2.5A
1.1A
2.5A
2.5A
0.5A
2.5A
2.5A
2.5A
1.85A
3.0A
3.0A
3.0A
See Page 3 - 5
BOARD ASSY
I/O CONV.
P25
+24VI
CN41
B6
A6
A5
B5
A1
B1
A20
B20
1
2
+24V
CN20
+24EA
CN44
4
3
5
6
2
1
EMERGENCY CIRCUIT
8
7
6
5
3
4
1
2
+24VB
CN50
+24VD
CN46
9
10
7
8
5
6
3
4
2
1
11
12
+24VN
+24VC
CN51
4
3
2
1
5
6
CN49
+24VH
7
8
5
6
3
4
2
1
+24VE
CN45
11
12
9
10
7
8
5
6
3
4
2
1
+24VD
CN43
A5
B5
A4
B4
A3
B3
A2
B2
A1
B1
CN48
+24VL
+24VM
9
10
7
8
5
6
3
4
2
1
+24E
+24VJ
CN52
11
12
9
10
7
8
5
6
3
4
2
1
+24VN
CN47
9
10
7
8
5
6
3
4
2
1
INTERCONNECTION DIAGRAM
I/O BOARD POWER
d-YTF,S-ATS,W-ATS
See d-YTF,S-ATS,W-ATS
I/OA
2
1
I/F BOARD
2
1
2
1
J101
2
1
J41
2
1
4
3
5
6
FAN3
FAN2
FAN1
2
1
2
1
2
1
FAN4
1
2
2
1
1
2
1
2
1
2
J48
2
1
3
4
5
6
7
8
1
2
1
2
2
1
J508
2
1
1
2
2
1
J512
1
2
1
2
1
2
R MALTI
F MALTI
CN1
CN1
CN1
LED DRIVER BOARD
P81
LED DRIVER BOARD
P82
CO-PLA.
1
2
2
1
1
2
LED DRIVER BOARD
P83
J520
9
10
11
12
2
1
2
1
3
4
5
6
7
8
J49
A5
B5
A4
B4
A3
B3
A2
B2
A1
B1
1
2
1
2
J161
1
2
1
2
AREA SENSOR FRONT
AREA SENSOR REAR
SQ111A
SQ112A
2
1
3
2
J169
J168
3
1
COVER LIMIT
S/W FRONT
COVER LIMIT
S/W REAR
SQ101
SQ102
3
2
3
1
2
1
EL21
FLUORESCENT LIGHT
4
3
1
2
3
2
1
4
7
5
2
6
4
3
1
J852
4
3
5
9
10
7
6
1
2
2
1
3
4
5
6
7
8
J851
2
1
2
1
11
12
9
10
J164
7
8
5
6
3
4
2
1
EMERGENCY
CIRCUIT
2
1
3
4
5
6
7
8
9
10
J856
2
1
2
1
2
1
2
1
STACK STICK
FEEDER POWER
+24V
+24V
+24V
+24V
P13
1
2
DRIVER
CONVEYOR
CN1
2
1
FES BOARD
P51
11
12
2
1
3
4
5
6
7
8
9
10
4
3
2
1
4
3
2
1
4
3
2
1
4
3
2
1
SERVO BOARD 1
SERVO BOARD 3
+24V IN
4
3
2
1
4
3
2
1
SERVO BOARD 2
+24V IN
+24V IN
+24V IN
+24V IN
+24V IN
2
1
FCN1
S-ATS
INTERCONNECTION DIAGRAM
See S-ATS
LCD2
LCD1
+48V
+24V
I/O HEAD
P21
GND+24V
GND+48V
1
2
3
4
CN15
4
3
2
1
55
J44
1
2
3
4
6
HEAD PWR
3
2
1
2
3
4
6
1
4
J43
1
6
2
3
4
5
H+48V
H+24V
2
1
5
6
7
8
4
3
1
2
3
4
J42
P12
1
2
DRIVER
CONVEYOR
1
2
P11
DRIVER
CONVEYOR
EMERGENCY CIRCUIT
OPTION
+5V
+12V
EXT.PWR
A1
B6
A6
B5
A5
B4
A4
B3
A3
B2
A2
B1
A1
ACIN
AC100V: CONTROL
AC220V: MOTOR DRIVER
POWER
CONTROL BOX
See Page2
LCD1
LCD2
TOUCH
PANEL
TOUCH
PANEL
J234
J235
J28
2
1
J109
2
1
HA1
BUZZER
A1
B1
A2
B2
A3
B3
A4
B4
A5
B5
A6
B6
MAX440V/12A
3/L2 4/T2
KM10
4241
KM11
KM10A
73
83
74
84
U52
V52
W52
W54
V54
U54
+24V
+24V
+24VA
+24VA
+48V
+48VA
+48VB
+48VC
KM11A
EMERGENCY CIRCUIT
STD.
J751
CONTROL BOX (UPS)
See Page 2
J753
J752
QF62 1A
X1
X2
J882
PRIMARY LAMP
HL21
S
R
S2
R2
J881
R
S
T
V10
U11B
V10
FG
J26
V10
U11B
J24
V10
FG
V10
J22
QF22 1A
J92
R1
S1
J18
J19
J95
J94
J27
J77
J76
J75
J17
J16
J15
J14
J13
J12
J11
J10
J20
QS11
MAX690V/40A
1
6
2
34
5
1
2
3
2
1
4
0V
+24V
M+24V
J45
0V
+24V
FG
N
L
GS21
300W 14A
V10
MAX690V/15A
V10
XT21
QF31 10A
QF21 7A
T1
T2
T3
L1
L2
L3
J80
FG
V10
U11A
J23
U11A
V10
U10B
U10B
V10BV10B
J21
J21
V10
U10
V55
J7
FG
U55
V55
U55
J6
V50
U50
U50
V50
J3
W51
V51
U51
W51
V51
U51
J2
W50
V50
U50
V50
U50
W50
1
3
5
J1 J1
R1
S1 T1
6
4
2
NF11
MAX250V/10A
EE
1
2
3
4
5
6
XT31
0V
MAX690V/15A
R1
J78
0V
0V
+48VC
J55
1
6
2
3
4
5
R1
+48VD
R1
J54
J53
+48VC
+48VB
+48VA
0V
J52
DCN1
2
1
DCN1
2
1
DCN1
2
1
DCN1
2
1
J47
1
2
1
2
3
2
+24V
1
4
0V
1
2
0V
1
2
J46
J5
U11A
V10
5
4
3
2
6
1
J4
W52
V52
U52
When the UPS specification
U10
UPS IN
UPS OUT
GB1
UPS
SIGNAL
U10A
V10A
U10
V10
100V
100V
0V
0V
240V
0V
190V
200V
208V
220V
240V
0V
190V
200V
208V
220V
0V
100V
TC11
R1
J95
J94
S1
J18
J19
J27
QF61 15A
600W
GS31
0V
FG
L +48V
N
6.5A
J51
J91
Peak 12.5A 10sec
OPTION
1/L1
5/L3 6/T3
2/T1
1/L1
3/L2
5/L3
2/T1
4/T2
6/T3
J25
U11B
U11B
QF32 3A
AZ-BRAKE +24V
QF11 20A
MAX690V/50A
1KVA
See Page 27
See Page 27
See Page 27
See Page 27
220V
220V
220V
W
V
U
TM11
240V
220V
208V
200V
190V
0V
240V
220V
208V
200V
190V
0V
240V
220V
208V
200V
190V
0V
240V
220V
208V
200V
190V
0V
240V
220V
208V
200V
190V
0V
240V
220V
208V
200V
190V
0V
N
2.34KVA
See Page 25
100V
100V
0V
0V
240V
0V
190V
200V
208V
220V
240V
0V
190V
200V
208V
220V
0V
100V
TC11
See Page 25
0.75KVA
2.5mm
2

PAGE
27
YG100 (KGS)
Confi dential & Proprietary
KGS-000-CCV1
Emergency circuit