SIPLACE Machine de placement 80 S FG - 第356页
Notice d’exploitation SIPLACE 80 S/F/G Edition 07/97 Version du logiciel à partir d e SR.010.xx 9 - I Table des ma tières Page 9 Main tenan ce 9.1 Vue générale . . . . . . . . . . . . . . . . . . . . . . . . . . . . . . …

8 Distribution des composants Notice d’exploitation SIPLACE 80 S/F/G
8.7 Fixation pour magasin de surface (prise manuelle de plateau) Edition 07/97 Version du logiciel à partir de SR010.xx
8 - 30
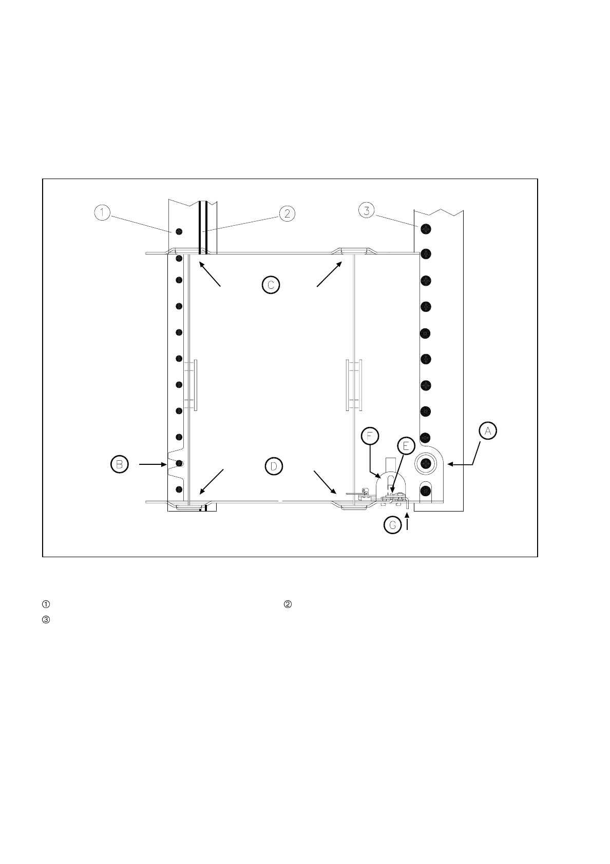
8.7.3 Changement du serre-flan
●
Maintenez le serre-flan (élément
G
dans l'illustration 8.7.1). Enfoncez l'organe de poussée (élément
F
dans l'illustration 8.7.1) vers le bas et enlevez le serre-flan en appuyant sur le côté.
Fig. 8.7.1 Prise manuelle de plateau sur la table des composants - Vue de dessus sans plateau
Légende de
Fig. 8.7.1
Goupilles de centrage Réglette magnétique
Calottes
8.7.4 Saisie des données
Définissez les magasins de plateau comme le décrit du mode d'emploi SIPLACE, calculateur de ligne UNIX.
❒

Notice d’exploitation SIPLACE 80 S/F/G
Edition 07/97 Version du logiciel à partir de SR.010.xx
9 - I
Table des matières
Page
9 Maintenance
9.1 Vue générale . . . . . . . . . . . . . . . . . . . . . . . . . . . . . . . . . . . . . . . . . . . . . . . . . . . . . . . . . . . . . 9 - 3
9.1.1 SIPLACE 80S (module de report) . . . . . . . . . . . . . . . . . . . . . . . . . . . . . . . . . . . . . . . . . . . . .9 - 3
9.1.2 SIPLACE 80F (module de report). . . . . . . . . . . . . . . . . . . . . . . . . . . . . . . . . . . . . . . . . . . . . .9 - 4
9.1.3 SIPLACE G (poste de collage). . . . . . . . . . . . . . . . . . . . . . . . . . . . . . . . . . . . . . . . . . . . . . . .9 - 5
9.1.4 Généralités (SIPLACE 80S, 80F, G) . . . . . . . . . . . . . . . . . . . . . . . . . . . . . . . . . . . . . . . . . . .9 - 6
9.1.4.1 Prescriptions de sécurité . . . . . . . . . . . . . . . . . . . . . . . . . . . . . . . . . . . . . . . . . . . . . . . . . . . .9 - 6
9.1.4.2 Informations relatives au déroulement des travaux . . . . . . . . . . . . . . . . . . . . . . . . . . . . . . . . 9 - 6
9.1.4.3 Traitement des fonctions de sécurité au menu "fonctions portique X": . . . . . . . . . . . . . . . . .9 - 7
9.1.5 Outils et consommables pour l‘entretien des automates
de report SIPLACE 80S, 80F et G . . . . . . . . . . . . . . . . . . . . . . . . . . . . . . . . . . . . . . . . . . . . .9 - 8
9.1.5.1 Liste du matériel pour l‘entretien de l‘automate de report SIPLACE 80S. . . . . . . . . . . . . . . .9 - 8
9.1.5.2 Liste du matériel pour l‘entretien de l‘automate SIPLACE 80F . . . . . . . . . . . . . . . . . . . . . . . 9 - 9
9.1.5.3 Liste du matériel d’entretien de l‘automate de collage SIPLACE G . . . . . . . . . . . . . . . . . . . . 9 - 9
9.2 Tableaux de maintenance . . . . . . . . . . . . . . . . . . . . . . . . . . . . . . . . . . . . . . . . . . . . . . . . . 9 - 11
9.2.1 Tableau de maintenance de base SIPLACE 80S et 80F . . . . . . . . . . . . . . . . . . . . . . . . . . . 9 - 11
9.2.2 Maintenance supplémentaire SIPLACE 80F . . . . . . . . . . . . . . . . . . . . . . . . . . . . . . . . . . . . 9 - 14
9.2.3 Maintenance supplémentaire SIPLACE G . . . . . . . . . . . . . . . . . . . . . . . . . . . . . . . . . . . . . . 9 - 15
9.2.4 Consignes de travail pour entretien segments SIPLACE avec de la graisse. . . . . . . . . . . . 9 - 16
9.3 Bâti de la machine . . . . . . . . . . . . . . . . . . . . . . . . . . . . . . . . . . . . . . . . . . . . . . . . . . . . . . . 9 - 17
9.3.1 Baie électronique . . . . . . . . . . . . . . . . . . . . . . . . . . . . . . . . . . . . . . . . . . . . . . . . . . . . . . . . .9 - 17
9.3.1.1 Nettoyage ou remplacement des filtres à air . . . . . . . . . . . . . . . . . . . . . . . . . . . . . . . . . . . . 9 - 17
9.3.2 Convoyage des cartes . . . . . . . . . . . . . . . . . . . . . . . . . . . . . . . . . . . . . . . . . . . . . . . . . . . . .9 - 18
9.3.2.1 Nettoyage des convoyeurs. . . . . . . . . . . . . . . . . . . . . . . . . . . . . . . . . . . . . . . . . . . . . . . . . .9 - 18
9.3.2.2 Maintenance du réglage en largeur . . . . . . . . . . . . . . . . . . . . . . . . . . . . . . . . . . . . . . . . . . . 9 - 18
9.3.2.3 Nettoyer le filtre à poussière de la baie de commande . . . . . . . . . . . . . . . . . . . . . . . . . . . . 9 - 20
9.3.3 Tables de magasin de distribution . . . . . . . . . . . . . . . . . . . . . . . . . . . . . . . . . . . . . . . . . . . . 9 - 20
9.3.3.1 Démontage des magasins . . . . . . . . . . . . . . . . . . . . . . . . . . . . . . . . . . . . . . . . . . . . . . . . . .9 - 20
9.3.3.2 Nettoyage des tables de magasin à l’aspirateur. . . . . . . . . . . . . . . . . . . . . . . . . . . . . . . . . . 9 - 21
9.3.3.3 Nettoyage des magasins et aspiration des composants isolés . . . . . . . . . . . . . . . . . . . . . . 9 - 21
9.3.3.4 Huiler légèrement la surface de pose pour les magasins. . . . . . . . . . . . . . . . . . . . . . . . . . . 9 - 21
9.3.3.5 Maintenance des barres magnétiques et des surfaces d'appui des magasins . . . . . . . . . . 9 - 21
9.3.3.6 Montage des magasins etc. . . . . . . . . . . . . . . . . . . . . . . . . . . . . . . . . . . . . . . . . . . . . . . . . . 9 - 22
9.3.3.7 Démontage et montage de la table de changement des composants . . . . . . . . . . . . . . . . . 9 - 22
9.3.4 Découpeuse de bandes vides de la SIPLACE 80S et 80F. . . . . . . . . . . . . . . . . . . . . . . . . . 9 - 24
9.3.4.1 Vider le conteneur des déchets de bande . . . . . . . . . . . . . . . . . . . . . . . . . . . . . . . . . . . . . . 9 - 24

Notice d’exploitation SIPLACE 80 S/F/G
Edition 07/97 Version du logiciel à partir de SR.010.xx
9 - II
9.3.4.2 Procéder à l'entretien du rail de guidage et du chariot du couteau circulaire,
examiner le bord de coupe. . . . . . . . . . . . . . . . . . . . . . . . . . . . . . . . . . . . . . . . . . . . . . . . . .9 - 24
9.3.5 Unité d'air comprimé SIPLACE 80S et 80F . . . . . . . . . . . . . . . . . . . . . . . . . . . . . . . . . . . . .9 - 28
9.3.5.1 Contrôle de la pression de circuit 5,1 bar. . . . . . . . . . . . . . . . . . . . . . . . . . . . . . . . . . . . . . .9 - 28
9.3.5.2 Pression 2,3 bar pour la butée . . . . . . . . . . . . . . . . . . . . . . . . . . . . . . . . . . . . . . . . . . . . . . .9 - 30
9.3.5.3 Purge de l'eau de condensation . . . . . . . . . . . . . . . . . . . . . . . . . . . . . . . . . . . . . . . . . . . . . .9 - 30
9.3.5.4 Remplacement de la cartouche de filtre, nettoyage du réceptacle de filtre . . . . . . . . . . . . .9 - 31
9.3.6 Vider le conteneur des rejets de la tête IC (SIPLACE 80F) . . . . . . . . . . . . . . . . . . . . . . . . .9 - 32
9.3.7 Nettoyer le changeur de pipettes de la tête IC (SIPLACE 80F) . . . . . . . . . . . . . . . . . . . . . .9 - 33
9.3.8 Capots de protection. . . . . . . . . . . . . . . . . . . . . . . . . . . . . . . . . . . . . . . . . . . . . . . . . . . . . . .9 - 35
9.3.8.1 Nettoyage du guidage. . . . . . . . . . . . . . . . . . . . . . . . . . . . . . . . . . . . . . . . . . . . . . . . . . . . . .9 - 35
9.3.8.2 Nettoyage bande de codes à barres. . . . . . . . . . . . . . . . . . . . . . . . . . . . . . . . . . . . . . . . . . .9 - 35
9.4 Portiques. . . . . . . . . . . . . . . . . . . . . . . . . . . . . . . . . . . . . . . . . . . . . . . . . . . . . . . . . . . . . . .9 - 37
9.4.1 Surfaces de friction. . . . . . . . . . . . . . . . . . . . . . . . . . . . . . . . . . . . . . . . . . . . . . . . . . . . . . . .9 - 37
9.4.1.1 Nettoyer les rails de guidage des axes du portique Y, les surfaces de
friction et roulements à billes du bloc de friction. . . . . . . . . . . . . . . . . . . . . . . . . . . . . . . . . .9 - 37
9.4.1.2 Nettoyer les rails de guidage des axes X du portique et les graisser légèrement . . . . . . . .9 - 40
9.4.2 Graisser les courroies dentées X et Y . . . . . . . . . . . . . . . . . . . . . . . . . . . . . . . . . . . . . . . . .9 - 40
9.4.3 Système de mesure X/Y. . . . . . . . . . . . . . . . . . . . . . . . . . . . . . . . . . . . . . . . . . . . . . . . . . . .9 - 41
9.4.3.1 Nettoyer les échelles de mesure incrémentales des axes X et Y. . . . . . . . . . . . . . . . . . . . .9 - 41
9.5 Tête revolver avec version de segments 2 (nouveau logement des pipettes) . . . . . . .9 - 43
9.5.1 Examiner/nettoyer les pinces de la station de centrage. . . . . . . . . . . . . . . . . . . . . . . . . . . .9 - 43
9.5.2 Appareil de contrôle d'identité CRDL . . . . . . . . . . . . . . . . . . . . . . . . . . . . . . . . . . . . . . . . . .9 - 43
9.5.2.1 Déroulement du travail . . . . . . . . . . . . . . . . . . . . . . . . . . . . . . . . . . . . . . . . . . . . . . . . . . . . .9 - 44
9.5.3 Démontage et remontage du boîtier complet avec barillet. . . . . . . . . . . . . . . . . . . . . . . . . .9 - 46
9.5.3.1 Démontage du boîtier complet avec barillet . . . . . . . . . . . . . . . . . . . . . . . . . . . . . . . . . . . . .9 - 46
9.5.3.2 Montage du boîtier complet avec barillet . . . . . . . . . . . . . . . . . . . . . . . . . . . . . . . . . . . . . . .9 - 49
9.5.3.3 Travaux de conclusion . . . . . . . . . . . . . . . . . . . . . . . . . . . . . . . . . . . . . . . . . . . . . . . . . . . . .9 - 49
9.5.4 Station de rotation dp1 et dp2. . . . . . . . . . . . . . . . . . . . . . . . . . . . . . . . . . . . . . . . . . . . . . . .9 - 50
9.5.4.1 Nettoyer et graisser l'engrenage du levier pivotant. . . . . . . . . . . . . . . . . . . . . . . . . . . . . . . .9 - 51
9.5.4.2 Nettoyer, le cas échéant remplacer la courroie de transmission . . . . . . . . . . . . . . . . . . . . .9 - 52
9.5.5 Barillet. . . . . . . . . . . . . . . . . . . . . . . . . . . . . . . . . . . . . . . . . . . . . . . . . . . . . . . . . . . . . . . . . .9 - 52
9.5.5.1 Entretenir colonnes de guidage/barres conductrices longitudinales,
nettoyer les tubes de vide. . . . . . . . . . . . . . . . . . . . . . . . . . . . . . . . . . . . . . . . . . . . . . . . . . .9 - 52
9.5.6 Station de centrage mécanique . . . . . . . . . . . . . . . . . . . . . . . . . . . . . . . . . . . . . . . . . . . . . .9 - 53
9.5.6.1 Nettoyer et graisser la crémaillère . . . . . . . . . . . . . . . . . . . . . . . . . . . . . . . . . . . . . . . . . . . .9 - 54
9.5.6.2 Huiler la colonne de guidage longitudinal, nettoyer et huiler la crémaillère
et le pignon du moteur . . . . . . . . . . . . . . . . . . . . . . . . . . . . . . . . . . . . . . . . . . . . . . . . . . . . .9 - 54
9.5.7 Tournevis 1 et 2 . . . . . . . . . . . . . . . . . . . . . . . . . . . . . . . . . . . . . . . . . . . . . . . . . . . . . . . . . .9 - 55
9.5.8 Tuyères de vide . . . . . . . . . . . . . . . . . . . . . . . . . . . . . . . . . . . . . . . . . . . . . . . . . . . . . . . . . .9 - 56
9.5.9 Couplage du distributeur du vide . . . . . . . . . . . . . . . . . . . . . . . . . . . . . . . . . . . . . . . . . . . . .9 - 57
9.5.9.1 Nettoyer alésages et surfaces extérieures . . . . . . . . . . . . . . . . . . . . . . . . . . . . . . . . . . . . . .9 - 57
9.5.9.2 Examiner, nettoyer et graisser les joints toriques. . . . . . . . . . . . . . . . . . . . . . . . . . . . . . . . .9 - 59
9.5.10 Segments version 2 . . . . . . . . . . . . . . . . . . . . . . . . . . . . . . . . . . . . . . . . . . . . . . . . . . . . . . .9 - 60
9.5.10.1 Démontage des segments . . . . . . . . . . . . . . . . . . . . . . . . . . . . . . . . . . . . . . . . . . . . . . . . . .9 - 60