SIPLACE Machine de placement 80 S FG - 第459页
9 Maintenance Notice d’exploitati on SIPLA CE 80 S/F/G 9.9 Tête de collage 1, 2 et 3 Edition 07/97 Version du l ogiciel à partir de SR.010.xx 9 - 100 Fig. 9.9.1 Vue d’ensemble: Agenc ement des têtes de collage 1 , 2 et 3…

Notice d’exploitation SIPLACE 80 S/F/G 9 Maintenance
Edition 07/97 Version du logiciel à partir de SR.010.xx 9.9 Tête de collage 1, 2 et 3
9 - 99
9.9 Tête de collage 1, 2 et 3
9.9.1 Synoptique
-
3 têtes de collage sont installées sur l'axe X du portique de la machine automatique SIPLACE G.
L'affectation des codes 1 à 3 aux têtes de collage est illustrée dans la vue d'ensemble ci-après.
-
La commande de chaque tête de collage est réalisée par l'intermédiaire d'une "platine à processeur"
logée sur la "platine de conversion du petit axe poste de collage"
-
La tête de collage 1 recèle en plus un petit axe x et la tête de collage 2 un petit axe y. Ces têtes de
collage sont simultanément opérationnelles et positionnées relativement par rapport à la tête de collage 3.
-
La tête de collage 3 est fixée sur l'axe X du portique, si bien qu'elle n'est positionnée que par l'axe X et Y
du portique.
-
Le rouleau essuyeur permet de poser des points de colle pouvant être analysés par la caméra du poste de
collage. La nécessité du remplacement du rouleau essuyeur est affichée en dû temps sur écran.
DANGER
O
O
O
N‘effectuez aucun travail de nettoyage avec de l’alcool ou du diluant pour résine (buses de colle) à l‘air libre
ou sous feu direct.
Observer les
instructions de sécurité
insérées sous la rubrique DANGER ainsi que les "fonctions de sécu-
rité traitées dans le menu "fonctions élémentaires", paragraphe 9.1.4, page 9 - 6.
NOTA
La colle n'est pas réchauffée en mettant la machine hors circuit!
Soumettre donc les têtes de collage aux travaux d'entretien immédiatement après avoir déconnecté la
machine (simultanément avec le remplacement d'une cartouche/la conversion à une autre colle).
Il est plus facile de nettoyer les tuyères de collage lorsque la colle ne s'est pas desséchée.
Nettoyer donc en premier lieu les tuyères de collage des trois éléments de collage et entreprendre ensuite les
travaux d'entretien restants sur les têtes de collage.
Il n'est possible de nettoyer au moyen d'un solvant (diluant) que les surfaces métalliques, et cela avec précau-
tion.
Ne pas utiliser de l'air comprimé pour nettoyer la zone des têtes de collage, afin d'éviter des projections de
colle ou l'encrassement des glissières.

9 Maintenance Notice d’exploitation SIPLACE 80 S/F/G
9.9 Tête de collage 1, 2 et 3 Edition 07/97 Version du logiciel à partir de SR.010.xx
9 - 100
Fig. 9.9.1 Vue d’ensemble: Agencement des têtes de collage 1, 2 et 3 sur l'axe X du portique

Notice d’exploitation SIPLACE 80 S/F/G 9 Maintenance
Edition 07/97 Version du logiciel à partir de SR.010.xx 9.9 Tête de collage 1, 2 et 3
9 - 101
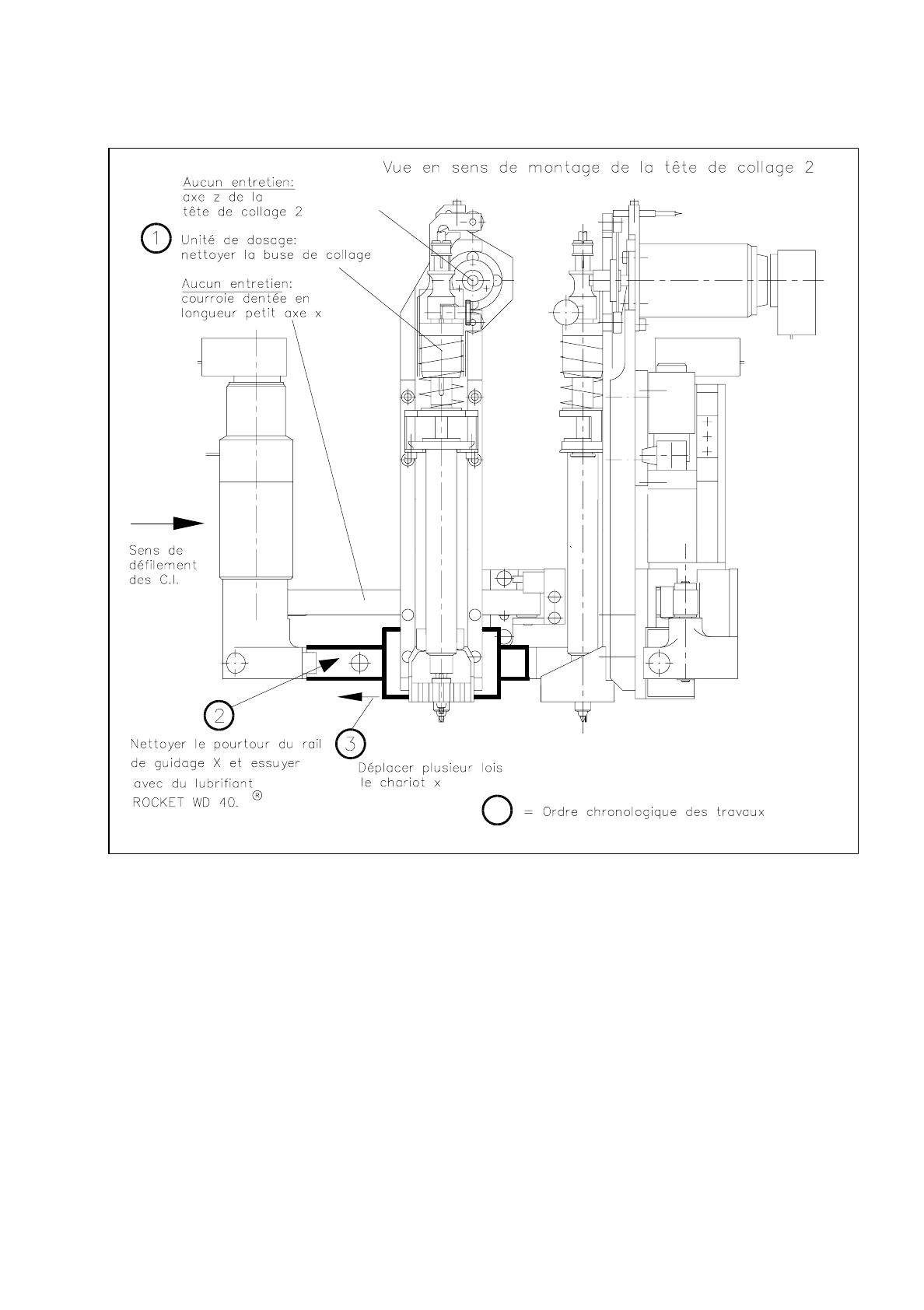
Fig. 9.9.2 Travaux d'entretien sur la tête de collage 2
9.9.2 Nettoyer le rail de guidage des petits axes x et y
●
Lubrifiant utilisé :
-
ROCKET WD 40
, à partir de l’article n° 00325833-01