SIPLACE Machine de placement 80 S FG - 第461页
9 Maintenance Notice d’exploitati on SIPLACE 80 S/F/G 9.9 Tête de collage 1, 2 et 3 Edition 07/97 Versi on du logiciel à partir de S R.010.xx 9 - 102 ● Amenez l a tête de com mande d e la colle en pos ition de s ervice. …

Notice d’exploitation SIPLACE 80 S/F/G 9 Maintenance
Edition 07/97 Version du logiciel à partir de SR.010.xx 9.9 Tête de collage 1, 2 et 3
9 - 101
Fig. 9.9.2 Travaux d'entretien sur la tête de collage 2
9.9.2 Nettoyer le rail de guidage des petits axes x et y
●
Lubrifiant utilisé :
-
ROCKET WD 40
, à partir de l’article n° 00325833-01

9 Maintenance Notice d’exploitation SIPLACE 80 S/F/G
9.9 Tête de collage 1, 2 et 3 Edition 07/97 Version du logiciel à partir de SR.010.xx
9 - 102
●
Amenez la tête de commande de la colle en position de service. Voir fonctions élémentaires au
paragraphe 10.7.4.1 de ce mode d'emploi.
DANGER
O
O
O
Débranchez l‘automate par l‘interrupteur principal et coupez son alimentation par le réseau.
●
Ouvrir le capot/volet correspondant.
●
Nettoyer la glissière du petit axe x (tête de collage 2) à l'aide d'un chiffon propre et sec.
●
Nettoyer le pourtour du rail de guidage X et essuyer avec du lubrifiant ROCKET WD 40
®
(voir fig. 9.9.2) .
Déplacez manuellement le chariot et enlevez le surplus de lubrifiant.
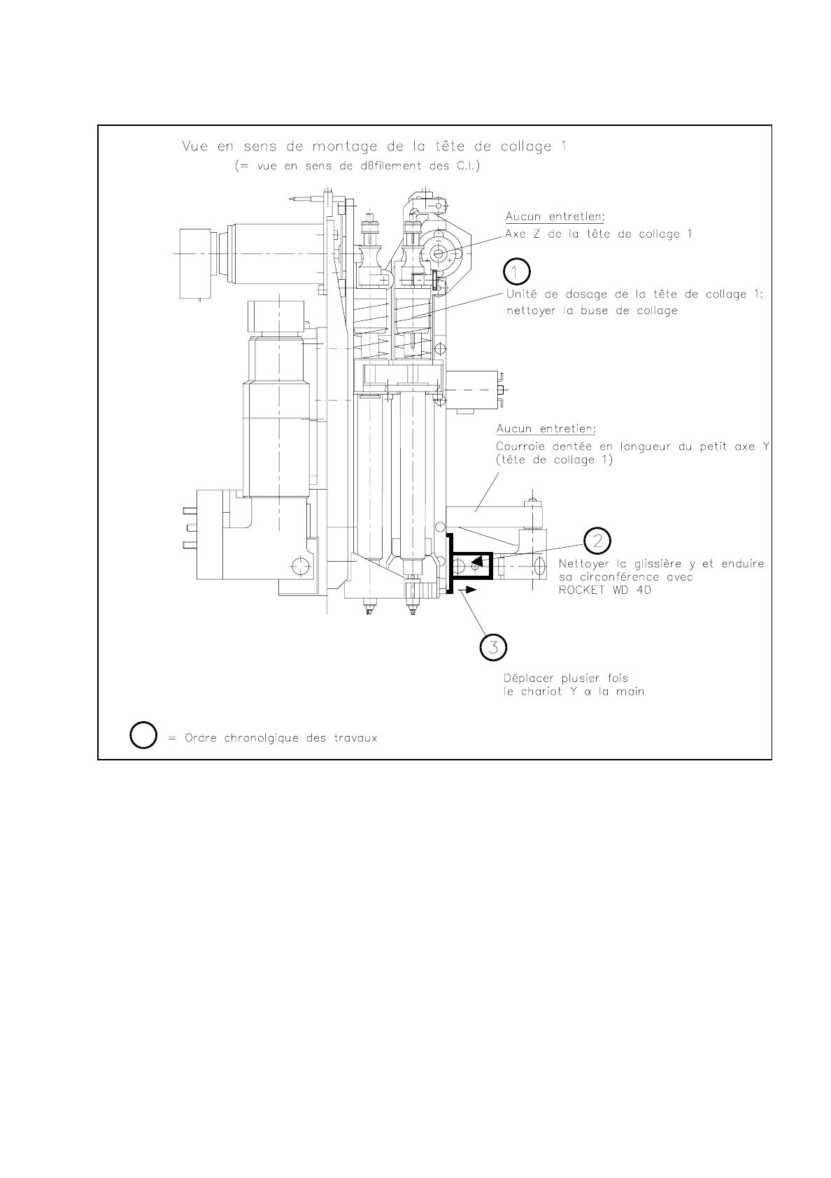
●
L'entretien de la glissière du petit axe y de la tête de collage 1 (voir fig. 9.9.3) est ensuite réalisé de façon
identique.
NOTA
La tête de collage 3 n'est pas dotée d'une glissière nécessitant un entretien.

Notice d’exploitation SIPLACE 80 S/F/G 9 Maintenance
Edition 07/97 Version du logiciel à partir de SR.010.xx 9.9 Tête de collage 1, 2 et 3
9 - 103
Fig. 9.9.3 Travaux d'entretien sur la tête de collage 1