CP40 service manual - 第226页
11. Utility (CP-40) 1 J1301324 SET SCREW 1 M3*5 2 J9801509 AIR INLET ASS'Y 1 0135-6 13001-A 3 J1301176 AIR REGULATOR 1 AR4000-04 4 J1300862 COUPLER (CORK) 1 CM24 5 J2101163 NIPPLE-QC 1 0131-611035 6 J2101164 NIPPLE-…

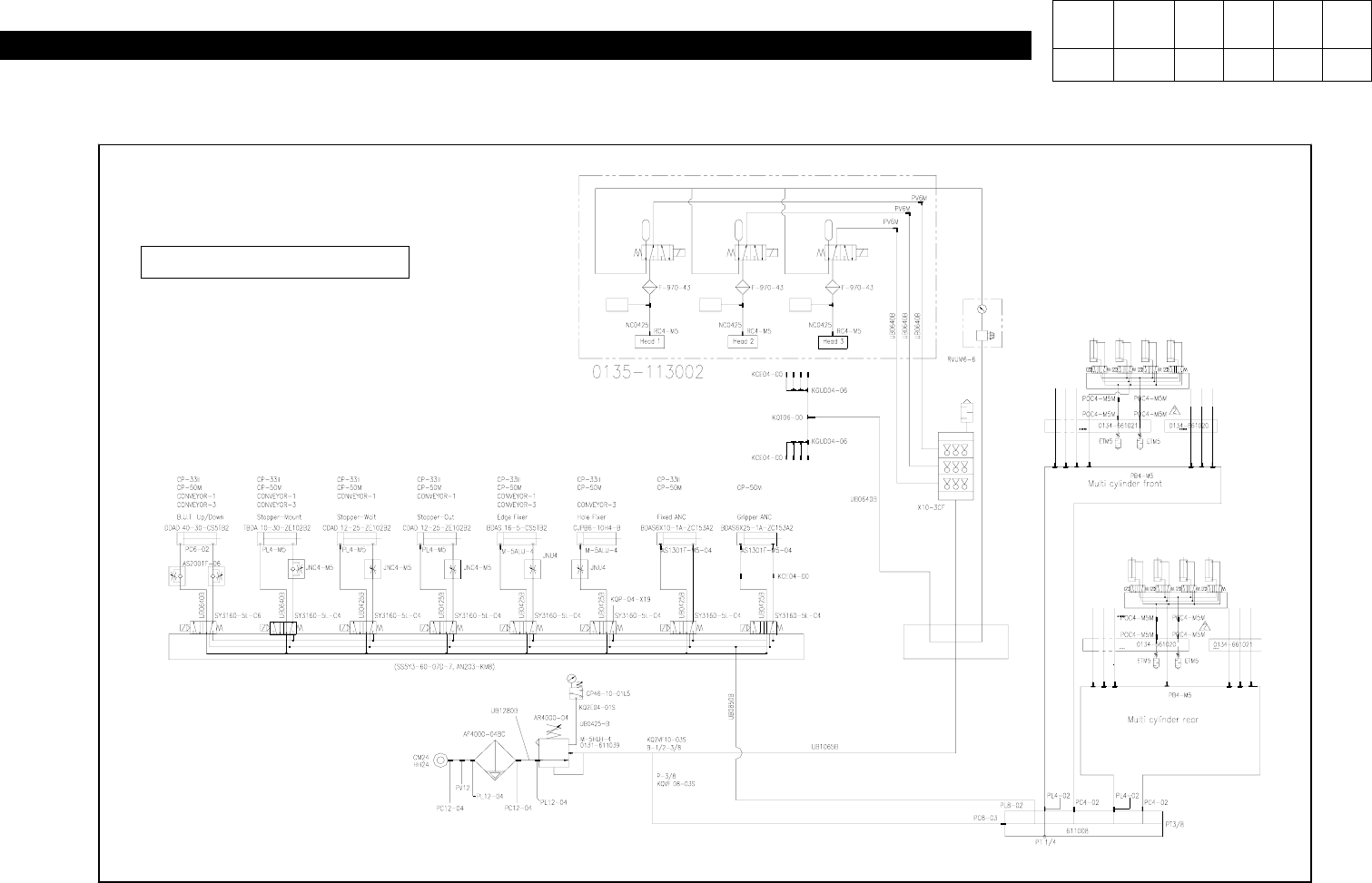
11. Utility
(CP-40)
Block Diagram
Version Date WA QA CA Note
00 Nov04 O O O

11. Utility
(CP-40)
1 J1301324 SET SCREW 1 M3*5
2 J9801509 AIR INLET ASS'Y 1 0135-613001-A
3 J1301176 AIR REGULATOR 1 AR4000-04
4 J1300862 COUPLER (CORK) 1 CM24
5 J2101163 NIPPLE-QC 1 0131-611035
6 J2101164 NIPPLE-QC NUT 1 0131-611036
7 J1301175 AIR FILTER 1 AF4000-04BC
8 J1300863 COUPLER (HOLE) 1 HH24
9 J2102081 AIR PRESSURE CABLE ASS'Y 1 QA2-CV01
10 J1300995 PRESSURE GAGE 1 GP46-10-01L5
11 J1301213 PLUG 1 PT 3/8
12 J1301712 FITTING 2 KQVF08-03S
13 J1301713 FITTING 1 KQVF10-03S
14 J1301714 FITTING 1 KQ2E04-01
15 J1301715 REDUCING BUSHING 1 PT1/2-3/8
16 J1301187 ELBOW FITTING 2 KQ2L12/PL12-04
17 J1301700 CHECK UNION 8 KCE04-00
18 J1301701 DOUBLE UNION 2 KGUD04-06
19 J1301188 FITTING 1 KQ2L04-M5/PL4-M5M
20 J6713019A AIR TUBE (POLYURETHANE) 10 U2-4-10*6.5 (BLACK)
21 J6713020A AIR TUBE (POLYURETHANE) 1 U2-4-12*8 (BLACK)
22 J9800970 MANIFOLD-MUNTI CYLINDER ASS'Y 1 0134-613002-A
23 J2100009 MANIFOLD 1 0131-611008
24 J1301133 FITTING 2 KQ2L04-02/PL4-02
25 J1301421 STRAIGHT FITTING 2 KQ2H04-02/PC4-02
26 J1301212 PLUG 1 PT 1/4
27 J1301213 PLUG 1 PT 3/8
28 J9800971 MANIFOLD-VAC ASS'Y 1 0134-613003-A
29 J2100009 MANIFOLD 1 0131-611008
30 J1300274 ELBOW FITTING 1 KQ2L10-03/PL10-03
31 J1301339 STRAIGHT FITTING 3 KQ2H06-02/PC6-02
32 J1301189 ELBOW FITTING 1 KQ2L06-02/PL6-02
33 J1301213 PLUG 2 PT 3/8
34 J1301212 PLUG 2 PT 1/4
35 J9058016A VACUUM PUMP ASS'Y 1 CP-40L(V)+
36 J6103021A SPACER 6 CRS-2-5mm
Part List 1/2
Version Date WA QA CA Note
00 Nov04 O O O

11. Utility
(CP-40)
NO. PART NO. PART NAME Q'TY TYPE
37 J6707005A VACUUM PUMP 1 X10-3CF
38 J7058002B SOLENOID BRACKET 1 J7058002B
39 J6711047A Fitting Plastic 1/16" Hose to #10-32UNF 9 F-3120-80
40 J6711048A Nipple #10-32UNF x #10-32UNF Plastic 3 F-3120-25
41 J6711050A Fitting Plastic 1/8" Hose to #10-32UNF 3 F-3120-85
42 J6712004A PLUG (Plastic) #10-32UNF 3 F-3120-20
43 J6711052A Fitting Plastic Tee 1/16" Hose Baras 3 F-3145-80
44 J6708004A Filter,AirIn-line43Micronw/#10-32THD 3 F-970-43
45 J6702001A Valve Solenoid 4 Way, 24 Vac.Alu 3 44B-BAA-GDFA-1BA
46 J6711054A
Barbed Ports for1/16"x1/8"ID Flexible Tubing
3 F-3120-70
47 J6709011A Regulator 1 RVUM6-6
48 J7155084A VOLUME CHAMBER FOR PUFF-OFF MOULAR HEAD 3 0060-621016-1M
49 J9060080A VACUUM SENSOR BOARD ASS'Y 1 VACUUM BOARD ASS'Y
50 J9061382A VACUUM SENSOR CABLE ASS'Y 1 QA2-VS-01
51 J6001305036 SOCKET HEAD CAP SCREW 2 M3x50L
52 J6713023A AIR TUBE(POLYURETHANE) 2 HU4-B
53 J6711143A MANIFOLD FITTING 1 SJK 6-4
54 J6711144A FITTING PLUG 1 PP 6
55 J7058003A REGULATOR BRACKET 1 J7058003A
56 J1301423 O-RING 3 DIA 5
57 J9801510 CONVEYOR AIR ASS'Y 1 0135-613006-A
58 J1301695 MANIFOLD BASE 1 SS5Y3-60-07D-7
59 J2102198 BUT SOL CABLE ASS'Y 1 QA2-CV26-5
60 J1301696 SOLENOID 1 SY3160-5L-C6
61 J1301698 SILENCER 1 AN203-KM8
62 J1301699 PLUG 1 KQP04-X19
63 J1300621 SPEED CONTROLLER 2 AS2001F-06
64 J6713016A AIR TUBE (POLYURETHANE) 8 U2-4-4*2.5 (BLACK)
65 J6713016A AIR TUBE (POLYURETHANE) 10 U2-4-4*2.5 (BLACK)
66 J6713017A AIR TUBE (POLYURETHANE) 5 U2-4-6*4 (BLACK)
67 J6713018A AIR TUBE (POLYURETHANE) 5 U2-4-8*5 (BLACK)
68 J6713019A AIR TUBE (POLYURETHANE) 10 U2-4-10*6.5 (BLACK)
69 J6713020A AIR TUBE (POLYURETHANE) 2.5 U2-4-12*8 (BLACK)
Version Date WA QA CA Note
00 Nov04 O O O
11-3-4. Specified Pressure Check