PTS-AIMEX3-L-06.pdf - 第91页
COVER 2/ カバー 2/ 2UHGKB000217 No. Drg.No. & Code No. QTY Description Rating Remarks 番号 図番 & コード番 号 個数 品名 規格 備考 1 2MHFKB0 52700 2 COVER カバー 2 K5173 G 4 SCREW , C/R TRUSS 小ネジ 十穴トラス M04X01 0(3 カ シロ ) 10 2MHFKB04 260…

a
a
b
b
c
c
d
d
a
a
b
b
c
c
c
c
c
c
d
d
d
d
d
d
d
d
d
d
a
a
a
a
a
a
b
b
b
b
b
b
12
13
14
56
56
56
19
23
24
10
61
62
60
60
65
66
20
21
23
23
24
24
25
25
26
26
26
25
19
62
59
29
28
55
59
20
20
20
11
11
15
12
13
14
10
11
11
15
22
22
21
23
24
25
26
22
22
1
2
1
2
65
66
67
71
70
71
70
67
72
72
59
59
77
78
78
79
80
80
73
75
81
࢝ࣂ࣮
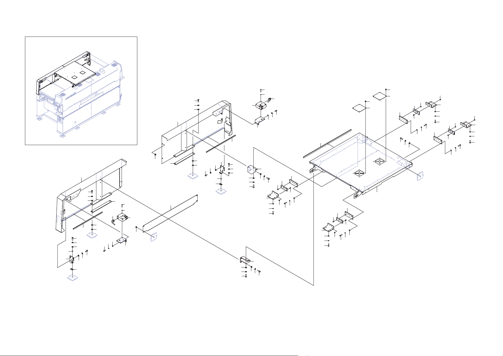
COVER 2/
2UHGKB000217
24.2
90
PTS-AIMEX3-L-06

COVER 2/
カバー 2/
2UHGKB000217
No. Drg.No. & Code No. QTY Description Rating Remarks
番号 図番 & コード番号 個数 品名 規格 備考
1 2MHFKB052700 2 COVER
カバー
2 K5173G 4 SCREW, C/R TRUSS
小ネジ 十穴トラス
M04X010(3カ シロ)
10 2MHFKB042600 2 BKT
BKT
11 H5425B 8 BOLT, HEX SOCKET
ボルト 六角穴
M06X010(3カシロ)
12 PP01142 2 BKT, COVER
BKT カバー
13 K5172K 8 SCREW, C/R TRUSS
小ネジ 十穴トラス
M04X005(3カ シロ)
14 2MGTKA017600 2 COVER, ACRYLIC
カバー アクリル
15 K74820 8 SCREW, HEX SOCKET ROUND
小ネジ 六角穴丸
SSH-M3X8-EL
19 2MHFKB052600 2 BKT
BKT
20 H5425B 8 BOLT, HEX SOCKET
ボルト 六角穴
M06X010(3カシロ)
21 2MHFKB042801 2 BKT
BKT
22 H5425B 8 BOLT, HEX SOCKET
ボルト 六角穴
M06X010(3カシロ)
23 K1141K 4 GUARD, FIN
ガード フィン
109-019E
24 H30129 4 FAN
ファン
9G1224G4D01
25 K1141G 4 GUARD, FIN
ガード フィン
109-1000G
26 K5182B 16 SCREW, WASHER ASS'Y
小ネジ 座金組込み
M04X035 ナベセムス P3(3カシロ)
28 2MHFKB042900 1 BKT
BKT
29 H5425B 2 BOLT, HEX SOCKET
ボルト 六角穴
M06X010(3カシロ)
55 2MHFKB052001 1 SUPPORT COLUMN
支柱
56 H5425B 7 BOLT, HEX SOCKET
ボルト 六角穴
M06X010(3カシロ)
59 H72929 4 FRAME
フレーム
NFS3030 L=405.6
60 H73306 2 FRAME
フレーム
NFS3060 L=2350
61 2MHFKB052101 1 SUPPORT COLUMN
支柱
62 H5425B 7 BOLT, HEX SOCKET
ボルト 六角穴
M06X010(3カシロ)
65 2MHFKB054701 2 BKT
BKT
66 H67820 8 BOLT, HEX SOCKET WASHER ASSY
ボルト 六角穴座金付
M05X016 CAPセムス P=3(3カ シロ)
67 H5426K 8 BOLT, HEX SOCKET
ボルト 六角穴
M04X008(3カ シロ)
70 2MHFKB054102 2 COVER
カバー
71 H54251 12 BOLT, HEX SOCKET
ボルト 六角穴
M03X006(3カ シロ)
72 2MHFKB054501 2 PACKING, RUBBER
パッキン ゴム
73 N60973 8 NUT
ナット
HNTE6-5
75 N60247 60 NUT
ナット
HNTE6-6
77 H64028 8 BKT
BKT
NDBKS
78 H5425C 16 BOLT, HEX SOCKET
ボルト 六角穴
M06X012(3カシロ)
79 H64029 4 BKT
BKT
NHBKS
80 H53220 8 BOLT, HEX SOCKET
ボルト 六角穴
M06X016(3カ シロ)
81 K3047C 10 CLAMPER
クランパ
C1P004C
91
PTS-AIMEX3-L-06

14
15
16
17
17
18
18
19
20
44
46
45
47
48
49
50
47
48
32
31
30
34
35
9
13
10
12
43
38
54
55
22
25
26
1
2
3
4
27
28
57
58
33
34
35
61
62
5
56
11
21
23
24
39
40
42
41
51
53
52
37
6
7
8
33
34
35
29
29
64
64
64
64
36
37
36
75
76
77
78
79
80
80
81
82
83
84
85
75
76
77
78
79
80
80
81
82
83
84
85
75
76
77
78
75
76
77
78
79
80
80
79
80
80
81
81
82
82
83
84
85
83
84
85
࢝ࣂ࣮
COVER 3/
2UHGKB000217
92
PTS-AIMEX3-L-06