JM-20-Rev04 - 第129页
- 124 - NOTE( 注記 ) #01....FOR 250MM LEFT SIDE 250 MM 左側用 #02....FOR 250MM RIGHT SIDE 250 MM 右側用 #03....FOR EN(250MM LEFT SIDE) EN(250 MM 左側)用 #04....TYPE XL XL 仕様 #05....FOR EN(250MM LEFT SIDE )(TYPE XL) EN(250 MM 左側) (X…

- 123 -
62.IFS-NX COMPONENTS(4)
IFS − NX 関係(4)
29
29
2
3
4
5
6
7
8
1
11
12
13
14
15
16
20
19
20
10
20
10
20
19
18
17
9
23 24
25
26
26
26
26
26
27
27
30
31
21 22
38
48
47
46
44
43
42
41
40
37
36
39
34
45
41
44
43
42
49
37
35
48
46
47
32 33
58 59
62
63
60
61
50 51
52
67
64
65 66
64
64
64
56 57
64
55
55
53 54
76
77
76
68
69
78
76
73
76
71
71
70
72
76
75
74
48
46
47
48
47
46
40
39
25
28
28

- 124 -
NOTE( 注記 ) #01....FOR 250MM LEFT SIDE 250 MM 左側用
#02....FOR 250MM RIGHT SIDE 250 MM 右側用
#03....FOR EN(250MM LEFT SIDE) EN(250 MM 左側)用
#04....TYPE XL XL 仕様
#05....FOR EN(250MM LEFT SIDE)(TYPE XL) EN(250 MM 左側)(XL 仕様)用
#06....FOR EN(250MM RIGHT SIDE)(TYPE XL) EN(250 MM 右側)(XL 仕様)用
REF.NO NOTE PART NO D E S C R I P T I O N
品 名
Qty
1 401-40787 MULTI_CODE_READER_HEAD_ASM
マルチコードリーダーヘッド組
1
2 401-40784 2D_BRACKET
2Dブラケット
(1)
3 SL-6030892-TN SCREW M3 L=8
座金付き六角穴ボルト M3 L=8
(2)
4 401-40785 BUSH
ブッシュ
(2)
5 SL-6030892-TN SCREW M3 L=8
座金付き六角穴ボルト M3 L=8
(2)
6 HX-0034400-00 FIXED BASE
束線パーツ
(1)
7 SL-4030691-SC SCREW M3 L=6
座金付きなべ小ねじ M3 L=6
(1)
8 401-39312 BARCODE READER
バーコードリーダ
(1)
9 401-40780 MULTI_CODE_READER_SUB_ASM
マルチコードリーダーサブ組
1
10 400-00912 SENSOR_ADJUST_SPRING
センサアジャストスプリング
(2)
11 401-39312 BARCODE READER
バーコードリーダ
(1)
12 401-40930 MCR_BASE
マルチコードリーダ_ベース
(1)
13 400-28300 ROTARY SUPPORT PLATE
回転支持板
(1)
14 401-40785 BUSH
ブッシュ
(2)
15 SL-6030892-TN SCREW M3 L=8
座金付き六角穴ボルト M3 L=8
(4)
16 SL-6040892-TN SCREW M4 L=8
座金付き六角穴ボルト M4 L=8
(2)
17 G6518-880-000 SET PICK-UP
セットつまみ
(1)
18 400-58815 SPACER
スペーサ
(1)
19 SM-6041802-TN SCREW M4X0.7 L=18
六角穴ボルト M4X0.7 L=18
(2)
20 WP-0430801-SC WASHER M4
平座金 M4
(4)
21 401-40781 MULTI_CODE_READER_BR_L_ASM
マルチコードリーダーブラケットL組
1
22
#04
401-40782 MULTI_CODE_READER_BR_XL_ASM
マルチコードリーダーブラケットXL組
1
23 401-11851 SLIDE_RAIL_L
スライドレール_L
(1)
24
#04
400-99108 SLIDE_RAIL_XL
スライドレールXL
(1)
25 401-43586 SLIDE_RAIL_BR
スライドレールブラケットBR
(2)
26 400-28302 SLIDE NUT
スライドナット
(9)
27 SL-6041092-TN SCREW M4 L=10
座金付き六角穴ボルト M4 L=10
(4)
28 SL-3061232-TN SCREW
座金付き丸ねじ M6 L=12
(4)
29 400-28301 END CAP
エンドキャップ
(2)
30 HX00294000 FIXED BASE
固定ベース
(2)
31 SL-4030691-SC SCREW M3 L=6
座金付きなべ小ねじ M3 L=6
(2)
32
#01
401-38194 CONVEYOR_EXTENSION_250_ASM_L
搬送延長 250MM(左側)組
1
33
#02
401-38195 CONVEYOR_EXTENSION_250_ASM_R
搬送延長 250MM(右側)組
1
34 400-11061 RAIL PLATE R(250)
レールプレートR(250)
(1)
35 401-38188 RAIL_F_250
レール_F_250
(1)
36 401-38189 RAIL_R_250
レール_R_250
(1)
37 401-38190 PWB_GUIDE_EX_250
基板ガイド_EX_250
(2)
38 400-11065 CONVEYOR BELT EX(250)
搬送ベルトEX(250)
(2)
39 401-40931 JOINT_PLATE_250
ジョイント_プレート_250
(1)
40 SL-6031092-TN SCREW M3 L=10
座金付き六角穴ボルト M3 L=10
(8)
41 SL-6031092-TN SCREW M3 L=10
座金付き六角穴ボルト M3 L=10
(4)
42 SL-6041292-TN SCREW M4 L=12
座金付き六角穴ボルト M4 L=12
(6)
43 SL-6041092-TN SCREW M4 L=10
座金付き六角穴ボルト M4 L=10
(12)
44 NM-6040002-SN NUT M4X0.7 TYPE2
六角ナット M4X0.7 2種
(12)
45 HX-0044000-00 CABLE BAND
束線バンド
(5)
46 401-38303 RESIST_LIGHTEN_ROLLER_ASM
レイジストライテンローラ組
(4)
47 SM-4041201-SC SCREW M4X0.7 L=12
なべ小ねじ M4X0.7 L=12
(4)
48 WP-0430800-SC WASHER M4
平座金小形丸 M4
(4)
49 400-11060 RAIL PLATE F(250)
レールプレートF(250)
(1)
50
#03
401-40763 CONVEYOR_COVER_IFS_L_L_250_ASM
搬送カバーIFS_L 左 250組
1
51
#05
401-40778 CONVEYOR_COVER_IFS_XL_L_250_ASM
搬送カバーIFS_XL 左 250組
1
52 E5721-729-000 LABEL
荷重禁止シール
(1)
53
#03
401-40767 CONVEYOR_COVER_LL_IFS_250
搬送カバー_LL_IFS_250
(1)
54
#05
401-40773 CONVEYOR_COVER_LXL_IFS_250
搬送カバー_LXL_IFS_250
(1)
55 SL-6041092-TN SCREW M4 L=10
座金付き六角穴ボルト M4 L=10
(4)
56
#03
401-40768 CONVEYOR_COVER_ULL_IFS_250
搬送カバー_ULL_IFS_250
(1)
57
#05
401-40797 CONVEYOR_COVER_ULXL_IFS_250
搬送カバー_ULXL_IFS_250
(1)
58
#03
401-40769 CONVEYOR_COVER_SLL_IFS_250
搬送カバー_SLL_IFS_250
(1)
59
#05
401-40774 CONVEYOR_COVER_SLXL_IFS_250
搬送カバー_SLXL_IFS_250
(1)
60
#03
401-36907 SHUTTER_UL
シャッターUL
(1)
61
#05
401-36913 SHUTTER_UXL
シャッターUXL
(1)
62
#03
400-01485 CONVEYOR SHUTTER B (LEN)
搬送シャッターB(L、EN)
(1)
63
#05
400-92187 EN_COVER_SHUTTER_B_XL
ENカバーシャッタB_XL
(1)
64 SM-0040601-SC SCREW M4X0.7 L=6
トラス小ねじ M4X0.7 L=6
(20)
65
#03
400-01490 TAPE
テープ
(1.664)
66
#05
400-01490 TAPE
テープ
(2.448)
67 400-98346 RETAINING WASHER M4
リテーニングワッシャ M4
(2)
68
#06
401-40779 CONVEYOR_COVER_IFS_XL_R_250_ASM
搬送カバーIFS_XL 右 250組
1
69 E5721-729-000 LABEL
荷重禁止シール
(1)
70 401-40798 CONVEYOR_COVER_RXL_IFS_250
搬送カバー_RXL_IFS_250
(1)
71 SL-6041092-TN SCREW M4 L=10
座金付き六角穴ボルト M4 L=10
(4)
72 401-40799 CONVEYOR_COVER_URXL_IFS_250
搬送カバー_URXL_IFS_250
(1)
73 401-40800 CONVEYOR_COVER_SRXL_IFS_250
搬送カバー_SRXL_IFS_250
(1)
74 401-36913 SHUTTER_UXL
シャッターUXL
(1)
75 400-92187 EN_COVER_SHUTTER_B_XL
ENカバーシャッタB_XL
(1)
76 SM-0040601-SC SCREW M4X0.7 L=6
トラス小ねじ M4X0.7 L=6
(20)
77 400-01490 TAPE
テープ
(2.448)
78 400-98346 RETAINING WASHER M4
リテーニングワッシャ M4
(2)

- 125 -
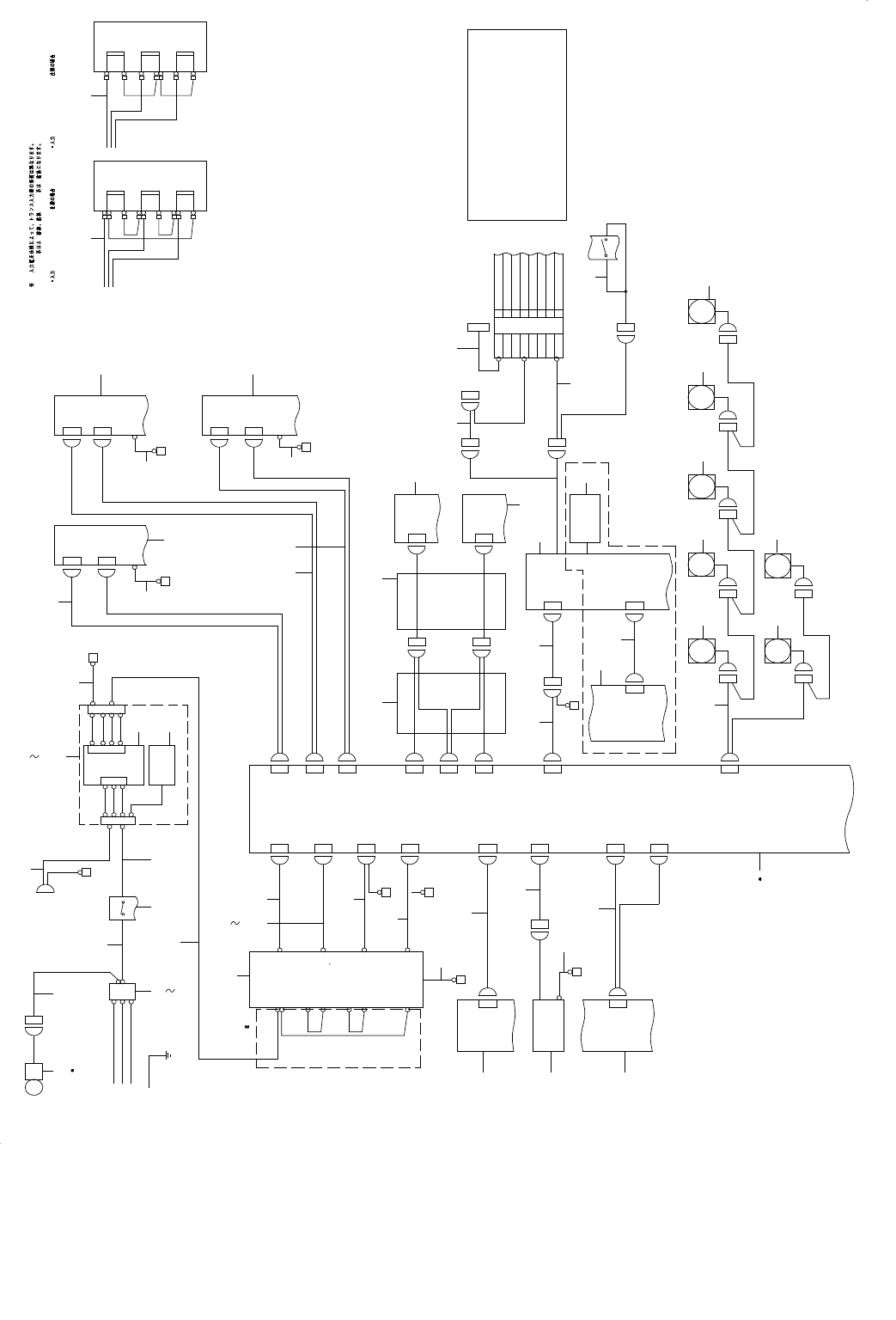
63.SYSTEM DIAGRAM(1)
SYSTEM DIAGRAM(1)
1-4C
6-4B
1-1A
1-4C
2-4B
2-5B
CN013
CN037
CN014
CNP1
CN37
ZTP02
ZTB SERVO
AMP(1/3)
MR-MD200-KW013
ZTACNP1
ZTA SERVO
AMP(1/3)
MR-MD200-KW013
CN14
XY BEAR CABLE
(1/3)
ZTP01
CN13
ZTACNP1
CNP1
CN017CN017
FAN7
[BASE2]
FAN6
FANFAN
FAN2FAN1
FAN
FAN
FAN5FAN4FAN3
[BASE1]
FAN
FAN
FAN
CN064CN064
PUMP
PUMP
R6E
FG
VACUUM PUMP
PWR PUMP
CN31CN531
2-2A
BASE PCB(1/5)
CN068PWR068
CN13
XYD13
O
W
O
V
O
R5E
R4E
TF1
1.
200V Y 400V Y
1
0
0
0
U
W
V
TF1
0
0
0
U
W
V
COM-A
MI FEEDER
4-1C
F16E
F3E
F2E
F1E
R3E
R1E
R2E
IN
IN
5-1A
RS232C BOARD
(2/4)
COM1
SIO1
3-3B
1-2C
CHECK
BATTERY OPTION
RS-232C
IP-X5
POSITION
CPU
IO-20
BATTERY
ATX-POWER(1/3)
8
7
6
5
4
3
2
2-1D
2-3A
1-1C
1
CONTROL UNIT
CPCI BACK BOARD
AC IN
MAIN SW
PS-ON
6-1C
CN251
PWR063CN063
ATX-13
TF1
200V
(6A)
100V
(14A)
CN04A
CN04A
2-4B
2-4A
2-4A
MTS PWR(L)
POWER ON LIGHT
CN001
CN06
CN04B
CN04B
34V
(6
8A)
CN03
CN03
CN01
CN01
CN11
XYD11
YL SERVO
AMP(1/2)
MR-J4-200B-KM012
E
CNP2
CNP1
YR SERVO
AMP(1/2)
MR-J4-200B-KM012
E
CNP2
CNP1
X SER VO
AMP(1/2)
MR-J4-70B-KM012
E
CNP2
CNP1
CN12
XYD12
NFB
200V
(12A)
U
FG
POWER UNIT(1/8)
INPUT
PE
FG
2-1D
MAIN SW
W
V
U
1-4C
CN031 CN031
2-1C
IO-20 PCB(2/6)
CN4 IO-CN4
380V/400V/415V200V/220V/240V
AC08
NF3030C-SVA
AC07
AC06
AC05
AC04
AC03
AC02
AC01
LF1
(5-1C)
CN473ATX-8
1 2
3
4
5 7
10
12
11
13 20
21 22
23
9
25
26 30
31
27 29
32
33 35 38
36
34
37
39
40
41
45
46
42
43
24
8
62 62
44
47
48
49
49
51
50
54
53
52
55
56
57 57
57 57
57
57
57
[CTRL UNIT]
59
58
60
61
9
9
CPU BOARD
COM1:HOD(By way of BASE PCB)
COM2:TOUCH PANEL
RS232C BOARD
COM3(SIO1):ATX BATTERY
COM4(SIO2):2D CodeReader of Head
COM5(SIO3):
COM6(SIO4):UPS of HEAD BACKUP
COM7(SIO5):BarCodeReader of Conveyor surface
COM8(SIO6):2D CodeReader of Conveyor back side
COM9(SIO7):
COM10(SIO8):