JM-20-Rev04 - 第131页
- 126 - NOTE( 注記 ) #01....FOR 200V 200 V 用 #02....FOR 400V 400 V 用 #03....FOR ST ST 用 #04....FOR EN EN 用 REF.NO NOTE PART NO D E S C R I P T I O N 品 名 Qty 1 #01 401-06608 POWER LAMP 200V CABLE ASM パワーランプ200V束線組 1 2 #02 4…

- 125 -
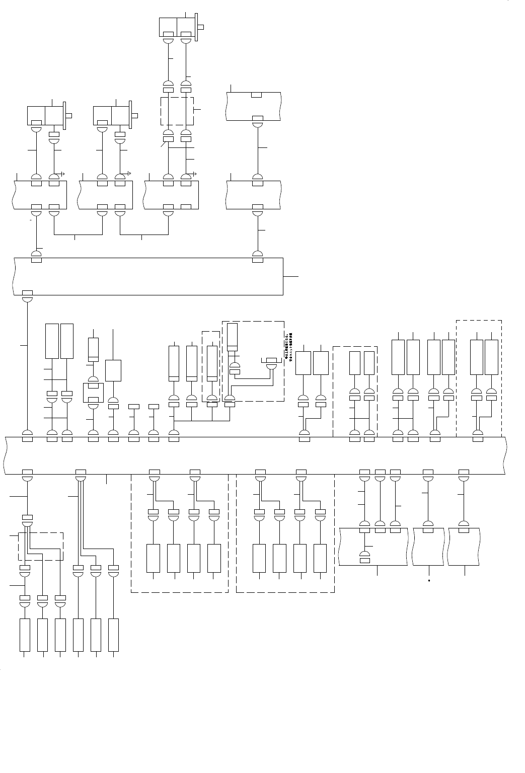
63.SYSTEM DIAGRAM(1)
SYSTEM DIAGRAM(1)
1-4C
6-4B
1-1A
1-4C
2-4B
2-5B
CN013
CN037
CN014
CNP1
CN37
ZTP02
ZTB SERVO
AMP(1/3)
MR-MD200-KW013
ZTACNP1
ZTA SERVO
AMP(1/3)
MR-MD200-KW013
CN14
XY BEAR CABLE
(1/3)
ZTP01
CN13
ZTACNP1
CNP1
CN017CN017
FAN7
[BASE2]
FAN6
FANFAN
FAN2FAN1
FAN
FAN
FAN5FAN4FAN3
[BASE1]
FAN
FAN
FAN
CN064CN064
PUMP
PUMP
R6E
FG
VACUUM PUMP
PWR PUMP
CN31CN531
2-2A
BASE PCB(1/5)
CN068PWR068
CN13
XYD13
O
W
O
V
O
R5E
R4E
TF1
1.
200V Y 400V Y
1
0
0
0
U
W
V
TF1
0
0
0
U
W
V
COM-A
MI FEEDER
4-1C
F16E
F3E
F2E
F1E
R3E
R1E
R2E
IN
IN
5-1A
RS232C BOARD
(2/4)
COM1
SIO1
3-3B
1-2C
CHECK
BATTERY OPTION
RS-232C
IP-X5
POSITION
CPU
IO-20
BATTERY
ATX-POWER(1/3)
8
7
6
5
4
3
2
2-1D
2-3A
1-1C
1
CONTROL UNIT
CPCI BACK BOARD
AC IN
MAIN SW
PS-ON
6-1C
CN251
PWR063CN063
ATX-13
TF1
200V
(6A)
100V
(14A)
CN04A
CN04A
2-4B
2-4A
2-4A
MTS PWR(L)
POWER ON LIGHT
CN001
CN06
CN04B
CN04B
34V
(6
8A)
CN03
CN03
CN01
CN01
CN11
XYD11
YL SERVO
AMP(1/2)
MR-J4-200B-KM012
E
CNP2
CNP1
YR SERVO
AMP(1/2)
MR-J4-200B-KM012
E
CNP2
CNP1
X SER VO
AMP(1/2)
MR-J4-70B-KM012
E
CNP2
CNP1
CN12
XYD12
NFB
200V
(12A)
U
FG
POWER UNIT(1/8)
INPUT
PE
FG
2-1D
MAIN SW
W
V
U
1-4C
CN031 CN031
2-1C
IO-20 PCB(2/6)
CN4 IO-CN4
380V/400V/415V200V/220V/240V
AC08
NF3030C-SVA
AC07
AC06
AC05
AC04
AC03
AC02
AC01
LF1
(5-1C)
CN473ATX-8
1 2
3
4
5 7
10
12
11
13 20
21 22
23
9
25
26 30
31
27 29
32
33 35 38
36
34
37
39
40
41
45
46
42
43
24
8
62 62
44
47
48
49
49
51
50
54
53
52
55
56
57 57
57 57
57
57
57
[CTRL UNIT]
59
58
60
61
9
9
CPU BOARD
COM1:HOD(By way of BASE PCB)
COM2:TOUCH PANEL
RS232C BOARD
COM3(SIO1):ATX BATTERY
COM4(SIO2):2D CodeReader of Head
COM5(SIO3):
COM6(SIO4):UPS of HEAD BACKUP
COM7(SIO5):BarCodeReader of Conveyor surface
COM8(SIO6):2D CodeReader of Conveyor back side
COM9(SIO7):
COM10(SIO8):

- 126 -
NOTE( 注記 ) #01....FOR 200V 200 V 用
#02....FOR 400V 400 V 用
#03....FOR ST ST 用
#04....FOR EN EN 用
REF.NO NOTE PART NO D E S C R I P T I O N
品 名
Qty
1
#01
401-06608 POWER LAMP 200V CABLE ASM
パワーランプ200V束線組
1
2
#02
401-06609 POWER LAMP 400V CABLE ASM
パワーランプ400V束線組
1
3 401-36442 POWER ON LAMP RELAY CABLE ASM
パワーランプ中継ケーブル組
1
4 401-36443 BREAKER OUT CABLE ASM
ブレーカOUTケーブル組
1
5 HA-0063400-00 CIRCUIT PROTECTOR
サーキットプロテクタ
1
6 HA-0063400-0B CIRCUIT PROTECTOR
サーキットプロテクタ
1
7 HA-0063400-10 CIRCUIT PROTECTOR
サーキットプロテクタ
1
8 401-36466 YR DRV FG CABLE
YR DRV FGケーブル
1
9 401-36446 TF INPUT CABLE ASM
TF入力ケーブル組
1
10 401-36340 SWITCH
スイッチ
1
11 401-36445 MTC PWR WIRE L ASM
MTC電源ワイヤーL組
1
12 401-36444 MAIN SW OUTPUT CABLE ASM
メインスイッチ出力ケーブル組
1
13 401-36420 AC INPUT NO.01 CABLE ASM
AC入力 NO.01ケーブル組
1
14 401-36421 AC INPUT NO.02 CABLE ASM
AC入力 NO.02ケーブル組
1
15 401-36423 AC INPUT NO.03 CABLE ASM
AC入力 NO.03ケーブル組
1
16 401-36424 AC INPUT NO.04 CABLE ASM
AC入力 NO.04ケーブル組
1
17 401-36425 AC INPUT NO.05 CABLE ASM
AC入力 NO.05ケーブル組
1
18 401-36427 AC INPUT NO.06 CABLE ASM
AC入力 NO.06ケーブル組
1
19 401-36428 AC INPUT NO.07 CABLE ASM
AC入力 NO.07ケーブル組
1
20 401-36430 AC INPUT NO.08 CABLE ASM
AC入力 NO.08ケーブル組
1
21 HN-0037400-00 NOISE FILTER
ノイズフィルタ
1
22 HC-0566030-P0 CAPACITOR
コンデンサ
1
23 401-36467 INPUT UNIT FG CABLE
入力ユニットFGケーブル
1
24 401-36465 YL DRV FG CABLE
YL DRV FGケーブル
1
25 401-36337 TRANSFORMER
トランス
1
26 401-36448 TF 200V OUTPUT CABLE ASM
TF 200V出力ケーブル組
1
27 401-36449 TF 34V OUTPUT CABLE ASM
TF 34V出力ケーブル組
1
28
#04
401-36461 SAFETY U 34V IN CABLE ASM(EN)
セーフティーU 34V INケーブル組(EN)
1
29
#04
401-36462 SAFETY U 34V OUT CABLE ASM(EN)
セーフティーU 34V OUTケーブル組(EN)
1
30 401-36450 TF 100VA OUTPUT CABLE ASM
TF 100VA出力ケーブル組
1
31 401-36451 TF 200VB OUTPUT CABLE ASM
TF 200VB出力ケーブル組
1
32 401-36468 TF FG CABLE ASM
TF FGケーブル組
1
33 401-36346 BASE PCB ASM
ベース基板組
1
34 401-36455 BASE PWR CABLE ASM
ベース電源ケーブル組
1
35 400-99547 VACUUM_PUMP_ASM
真空ポンプ組
1
36 401-36469 VACUUM PUMP FG CABLE ASM
真空ポンプFGケーブル組
1
37 401-36456 VAC PUMP POWER CABLE ASM
真空ポンプパワーケーブル組
1
38 401-36345 IO-20 PCB ASM
IO−20基板組
1
39 401-36460 POWER MONITOR CABLE ASM
電源モニタケーブル組
1
40
#03
401-37036 POWER_UNIT(ST)
電源ユニット(ST)
1
41
#04
401-37045 POWER_UNIT(EN)
電源ユニット(EN)
1
42 401-36452 X PWR CABLE ASM
X電源ケーブル組
1
43 401-36464 X DRV FG CABLE ASM
X DRV FGケーブル組
1
44 401-29652 X AXIS DRIVER
X軸ドライバ
1
45 401-36453 YL PWR CABLE ASM
YL電源ケーブル組
1
46 401-36454 YR PWR CABLE ASM
YR電源ケーブル組
1
47 401-36479 LZT PWR RELAY CABLE ASM
LZT電源中継ケーブル組
1
48 401-36484 XY BEAR CABLE ASM
XYベアケーブル組
1
49 401-29650 4AXIS INTEGRAL TYPE T AXIS DRIVER
4軸一体T軸ドライバ
1
50 401-36457 ATX PWR CABLE ASM
ATX電源ケーブル組
1
51 400-47894 ATX PWR RLY CABLE ASM
ATX電源中継ケーブル組
1
52 400-48006 ATX PSU
ATX電源
1
53 401-35433 8-PORT COM BOARD
8−PORT COMボード
1
54 400-48030 UPS 232C CABLE ASM
UPS通信ケーブル組
1
55 400-48007 BATTERY UNIT
バッテリユニット
1
56 401-37325 FAN CABLE ASM
ファンケーブル組
1
57 401-33768 DC FAN
DCファン
1
58 401-36458 LIGHT CTRL POWER CABLE ASM
ライトコントロール電源ケーブル組
1
59 401-36470 CPCI CHECK CABLE ASM
CPCIチェックケーブル組
1
60 401-09937 CPCI POWER CABLE ASM
CPCI電源ケーブル組
1
61 401-36459 ATX CTRL CABLE ASM
ATXコントロールケーブル組
1
62 401-29654 Y AXIS DRIVER
Y軸ドライバ
1

- 127 -
64.SYSTEM DIAGRAM(2)
SYSTEM DIAGRAM(2)
1-4C
3-1C3-1A
BANK POWER SW
BANK POWER SW
BANK UP
SENSOR(R)
BANK UP
SENSOR(F)
CN909
SAFETY UNIT
1-4B
1-4A
F6E
F5E
F4E
1-3A
5-3A
1-1C
1-4C
3-2D
CPU COM1
CN44
CN544
CPU BOARD
(2/7)
COM1
BK PW R
BK PW F
CN443
CN442
CN521
CN21
CN520
CN20
CN525 CN436
CN25
CN524 CN435
CN24
CN69 CN569
CN450
CN70
CN570
AIR
PRESSURE
SENSOR(-)
CN451
AIR
PRESSURE
SENSOR(+)
C-ATC
L SENSOR
CN443C
CN442C
C-ATC
R SENSOR
ATC OPEN
SENSOR
CN403
CN402
CN54 CN554
ATC CLOSE
SENSOR
OUT
IN
CN18
CN518
CN17
CN517
SMEMA(OUT)
SMEMA(IN)
CN491 CN492
CN669
CN2CN1
CN568
CN68
CN536CN36
CALBLOCK PCB ASM
CAL VACUUM
SENSOR
CAL
S.V.
C-ATC S.V.
EN
( )
C-ATC OPTION
CN529
XSTOPPER S.V.
CN29
ATC S.V.
CN020
CN2
CN4CN504
IO-CN3CN3
CN3CN503
IO-CN2CN2
3-3C
1-2D
POWER UNI
(2/9)
CN8
CN8 CN502
IO-CN8
CN8
3-3C
1-1D
CN62CN562
CN020
IO-20
PCB(3/6)
(REAR LEFT)
(REAR RIGHT)
CN51
CN50
CN551
CN550
CN431
CN433
CN426
CN428
FEEDER FLOAT
SENSOR (RR)
(EMISSION)
FEEDER FLOAT
SENSOR (RF)
(RECEVING)
FEEDER FLOAT
SENSOR (RF)
(EMISSION)
FEEDER FLOAT
SENSOR (RR)
(RECEVING)
REAR FEEDER FLOAT SENSOR OPTION
REAR MBF DETECT
SENSOR
(EMISSION)
CN58
CN558
CN429
REAR MBF DETECT
SENSOR
(RECEVING)
CN19CN519
CN434
CN40CN540
FRONT FEEDER FLOAT SENSOR OPTION
(FRONT RIGHT)
(FRONT LEFT)
CN41
CN541
CN432
CN430
CN427
CN425
FEEDER FLOAT
SENSOR (FF)
(EMISSION)
FEEDER FLOAT
SENSOR (FR)
(RECEVING)
FEEDER FLOAT
SENSOR (FR)
(EMISSION)
FEEDER FLOAT
SENSOR (FF)
(RECEVING)
CNP3
CN2
CN1B
CN1A
CNP3
CN2
CN1B
CN1A
YRCNMTR
YRCNP3
YLCNP3
YLCNMTR
XCNMTR
MRPWS2CBL03M
-A1-L-S00
CN166
CN165
XCNP3
CNP3
X-LIMX+LIM
CN1B
YR SERVO MOTOR
HC-RP153-S3
CN1B
YRCNENC
YRCN2
CH2
MR-J3BUS015M
CN1A
CN1A
CN154
XCNENC
CN152
MR-J3JCBL03M-A1-L
X SERVO MOTOR
HG-KR73-S000010
Y BEAR CABLE(2/2)
XCN2
CN2
X SERVO AMP(2/2)
MR-J4-70B-KM012
YLCNENC
YL SERVO MOTOR
HC-RP153-S3
YLCN2
XNEAR
X-LIM
YBEAR
CABLE(1/2)
CN1B
CN1A
CH1
CH1
MCCN1CH
POSITION BOARD(2/2)
MR-MC121-S0
CN501
CN1
CN67CN567
CN63CN563CN127
YNEAR
Y++LIM
Y-LIM
YPOSLIMIT
SENSOR (FEEDER)
BASE PCB(2/5)
X POS LIMIT
SENSOR
X NEG LIMIT
SENSOR
XNEAR
SENSOR
Y NEG LIMIT
SENSOR
YNEAR
SENSOR
123456
7
8
9 10
11 12 13 14 17 18 19 20
15 16 21 22
33
23
24
28 29 30
25
27
31
32
26
36
36
35
37
39
42 44 45
46
41 43
40
47 48 49
CN420
CN421
CN422
CN423
BU_L LOCK
50
51
52 53
REPLACING OVERALL CHENGER TABLE UNIT
54
55
56
57
5858 6061
59
62
6364
C-ATC OPTION
65
66
67 67
68
GHTT4002-F07-0 7M
MR-J3BUS015M
MR-J3BUS015M
PCK202HPX-F07-8M
YR SERVO AMP(2/2)
MR-J4-200B-KM012
69 69 70
YL SERVO AMP(2/2)
MR-J4-200B-KM012
71
ZTA SERVO AMP(2/3)
MR-MD200-KW013
1-3B
ZTB SERVO AMP(2/3)
MR-MD200-KW013
1-3C
71
72
73
74
75
77
76
78
67
79 79
8
81
38
80
34