JM-20-Rev04 - 第61页
- 56 - NOTE( 注記 ) *INSTALLATION POSIT ION AND DIRECTION VARY IF THE PWB T RANSFER REFERENCE IS DIFFE RENT. 基板搬送基準が異なると取付位置、方向が変わります。 REF.NO NOTE PART NO D E S C R I P T I O N 品 名 Qty 1 401-37180 RAIL_PLATE_RR_A SM レールプレー…

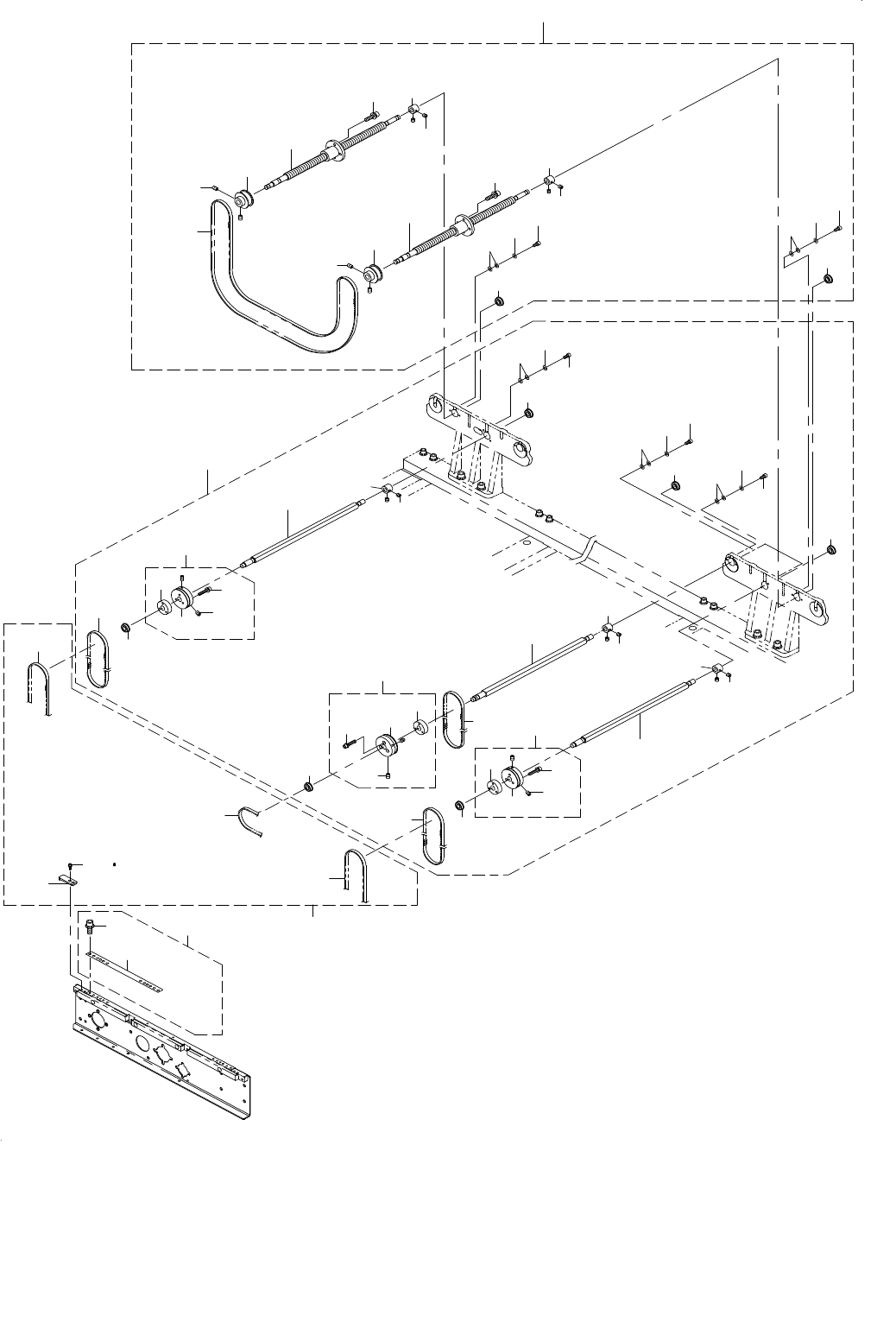
- 55 -
28.PWB CONVEYOR COMPONENTS(4)
基板搬送関係(4)
A
B
B
A
36
34
41
39
39
38
44
35
40
37
20
22
21
5
22
21
5
24
29
8
7
6
9
16
15
14
18
17
4
42
30
25
28
11
10
9
12
13
23
1
8
3
19
26
25
26
24
26
24
25
26
24
25
2
13
14
15
16
2
43
10
11
2
2
18
17
41
39
40
37
39
38
27
33
32
31
33
31
32

- 56 -
NOTE( 注記 ) *INSTALLATION POSITION AND DIRECTION VARY IF THE PWB TRANSFER
REFERENCE IS DIFFERENT.
基板搬送基準が異なると取付位置、方向が変わります。
REF.NO NOTE PART NO D E S C R I P T I O N
品 名
Qty
1 401-37180 RAIL_PLATE_RR_ASM
レールプレートRR組
1
2 E3931-750-000 PULLEY WASHER
プーリスラストワッシャ
(4)
3 401-38183 CONVEYOR_RAIL
搬送レール
(1)
4 SB-8200001-00 BEARING
ころがり軸受
(2)
5 SM-4040855-SC SCREW
なべ小ねじ M4 L=8
(2)
6 E2089-721-0A0 CONVEYOR PULLEY B ASM.
搬送プーリB組
(1)
7 E2055-721-000 PULLEY SPACER
プーリスペーサ
(1)
8 SM-4042501-SC SCREW M4X0.7 L=25
なべ小ねじ M4X0.7 L=25
(2)
9 WP-0430801-SC WASHER M4
平座金 M4
(2)
10 WS-0410002-KN SPRING WASHER M4
ばね座金 M4
(2)
11 NM-6040001-SC NUT M4X0.7 TYPE1
六角ナット M4X0.7 1種
(2)
12 SM-6051002-TN SCREW
六角穴ボルト
(8)
13 400-00839 DRIVE PULLEY R ASM
ドライブプーリR組
(2)
14 400-00840 DRIVE PULLEY R
ドライブプーリR
(1)
15 E2160-721-000 PULLEY FLANGE
プーリフランジ
(1)
16 SL-6030892-TN SCREW M3 L=8
座金付き六角穴ボルト M3 L=8
(3)
17 SL-6030892-TN SCREW M3 L=8
座金付き六角穴ボルト M3 L=8
(6)
18 E2160-721-000 PULLEY FLANGE
プーリフランジ
(2)
19 SL-6031492-TN SCREW M3 L=14
座金付き六角穴ボルト M3 L=14
(4)
20 SL-6041092-TN SCREW M4 L=10
座金付き六角穴ボルト M4 L=10
(2)
21 E2111-715-0A0 CONVEYOR PULLEY ASM.
搬送プーリ(組)
(2)
22 WP-0430800-SC WASHER M4
平座金小形丸 M4
(2)
23 401-37181 SUPPORT PLATE RR ASM
サポートプレートRR組
(1)
24 E2111-715-0A0 CONVEYOR PULLEY ASM.
搬送プーリ(組)
(6)
25 WP-0430800-SC WASHER M4
平座金小形丸 M4
(6)
26 SM-4040855-SC SCREW
なべ小ねじ M4 L=8
(6)
27 401-36816 SUPPORT_PLATE_RR
サポートパネルRR
(1)
28 E2111-715-0A0 CONVEYOR PULLEY ASM.
搬送プーリ(組)
(1)
29 WP-0430800-SC WASHER M4
平座金小形丸 M4
(1)
30 401-36814 RAIL_PLATE_RR
レールプレートRR
(1)
31 401-38303 RESIST_LIGHTEN_ROLLER_ASM
レイジストライテンローラ組
(2)
32 SM-4041201-SC SCREW M4X0.7 L=12
なべ小ねじ M4X0.7 L=12
(2)
33 WP-0430800-SC WASHER M4
平座金小形丸 M4
(2)
34 SL-6052092-TN SCREW M5 L=20
座金付き六角穴ボルト M5 L=20
2
35 401-36817 RAIL_STAND_RL
レールスタンドRL
1
36 SL-6052092-TN SCREW M5 L=20
座金付き六角穴ボルト M5 L=20
2
37 401-37167 GUIDE_SHAFT_ASM_L
ガイドシャフト組L
4
38 SL-6052042-TN SCREW
座金付き六角穴ボルト
(1)
39 WP-0501046-SC WASHER 5 X 14 X 1
平座金 5X14X1
(2)
40 401-36819 GUIDE_SHAFT_L
ガイドシャフトL
(1)
41 SL-6051292-TN SCREW M5 L=12
座金付き六角穴ボルト M5 L=12
(1)
42 SL-6041292-TN SCREW M4 L=12
座金付き六角穴ボルト M4 L=12
4
43 401-46998 CONVEYOR_SUPPORT_PLATE
搬送サポートプレート
1
44 401-36818 RAIL_STAND_RR
レールスタンドRR
1

- 57 -
29.PWB CONVEYOR COMPONENTS(5)
基板搬送関係(5)
36
35
31
1
21
21
21
16
4
26
3
14
11
7
6
30
18
17
26
30
18
17
26
35
20
20
33
34
32
2
17
18
30
19
22
24
23
25
26
28
27
14
10
13
5
24
5
6
19
8
10
28
8
22
22
11
7
29
23
25
19
15
12
15
24
23
25
26
26
9
27
9
28
27
12