112-III_KM5_e - 第8页
PA G E 6 1 12-III (KM5) Con fi dential & Proprietary Feeder exchange KM5-0K009-50

PAGE
5
112-III (KM5)
Confi dential & Proprietary
I/O 2(conveyor rear)
KM5-0K001-22

PAGE
6
112-III (KM5)
Confi dential & Proprietary
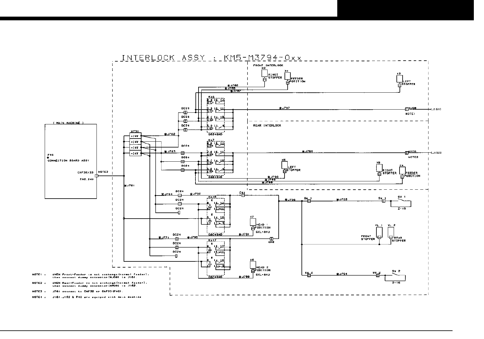
Feeder exchange
KM5-0K009-50

PAGE
7
112-III (KM5)
Confi dential & Proprietary
Power transformer terminal
KM5-0K001-22