YG200L_khm_Eg - 第27页
PA G E 24 YG200L (KHM) Con fi dential & Proprietary KHM-000-CCV0 Air circuit (YG200L SF) AIR SOURCE US8 SL12-03 SL12-03 UY10 YMDAS16X35 V ALVE ASSY ,24-L KGS-M3410-701 V ALVE ASSY ,24-L KGS-M3410-701 SL4-M5 SL4-M5 10 …

PAG E
23
YG200L (KHM)
Confi dential & Proprietary
KHM-000-CCV0
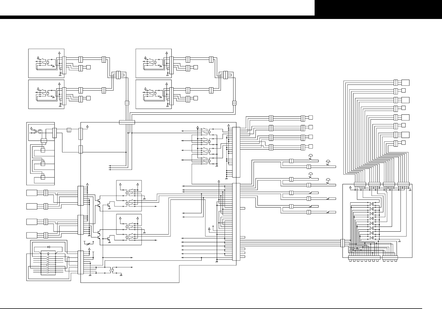
Emergency circuit
1
2
3
4
5
6
7
8
9
1
2
3
4
5
6
7
8
9
INTERFACE
GOOD
1
2
3
1
2
3
1
2
1
2
+24V
+24V
1
2
3
4
5
6
7
8
9
1
2
3
4
5
6
7
8
9
+24V
+24V
3
4
5
6
3
4
5
6
1
2
1
2
E+24V
1
2
1
2
3
4
3
4
1
2
3
4
5
6
7
8
9
1
2
3
4
5
6
7
8
9
+24V
+24V
1
2
3
4
5
6
7
8
9
1
2
3
4
5
6
7
8
9
+24V
+24V
123456
1234 6578
78
12
12
EMGA
1
2
1
2
3
4
3
4
EMGA
1
2
1
2
33
1
2
1
2
33
EMG
EMG
1
2
1
2
3
4
3
4
EMGB
12
12
EMGB
1
2
1
2
33
1
2
1
2
33
EMG
EMG
1
2
1
2
33
EMG
1
2
1
2
33
EMG
1
2
1
2
33
EMG
1
2
1
2
33
EMGCN8
CN8
CN8
CN8
1
2
1
2
33
X1OT
1
2
1
2
33
1
2
1
2
33
1
2
1
2
33
XOT
XOT
XOT
XOT
CONT.GOOD
A1
B1
A2
B2
A3
B3
A4
B4
A5
B5
A6
B6
A7
B7
A8
B8
A9
B9
A10
B10
A11
B11
A12
B12
A13
B13
A1
B1
A2
B2
A3
B3
A4
B4
A5
B5
A6
B6
A7
B7
A8
B8
A9
B9
A10
B10
A11
B11
A12
B12
A13
B13
A17
B17
A18
B18
A19
B19
A20
B20
A14
B14
A15
B15
B16
A16
A1
B1
A2
B2
A3
B3
A4
B4
A5
B5
A6
B6
A7
B7
A8
B8
A9
B9
A10
B10
A11
B11
A12
B12
A13
B13
A1
B1
A2
B2
A3
B3
A4
B4
A5
B5
A6
B6
A7
B7
A8
B8
A9
B9
A10
B10
A11
B11
A12
B12
A13
B13
A17
B17
A18
B18
A19
B19
A20
B20
A14
B14
A15
B15
B16
A16
1
2
1
2
33
1
2
1
2
33
1
2
1
2
33
1
2
1
2
33
1
2
1
2
33
1
2
1
2
33
1
2
1
2
33
1
2
1
2
33
Y1OT
Y2OT
YT1OT
YT2OT
Y1OT
Y2OT
YT1OT
YT2OT
EMG1
EMG2
EMG3
EMG4
EMG5
EMG6
EMG7
EMG8
EMG9
EMG10
EMG11
EMG12
EMG13
E12A
E11A
E13A
EMG15
EMG16
EMG17
EMG18
EMG19
EMG20
EMG14
TF EMG
EMG SPARE1
EMG SPARE2
EMG SPARE3
EMG SPARE4
EMG SPARE5
Y1OT
Y2OT
YT1OT
YT2OT YTOT
YTOT
YOT
YOT
A1
B1
A2
B2
A3
B3
A4
B4
A5
B5
A1
B1
A2
B2
A3
B3
A4
B4
A5
B5
N006E0
N006E1
N006E2
N00610
N00611
N00612
N00613
N006F0
N006F1
N006F2
N006F3
N006F4
N006F5
1
2
3
1
2
3
1
2
3
1
2
3
1
2
3
4
FES CN8
1
2
3
4
CN8
123456
1234 6578
78
9 1 01 11 21 31 41 51 6
101112131415169123456
1234 6578
78
1
2
1
2
1
2
1
2
1
2
1
2
1
2
1
2
CN9 CN10
123456
1234 65
CN6
123456
1234 65
+24V
CN2
123456
1234 65
CN3
123456
1234 65
CN5
NORMAL (*Note2)NONSTOP (*Note1)
Note2: For use in nomal feeder cariage
Note1: For use in nonstop feeder cariage
CN43
4
5
4
5
123
123
SERVO 3
12
12
SERVO 2
12
12
SERVO 1
12
12
CN16
CN51
CN22
CN41
CN42
K1
K1
K1K1
N00401
N00581
N08201
N08381
SQ52
SQ75
SQ98
SQ119
X2OT
X3OT
X4OT
I/OA
SQ43B
+24VC
+24VD
+24VK
+24VI
KA2
KA5
KA7
KA10
+24VK
X1,4OT
X2,3OT
+24VJ
+24EA
CONTROL BOX
A1
P21 P22
P23P24
I/O HEAD BOARD D
I/O HEAD BOARD A
I/O HEAD BOARD C
I/O HEAD BOARD B
SQ54
SQ77
SQ4
SQ17
P71
1
2
1
2
33
1
2
1
2
33
1
2
1
2
33
1
2
1
2
33
1
2
1
2
33
1
2
1
2
33
1
2
1
2
33
1
2
1
2
33
AREA/FORWARD
CART/UPPER
AREA/FORWARD
CART/UPPER
AREA/FORWARD
CART/UPPER
AREA/FORWARD
CART/UPPER
FES BOARD
(OPTION)
AREA/N006A6
CART/N006A5
AREA/N006B1
CART/N006B0
AREA/N006B4
CART/N006B3
AREA/N006B7
CART/N006B6
* NONSTOP/NORMAL
SQ153B
F1
F2
R1
R2
SQ154B
/SQ143
/SQ145
SQ155B
SQ156B
/SQ147
F1
F2
R1
R2
SQ149/SQ142
/SQ141
SQ150/SQ144
SQ151/SQ146
SQ152/SQ148
KA1
KA2
KA3
KA4
KA5
KA6
KA7
KA8
10
11
12
1
2
3
4
5
6
7
8
9
EMG21
EMG20
READY OUT
SERVO ON
N00686
T00264
CN52
+24VJ
KA11
+24E
1
2
3
4
5
6
7
8
9
10
11
12
EMG21
EMG21EMG20
N00686
0V
+24E+24V
+24V 13 14
A1 A2
53 54
73 74
83 84
1/L1
3/L2
5/L3
2/T1
4/T2
6/T3
KM10/KM10A
21 22
63 64
S10
P25 I/O CONVEYOR BOARD
F1 AREA SENSOR
R1 AREA SENSOR
F1 AREA
R1 AREA
SQ45B
F1 EMG
F2 EMG
SB15
SB16
SB17
SB18
F1 EMG SW
F2 EMG SW
R1 EMG
R2 EMG
R1 EMG SW
R2 EMG SW
1
2
1
2
1
2
1
2
F1 COVER
F1 COVER SW
SQ151
SQ152
F2 COVER SW
1
2
1
2
1
2
1
2
F2 COVER
R1 COVER
R2 COVER
R1 COVER SW
R2 COVER SW
SQ153
SQ154
A1
B1
A2
B2
A3
B3
A4
B4
A5
B5
A1
B1
A2
B2
A3
B3
A4
B4
A5
B5
1
2
3
1
2
3
1
2
3
1
2
3
F2 AREA SENSOR
R2 AREA SENSOR
F2 AREA
R2 AREA
CN53
SQ44B
SQ46B
MSP EMG
N006E3
N006E4
N006E5
F.COVER
R.COVER
N006E6
N006E7
F. EM G
R.EMG
+24E +24EA
2.5A
+24VK
KA9
+24VK
KA10
F.AREA
N00614
+24VK +24VK
R.AREA
N00615
KA11
KA12
+24V
+24V
+24C
+24D

PAG E
24
YG200L (KHM)
Confi dential & Proprietary
KHM-000-CCV0
Air circuit (YG200L SF)
AIR SOURCE
US8
SL12-03
SL12-03
UY10
YMDAS16X35
VALVE ASSY,24-L
KGS-M3410-701
VALVE ASSY,24-L
KGS-M3410-701
SL4-M5
SL4-M5
10 (ORANGE)
10 (ORANGE)
HI-CAPPLER
PLUG 40PM
UC4
8 (ORANGE)
SL8-01
UYD10-8
10 (ORANGE)
103102101 124
KM-06 KM-06
stn.103stn.102
stn.101
stn.124
TT8-01 TL8-01
BF4
BF4
PLUG
K40-M8598-002
TSH8-01
TSS4-01
32124
KM-06 KM-06
stn.3stn.2stn.1 stn.24
TT8-01 TL8-01
BF4
BF4
PLUG
K40-M8598-002
TSH8-01
MANUHOLD
KGT-M1141-000
MANUHOLD
KGT-M1141-000
SL4-M5
YMDAS16X35
TSH4-M5
TL4-02
GS1-50
-DL-45WY
SL12-04
R600-03
F600-04
-BG-A
KM-11
8 (ORANGE)
KM23
UYD12-10
SL4-M5
USD12-10
USD8-6
UB12
TSS4-01
UEDW10-8
8 (ORANGE)
10 (ORANGE) 8 (ORANGE)
VALVE ASSY,24-R
KGS-M3410-801
VALVE ASSY,24-R
KGS-M3410-801
127126125 148
KM-06 KM-06
stn.127stn.126
stn.125
stn.148
TT8-01 TL8-01
BF4
BF4
272625 48
KM-06 KM-06
stn.27stn.26stn.25 stn.48
TT8-01 TL8-01
BF4
BF4
10 (ORANGE)
8 (ORANGE)
UYD12-10
UYD12-10
USD10-8
UYD8-6
UY8
8 (ORANGE)
8 (ORANGE)
UB12
SSU-4
CDA 25X35
MHX10X40
USD10-8
UYD12-10
TL6-01M
6 (ORANGE)
8 (ORANGE)
USD10-8
UP8
TS12-04
TS12-04
KM5-M8531-000
ACCUMLATAOR
ARJ210-M5
CRB-0137W
UTF4BU-M3
UEF4BU-M3
TS4-M5
600V-04
GPC15-M5
SSU-4
CDA 25X35
MHX10X40
TL6-01M
ARJ210-M5
CRB-0137W
UTF4BU-M3
UEF4BU-M3
TS4-M5
GPC15-M5
SLH8-01
SLH6-01
KM-05
6 (ORANGE)
8 (ORANGE)
SLH6-01
KM-05
SLH8-01
6 (ORANGE)
A010E1-44W
A010E1-37W
TL4-M5M
TSH4-M5M
4 (ORANGE)
TL4-M3M
UTD6-4M
KM-05
BF4BU-M3
PF-M3
PF-M3
TSH4-M3M
4 (BLACK)
4 (BLACK)
VALVE KIT
KGA-M37P0-000
20
11
12
9
8
6
5
3
2
M-F ELBOW3/8"
1
10
11
29
12
20
8-60D4
4
29
MF600-04-A
13
13
18
15
16
7
30
31
14
SL12-04
32
KM11
18
15
17
30
31
32
KM11
25
26
28
KHM-M7186-000: MANIFOLD
GA010HE1-25-PS
040M3AJ-stn. 1, 2
A040-4E1-PLL-DC24V
-stn. 3 BP
040M3A stn. 1, 2, 3
-A040-4E1-PSL-DC24V
SL4-M5
TL4-M5M
4
(BLACK)
4
(BLACK)
4
(BLACK)
4 (ORANGE)
4 (ORANGE)
040M3A stn. 1, 2, 3
-A040-4E1-PSL-DC24V
SL4-M5
TL4-M5M
4
(BLACK)
4
(BLACK)
4
(BLACK)
4 (ORANGE)
4 (ORANGE)
8 (ORANGE)
8 (ORANGE)
4
(BLACK)
UY4
4
(ORANGE)
4
(ORANGE)
12
(ORANGE)
10 (ORANGE)
4
(BLACK)
4
(BLACK)
TLL8-01
TL8-01
KHM-M9937-000
EBS-60-146-2-120 (SMC)
8 (BLACK)
TUS0805B (SMC)
KHM-M9912-000
KQ2K08-01S (SMC)
KHM-M922H-000
KGD-M9244-000
CYLINDER
REGULATOR
KG2-M8512-000
EJECTOR,RESIN
SOLENOID VALVE
KG2-M8501-000
CYL.,YMDAS16X35
CYLINDER
VALVE ASSY,L
VALVE ASSY,R
CYLINDER
VALVE(SPARE)
VALVE ASSY,24-R
PLUG 1 (R 1/8)
MANUFOLD
VALVE
PRESURE GAUGE
KG2-M8512-000
REGULATOR
ACCUMLATAOR
EXHAUST VALVE
MIST FILTER
MODULE ADAPTER
AIR FILTER
JOINT
JOINT
KHM-M7163-000
KGT-M7162-001
KGS-M9283-000
KGT-M9209-000
KHM-M9175-L00
KHM-M9175-R00
KHM-M9182-000
KG2-M8582-400
KGS-M3410-801
K40-M8598-002
KGT-M1141-000
KGT-M8582-000
KG7-M8596-006
KG2-M8504-010
KM5-M8531-000
KH1-M8501-000
KG2-M8502-000
KG2-M8503-000
F600-04-BG-A
40PM
1/2" M-F ELBOW
8-60D4
MF600-04-A
600V-04
R600-03
GS1-50-DL-45WY
MHX10X40 (SMC)
CDA 25X35
YMDAS16X35
VALVE
KGS-M7176-000
VALVE ASSY,24-L
KGS-M3410-701
CBR-0137W
KHM-M922L-000 PRESSURE GAUGE
GPC15-M5
31
6
5
4
2
1
REMARKSQ'TY
PART NAME
PART NO.
No.
7
8
9
10
11
12
13
17
15
16
21
22
23
24
25
26
27
28
29
30
14
3
18
19
20
32
1
1
1
2
1
1
1
1
2
2
2
2
1
1
2
1
1
2
1
1
1
4
2
2
12
2

PAG E
25
YG200L (KHM)
Confi dential & Proprietary
KHM-000-CCV0
Air circuit (YG200L SF&FES)
AIR SOURCE
US8
SL12-03
SL12-03
UY10
YMDAS16X35
SL4-M5
SL4-M5
10 (ORANGE)
HI-CAPPLER
PLUG 40PM
UC4
SL8-01
UYD10-8
10 (ORANGE)
PLUG
K40-M8598-002
TSH8-01
TSS4-01
PLUG
K40-M8598-002
TSH8-01
MANUHOLD
KGT-M1141-000
MANUHOLD
KGT-M1141-000
SL4-M5
YMDAS16X35
TSH4-M5
TL4-02
GS1-50
-DL-45WY
SL12-04
R600-03
F600-04
-BG-A
KM-11
8 (ORANGE)
KM23
SL4-M5
USD12-10
USD8-6
UB12
TSS4-01
UEDW10-8
UYD12-10
UYD12-10
USD10-8
8 (ORANGE)
8 (ORANGE)
UB12
SSU-4
CDA 25X35
MHX10X40
TL6-01M
6 (ORANGE)
UP8
TS12-04
TS12-04
KM5-M8531-000
ACCUMLATAOR
ARJ210-M5
CRB-0137W
UTF4BU-M3
UEF4BU-M3
TS4-M5
600V-04
GPC15-M5
SSU-4
CDA 25X35
MHX10X40
TL6-01M
ARJ210-M5
CRB-0137W
UTF4BU-M3
UEF4BU-M3
TS4-M5
GPC15-M5
6 (ORANGE)
KM-11
10 (ORANGE)
UYD12-10
10 (ORANGE)
UYD12-10
UYD10-8
4 (ORANGE)
4 (BLACK)
8 (ORANGE) 6 (ORANGE)
8 (ORANGE) 6 (ORANGE)
USD8-6
10 (ORANGE)
10 (ORANGE)
8 (ORANGE)
KV7-M8583-000,OPTION MANIFOLD ASSY
UY6
UY8
UYD6-4
TS4-01
UB4
TL4-01M
6 (ORANGE)
8 (ORANGE)
8 (ORANGE)
8 (ORANGE)
8 (ORANGE)
UYD10-8
UYD10-8
UYD10-8
6 (ORANGE)
8 (ORANGE)
UY8
TL4-02
TL4-02
TS6-01
4 (BLACK)
4 (BLACK)
TSH4-M3M
PF-M3
PF-M3
BF4BU-M3
KM-05
UTD6-4M
TL4-M3M
4 (ORANGE)
TSH4-M5M
TL4-M5M
UY8
UYD8-6
A010E1-37W
A010E1-44W
6 (ORANGE)
8 (ORANGE)
SLH8-01
KM-05
SLH6-01
8 (ORANGE)
6 (ORANGE)
KM-05
SLH6-01
SLH8-01
20
11
12
9
8
6
5
3
2
M-F ELBOW3/8"
1
10
11
12
20
8-60D4
4
MF600-04-A
18
15
16
7
30
31
14
SL12-04
39
KM11
18
15
17
30
31
39
KM11
SL8-01
33
36 37
32
34 35
38
GA010HE1-25-PS
KHM-M7186-000: MANIFOLD
28
26
25
040M3AJ-stn. 1, 2
A040-4E1-PLL-DC24V
-stn. 3 BP
040M3A stn. 1, 2, 3
-A040-4E1-PSL-DC24V
SL4-M5
TL4-M5M
4
(BLACK)
4
(BLACK)
4
(BLACK)
4 (ORANGE)
4 (ORANGE)
040M3A stn. 1, 2, 3
-A040-4E1-PSL-DC24V
4
(BLACK)
4 (ORANGE)
4
(BLACK)
4
(BLACK)
4 (ORANGE)
SL4-M5
TL4-M5M
8 (ORANGE)
8 (ORANGE)
4
(ORANGE)
UY4
4
(ORANGE)
12
(ORANGE)
TLL8-01
TL8-01
KHM-M9937-000
EBS-60-146-2-120 (SMC)
8 (BLACK)
TUS0805B (SMC)
KHM-M9912-000
KQ2K08-01S (SMC)
KHM-M922H-A00
KGD-M9244-000 CYLINDER
REGULATOR
EJECTOR,RESIN
SOLENOID VALVE
CYL.,YMDAS16X35
CYLINDER
VALVE ASSY,L
VALVE ASSY,R
CYLINDER
VALVE(SPARE)
VALVE ASSY,24-R
PLUG 1 (R 1/8)
MANUFOLD
VALVE
PRESURE GAUGE
REGULATOR
ACCUMLATAOR
EXHAUST VALVE
MIST FILTER
MODULE ADAPTER
AIR FILTER
JOINT
JOINT
KHM-M7163-000
KGT-M7162-001
KGS-M9283-000
KGT-M9209-000
KHM-M9175-L00
KHM-M9175-R00
KHM-M9182-000
KG2-M8582-400
KGS-M3410-801
K40-M8598-000
KGT-M1141-000
KHM-M9175-000
KG2-M8596-004
KG2-M8504-003
KM5-M8531-000
KH1-M8501-000
KG2-M8502-000
KG2-M8503-000
VALVE KGS-M7176-000
VALVE ASSY,24-L KGS-M3410-701
KV7-M8583-000
OPTION MANIFOLD ASSY
KM8-M3483-001 VALVE
KGS-M3783-000 CYLINDER
KGS-M3788-000 VALVE ASSY.12
KV8-M37A9-000 AIR PILOTED VALVE
KV8-M37S2-000 AIR SOCKET,2 ASSY.
KGS-M37B1-000
SPEED CONTROLLER
KHM-M922L-000 PRESSURE GAUGE
1
1
KG2-M8512-000
1
2
1
KG2-M8501-000
1
1
1
2
2
2
2
1
1
2
1
1
2
KG2-M8513-000
1
1
1
F600-04-BG-A
40PM
1/2" M-F ELBOW
8-60D4
MF600-04-A
600V-04
R600-03
GS1-50-DL-45WY
MHX10X40 (SMC)
CDA 25X35
YMDAS16X35
4
2
2
12 CBR-0137W
1
4
16
8
4
8
CDA 40X30R
250A-2
16
2 GPC15-M5
31
6
5
4
2
1
REMARKSQ'TY
PART NAME
PART NO.
No.
7
8
9
10
11
12
13
17
15
16
21
22
23
24
25
26
27
28
29
30
14
3
18
19
20
32
33
34
35
36
37
38
39